0

Разделы

Аксессуары (HID: Print)

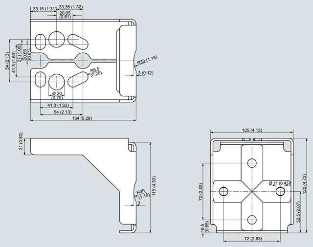
Mounting bracket for SITRANS P pressure transmitter, P500 series, measurements in mm

Mounting bracket material: Sheet-steel Mat. No. 1.0330, chrome-plated, or stainless steel Mat. No. 1.4301 (304)