0

Разделы

Скачать Заказные данные 
ENG: Angle adapter

P300 pressure transmitter with shut-off valve and angle adapter

The angle adapter enables pressure transmitters with top displays to be read from the front.

 


Характеристика

Скачать Заказные данные 
ENG: Angle adapter

Permissible operating overpressure as a function of the permissible operating temperature

 


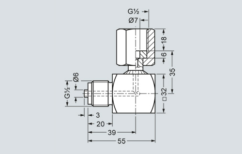
Чертеж

Скачать Заказные данные 
ENG: Angle adapter

Angle adapter, dimensions in mm

 


Заказные данные

Скачать Заказные данные 

Цена на сайте указана розничная в ЕВРО без учета НДС.Для уточнения цены и размера предоставляемой скидки - звоните или присылайте заявки

Заказной номерPGОписание продуктаЦена
7MF9000-8AB807Сертификат производителя по EN 10204-2.2 для вентильных блоков. 60.10
7MF9000-8AD807Сертификат приёмки материала согласно EN 10204-3.1 для внтильных блоков. 118.72
7MF9401-7WA807Угловой адаптер, 90 град. 73.14