0

Разделы

Скачать Заказные данные 
Блок акустической диагностики SITRANS DA400

Акустическая диагностика с SITRANS DA400 и сенсором

Акустическая диагностика  SITRANS DA400 совместно с акустическим измерением звука, возникающего в конструкции от качения, например, насосов.  

Он состоит из электрической диагностики совместно с четырьмя акустическими сенсорами.

 


Особенности

Скачать Заказные данные 
Блок акустической диагностики SITRANS DA400
  • Увеличение работоспособности системы:
    • Заблаговременное планирование обслуживания благодаря раннему выявлению неисправных компонентов
    • Уменьшение простоев
    • Увеличение поддерживающего интервала 
    • Увеличение надежности насосов
  • Избежание  дорогого косвеного вреда
  • Увеличение защиты в критических применениях
  • Раннее срабатывание при уменьшении мощности
  • Увеличение производительности 

 


Область применения

Скачать Заказные данные 
Блок акустической диагностики SITRANS DA400

SITRANS DA400 позволяют непрерывно, синхронно и независимо контролировать  до четырех клапанов насоса. В добавок,  другие четыре входа доступны для подключения стандартных сигналов (например,  диафрагма и температурный контроль). Благодаря этому состояние поршневого насоса контролируется в каждой фазе его работы.

SITRANS DA400 используется во многих производствах, использующие поршневые насосы.   

При использовании модуля акустического преобразователя во взрывоопасных зонах, возможна эксплуатация сенсоров в Ex-зонах при использовании барьеров безопасности.

 


Функции

Скачать Заказные данные 
Блок акустической диагностики SITRANS DA400
Особенности продукта

Непрерывный и независимый контроль состояния:

  • нагнетательных клапанов, для определения утечки
  • мембран, для определения усталости металлов
  • температурной нагрузки масла гидравлики

Вывод информации о состоянии в систему управления процессом:

      через цифровые выходы 

  • цифровая передача через PROFIBUS DP или PROFIBUS PA

Простое управление и параметрирование :

  • Локально, через цифровой дисплей и кнопок
  • PROFIBUS DP и PROFIBUS PA
Принцип работы

Принцип измерения

Утечки нагнетательных клапанов поршневых насосов являются потоками, в которых возникают кавитации. Это приводит к возникновению звуковых колебаний, которые передаются на корпус клапана, где они регистрируются сенсором шумов конструкции изделия и SITRANS DA400, расположенным снаружи.

В SITRANS DA400 используется тот факт, что как при открытом, так и при закрытом неповрежденном клапане, кавитаций не возникает, и замеренный уровень шума соответствует рабочему шуму насоса. Однако при закрытом поврежденном клапане, напротив, возникают кавитации, что может быть обнаружено по периодическому возрастанию уровня шума. Измеренное SITRANS DA400 значение в точности соответствует этому приросту уровня шумов.

Измерение происходит в ультрозвуковом диапазоне.  Таким образом отфильтровывается рабочий шум насоса и шум закрывания клапанов.

Сигнал сенсора шума при неповрежденном клапане

 

Сигнал сенсора шума при поврежденном клапане

Принцип работы сенсора

Работа сенсора шума конструкции основана на пьезоэлектрическом принципе. Шум конструкции передается в сенсор через его основание (монтажную поверхность) и преобразуется внутри него в электрическое напряжение. Это напряжение усиливается в сенсоре, а затем передается через кабель.

Частотный диапазон сенсора лежит в ультрозвуковой области. Сенсор является ненаправленным, тю ею угол, под которым звуковые волны падают на основание сенсора, не играет никакой роли.

принцип работы электроники

SITRANS DA400, функциональная схема электроники

 


Технические данные

Скачать Заказные данные 
Блок акустической диагностики SITRANS DA400

 

SITRANS DA400

 

Вход

 

Акустические каналы

 

  • Время опроса

10 мс

Универсальный вход

 

  • Время опроса

80 мс

  • Время НЧ-фильтра

1 с

Универсальный аналоговый токовый вход

 

  • Нагрузка

< 105 Ω

  • Разрешение

0.1%

  • Точность

0,5%

  • Потеря сигнала 

> 21 мA или < 3,6 мA (с 4 ... 20 мA)

  • Гистерезис

0.5%

  • Статический разрушающий предел

40 мA, 4 В

Универсальный 24-В цифровой вход

 

  • Входное сопротивление 

> 19 kΩ

  • Сигнал нижнего уровня

< 4.5 В или открыт

  • Сигнал верхнего уровня

> 7 В

  • Гистерезис

> 1 В

  • Статический разрушающий предел

± 40 В

8,2 В сигнал питания NAMUR (DIN EN 60947-5-6)

 

  • Напряжение ном.

8.2 V ±  0.3 V, защита от КЗ

  • Внутреннее сопротивление

< 950 Ω

  • Статический разрушающий предел

+20 V/-10 V

Выход

 

Цифровой выход

 

  • Полупроводниковое реле

Индивидуально изолированы

  • Коммутационное напряжение

24 В  AC/36 В DC, любая полярность

  • Разрушающий предел

35 В  AC/50 В DC

  • Максимальный ток 

100 мA

Рабочие условия

 

Условия эксплуатации

Вертикально на стену, питание ниже

Климатич. категория

Класс 4K4  EN 60721-3-4

Окружающая температура

-20 °C ... +60 °C (-4 °F ... +140 °F)

Механическая нагрузка

Класс 4M3  EN 60721-3-4

Степень защиты

IP65

Электромагнитная совместимость

 

  • Устойчивость к наводкам и излучаемые помехи

 EN 61326 и NAMUR NE 21

Обыкновенные лимиты для воды

 

  • Всасывание

1 бар

  • Передача

≥ 10 бар

  • Число ударов

< 300 1/мин

Дизайн

 

Ширина (без опций)

Прибл. 2.5 кг

Размеры (Ш x В x Г) в мм (дюймы)

172 x 320 x 80 (6.8 x 12.6 x 3.2)

Материал

Macrolon (поликарбонат + 20% стекловолокно)

Электрические соединения через винтовые клеммы

  • Жесткое 2.5 мм
  • Гибкое 1.5 мм
  • Гибкое с наконечниками 1,5 мм

Ввод кабеля через пластиковые кабельные ввода

  • 2 x Pg 13.5
  • 5 x Pg 11

Питание

 

Ном. напряжение

24 В DC

Рабочий диапазон

19 В до макс. 36 В DC

Потребление тока

< 100 мA

Сертификаты и  допуски

 

Взрывозащита по ATEX

В процессе подготовки

Коммуникация

 

PROFIBUS DP

RS485, переключаемый согласующий резистор

Протокол

Циклич. с мастером C1 и ацикл. с мастером C2

Программное обеспечение для  PC

SIMATIC PDM

 

Сенсор для SITRANS DA400

 

Структура

  • Пьезо-керамический сенсор с усилителем
  • Залитая электроника
  • 4-проводный кабель

Номинальные условия

 

Окружающая температура

-40 °C ... +110 °C (-40 °F ... +230 °F)

Степень защиты по EN 60529

IP66/IP68

Механическая емкость

Класс 4M7 по DIN EN 60721-3-4

Климатическая категория

Класс 4K4 по DIN EN 60721-3-4

Дизайн

 

Материал

Антикорроз. сталь 1.4571 (316Ti SST)

Кабель

С кабельными наконечниками для подключения к SITRANS DA400

Ширина

125 г (0.276 lb)

Размеры (Ш x Д x В) в мм

26 x 40 x 29 (1.0 x 1.6 x 1.1)

Питание

3.3 V DC / <5 мA от устройства

Сертификаты и допуски

 

Взрывозащита по ATEX

В процессе подготовки

 

Безопасные барьеры для сенсоров

 

Применение

Для сохранения энергии с акустическими сенсорами в зоне 1. Встраиваются между устройтвом и сенсором.

Вход

Максимально подключение 2-х сенсоров.

Рабочие условия

 

Допустимая окружающая температура

-20 °C ... +60 °C

Степень защиты по EN 60529

IP20

Дизайн

 

Предоставленный материал

Полиамидный пластик

Ширина

115 g (0.254 lb)

Размеры (Ш x Д x В) в мм

77 x 67.5 x 39.5

Сертификаты и допуски

 

Ex защита по  ATEX

II (2) G [EEx ib] IIC

 

 


Чертеж

Скачать Заказные данные 
Блок акустической диагностики SITRANS DA400

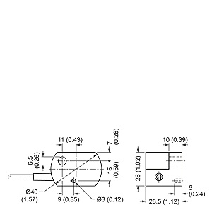
Сенсор для SITRANS DA400, размеры в мм (дюймах)

SITRANS DA400, размеры в мм (дюймах)

 


Схема подключения

Скачать Заказные данные 
Блок акустической диагностики SITRANS DA400

SITRANS DA400, назначение выводов

 


Заказные данные

Скачать Заказные данные 

Цена на сайте указана розничная в ЕВРО без учета НДС.Для уточнения цены и размера предоставляемой скидки - звоните или присылайте заявки

Заказной номерPGОписание продуктаЦена
7MJ2000-.....812АКУСТИЧЕСКИЕ СЕНСОРЫ ДЛЯ АКУСТИЧЕСКОЙ ДИАГНОСТИКИ SITRANS DA400, КОРПУС ИЗ НЕРЖАВЕЮЩЕЙ СТАЛИ С УРОВНЕМ ЗАЩИТЫ IP66/IP68, ЭЛЕКТРИЧЕСКИ ИЗОЛИРОВАН, РАЗРЕШЕННАЯ ТЕМПЕРАТУРА ОКРУЖАЮЩЕЙ СРЕДЫ MAX. -40 TO +110C (-40 TO +230 F), ВЕРСИИ ЕХ +50 C (-4 TO +122 F) AT T6 , РАЗМЕРЫ 26X40X29MM (1.02 X 1.57 X 1.41 IN) 0.00
7MJ2010-1AA8ZKEX-БАРЬЕР ДЛЯ МАКС. 2-Х АКУСТИЧЕСКИХ СЕНСОРОВ, РЕЛЬСОВЫЙ МОНТАЖ, ДЛЯ ЕХ-ЗОНЫ NS32 СООТВ.. NS35/7.5, ВХОДНАЯ ЦЕПЬ ДЛЯ SITRANS DA400, ВЫХОДНАЯ II (2) G ( EEX IB ) (EUROPEAN ATEX), КОРПУС ИЗ ПЛАСТИКА С УРОВНЕМ ЗАЩИТЫ IP20, РАЗРЕШЕННАЯ ТЕМПЕРАТУРА ОКРУЖАЮЩЕЙ СРЕДЫ MAX. -20 TO + 60 C (-4 TO +140 F), РАЗМЕРЫ 77MMX67,5MMX42MM (3.03 X 2,66 X 1.65 IN) 323.30
7MJ2400-.....812АКУСТИЧЕСКАЯ ДИАГНОСТИКА SITRANS DA400 С ОПЕРАЦИОННОЙ ПАНЕЛЬЮ С ВНЕШНЕЙ СТОРОНЫ, МОНИТОРЫ ДО 4 АКУСТИЧЕСКИХ СЕНСОРОВ И ОПЦИОНАЛЬНО ДЛЯ 4 УНИВЕРСАЛЬНЫХ ВХОДОВ ДЛЯ ЦИФРОВОГО(24V DC ACTIVE/PASSIVE) ИЛИ АНАЛОГОВОГО (0/4 ..20MA) СИГНАЛОВ, 6 ЦИФРОВЫХ ВЫХОДА ДЛЯ СИГНАЛИЗАЦИИ MAKROLON (PLASTIC), IP65,РАЗМЕРЫ 172X320X80MM (6.80 X 12.6 X 3.2 INCH), РАЗРЕШЕННАЯ ТЕМПЕРАТУРА ОКРУЖАЮЩЕЙ СРЕДЫ MAX.20 TO +60 C (-4 TO +140 F) EX-VERSION -20 TO +50 C (-4 TO +122 F) AT T6 2772.96