0

Разделы

Блок акустической диагностики SITRANS DA400 - Сигнализаторы сбоев в промышленном процессе

Блок акустической диагностики SITRANS DA400 - Сигнализаторы сбоев в промышленном процессе

Acoustic diagnostics unit SITRANS DA400 and sensor

The SITRANS DA400 acoustic diagnostics unit acoustically measures the structure-borne sound of oscillating displace­ment pumps.

It consists of an electric diagnostic unit and up to four acoustic sensors.

Особенности

  • Increase in the availability of the system by:
    • Planning maintenance in advance by early recognition of defective components
    • Reducing downtimes (no fault searching necessary)
    • Increasing maintenance intervals
    • Increasing the reliability of the pumps
  • Avoiding expensive consequential damage
  • Increased safety of critical applications
  • Early recognition of a reduction in power
  • Increased productivity

Область применения

The SITRANS DA400 allows continuous, simultaneous and inde­pendent monitoring of up to four delivery valves in a pump for leaks. In addition, another four inputs are available for monito­ring standard signals (e.g. diaphragm and temperature monito­ring). This means that the condition of an oscillating displace­ment pump is monitored in every phase of its operation.

The SITRANS DA400 is used in all industries where oscillating displacement pumps are used.

If the acoustic diagnostic unit is used in zones where there is a risk of explosion, sensors can be operated in an Ex zone if safety barriers are used.

Функции

Product features

Continuous and independent status monitoring:

  • of the delivery valves, for leaks
  • of the membranes, for material fatigue
  • of the temperature loading of the hydraulic oil

Communication of the status to superordinate process control systems:

  • via digital outputs
  • digitally, via PROFIBUS DP or PROFIBUS PA

Simple to operate and parametrize:

  • Locally, via digital display and keys
  • PROFIBUS DP and PROFIBUS PA

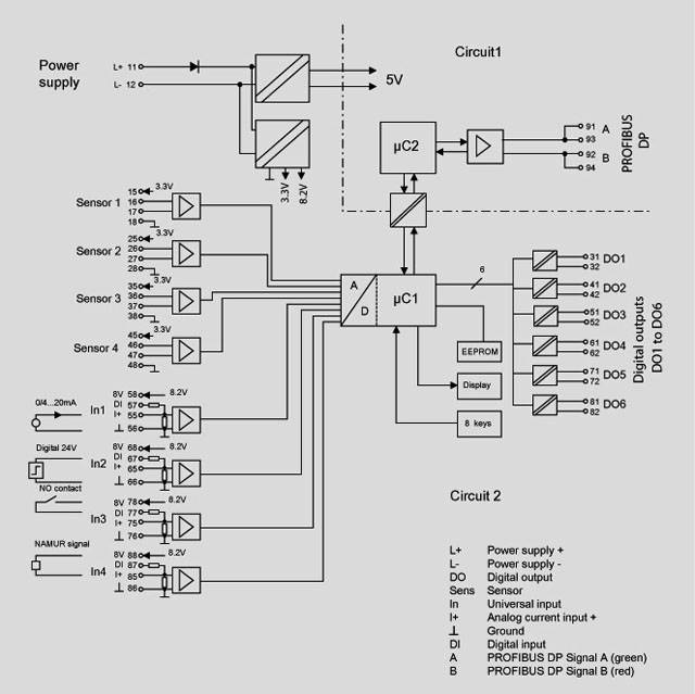
Mode of operation

Measuring principle

Leaks in the delivery valves of oscillating displacement pumps are flows in which cavitation occurs. This results in sound waves that are transmitted to the valve housing, where they are recor­ded by the structure-borne sound sensor in the SITRANS DA400 on the outside.

The SITRANS DA400 utilizes the fact that with both an open valve and a closed intact valve, no cavitation occurs and the measured sound level thus corresponds to the operating noise of the pump. By contrast, with a closed defective valve cavitation does occur, which can be identified by a period increase in the sound level (see figures). The measured value from the SITRANS DA400 corresponds exactly to this increase in the sound level.

The measurement is carried out exclusively in the ultrasonic range. This filters out the operating noise of the pump and the closing noise of the valves.

Signal from structure-borne sound sensor with intact valve

Signal from structure-borne sound sensor with defective valve

Sensor operation

The structure-borne sound sensor works on the piezoelectric principle. The structure-borne sound is injected into the sensor via the sensor base (mounting surface) and inside it is converted into an electrical voltage by a piezo-ceramic element. This is am­plified in the sensor and transmitted via the cable.

The sensor frequency range lies in the ultrasonic range (>20 kHz). The sensor is non-directional, i.e. the angle at which the sound wave is incident on the sensor base is not important.

Mode of operation of the electronics

SITRANS DA400, function diagram of the electronics

Технические данные

SITRANS DA400

 

Input

 

Acoustic channels

 
  • Cycle time

10 ms

Universal input

 
  • Cycle time

80 ms

  • Low pass filter time

1 s

Universal analog current input

 
  • Load

< 105 Ω

  • Resolution

0.1%

  • Accuracy

0,5%

  • Fault signal

> 21 mA or < 3,6 mA (at 4 ... 20 mA)

  • Alarm monitoring hysteresis

0.5%

  • Static destruction limit

40 mA, 4 V

Universal 24 V-digital signal input

 
  • Input resistance

> 19 kΩ

  • Signal level low

< 4.5 V or open

  • Signal level high

> 7 V

  • Hysteresis

> 1 V

  • Static destruction limit

± 40 V

8,2 V source for NAMUR signal (DIN EN 60947-5-6)

 
  • Open circuit voltage

8.2 V ±  0.3 V, short circuit-proof

  • Internal resistance

< 950 Ω

  • Static destruction limit for incorrect wiring

+20 V/-10 V

Output

 

Digital output

 
  • Semiconductor relay

Individually isolated, short circuit-proof

  • Switching voltage

24 V AC/36 V DC, any polarity

  • Destruction limit

35 V AC/50 V DC

  • Max. switching current

100 mA

Rated conditions

 

Installation conditions

Vertical wall mounting, cables fed in from below

Climatic category

Class 4K4 to EN 60721-3-4

Ambient temperature

-20 °C ... +60 °C (-4 °F ... +140 °F)

Mechanical load

Class 4M3 to EN 60721-3-4

Degree of protection to EN 60529

IP65

Electromagnetic compatibility

 
  • Interfrence immunity and emitted interference

To EN 61326 and NAMUR NE 21

Usage limits for water

 
  • Intake side

1 bar a

  • Delivery side

≥ 10 bar a

  • Number of strokes

< 300 1/min

Design

 

Weight (without options)

Approx. 2.5 kg

Dimensions (W x H x D) in mm (inch)

172 x 320 x 80 (6.8 x 12.6 x 3.2)

Housing material

Macrolon (polycarbonate + 20% glassfiber)

Electrical connections via terminal screws

  • Rigid 2.5 mm (0.984 inch)
  • Flexible 1.5 mm (0.590 inch)
  • Flexible with connector sleeves 1.5 mm (0.590 inch)

Cable inlet via plastic cable glands

  • 2 x Pg 13.5
  • 5 x Pg 11

Power supply

 

Rated voltage

24 V DC

Operating range

19 V to max. 36 V DC

Current consumption

< 100 mA

Certificates and approvals

 

Explosion protection to ATEX

In preparation

Communication

 

PROFIBUS DP

RS485, switchable terminating resistor

Protocol

Cyclic with Master C1 and acyclic with Master C2

Software for PC

SIMATIC PDM


Sensor for SITRANS DA400

 

Structure

  • Piezo-ceramic sensor with pre-amplifier
  • Electronics poured
  • 4-wire cable with anti-kink sleeve

Rated conditions

 

Permissible ambient temperature

-40 °C ... +110 °C (-40 °F ... +230 °F)

Degree of protection to EN 60529

IP66/IP68

Mechanical load

Class 4M7 to DIN EN 60721-3-4

Climatic category

Class 4K4 to DIN EN 60721-3-4

Design

 

Housing material

Stainless steel 1.4571 (316Ti SST)

Cable

Ends with connector sleeves and cable lug for connection to SITRANS DA400

Weight

125 g (0.276 lb)

Dimensions (W x L x H) in mm (inch)

26 x 40 x 29 (1.0 x 1.6 x 1.1)

Power supply

3.3 V DC / <5 mA suplly from device

Certificates and approvals

 

Explosion protection to ATEX

In preparation


Safety barriers for sensors

 

Applications

For intrinsically safe energy supply to the acoustic sensors in zone 1. Insert between diagnostic unit and sensors.

Input

Maximum of 2 sensors can be connected.

Rated conditions

 

Permissible ambient temperature

-20 °C ... +60 °C (-4 °F ... +140 °F)

Degree of protection to EN 60529

IP20

Design

 

Housing material

Plastic polyamide

Weight

115 g (0.254 lb)

Dimensions (W x L x H) in mm (inch)

77 x 67.5 x 39.5 (3.0 x 2.7 x 1.6)

Certificates and approvals

 

Explosion protection to ATEX

II (2) G [EEx ib] IIC


Чертеж

Sensor for SITRANS DA400, dimensions in mm (inch)

SITRANS DA400, dimensions in mm (inch)

Схема подключения

SITRANS DA400, terminal assignment

Заказные данные [PDF]

Загрузить PDF-файл.

Для просмотра информации в формате PDF необходимо установить Adobe Acrobat Reader.
Adobe Acrobat Reader

Заказные данные

Заказной №ОписаниеВес (кг)ДоставкаМин. зак. (шт)
7MJ2000-.....ACOUSTIC SENSORS FOR ACOUSTIC DIAGNOSTIC SITRANS DA400 STAINLESS STEEL BODY WITH IP66/IP68 DEGREE OF PROTECTION ELECTRONIC ENCAPSULATED PERMISSIBLE AMBIENT TEMPERATURE FOR OPERATION MAX. -40 TO +110C (-40 TO +230 F) EX-VERSION -20 TO +50 C (-4 TO +122 F) 16 - 8 недель (C)1
7MJ2010-1AAEX- BARRIER FOR MAX. 2 ACUSTIC SENSORS RAIL MOUNTING, OUTSIDE EX-ZONE, NS32 RESP. NS35/7.5 INPUT CIRCUIT TO SITRANS DA400 OUTPUT CIRCUIT II (2) G ( EEX IB ) (EUROPEAN ATEX) BODY MADE OF PLASTICS WITH IP20 DEGREE OF PROTECTION PERMISSIBLE AMBIENT TEMP. MA1по запросу (D)1
7MJ2400-.....ACOUSTIC DIAGNOSTICS SITRANS DA400 WITH ON-SITE OPERATION AND CONFIGURATION, MONITORS UP TO 4 ACOUSTIC SENSORS AND OPTIONAL 4 UNIVERSAL INPUTS FOR DIGITAL (24V DC ACTIVE/PASSIVE) OR ANALOG (0/4 ..20MA) SIGNALS 6 DIGITAL OUTPUTS FOR SIGNALING, MAKROLON (PL 2.5по запросу (D)1