0

Разделы

Скачать Заказные данные 
ENG: Connection pieces

Adapters enable e.g. a transition from medium connections with NPT thread to shut-off valves to DIN 16270 ... 16272 or pipes in conjunction with a connection gland (e.g. 7MF9008).

 


Дизайн

Скачать Заказные данные 
ENG: Connection pieces

The connection pieces are made of X 6 CrNiMoTi 17 12 2, mat. No. 1.4571 and available in 3 versions

  • Thread ¼-18 NPT and connection shank G½ to DIN EN 837‑1
  • Thread ½-14 NPT and connection shank G½ to DIN EN 837‑1
  • Thread ½-14 NPT and thread ½-14 NPT

 


Чертеж

Скачать Заказные данные 
ENG: Connection pieces

Connection piece with thread ¼-18 NPT and connection shank G½ (7MF9001-1AA), dimensions in mm

Connection piece with thread ½-14 NPT and connection shank G½ (7MF9001-1CA), dimensions in mm

Connection piece with thread ½-14 NPT and thread ½-14 NPT (7MF9001-1DA), dimensions in mm

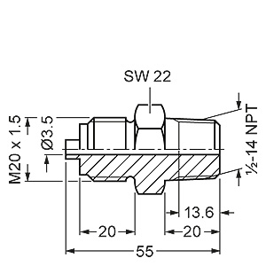
Connection piece with thread ½-14 NPT and connection shank M20 x 1.5 (7MF9001-1EA), dimensions in mm

Connection piece with pipe union with ferrule 12 S, ∅12 mm and thread ½-14 NPT (7MF9001-1FA), dimensions in mm

Connection piece with pipe union with ferrule 14 S, ∅14 mm and thread ½-14 NPT (7MF9001-1GA), dimensions in mm

 


Заказные данные

Скачать Заказные данные 

Цена на сайте указана розничная в ЕВРО без учета НДС.Для уточнения цены и размера предоставляемой скидки - звоните или присылайте заявки

Заказной номерPGОписание продуктаЦена
7MF9001-1AA807Адаптер-соединитель из нерж. стали 1.4571, вход - внешняя резьба G1/2, выход - внешняя резьба 1/4-18 NPT. 27.35
7MF9001-1CA807Адаптер-соединитель из нерж. стали 1.4571, вход - внешняя резьба G1/2, выход - внешняя резьба 1/2-14 NPT. 27.35
7MF9001-1DA807Адаптер-соединитель из нерж. стали 1.4571, вход - внешняя резьба 1/2-14 NPT, выход - внешняя резьба 1/2-14 NPT. 27.35
7MF9001-1EA807Адаптер-соединитель из нерж. стали 1.4571, вход - внешняя резьба М20*1,5, выход - внешняя резьба 1/2-14 NPT. 39.33
7MF9008-1CA807Фитинг-соединитель, вход - накидная гайка с обжимным кольцом под трубку 12мм, выход - внешняя резьба 1/2-14 NPT, макс. давление 630 бар, материал сталь 1.0718. 29.47
7MF9008-1CB807Фитинг-соединитель, вход - накидная гайка с обжимным кольцом под трубку 12мм, выход - внешняя резьба 1/2-14 NPT, макс. давление 630 бар, материал нерж. сталь 1.4571. 58.94
7MF9008-1CC807Фитинг-соединитель, вход - накидная гайка с обжимным кольцом под трубку 14 мм, выход - внешняя резьба 1/2-14 NPT, макс. давление 630 бар, материал сталь 1.0718. 29.47
7MF9008-1CD807Фитинг-соединитель, вход - накидная гайка с обжимным кольцом под трубку 14мм, выход - внешняя резьба 1/2-14 NPT, макс. давление 630 бар, материал сталь 1.4571. 58.94