| ||||||||||||||||||||||||||||||||||||||||||||||||||||||||||||||||||||||||||||||||||||||||||||||||||||||||||||||||||||||||||||||||||||||||||||||||||
ФункцииПриведенные ниже диаграммы изменения входных и выходных напряжений блоков DC UPS, а также сигналов реле и встроенных интерфейсов иллюстрируют работу блоков бесперебойного питания в различных условиях. На всех диаграммах используются следующие обозначения: Uвх: входное напряжение на зажимах Х1.1-Х1.2; Uвых: выходное напряжение на зажимах Х1.3-Х1.4 и Х1.5-Х1.6; Ok: сигнал нормального уровня Uвх или превышения этим напряжением заданного уровня напряжения включения батареи; Bat: сигнал включения в работу буферной батареи (батарея подключена к выходу блока DC UPS, питание нагрузки осуществляется от буферной батареи); Дистанц.: сигнал запуска удаленного таймера при появлении сигнала низкого уровня на контакте 7 9-полюсного соединителя последовательного интерфейса (в нормальном состоянии на этом контакте присутствует сигнал высокого уровня); t1: входное напряжение Uвх отсутствует или падает ниже порогового напряжения включения буферной батареи; t2: начало отсчета времени буферизации, заданного DIP переключателями, при запуске удаленного таймера (низкий уровень сигнала); t3: входное напряжение Uвх превышает пороговое напряжение включения буферной батареи; t4: окончание отсчета времени буферизации (выход отключается и/или отключается буферная батарея; t5: через 5 с после отключения выход включается вновь; tp: время буферизации, установленное DIP переключателями (переключатели 2…7 в нижнем ряду). Длительный перебой в питании при использовании DC UPS без встроенного последовательного или USB интерфейса (рис. 1)Восстановление питания только по истечении времени буферизации tp (t3 после t4 на рис.1): При исчезновении напряжения на входе блока DC UPS (время t1) питание нагрузки немедленно переводится на модуль батареи. Выходное напряжение блока Uвых не прерывается. Переключающий контакт “ok/Bat” переходит в положение “Bat”. С момента времени t1 автоматически начинается отсчет времени буферизации tp, заданного с помощью DIP переключателей блока. Заданная настройка “прерывание Uвых” в данном случае на работу блока DC UPS не влияет, поскольку восстановление входного напряжения Uвх происходит в момент времени t3 после истечения времени буферизации (момент t4). Кратковременный перебой в питании при использовании DC UPS без встроенного последовательного или USB интерфейса (рис. 2)Восстановление питания до истечения времени буферизации tp (t3 перед t4 на рис.2) При исчезновении напряжения на входе блока DC UPS (время t1) питание нагрузки немедленно переводится на модуль батареи. Выходное напряжение блока Uвых не прерывается. Переключающий контакт “ok/Bat” переходит в положение “Bat”. С момента времени t1 автоматически начинается отсчет времени буферизации tp, заданного с помощью DIP переключателей блока. Если настройка “прерывание Uвых” включена, то после отсчета заданного времени буферизации tp выходное напряжение Uвых автоматически прерывается на 5 с (интервал времени t4-t5). Буферная батарея к этому моменту уже отключена, поскольку входное напряжение блока DC UPS восстановилось в момент времени t3. Если настройка “прерывание Uвых” отключена, то после отсчета выдержки времени tp выходное напряжение не прерывается, поскольку входное напряжение блока DC UPC восстановилось в момент времени t3.
Рис. 1 "Длительное нарушение электроснабжения"
Рис. 2 "Кратковременное нарушение электроснабжения"
Длительный перебой в питании при использовании DC UPS с встроенным последовательным или USB интерфейсом (рис. 3)Восстановление питания только по истечении времени буферизации tp (t3 после t4 на рис.3): При исчезновении напряжения на входе блока DC UPS (время t1) питание нагрузки немедленно переводится на модуль батареи. Выходное напряжение блока Uвых не прерывается. Переключащий контакт “ok/Bat” переходит в положение “Bat”. С момента определяемого пользователем времени t2 по сигналу запуска удаленного таймера (низкий уровень сигнала на контакте 7 9-полюсного соединителя последовательного интерфейса) начинается отсчет времени буферизации tp, заданного с помощью DIP переключателей блока. Заданная настройка “прерывание Uвых” в данном случае на работу блока DC UPS не влияет, поскольку восстановление входного напряжения Uвх происходит в момент времени t3 после истечения времени буферизации (момент t4). Замечание: Без низкого уровня сигнала дистанционного запуска и наличии установки максимального значения времени выходное напряжение не прерывается, поскольку отсчет времени буферизации не запускается. Исчезновение выходного напряжения в этом случае может быть вызвано только полным разрядом и отключением буферной батареи при отсутствии входного напряжения блока DC UPS. Кратковременный перебой в питании при использовании DC UPS с встроенным последовательным или USB интерфейсом (рис. 4)Восстановление питания до истечения времени буферизации tp (t3 перед t4 на рис.2) При исчезновении напряжения на входе блока DC UPS (время t1) питание нагрузки немедленно переводится на модуль батареи. Выходное напряжение блока Uвых не прерывается. Переключающий контакт “ok/Bat” переходит в положение “Bat”. С момента определяемого пользователем времени t2 по сигналу запуска удаленного таймера (низкий уровень сигнала на контакте 7 9-полюсного соединителя последовательного интерфейса) начинается отсчет времени буферизации tp, заданного с помощью DIP переключателей блока. Если настройка “прерывание Uвых” включена, то после отсчета заданного времени буферизации tp выходное напряжение Uвых автоматически прерывается на 5 с (интервал времени t4-t5). Буферная батарея к этому моменту уже отключена, поскольку входное напряжение блока DC UPS восстановилось в момент времени t3. Прерывание выходного напряжения Uвых на 5 с обеспечивает возможность выполнения операций автоматического рестарта промышленных компьютеров даже в случае восстановления напряжения питающей сети или входного напряжения блока DC UPS во время отключения компьютеров. Замечание: Без низкого уровня сигнала дистанционного запуска и наличии установки максимального значения времени выходное напряжение не прерывается, поскольку отсчет времени буферизации не запускается. Рис. 3 "Длительное нарушение электроснабжения"
Рис. 4 "Кратковременное нарушение электроснабжения"
| ||||||||||||||||||||||||||||||||||||||||||||||||||||||||||||||||||||||||||||||||||||||||||||||||||||||||||||||||||||||||||||||||||||||||||||||||||
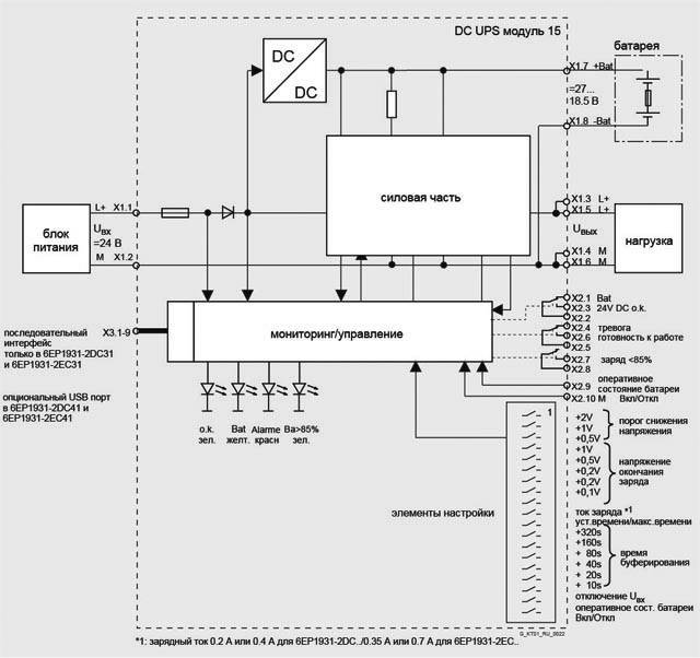
Интеграция
| ||||||||||||||||||||||||||||||||||||||||||||||||||||||||||||||||||||||||||||||||||||||||||||||||||||||||||||||||||||||||||||||||||||||||||||||||||
Технические данные
2) Все блоки питания SITOP на 24 В пост. тока допустимы без ограничения 3) Допустимые значения для контактов: 60 В пост. тока / 1 A или 30 В перем. тока / 1 A 4) "24 V CD o.k." означает: Напряжение блока питания больше порога подключения батареи, установленного на модуле DC UPS 15. | ||||||||||||||||||||||||||||||||||||||||||||||||||||||||||||||||||||||||||||||||||||||||||||||||||||||||||||||||||||||||||||||||||||||||||||||||||
Чертеж | ||||||||||||||||||||||||||||||||||||||||||||||||||||||||||||||||||||||||||||||||||||||||||||||||||||||||||||||||||||||||||||||||||||||||||||||||||
Заказные данные
| ||||||||||||||||||||||||||||||||||||||||||||||||||||||||||||||||||||||||||||||||||||||||||||||||||||||||||||||||||||||||||||||||||||||||||||||||||