0

Разделы

DC UPS 40 A - Блоки бесперебойного питания DC-UPS

DC UPS 40 A - Блоки бесперебойного питания DC-UPS

 

  • Компактный корпус шириной 102 мм.
  • Простой монтаж на профильную шину DIN.
  • Немедленное подключение буферной батареи в случае снижения напряжения на входе DC UPS ниже заданного DIP переключателями значения. Обеспечение непрерывности питания нагрузки.
  • Высокая надежность, обеспечиваемая мониторингом готовности DC UPS к работе, подключения модуля батареи, старения батареи (сообщение “Battery replacement nessesary” – необходима замена батареи), заряда батареи (сообщение “Battery charge > 85%” – заряд батареи более 85%). 
  • Поддержка автоматического рестарта промышленных компьютеров путем выбора варианта отклика на отключение. 
  • Опциональныей вариант исполнения с встроенным USB интерфейсом. 
  • Наличие свободно распространяемого через Internet программного обеспечения, работающего под управлением операционных систем Windows NT 4.0/ 2000/ XP.
    http://www.siemens.de/sitop

Функции

Приведенные ниже диаграммы изменения входных и выходных напряжений блоков DC UPS, а также сигналов реле и встроенных интерфейсов иллюстрируют работу блоков бесперебойного питания в различных условиях. На всех диаграммах используются следующие обозначения:

Uвх: входное напряжение на зажимах Х1.1-Х1.2;

Uвых: выходное напряжение на зажимах Х1.3-Х1.4 и Х1.5-Х1.6;

Ok: сигнал нормального уровня Uвх или превышения этим напряжением заданного уровня напряжения включения батареи;

Bat: сигнал включения в работу буферной батареи (батарея подключена к выходу блока DC UPS, питание нагрузки осуществляется от буферной батареи);

Дистанц.: сигнал запуска удаленного таймера при появлении сигнала низкого уровня на контакте 7 9-полюсного соединителя последовательного интерфейса (в нормальном состоянии на этом контакте присутствует сигнал высокого уровня);

t1: входное напряжение Uвх отсутствует или падает ниже порогового напряжения включения буферной батареи;

t2: начало отсчета времени буферизации, заданного DIP переключателями, при запуске удаленного таймера (низкий уровень сигнала);

t3: входное напряжение Uвх превышает пороговое напряжение включения буферной батареи;

t4: окончание отсчета времени буферизации (выход отключается и/или отключается буферная батарея;

t5: через 5 с после отключения выход включается вновь;

tp: время буферизации, установленное DIP переключателями (переключатели 2…7 в нижнем ряду).

Длительный перебой в питании при использовании DC UPS без встроенного USB интерфейса  (рис. 1)

Восстановление питания только по истечении времени буферизации tp (t3 после t4 на рис.1):

При исчезновении напряжения на входе блока DC UPS (время t1) питание нагрузки немедленно переводится на модуль батареи. Выходное напряжение блока Uвых не прерывается. Переключающий контакт “ok/Bat” переходит в положение “Bat”. С момента времени t1 автоматически начинается отсчет времени буферизации tp, заданного с помощью DIP переключателей блока. Заданная настройка “прерывание Uвых” в данном случае на работу блока DC UPS не влияет, поскольку восстановление входного напряжения Uвх происходит в момент времени t3 после истечения времени буферизации (момент t4).

Кратковременный перебой в питании при использовании DC UPS без встроенного USB интерфейса  (рис. 2)

Восстановление питания до истечения времени буферизации tp (t3 перед t4 на рис.2)

При исчезновении напряжения на входе блока DC UPS (время t1) питание нагрузки немедленно переводится на модуль батареи. Выходное напряжение блока Uвых не прерывается. Переключающий контакт “ok/Bat” переходит в положение “Bat”. С момента времени t1 автоматически начинается отсчет времени буферизации tp, заданного с помощью DIP переключателей блока.

Если настройка “прерывание Uвых” включена, то после отсчета заданного времени буферизации tp выходное напряжение Uвых автоматически прерывается на 5 с (интервал времени t4-t5).

Буферная батарея к этому моменту уже отключена, поскольку входное напряжение блока DC UPS восстановилось в момент времени t3.

Если настройка “прерывание Uвых” отключена, то после отсчета выдержки времени tp выходное напряжение не прерывается, поскольку входное напряжение блока DC UPC восстановилось в момент времени t3. 

 

Рис. 1 "Длительное нарушение электроснабжения"

 

Рис. 2 "Кратковременное нарушение электроснабжения"

 

Длительный перебой в питании при использовании DC UPS с встроенным USB интерфейсом (рис. 3) 

Восстановление питания только по истечении времени буферизации tp (t3 после t4 на рис.3):

При исчезновении напряжения на входе блока DC UPS (время t1) питание нагрузки немедленно переводится на модуль батареи. Выходное напряжение блока Uвых не прерывается. Переключащий контакт “ok/Bat” переходит в положение “Bat”. С момента определяемого пользователем времени t2 по сигналу запуска удаленного таймера (низкий уровень сигнала на контакте 7 9-полюсного соединителя последовательного интерфейса) начинается отсчет времени буферизации tp, заданного с помощью DIP переключателей блока. Заданная настройка “прерывание Uвых” в данном случае на работу блока DC UPS не влияет, поскольку восстановление входного напряжения Uвх происходит в момент времени t3 после истечения времени буферизации (момент t4).

Замечание:

Без низкого уровня сигнала дистанционного запуска и наличии установки максимального значения времени выходное напряжение не прерывается, поскольку отсчет времени буферизации не запускается. Исчезновение выходного напряжения в этом случае может быть вызвано только полным разрядом и отключением буферной батареи при отсутствии входного напряжения блока DC UPS.

Кратковременный перебой в питании при использовании DC UPS с встроенным USB интерфейсом (рис. 4)

Восстановление питания до истечения времени буферизации tp (t3 перед t4 на рис.2)

При исчезновении напряжения на входе блока DC UPS (время t1) питание нагрузки немедленно переводится на модуль батареи. Выходное напряжение блока Uвых не прерывается. Переключающий контакт “ok/Bat” переходит в положение “Bat”. С момента определяемого пользователем времени t2 по сигналу запуска удаленного таймера (низкий уровень сигнала на контакте 7 9-полюсного соединителя последовательного интерфейса) начинается отсчет времени буферизации tp, заданного с помощью DIP переключателей блока.

Если настройка “прерывание Uвых” включена, то после отсчета заданного времени буферизации tp выходное напряжение Uвых автоматически прерывается на 5 с (интервал времени t4-t5).

Буферная батарея к этому моменту уже отключена, поскольку входное напряжение блока DC UPS восстановилось в момент времени t3.

Прерывание выходного напряжения Uвых на 5 с обеспечивает возможность выполнения операций автоматического рестарта промышленных компьютеров даже в случае восстановления напряжения питающей сети или входного напряжения блока DC UPS во время отключения компьютеров.

Замечание:

Без низкого уровня сигнала дистанционного запуска и наличии установки максимального значения времени выходное напряжение не прерывается, поскольку отсчет времени буферизации не запускается.

 

Рис. 3 "Длительное нарушение электроснабжения"

 

Рис. 4 "Кратковременное нарушение электроснабжения"

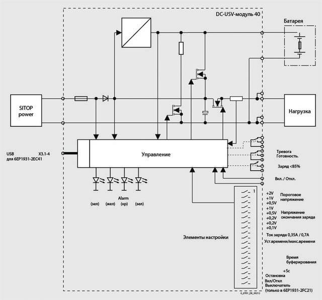
Интеграция

Технические данные

 

Модуль DC UPS 40 A

№ для заказа

6EP1 931-2FC21
6EP1 931-2FC41(с интерфейсом USB)

Вход L+/ M в нормальном режиме

Регулируемое напряжение постоянного тока

Номинальное напряжение Vвх.ном.1)

24 В пост. тока

Диапазон напряжений

от 22 до 29 В пост. тока

Порог подключения для батареи

22,5 В пост. тока ± 0,1 В (заводская настройка), настраивается в диапазоне от 22 до 25,5 В пост. тока (шагами по 0,5 В)

Номинальный ток Iвх.ном.

40 A + около 2.6 A при разряженной батарее

Буферизация питающей сети

 

Время буферизации питающей сети

Зависит от подключенной батареи и тока нагрузки:

  • при использовании 2 батарейных модулей на 7 А-ч (6EP1935-6ME21) при +25 °C: около 2 мин. при 40 A
  • при использовании 1 батарейного модуля на 7 А-ч (6EP1935-6ME21) при +25 °C: около 2 мин. при 20 A; 15 мин. при 10 A; 38 мин. при 5 A
  • при использовании 2 батарейных модулей на 12
    А-ч (6EP1935-6ME21) при +25 °C: около 11 мин. при 40 A
  • при использовании 1 батарейного модуля на 12 А-ч (6EP1935-6ME21) при +25 °C: около 11 мин. при 20 A; 30 мин. при 10 A; 60 мин. при 6 A

Цепь управления включением/выключением

Требуется внешний перекидной нормально открытый контакт (макс. нагрузка 15 В пост.  тока / макс. 10 мА).
Если цепь управления разомкнута, то батарея отделена от выхода L+, и буферизация сети, таким образом, прекращается.

Время буферизации

Настраивается с помощью DIP-переключателя на максимальное время буферизации вплоть до принудительного выключения через  защиту от полного разряда (примерно при 19 В) или на предел времени от5 до 635 с (шагами по 10 с)

Прерывание

Настраивается с помощью DIP-переключателя на один из двух вариантов:

  • Прерывание в выходном напряжении минимум на 5 с по истечении установленного времени буферизации для поддержки автоматического перезапуска промышленных ПК
  • Источник бесперебойного питания для потребителей после восстановления входного напряжения

Выход L+/ M в нормальном режиме

 

Номинальное напряжение Vвых.ном.

24 В пост. тока (выходное напряжение блока питания SITOP)

Диапазон напряжений

Входное напряжение Vвх. меньше примерно 0,5 В пост. тока

Выходной ток

от 0 до 40 A

Динамический ток при перегрузке

Электронное выключение выхода при превышении Iout rated на  величину от 5 до 40 % примерно через 80 мс с попытками автоматического перезапуска (с интервалами около 20 мс между попытками перезапуска)

Динамический ток при коротком замыкании

Электронное ограничение тока до величины от 1,5 до 3  Iвых.ном. в течение примерно 20 мс, затем электронное выключение выхода с попытками автоматического перезапуска (с интервалами около 20 мс между попытками перезапуска)

Выход +Bat / -Bat в нормальном режиме

Зарядная характеристика CVCC (сначала ток постоянной величины, затем напряжение постоянной величины)

Напряжение в конце зарядки

27,0 В пост, тока ± 0,1 В (заводская настройка), настраивается в диапазоне от 26,3 до 29,3 В пост. тока (шагами по 0,1 В)

Ток нагрузки

Около 2 A (заводская настройка), настраивается на 1 A или 2 A(зарядка выполняется с замкнутой или разомкнутой  цепью включения/выключения)

Коэффициент полезного действия/тепловые потери

 

При Vвых.ном., Iвых.ном.,примерно

97.2% / 28.6 Вт

При работающей батарее, около

96.9% / 33.6 Вт

Защита и контроль

 

Защита от обратной полярности

От перепутывания полярности во входном напряжении и батареях

Защита от перегрузки

Электронное выключение выхода при превышении Iвых.ном. на величину от 5 до 40 % от Iвых.ном. примерно через 80 мс с попытками автоматического перезапуска (с интервалами около 20 мс между попытками перезапуска)

Защита от короткого замыкания

Электронное ограничение тока до величины примерно от 1,5 до 3 Iвых.ном. в течение примерно 20 мс, затем электронное выключение выхода с попытками автоматического перезапуска (с интервалами около 20 мс между попытками перезапуска).
Встроенный, недоступный предохранитель на 64 A

Защита от полного разряда

Автоматическое выключение, если напряжение батареи опускается ниже примерно 19 В

Контроль
"Обрыв в цепи батареи"

Аварийный сигнал, если цепь батареи не замкнута, или она размыкается во время работы (циклический контроль приблизительно каждые 20 с)

Контроль
"Необходима замена батареи"

Аварийный сигнал мигает с частотой примерно 1/4 Гц (около 2 с сигнал, около 2 с нет сигнала, около 2 с сигнал и т.д.).
Контроль каждые 4 часа, если не произошла операция буферизации или выключение.
Контроль не выполняется, если переключатель совместимости находится в положении "On [Включено]"!

Контроль
"Состояние заряда батарей > 85%"

Сигнал для индикации того, что батареи заряжены, по крайней мере, до 85% номинальной емкости.

Сигнализация 3)

 

Нормальная работа

Зеленый светодиод (o.k. [все в порядке]) и перекидной сигнальный контакт
"24 VDC o.k. / Bat" в положении "24 VDC o.k."4)

Буферизация или работа батареи (батарея питает нагрузку одна или вместе с блоком питания в случае перегрузки)

Желтый светодиод (Bat [батарея]) и перекидной сигнальный контакт "24 VDC o.k. / Bat" в положении "Bat" (= выключенное положение)

Аварийный сигнал (буферизация не готова, или предварительное предупреждение, начиная с напряжения батареи < 20,4 В)

Красный светодиод (alarm[аварийный сигнал]) и перекидной сигнальный контакт в положении "Alarm" (= выключенное положение).

Причинами недостаточной готовности к буферизации во время нормальной работы могут быть: выключенное состояние или обрыв цепи управления включением/ выключением, батарейный модуль не подключен, перепутывание полярности или неисправность батареи (напряжение батареи < 18,5 В) или обрыв между батареей и модулем бесперебойного питания. Сканирование и, тем самым, обновление сигнала каждые 20 с.

Аварийный сигнал, мигающий с частотой около 1/4 Гц, сообщает, что необходима замена батареи.

Причинами недостаточной готовности во время буферизации могут быть: напряжение батареи упало ниже 20,4 В пост. тока
(= предварительное предупреждение перед отключением через защиту от полного разряда), а также отключение батареи из-за перегрузки, короткого замыкания, защиты от полного разряда или истечения времени буферизации. После этого красный светодиод выключается.

"Состояние заряда батарей > 85%"

Второй зеленый светодиод (Bat > 85%) и перекидной нормально открытый контакт замкнут (выключенное положение = разомкнут)

Переключатель совместимости
(только у 6EP1931-2EC21)

С помощью DIP-переключателей можно выбрать следующее:

Положение переключателя "Off [Выключено]" - "существенные свойства аналогичны новой серии источников бесперебойного питания постоянного тока (DC UPS)" или "On [Включено]" - "аналогичны предыдущему модулю DC UPS 40, 6EP1931-2FC01"

Положение переключателя совместимости "On": Измененный вывод аварийного сигнала: в случае обрыва провода между батарейным модулем и модулем DC UPS красный светодиод мигает с частотой 1/3 Гц, и перекидной сигнальный контакт (аварийный сигнал) переключается с частотой около1/3 Гц

Тестирование батареи не выполняется. 

Необязательный интерфейс и программное обеспечение

 

Порт USB

Только у 6EP1 931-2FC41
Вывод всех сигналов и прием сигнала "Запуск удаленного таймера". Техническое устройство: спецификация 2.0 с полной скоростью, т.е. 2 Мбита/с. Питание +5 В от источника бесперебойного питания DC UPS ("самопитающийся").
Необходимое подключение к ПК: имеющийся в продаже 4-жильный экранированный кабель, 90 Ом, макс. 5 м, разъем USB серии "A" к ПК и разъем USB серии "B" к DC UPS

Программное обеспечение

Инструментальное программное средство (работает под WinNT 4.0, Win 2000 и WinXP) для считывания и обработки сигналов доступно для загрузки из Интернета по адресу

 http://www.siemens.com/sitop

Этот сайт также предоставляет дополнительную информацию об этом интерфейсе.

Сигналы управления

 

Сигнал управления включением/выключением

Буферизация завершается, или батарея отсоединяется от выхода путем разрыва цепи управления (или с помощью DIP-переключателей на блоке). Все остальные функции сохраняются.

"Запуск удаленного таймера" через порт USB

Запускает буферизацию сети в течение установленного времени

Безопасность

 

Гальваническая развязка между первичной и вторичной цепью

Отсутствует

Класс защиты (EN 60950)

Класс III (внешняя цепь и блок питания: требуется безопасное напряжение (SELV) в соответствии с EN 60950)

Электромагнитная совместимость

 

Излучаемые помехи

Подавление радиопомех в соответствии с EN 55022, кривая предельных значений B

Помехоустойчивость

Помехоустойчивость в соответствии с EN 61000-6-2

Условия окружающей среды

 

Температура окружающей среды во время работы

от 0 до +60 °C при естественной конвекции

Температура транспортировки и хранения

от -40 до +70 °C

Род защиты (EN 60529)

IP20

Класс влажности

Условия использования в соответствии с EN 60721, климатический класс 3K3 (относительная влажность воздуха от 5 до 85% и абсолютная влажность воздуха от 1 г/м³ до 25 г/м³; без конденсации)

Допуски к эксплуатации

 

CE

Сертификат соответствия CE согласно 89/336 EEC

UL/CSA

UL 508 / CSA C22.2, дело E197259

Механическая система

 

Подключение входов 24 В пост. тока

2 винтовых клеммы для проводов от 0,33 до 10 мм² / от 22 до 7 AWG (по американскому стандарту на диаметр проводов)

Подключение выходов 24 В пост. тока

4 винтовых клеммы для проводов от 0,33 до 10 мм² / от 22 до 7 AWG

Подключение батарейного модуля 24 В пост. тока

2 винтовых клеммы для проводов от 0,33 до 10 мм² / от 22 до 7 AWG

Подключение цепи управления и сигналов

10 винтовых клемм для проводов от 0,5 до 2,5 мм² / от 20 до 13 AWG

Размеры (Ш x В x Г) в мм

102 x 125 x 125

Необходимые зазоры

50 мм над блоком и 50 мм под блоком

Вес

Около 1,1 кг (с портом USB: около 1,1 кг

Монтаж

Защелкивается на стандартной шине DIN EN 50022-35x15/7.5


1) Все блоки питания SITOP на 24 В пост. тока допустимы без ограничения

2) Для достижения тока 40 А необходимы два батарейных модуля, подключенных параллельно

3) Допустимые значения для контактов: 60 В пост. тока / 1 A или 30 В перем. тока / 1 A

4) "24 VCD o.k." означает: Напряжение блока питания больше порога подключения батареи, установленного на модуле DC UPS 40

Чертеж

Заказные данные

Заказной №ОписаниеВес (кг)ДоставкаМин. зак. (шт)
6EP1931-2FC21SITOP DC UPS MODULE, МОДУЛЬ БЕСПЕРЕБОЙНОГО ПИТАНИЯ 24В/40А БЕЗ ИНТЕРФЕЙСА, ВХОД: =24 В / 42,6A, ВЫХОД: =24 В / 40A1.13 - 5 недель (P)1
6EP1931-2FC42SITOP DC UPS, МОДУЛЬ ИБП 24В/40A С ПОРТОМ USB БЕЗ НАПРЯЖЕНИЯ, ВХОД: =24В/42.6A, ВЫХОД: =24В/40A1.13 - 5 недель (P)1