 | | дистанционные выключатели | дистанционные выключатели для управления жалюзи и последовательного включения групп | | | 5TT4 10 5TT4 11 5TT4 12 | 5TT4 13 5TT4 14 | | Возможность ручного управления | ✓ | ✓ | | индикатор коммутационного положения | ✓ | | | устройство защиты от длительного замыкания контакта | ✓ | ✓ | |
Особенности |
Область примененияДистанционные выключатели применяются для управления системами освещения из нескольких точек посредством кнопочных выключателей. Тем самым исключается необходимость применения затратной перекрестной схемы с перекидными контактами. При каждом импульсе положение контактов дистанционного выключателя изменяется с ОТКЛ на ВКЛ и так далее. При исчезновении напряжения механические контакты выключателя сохраняют последнее коммутационное положение. Нарушение в работе кнопочных выключателей Кнопочные выключатели могут заедать и при этом подавать длительное напряжение на дистанционный выключатель, который не будет больше реагировать на управляющий импульс другого кнопочного выключателя. Все дистанционные выключатели защищены от такого нарушения в работе. Функции центрального ВКЛ/ОТКЛ Исполнения с функциями центрального или группового ВКЛ/ОТКЛ позволяют осуществлять централизованное управление всеми подключенными дистанционными выключателями, которое может также реализовываться при помощи выключателя с часовым механизмом. Независимо от текущего коммутационного состояния все дистанционные выключатели переводятся в одинаковое коммутационное состояние ВКЛ или ОТКЛ. |
ФункцииДистанционные выключатели применяются для управления системами освещения из нескольких точек посредством кнопочных выключателей. Тем самым исключается необходимость применения затратной перекрестной схемы с перекидными контактами. При каждом импульсе положение контактов дистанционного выключателя изменяется с ОТКЛ на ВКЛ и так далее. При исчезновении напряжения механические контакты выключателя. Нарушение в работе кнопочных выключателей Кнопочные выключатели могут заедать и при этом подавать длительное напряжение на дистанционный выключатель, который не будет больше реагировать на управляющий импульс другого кнопочного выключателя. Все дистанционные выключатели защищены от такого нарушения в работе. Функции центрального ВКЛ/ОТКЛ Исполнения с функциями центрального или группового ВКЛ/ОТКЛ позволяют осуществлять централизованное управление всеми подключенными дистанционными выключателями, которое может также реализовываться при помощи выключателя с часовым механизмом. Независимо от текущего коммутационного состояния все дистанционные выключатели переводятся в одинаковое коммутационное состояние ВКЛ или ОТКЛ. Параллельное соединение дистанционных выключателей Управление несколькими дистанционными выключателями одним кнопочным выключателем или контактом невозможно. Это привело бы к неопределенности в положении контактов, так как отсутствует возможность синхронизации.. |
Технические данные Дополнительную информацию Вы можете получить, нажав кнопку с этим символом. |
Технические данные [PDF] |
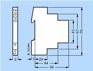
Чертеж5TT4 1 Дистанционные выключатели 5TT4 101-0, 5TT4 101-1, 5TT4 101-2, 5TT4 101-3, 5TT4 101-4 (изображение слева) 5TT4 102-0, 5TT4 102-1, 5TT4 102-2, 5TT4 102-3, 5TT4 102-4 (2ое слева) 5TT4 103-0, 5TT4 103-2 (3ье слева) 5TT4 104-0, 5TT4 104-2 (4ое слева) 5TT4 105-0, 5TT4 105-1, 5TT4 105-2, 5TT4 105-3, 5TT4 105-4 (справа) 5TT4 12 Дистанционные выключатели с центральным управлением ВКЛ/ОТКЛ 5TT4 122-0 (слева), 5TT4 125-0 (в центре), 5TT4 123-0 (справа) 5TT4 142 Дистанционные выключатели для упр. жалюзи и 5TT4 132-0 электронные дистанционные выключатели для последовательного включения групп 5TT4 142-0 5TT4 142-2 5TT4 142-3 5TT4 132-0 5TT4 90 Дополнительные контакты 5TT4 900 5TT4 901 |
Чертеж [PDF] |
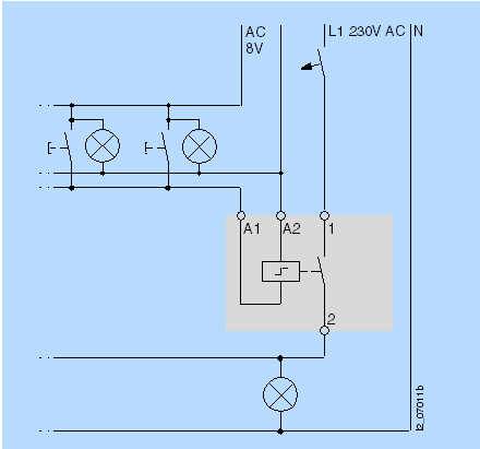
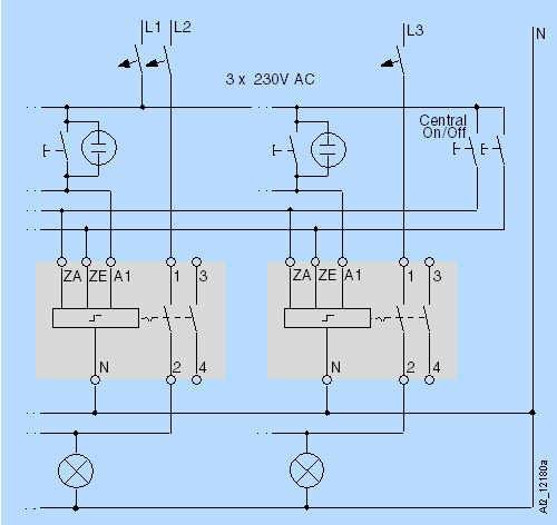
Схема подключения [PDF] |
Схема подключения5TT4 101-. 5TT4 102-. 5TT4 103-. 5TT4 104-. 5TT4 105-. 5TT4 122-0 5TT4 123-0 5TT4 125-0 5TT4 142-. 5TT4 132-0 5TT4 90 Пример принципиальной схемы: 5TT4 101-0 Однофазная схема освещения, оперативное напряжение AC 230 В, например, для офисных зданий Пример принципиальной схемы 5TT4 122-0 с центральным управлением ВКЛ/ОТКЛ: С центрального пульта включаются или отключаются все дистанционные выключатели, например, в начале и по окончании рабочего дня. При желании для этого можно воспользоваться таймером с управляющим импульсом длительностью 1 с. После центрального включения и отключения дистанционные выключатели по месту могут снова произвольно включаться и отключаться. Зажимы ZA, ZE и A1 могут подключаться к разным фазам. Пример принципиальной схемы: 5TT4 101-4 Однофазовая схема освещения с безопасным экстранизким напряжением 8 В AC, с выключателем и газосветной лампой Пример переключения: 5TT4 122-0 с таймером Вкл/Выкл (ON/OFF) Принтеры и копировальные аппараты включаются специальным кнопочным переключателем в начале рабочего дня.По окончании рабочего дня, например с 18 00 до 22 00, каждый час передается импульс длинной в одну секунду, который отключает розетки. Эта мера помогает предотвратить ситуацию когда принтеры и копировальные аппараты "забывают" выключить. Если устройство снова включают после 18 00, программа ежечасного выключения тоже приводится в действие. |
Дальнейшая информация |
Заказные данные | Заказной № | Описание | Вес (кг) | Доставка | Мин. зак. (шт) | | 5TT4101-0 | ДИСТАНЦИОННЫЙ ВЫКЛЮЧАТЕЛЬ 1 НО 16А 230/230В | 0.126 | 3 - 5 недель (P) | 1 | | 5TT4101-1 | ДИСТАНЦИОННЫЙ ВЫКЛЮЧАТЕЛЬ 1 НО 16А 230/115В | 0.12 | 4 - 6 недель (B) | 1 | | 5TT4101-2 | ДИСТАНЦИОННЫЙ ВЫКЛЮЧАТЕЛЬ 1 НО 16А 230/24В | 0.121 | 3 - 5 недель (P) | 1 | | 5TT4101-3 | ДИСТАНЦИОННЫЙ ВЫКЛЮЧАТЕЛЬ 1 НО 16А 230/12В | 0.118 | 4 - 6 недель (B) | 1 | | 5TT4101-4 | ДИСТАНЦИОННЫЙ ВЫКЛЮЧАТЕЛЬ 1 НО 16А 230/8В | 0.124 | 4 - 6 недель (B) | 1 | | 5TT4102-0 | ДИСТАНЦИОННЫЙ ВЫКЛЮЧАТЕЛЬ 2 НО 16А 230/230В | 0.132 | 3 - 5 недель (P) | 1 | | 5TT4102-1 | ДИСТАНЦИОННЫЙ ВЫКЛЮЧАТЕЛЬ 2 НО 16А 230/115В | 0.132 | 4 - 6 недель (B) | 1 | | 5TT4102-2 | ДИСТАНЦИОННЫЙ ВЫКЛЮЧАТЕЛЬ 2 НО 16А 230/24В | 0.132 | 3 - 5 недель (P) | 1 | | 5TT4102-3 | ДИСТАНЦИОННЫЙ ВЫКЛЮЧАТЕЛЬ 2 НО 16А 230/12В | 0.13 | 4 - 6 недель (B) | 1 | | 5TT4102-4 | ДИСТАНЦИОННЫЙ ВЫКЛЮЧАТЕЛЬ 2 НО 16А 230/8В | 0.136 | 4 - 6 недель (B) | 1 | | 5TT4103-0 | ДИСТАНЦИОННЫЙ ВЫКЛЮЧАТЕЛЬ 3 НО 16А 230/230В | 0.2 | 3 - 5 недель (P) | 1 | | 5TT4103-2 | ДИСТАНЦИОННЫЙ ВЫКЛЮЧАТЕЛЬ 3 НО 16А 230/24В | 0.195 | 3 - 5 недель (P) | 1 | | 5TT4104-0 | ДИСТАНЦИОННЫЙ ВЫКЛЮЧАТЕЛЬ 4 НО 16А 230/230В | 0.211 | 3 - 5 недель (P) | 1 | | 5TT4104-2 | ДИСТАНЦИОННЫЙ ВЫКЛЮЧАТЕЛЬ 4 НО 16А 230/24В | 0.206 | 3 - 5 недель (P) | 1 | | 5TT4105-0 | ДИСТАНЦИОННЫЙ ВЫКЛЮЧАТЕЛЬ 1 НО + 1 НЗ 16А 230/230В | 0.137 | 3 - 5 недель (P) | 1 | | 5TT4105-1 | ДИСТАНЦИОННЫЙ ВЫКЛЮЧАТЕЛЬ 1 НО + 1 НЗ 16А 230/115В | 0.131 | 4 - 6 недель (B) | 1 | | 5TT4105-2 | ДИСТАНЦИОННЫЙ ВЫКЛЮЧАТЕЛЬ 1 НО + 1 НЗ 16А 230/24В | 0.132 | 3 - 5 недель (P) | 1 | | 5TT4105-3 | ДИСТАНЦИОННЫЙ ВЫКЛЮЧАТЕЛЬ 1 НО + 1 НЗ 16А 230/12В | 0.129 | 4 - 6 недель (B) | 1 | | 5TT4105-4 | ДИСТАНЦИОННЫЙ ВЫКЛЮЧАТЕЛЬ 1 НО + 1 НЗ 16А 230/8В | 0.135 | 4 - 6 недель (B) | 1 | | 5TT4115-1 | REMOTE SWITCH WITH 1 NO AND 1 NC CONTACT FOR AC 230, 400V 16A CONTROL DC 110V | 0.131 | 3 - 5 недель (P) | 1 | | 5TT4115-2 | REMOTE SWITCH WITH 1 NO AND 1 NC CONTACT FOR AC 230, 400V 16A CONTROL DC 24V | 0.131 | 3 - 5 недель (P) | 1 | | 5TT4115-3 | REMOTE SWITCH WITH 1 NO AND 1 NC CONTACT FOR AC 230, 400V 16A CONTROL DC 12V | 0.131 | 3 - 5 недель (P) | 1 | | 5TT4122-0 | ДИСТАНЦИОННЫЙ ВЫКЛЮЧАТЕЛЬ 2 НО С ЦЕНТР.ФУНКЦИИ ОТКЛ. 16А 230/230В | 0.181 | 3 - 5 недель (P) | 1 | | 5TT4123-0 | ДИСТАНЦИОННЫЙ ВЫКЛЮЧАТЕЛЬ 3 НО С ЦЕНТР.ФУНКЦИИ ОТКЛ. 16А 230/230В | 0.194 | 3 - 5 недель (P) | 1 | | 5TT4125-0 | ДИСТАНЦИОННЫЙ ВЫКЛЮЧАТЕЛЬ 1 НО + 1 НЗ С ЦЕНТР.ФУНКЦИИ ОТКЛ. 16А 230/230В | 0.182 | 3 - 5 недель (P) | 1 | | 5TT4132-0 | ДИСТАНЦИОННЫЙ ВЫКЛЮЧАТЕЛЬ 2 НО С ПОСЛЕДОВ.ВКЛЮЧЕНИЕМ 16А 230/230В | 0.13 | 3 - 5 недель (P) | 1 | | 5TT4142-0 | ДИСТАНЦИОННЫЙ ВЫКЛЮЧАТЕЛЬ 2 НО С ВКЛ.ЖАЛЮЗИ 16А 230/230В | 0.138 | 3 - 5 недель (P) | 1 | | 5TT4142-2 | ДИСТАНЦИОННЫЙ ВЫКЛЮЧАТЕЛЬ 2 НО С ВКЛ.ЖАЛЮЗИ 16А 230/24В | 0.132 | 4 - 6 недель (B) | 1 | | 5TT4142-3 | ДИСТАНЦИОННЫЙ ВЫКЛЮЧАТЕЛЬ 2 НО С ВКЛ.ЖАЛЮЗИ 16А 230/12В | 0.13 | 4 - 6 недель (B) | 1 | | 5TT4900 | ДОПОЛНИТ.ВЫКЛЮЧАТЕЛЬ 1 НО + 1 НЗ 230V ДЛЯ 5TT41, 5TT42 | 0.032 | 3 - 5 недель (P) | 1 | | 5TT4901 | ДОПОЛНИТ.ВЫКЛЮЧАТЕЛЬ 1 НО + 1 НЗ 60V ДЛЯ 5TT41, 5TT42 | 0.054 | 3 - 5 недель (P) | 1 | | 5TT4920 | ENXX | 0.06 | 3 - 5 недель (P) | 1 | |
|