0

Разделы

Для абсолютного давления (из серии относительного давления) - Серия DS III (HART, PROFIBUS PA, Foundation Fieldbus)

Для абсолютного давления (из серии относительного давления) - Серия DS III (HART, PROFIBUS PA, Foundation Fieldbus)

Технические данные

Измерительный преобразователь давления SITRANS P, серия DS III для абсолютного давления (из серии Давление)

 

HART

PROFIBUS PA или Foundation Fieldbus

Вход

 

Измеряемая величина

абсолютное давление

Ном. диапазон измерения или интервал измерения и макс. доп. рабочее давления

интервал измерения

макс. доп. рабочее давления

Ном. диапазон измерения

макс. доп. рабочее давления

 

8.3 ... 250 mbar a
(0.12 ... 3.6 psi a)

6 bar a
(87 psi a)

250 mbar a
(3.6 psi a)

6 bar a
(87 psi a)

 

43 ... 1300 bar a
(0.62 ... 18.9 psi a)

10 bar a
(145 psi a)

1300 mbar a
(18.9 psi a)

10 bar a
(145 psi a)

 

160 ... 5000 mbar a
(2.32 ... 72.5 psi a)

30 bar a
(435 psi a)

5 bar a
(72.5 psi a)

30 bar a
(435 psi a)

 

1 ... 30 bar a
(14.5 ... 435 psi a)

100 bar a
(1450 psi a)

30 bar a
(435 psi a)

100 bar a
(1450 psi a)

Нижняя граница измерения

 

 

  • изм. ячейка с силиконовым маслом

0 mbar a (0 psi a)

Верхняя граница измерения

100% макс. интервала измерения

Выход 

 

 

Выходной сигнал

4 ... 20 mA

Digital PROFIBUS PA или Foundation Fieldbus signal

  • Нижний предел (infinitely adjustable)

3.55 mA, заводские настройки 3.84 mA

-

  • Верхний предел (infinitely adjustable)

23 mA, заводская настройка 20.5 mA или опциональная установка 22.0 mA

-

Загрузка

 

  • без коммуникатора HART

R B ≤ (UH - 10.5 V)/0.023 A in Ω,
UH : Питание в V

-

  • с коммуникатором HART 

R B = 230 ... 500 Ω (SIMATIC PDM) или
RB = 230 ... 1100 Ω (коммуникатор HART)

-

Физика шины

-

IEC 61158-2

Защита от переполюсовки

-

Yes

Точность измрения 

 

Эталонные условия

Растущая характеристика Начало измерения 0 бар Разд. мембрана нерж. сталь Наполнитель - сил. масло Комнатная температура (25 °C) r: отношение интервалов измер. (r = макс. интервал измерения / установлен. интервал измерения)

Погрешность измерения (при установке граничной точки, вкл. гистерезис и повторяемость)

 

  • линейная характеристика

 

≤ 0.075%

  • r ≤ 10

≤ 0,1%

 

  • 10 < r ≤ 30

≤ 0,2%

 

Долговременный дрейф (температурные изменения ±30 °C (±54 °F))

≤ (0.1 · r)%/год

≤ 0.1%/год

Воздействие внешней температуры

 

  • при -10 … +60 °C (14 … 140 °F)

≤ (0.1 · r +0.2) %

≤ 0,3%

  • при -40 ... -10 °C и +60 ... +85 °C
    (-40 ... +14 °F и 140 ... 185 °F)

≤ (0.1 · r + 0.15)%/10 K

≤ 0.25%/10 K

Разрешение измеряемого значения

-

3⋅ 10-5 от номинального диапазона измерений

Условия использования

 

Класс защиты (по EN 60529)

IP65

Температура изм. вещ-ва

 

  • изм. ячейка с силиконовым маслом

-40 ... +100 °C (-40 ... +212 °F)

  • изм. ячейка с инертной жидкостью

-20 ... +100 °C (-4 ... +212 °F)

  • в комбинации с пылевзрывозащитой

-20 ... +60 °C (-4 ... +140 °F)

Внешние условия

 

  • Температура окружающей среды

 

  • Цифровой индикатор

-30 ... +85 °C (-22 ... +185 °F)

  • Температура хранения

-50 ... +85 °C (-58 ... +185 °F)

  • Климатический класс

 

  • Конденсация 

допускается

  • Электромагнитная совместимость

 

  • Излучения

по EN 50081-1

  • Устойчивость

по EN 61236 и NAMUR NE 21

Конструктивные особенности 

 

Вес (без опций)

≈ 1.5 кг (≈ 3.3 lb)

Материал частей, соприк. с изм. в-вом

 

  • Соед. цапфы

Нерж. сталь, 1.4404/316L или Hastelloy C4, 2.4610

  • Овальный фланец 

Нерж. сталь, 1.4404/316L

  • Разд. мембрана 

Нерж. сталь, 1.4404/316L или Hastelloy C276, 2.4819

Наполн. изм. ячеек

Силиконовое масло или инертная наполнительная жидкость (при измерении кислорода макс. давление 160 бар)

Подключение к процессу

Соед. цапфы  G½B по DIN EN 837-1; внутренняя резьба ½ -14 NPT или овальный фланец (PN 160 с крепежной резьбой M10 или 7/16-20 UNF по EN 61518

Питание U H

 

Питание из шины

Напряжение на клеммах изм. преобразователя

10.5 ... 45 V DC
10.5 ... 30 V DC в искроб. режиме

-

Отдельное напряжение питания 24 V

-

не требуется

Напряжение шины

 

  • не Ex

-

9 ...32 V

  • в искробезопасном режиме

-

9 ...24 V

Потребляемый ток

 

  • Главный ток (макс.)

-

12.5 mA

  • Начальный ток ≤ базового тока

-

да

  • макс. ток при ошибке

-

15.5 mA

Электроника отключения при сбое (FDE)

-

да

Сертификаты и допуски

 

 

Подразделение согласно руководству по приборам давления (DGRL 97/23/EC)

Для газов флюидной группы 1 и жидкостей флюидной группы 1; отвечает требованиям согласно статье 3 раздел 3 (хорошая инженерная практика)

Взрывозащита

 

  • Искробезопасность "i"

PTB 99 ATEX 2122

  • Обозначение 

Ex II 1/2 G EEx ia/ib IIB/IIC T6

  • Доп. внешняя температура

-40 ... +85 °C (-40 ... +185 °F) класс температуры T4;
-40 ... +70 °C (-40 ... +158 °F) класс температуры T5;
-40 ... +60 °C (-40 ... +140 °F) класс температуры T6

  • Подлючение 

К освидетельствованным контурам тока с макс. значениями:
Ui = 30 V, Ii = 100 mA,
Pi = 750 mW; Ri = 300 Ω

Прибор питания FISCO:
Uo = 17.5 V, Io = 380 mA,
Po = 5.32 W

Линейный барьер:
Uo = 24 V, Io = 250 mA, Po = 1.2 W

  • Эфф. внутренняя индуктивность/емкость

L i = 0.4 mH, Ci = 6 nF

L i = 7 μH, Ci = 1.1 nF

  • Взрывонепроницаемый корпус "d"

PTB 99 ATEX 1160

  • Обозначение

Ex II 1/2 G EEx d IIC T4/T6

  • Доп. внешняя температура

-40 ... +85 °C (-40 ... +185 °F) класс температуры T4;
-40 ... +60 °C (-40 ... +140 °F) класс температуры T6

  • Подлючение

К контурам тока с рабочими значениями: UH = 10.5 ... 45 V DC

К контурам тока с рабочими значениями: UH = 9 ... 32 V DC

  • Пылевзрывозащита для зоны 20

PTB 01 ATEX 2055

  • Обозначение

Ex II 1 D IP65 T 120 °C
Ex II 1/2 D IP65 T 120 °C

  • Доп. внешняя температура

-40 ... +85 °C (-40 ... +185 °F)

  • Макс. температура поверхности 

120 °C (248 °F)

  • Подлючение

К освидетельствованным контурам тока с макс. значениями:
Ui = 30 V, Ii = 100 mA,
Pi = 750 mW, Ri = 300 Ω

Прибор питания FISCO:
Uo = 17.5 V, Io = 380 mA, Po = 5.32 W

Линейный барьер:
Uo = 24 V, Io = 250 mA, Po = 1.2 W

  • Эфф. внутренняя индуктивность/емкость 

L i = 0.4 mH, Ci = 6 nF

L i = 7 μH, Ci = 1.1 nF

  • Пылевзрывозащита для зоны 21/22

PTB 01 ATEX 2055

  • Обозначение

Ex II 2 D IP65 T 120 °C

  • Подлючение

К контурам тока с рабочими значениями: UH = 10.5 ... 45 V DC;            Pmax = 1.2 W

К контурам тока с рабочими значениями: UH = 9 ... 32 V DC;               Pmax = 1.2 W

  • Тип взрывозащиты "n" (зона 2)

TÜV 01 ATEX 1696 X

планируется

  • Обозначение

Ex II 3 G EEx nA L IIC T4/T5/T6

-

  • Взрывозащита по FM

Сертификат соответствия 3008490

  • Обозначение (XP/DIP) или (IS); (NI)

CL I, DIV 1, GP ABCD T4...T6; CL II, DIV 1, GP EFG; CL III; CL I, ZN 0/1 AEx ia IIC T4...T6; CL I, DIV 2, GP ABCD T4...T6; CL II, DIV 2, GP FG; CL III

  • Взрывозащита по CSA

Сертификат соответствия 1153651

  • Обозначение (XP/DIP) или (IS)

CL I, DIV 1, GP ABCD T4...T6; CL II, DIV 1, GP EFG; CL III; Ex ia IIC T4...T6; CL I, DIV 2, GP ABCD T4...T6; CL II, DIV 2, GP FG; CL III


 

 

Коммуникатор HART

 

Комунникация HART

230 по 1100 Ω;

Протокол

HART Version 5.x

ПО для компьютера

SIMATIC PDM


 

Коммуникация PROFIBUS PA

 

Одновременная коммуникация с
ведущим класса 2 (макс.)

4

Установка адреса возможна с
помощью

Конфигурационного прибора или
локального управления
(стандартная настройка адреса
126)

Циклическое использование данных

 

  • Выходной байт

5 (одно измеряемое значение) или
10 (два измеряемых значения)

  • Входной байт

0, 1, или 2 (режим работы
регистра и функция сброса по
причине измерения)

Внутренняя предварительная
обработка

 

Профиль устройства

PROFIBUS PA профиль для
устройства управления
процессом 3.0, Класс B

Функциональные блоки (Function
Blocks)

2

  • Аналоговый вход (Analog input)

 

  • Адаптация к задаваемым
    пользователем переменным
    процесса

да, линейно возрастающая или
убывающая характеристика

  • Электрическое демпфирование
    T63, регулируемое

0 to 100 s

  • Функция симуляции

вход/выход

  • Режим сбоя

параметрируется (последнее
достоверное значение,
заменяющее значение,
некорректное значение)

  • Мониторинг пределов

Один верхний и один нижний
предупредительный предел и
один аварийный предел

  • Регистр (Сумматор)

Может быть сброшен и
установлен, направление счета
выбирается, функция симуляции
выхода регистра

  • Режим сбоя

параметрируется (суммирование
с последним достоверным
значением, непрерывное
суммирование, суммирование с
некорректным значением)

  • Мониторинг пределов

Один верхний и один нижний
предупредительный предел и
один аварийный предел

  • Мониторинг пределов

1

Блоки преобразователя (Transducer
Blocks)

2

  • Блок преобразователя давления
    (Pressure Transducer Block)

 

  • калибровка с помощью подачи
    двух давлений

да

  • Мониторинг пределов сенсора

да

  • Ввод характеристики контейнера

Max. 30 nodes

  • Характеристика с квадратным
    корнем для измерения расхода

да

  • Постепенное понижение объема
    и точка извлечения квадратного
    корня

параметрируется

  • Функция симуляции для
    измеряемого значения давления
    и температуры сенсора

константа, или через
параметрируемую пилообразную
функцию


 

 

Коммуникация Foundation Fieldbus

 

Функциональные блоки (Function
Blocks)

3 функциональных блока
аналогового входа, 1
функциональный блок ПИД

  • Аналоговый вход(Analog input)

 

  • Адаптация к задаваемым
    пользователем переменным
    процесса

да, линейно возрастающая или
убывающая характеристика

  • Электрическое демпфирование
    T63, регулируемое

0 to 100 с

  • Функция симуляции

вход/выход (может быть
заблокирован внутри прибора с
помощью перемычки)

  • Режим сбоя

параметрируется (последнее
достоверное значение,
заменяющее значение,
некорректное значение)

  • Мониторинг пределов

Один верхний и один нижний
предупредительный предел и
один аварийный предел

  • Характеристика с квадратным
    корнем для измерения расхода

да

  • ПИД 

Стандартный функциональный
блок FF

  • Физический блок

1 блок ресурсов

Блоки преобразователя (Transducer
Blocks)

1 блок преобразователя давления
с калибровкой, 1 блок
преобразователя ЖК-дисплея

  • Блок преобразователя давления
    (Pressure Transducer Block)

 

  • калибровка с помощью подачи
    двух давлений

да

  • Мониторинг пределов сенсора

да

  • Функции симуляции:
    Измеряемое значение давления,
    температура сенсора и
    температура электроники

константа, или через
параметрируемую пилообразную
функцию


 

Чертеж

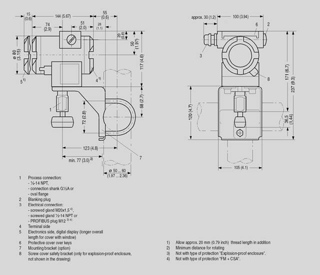
Измерительный преобразователь давления SITRANS P, серия DS III HART для абсолютного давления из серии “Давление”, размеры в мм ,(дюймах)

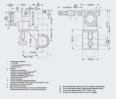
Измерительный преобразователь давления SITRANS P, серия DS III PA и FF для абсолютного давления из серии “Давление”, размеры в мм ,(дюймах)

Заказные данные

Заказной №ОписаниеВес (кг)ДоставкаМин. зак. (шт)
7MF4233-.....-....SITRANS P DS III, ДАТЧИК АБСОЛЮТНОГО ДАВЛЕНИЯ (ИЗ СЕРИИ ДАТЧИКОВ ОТНОСИТЕЛЬНОГО ДАВЛЕНИЯ)2по запросу (D)1
7MF4234-.....-....ДАТЧИК АБСОЛЮТНОГО ДАВЛЕНИЯ SITRANS P ИЗ СЕРИИ ДАТЧИКОВ DS III PA4по запросу (X)1
7MF4235-.....-....SITRANS P, TRANSMITTER FOR ABSOLUTE PRESSURE FROM PRESSURE TRANSMITTER SERIES, DS III FIELDBUS FOUNDATION SERIES, 4по запросу (D)1

Заказные данные [PDF]

Загрузить PDF-файл.

Для просмотра информации в формате PDF необходимо установить Adobe Acrobat Reader.
Adobe Acrobat Reader

Аксессуары

Заказной №ОписаниеВес (кг)ДоставкаМин. зак. (шт)
7MF4992-.....-....ИЗМЕРИТЕЛЬНАЯ ЯЧЕЙКА ДЛЯ SITRANS P ДЛЯ АБСОЛЮТНОГО ДАВЛЕНИЯ (ИЗ СЕРИИ ПРЕОБРАЗОВАТЕЛЕЙ ДАВЛЕНИЯ)0.45по запросу (D)1
7MF4997-1ABНАБОР ДЛЯ КРЕПЕЖА ИЗ СТАЛИ ДЛЯ ДАТЧИКОВ ДАВЛЕНИЯ 7MF401*-.....-1*C* 7MF4032-.....-1*C* И ТЕРМОПРЕОБРАЗОВАТЕЛЯ 7NG313*-**C**0.56 - 8 недель (C)1
7MF4997-1ACНАБОР ДЛЯ КРЕПЕЖА ИЗ СТАЛИ ДЛЯ ДАТЧИКОВ ДАВЛЕНИЯ СЕРИЙ MK II, MS И DS (7MF4010/4013/4032-.....-1.A. -1.B. И -1.D.) И ДЛЯ ДАТЧИКОВ АБСОЛЮТНОГО ДАВЛЕНИЯ (7MF4232-.....-1.A., -1.B. И -1.D.) И ТЕРМОПРЕОБРАЗОВАТЕЛЕЙ 7NG313*-**B**TER 7NG313.-..B..TER 7NG313.-..B..0.56 - 8 недель (C)1
7MF4997-1AHНАБОР ДЛЯ КРЕПЕЖА ИЗ НЕРЖ.СТАЛИ ДЛЯ ДАТЧИКОВ ДАВЛЕНИЯ 7MF401*-.....-1*C* 7MF4032-.....-1*C* И ТЕРМОПРЕОБРАЗОВАТЕЛЕЙ 7NG313*-**C**0.54 - 6 недель (B)1
7MF4997-1AJНАБОР ДЛЯ КРЕПЕЖА ИЗ НЕРЖ.СТАЛИ ДЛЯ ДАТЧИКОВ ДАВЛЕНИЯ СЕРИЙ MK II,MS И DS (7MF4010/4013/4032-.....-1.A. -1.B. И -1.D.) И ДАТЧИКОВ АБСОЛЮТНОГО ДАВЛЕНИЯ СЕРИИ DS (7MF4232-.....-1.A., -1.B. И -1.D.) И ТЕРМОПРЕОБРАЗОВАТЕЛЕЙ 7NG313*-**B**TURE TRANSMITTER 7NG3TURE TRANSMITTER 7NG313.-..B..0.53 - 5 недель (A)1
7MF4997-1BBКРЫШКА БЕЗ ОКНА,С О-КОЛЬЦОМ ДЛЯ 7MF4*1*-... И 7MF4*32-...0.36 - 8 недель (C)1
7MF4997-1BCКРЫШКА С ПРОКЛАДКОЙ БЕЗ ОКНА ДЛЯ 7MF4*32- ИЗ НЕРЖ.СТАЛИ0.36 - 8 недель (C)1
7MF4997-1BEКРЫШКА С ОКНОМ,С О-КОЛЬЦОМ ДЛЯ 7MF4*1*-... И 7MF4*32-...0.33 - 5 недель (A)1
7MF4997-1BFКРЫШКА С ПРОКЛАДКОЙ И ОКНОМ ДЛЯ 7MF4*32- ИЗ НЕРЖ.СТАЛИ0.36 - 8 недель (C)1
7MF4997-1BRЦИФРОВОЙ ИНДИКАТОР ДЛЯ ДАТЧИКОВ СЕРИИ MS0.36 - 8 недель (C)1
7MF4997-1CAШИЛЬДИК ЧИСТЫЙ (1 НАБОР = 5 ШТУК)0.16 - 8 недель (C)1
7MF4997-1CBШИЛЬДИК ДЛЯ ОПЦИЙ Y01 ИЛИ Y02, Y15 И Y16 (1 ШТУКА)0.16 - 8 недель (C)1
7MF4997-1CDВИНТЫ ДЛЯ ШИЛЬДИКА 7MF4*1*-... И 7MF4*32-... (50 ШТУК)0.16 - 8 недель (C)1
7MF4997-1DAHART-МОДЕМ С ИНТЕРФЕСОМ RS232 ДЛЯ ПОДКЛЮЧЕНИЯ ИЗМЕРИТЕЛЬНЫХ ДАТЧИКОВ С HART-ПРОТОКОЛОМ К КОМПЬЮТЕРУ0.13 - 5 недель (A)1
7MF4997-1DB HART-МОДЕМ С USB-ИНТЕРФЕСОМ ДЛЯ ПОДКЛЮЧЕНИЯ ИЗМЕРИТЕЛЬНЫХ ДАТЧИКОВ С HART-ПРОТОКОЛОМ К КОМПЬЮТЕРУ 0.13 - 5 недель (A)1
7MF4997-1DKЭЛЕКТРОНИКА DS III0.14 - 6 недель (B)1
7MF4997-1DLМОДУЛЬ ЭЛЕКТРОНИКИ ДЛЯ ДАТЧИКА SITRANS P СЕРИИ DS III PA0.14 - 6 недель (B)1
7MF4997-1DMМОДУЛЬ ЭЛЕКТРОНИКИ ДЛЯ ДАТЧИКА SITRANS P СЕРИИ DS III FIELDBUS FOUNDATION0.14 - 6 недель (B)1
7MF4997-1DNПЛАТА СОЕДИНЕНИЙ DS III0.14 - 6 недель (B)1
7MF4997-1DPПЛАТА СОЕДИНЕНИЙ SITRANS P ERIE DS III PA0.14 - 6 недель (B)1
A5E00047090РУКОВОДСТВО GERMAN FOR SITRANS P, DS III SERIES.0.1253 - 5 недель (A)1
A5E00047092РУКОВОДСТВО ENGLISH FOR SITRANS P, DS III SERIES0.1253 - 5 недель (A)1
A5E00047093РУКОВОДСТВО (LEPORELLO) FOR SITRANS P, DS III SERIES IN GERMAN AND ENGLISH0.0866 - 8 недель (C)1
A5E00053218РУКОВОДСТВО FRENCH FOR SITRANS P, DS III SERIES0.1253 - 5 недель (A)1
A5E00053219РУКОВОДСТВО ITALIAN FOR SITRANS P, DS III SERIES0.1253 - 5 недель (A)1
A5E00053220РУКОВОДСТВО SPANISH FOR SITRANS P, DS III SERIES0.1253 - 5 недель (A)1
A5E00053274КОРОТКИЕ ИНСТРУКЦИИ SITRANS P, DS III PA SERIES GERMAN/ENGLISH0.1186 - 8 недель (C)1
A5E00053275РУКОВОДСТВО GERMAN FOR SITRANS P, DS III PA SERIES.0.1253 - 5 недель (A)1
A5E00053276РУКОВОДСТВО ENGLISH FOR SITRANS P, DS III PA SERIES0.3153 - 5 недель (A)1
A5E00053277РУКОВОДСТВО FRENCH FOR SITRANS P, DS III PA SERIES0.1253 - 5 недель (A)1
A5E00053278РУКОВОДСТВО SPANISH SITRANS P, DS III PA SERIES0.1253 - 5 недель (A)1
A5E00053279РУКОВОДСТВО ITALIAN FOR SITRANS P, DS III PA SERIES0.1253 - 5 недель (A)1
A5E00090345CD -ДИСК С ДОКУМЕНТАЦИЕЙ ДЛЯ SITRANS P, DS III0.056 - 8 недель (C)1

Аксессуары [PDF]

Загрузить PDF-файл.

Для просмотра информации в формате PDF необходимо установить Adobe Acrobat Reader.
Adobe Acrobat Reader