0

Разделы

до 630 A, CLASS 10 и CLASS 20, нерегулируемые - Электронные реле перегрузки

до 630 A, CLASS 10 и CLASS 20, нерегулируемые - Электронные реле перегрузки

Электронное реле перегрузки 3RB10 с винтовыми зажимами и для встраивания1) и отдельной установки2), CLASS 10 и CLASS 20

Энергонезависимые электронные реле перегрузки 3RB10 до 630 A предназначены для токозависимой защиты потребителей с нормальным и тяжелым пуском (см. функции) от недопустимо высокого нагрева вследствие перегрузки, несимметрии фаз или выпадения фазы. Перегрузка, несимметрия фаз или выпадение фазы ведет к нарастанию тока двигателя выше заданного номинала. Это увеличение тока регистрируется встроенными в аппараты трансформаторами тока и обрабатывается соответствующей электроникой, которая затем подает импульс на вспомогательные блок-контакты, которые через контактор отключают потребителя. Время отключения зависит от соотношения тока расцепления к току уставки Ie и записывается в виде долговременной стабильной характеристики расцепления (см. Характеристики). О состоянии «расцеплено» сигнализирует индикатор коммутационного состояния (см. функции). Сброс производится вручную или автоматически (см. Функции) после истечения времени восстановления готовности (см. Функции).

Аппараты разработаны с учетом требований экологии, и сделаны из экологически безопасных и утилизируемых материалов.

Они отвечают всем мировым стандартам и нормам.

 

Стандарты

Электронные реле перегрузки 3RB10 соответствуют стандартам:

  • МЭК 60 947-1/DIN EN 60947-1
  • МЭК 60 947-4-1/DIN EN 60947-4-1
  • МЭК 60 947-5-1/DIN EN 60947-5-1
  • UL 508/CSA C 22.2.

Электронные реле перегрузки 3RB10 защищены от прикосновения согласно DIN EN 50274 и устойчивы к климатическим воздействием согласно МЭК 60721.

1) При наличии соответствующих адаптеров (см. Принадлежности) электронные реле перегрузки 3RB10 для встраивания типоразмеров от S00 до S3 могут также устанавливаться отдельно. Электронные реле перегрузки 3RB10 типоразмеров S6 и S10/S12 могут устанавливаться отдельно и без дополнительных адаптеров. На контакторах 3TF68/ 3TF69 прямой монтаж невозможен.

2) Типоразмер S00 до S6 для крепления винтами или на защелках на монтажной рейке 35 мм, Типоразмер S3 пригоден также для монтажной рейки 75мм. Типоразмеры S10/S12 для монтажа на рейку не пригодны.

Особенности

Основные технические данные и назначение электронных реле перегрузки 3RB10 освещены в обзорной таблице во введении.

Область применения

Сфера использования

Электронные реле перегрузки 3RB10 предназначены для защиты трехфазных двигателей в синусоидальных сетях напряжения 50/60 Гц.

Реле не предназначено для защиты однофазных потребителей переменного или постоянного тока.

Для таких потребителей с однополюсной нагрузкой используются тепловые реле перегрузки 3RU11 или электронные реле перегрузки 3RB12 (предназначенные только для защиты потребителей однофазного переменного тока).

Электронные реле перегрузки 3RB10 не предназначены для потребителей с заземленной нейтралью.

Условия окружающей среды

Аппараты устойчивы к внешним воздействиям, как, например, сотрясениям, агрессивной среде, старению и сильным колебаниям температуры.

В интервале температур от –25 C до +70 C электронные реле пе-регрузки 3RB10 (S00 – S3) компенсируют температурные влияния в соответствии с МЭК 60947-4-1.

Для электронных реле перегрузки 3RB10 типоразмеров S6 и S10/S12 при допустимой температуре окружающей среды ≥ +60 °C следует уменьшить верхнее значение уставок тока на определенной коэффициент согласно приведенной ниже таблице.

Тип

Понижающий коэффициент верхнего значения установки при отдельной установке и температуре окружающей среды:

+50 °C

+60 °C

+70 °C

3RB10 56-.F.0

1.00

1.00

0.80

3RB10 66-.GG0

1.00

1.00

0.80

3RB10 66-.KG0

1.00

1.00

0.93

3RB10 66-.LG0

1.00

0.90

0.80


 

Тип

Понижающий коэффициент верхнего значения установки при монтаже на контакторе и температуре окружающей среды от:

+50 °C

+60 °C

+70 °C

3RB10 56-.F.0

1.00

0.70

0.60

3RB10 66-.GG0

1.00

0.70

0.60

3RB10 66-.KG0

1.00

0.82

0.70

3RB10 66-.LG0

1.00

0.70

0.60


 

Типы взрывозащиты "Повышенная безопасность" EEx

Электронные реле перегрузки 3RB10 соответствуют правилам защиты от перегрузки взрывобезопасных двигателей класса взрывозащиты «повышенная безопасность» EEx e EN 50019.

Номера сертификатов об испытаниях прототипов для категории (2) G3)

  • PTB 01 ATEX 3306
  • PTB 01 ATEX 3203
  • PTB 01 ATEX 3316

Дизайн

Варианты монтажа

Электронные реле перегрузки 3RB10 предназначены для прямого и компактного монтажа на контакторах 3RT1 и устройствах плавного пуска 3RW30/3RW31. Кроме того, аппараты могут устанавливаться отдельно. Отдельная установка электронных реле перегрузки 3RB10 типоразмеров от S00 до S3 возможна только при наличии соответствующих адаптеров.

Подробности вариантов монтажа можно найти в разделах «Технические данные» и «Данные для выбора и заказа».

Техника подключения

Подключение электронных реле перегрузки 3RB10 всех типоразмерах возможно с помощью винтовых зажимов для главных и

вспомогательных цепей. Подключение главных цепей в типоразмерах S3 - S10/S12 альтернативно выполняется с помощью шин. Кроме того, существует реле 3RB10 типоразмера S6 также с проходным трансформатором, где устойчивые к коротким замыканиям линии главной цепи идут прямо к клеммам контактора.

Подробности различных вариантов подключения можно найти в разделах «Технические данные» и «Данные для выбора и заказа».

Реле перегрузки в комбинациях "звезда-треугольник"

При использовании реле перегрузки в сочетании с комбинациями «звезда-треугольник» следует учитывать, что через сетевой контактор проходит только 0,58 тока двигателя. На это же значение должно быть настроено и реле перегрузки, устанавливаемое на этом контакторе.

Соответствие электронных реле перегрузки 3RB10 и сетевых контакторов в наших комбинациях «звезда-треугольник» 3RA вы найдете в главе «Коммутационные аппараты: контакторы и контакторные сборки».

Эксплуатация с преобразователем частоты

Электронные реле перегрузки 3RB10 предназначены для частот 50/60 Гц и относящимся к ним гармоникам. Поэтому реле 3RB10 можно использовать на стороне входа преобразователя частоты.

В том случае, если на выходе преобразователя частоты потребуется установить защиту двигателя, мы предлагаем использовать аппараты термисторной защиты двигателей 3RN или тепловые реле перегрузки 3RU11.

Функции

Цепи управления

 

Защита от короткого замыкания

Для защиты от короткого замыкания используются предохранители или автоматические выключатели. Координацию соответствующих устройств защиты от короткого замыкания и электронных реле перегрузки 3RB10 с контактором/без контактора можно найти в разделах «Технические данные» и «Данные для выбора и заказа».

 

Классы расцепления

Электронные реле перегрузки 3RB10 выпускаются для условий нормального пуска с расцепителями класса10 и для условий трудного пуска с расцепителями класса 20. Детальную информацию о классах расцепления вы можете получить из графиков характеристик.

 

Защита от выпадения фазы

 

Настройка

Электронные реле перегрузки 3RB10 настраиваются на номинальный ток двигателя с помощью поворотного переключателя.

Шкала кнопки переключателя уставок тока калибрирована в Амперах.

 

Ручной и автоматический сброс (RESET)

Нажав и повернув синюю кнопку (кнопка RESET), можно выбрать автоматический или ручной сброс. При настройке на ручной режим сброс можно произвести прямо на аппарате. Дистанционный сброс возможен в сочетании с модулем механического и электрического сброса из программы принадлежностей (см. Принадлежности). Если синяя кнопка стоит в положении автоматического режима, то сброс реле будет происходить автоматически.

Сброс возможен только после истечения времени восстановления готовности.

 

Время восстановления готовности

Время восстановления готовности после расцепления из-за перегрузки в электронных реле 3RB10 фиксировано и составляет

при настройке на автоматический режим для типоразмеров S00 – S3 около 4 мин., для типоразмеров S6 – S12 - около 7 мин. Это

время дает потребителю возможность остыть.

В режиме ручного сброса аппарат можно перезапустить немедленно.

 

Функция TEST

Правильность функционирования электронных реле перегрузки 3RB10 можно проверить с помощью ползункового переключателя TEST. При передвижении ползунка моделируется расцепление реле. При этом размыкающий контакт (НЗ) (95-96) размыкается, замыкающий (НО) (97-98) замыкается, чем и проверяется правильность электрического соединения вспомогательной цепи электронных реле перегрузки 3RB10. Если 3RB10 установлено на автоматический режим, автоматический сброс последует при освобождении ползунка. Реле можно вернуть в исходное состояние с помощью кнопки RESET, если оно настроено на ручной сброс.

 

Функция STOP

При нажатии на кнопку STOP НЗ-контакт размыкается и таким образом отключается последующий контактор, а тем самым и потребитель. Через тот же контактор потребитель включается вновь, как только будет отпущена кнопка STOP.

 

Индикация рабочего состояния

Текущее состояние электронного реле перегрузки 3RB10 можно определить по положению метки ползунка TEST/индикатор коммутационного состояния. Ползунок после расцеплении вследствиеперегрузки, несимметрии фаз или выпадения фазы находится слева, под отметкой «O», в остальных случаях - под отметкой «I».

 

Вспомогательные блок-контакты

Электронные реле перегрузки 3RB10 снабжены одним замыкающим контактом для сигнализации расцепления и одним размыкающим для отключения контактора.

Технические данные

Дополнительную информацию Вы можете получить, нажав кнопку с этим символом.

Характеристика

Характеристики расцепления показывают зависимость времени расцепления от тока расцепления как кратной величины тока уставки Ie и указываются для симметричной трехполюсной и двухполюсной нагрузки из холодного состояния.

Минимальный ток, при котором происходит расцепление, называется предельным током срабатывания. Согласно МЭК 60947-4-1 он должен находиться в жестко фиксированных границах. Предельный ток срабатывания для электронных реле перегрузки 3RB10 при 3-полюсной симметричной нагрузке составляет 114 % тока уставки.

Исходя из значения предельного тока срабатывания, дальнейшая форма кривой достигает самых больших токов расцепления в соответствии с характеристикой так называемого класса расцепления (CLASS 10, CLASS 20 и т.д.). Классы расцепления описывают интервалы времени, в пределах которых реле перегрузки при симметричной трехполюсной нагрузке из холодного состояния должно расцеплять при 7,2-кратной величине тока уставки Ie

Время срабатывания:

CLASS

Время срабатывания 

10A

2 s ... 10 с

10

4 s ... 10  с

20

6  s ... 20  с

30

9  s ... 30 с


Характеристика расцепления реле перегрузки с трехполюсной нагрузкой из холодного состояния (см. кривую «1») справедлива при условии, что на все три фазы одновременно нагружены одинаковым током. При выпадении фазы или несимметрии фаз более чем на 40 % электронное реле перегрузки 3RB10 отключает контактор, и, таким образом, потребителя, в пределах 3 секунд. Благодаря быстрому расцеплению в соответствии с кривой для двуполюсной нагрузки из холодного состояния (кривая «3») нагрев потребителя сводится к минимуму.

В отличие от потребителя в холодном состоянии, при рабочей температуре потребитель неизбежно имеет меньший температурный запас. С учетом этого обстоятельства для электронных реле перегрузки 3RB10 после длительной нагрузки током уставки Ie в соответствии с кривой для симметричной нагрузки для прогретого состояния (см. кривую «2») время расцепления сокращается примерно на 30 %

 

Характеристика расцепления для класса расцепления class 10

Характеристика расцепления для класса расцепления class 20

Это принципиальные графики характеристик расцепления. Конкретные характеристики срабатывания отдельных электронных реле перегрузки 3RB10 можно узнать в службе технической поддержки.

Адрес электронной почты: Technical-assistance@siemens.com

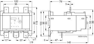
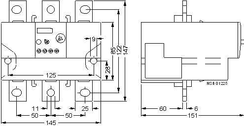
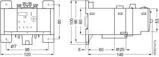
Чертеж

3RB10 16- . . B .

Типоразмер S00 с адаптером для отдельной установки и принадлежностями

 

3RB10 26- . . B .

Типоразмер S0 с адаптером для отдельной установки

 

3RB10 36- . . B .

Типоразмер S2 с адаптером для отдельной установки

 

3RB10 46- . . B .

Типоразмер S3 с адаптером для отдельной установки

 

3RB10 56-.FW0 
Типоразмер  S6

3RB10 56-.FG0 
Типоразмер S6

3RB10 66- . . G0 
Типоразмер S10/S12

Схема подключения

Реле перегрузки 3RB10 16 

Реле перегрузки 3RB10 26 до 3RB10 66