0

Разделы

DS III с соединителем PMC - Датчики SITRANS P с соединителем PMC для бумажной промышленности

DS III с соединителем PMC - Датчики SITRANS P с соединителем PMC для бумажной промышленности

Технические данные

Измерительный преобразователь давления SITRANS P, серия DS III для избыточного давления с подключением PMC для бумажной промышленности

 

HART

PROFIBUS PA или Foundation Fieldbus

Вход

 

Измеряемая величина

Избыточное давление

Интервал измерения (бесконечно регулируемый) или ном. диапазон измерения и макс. доп. рабочее давление

Интервал измерения

макс. доп. рабочее давление

ном. диапазон измерения

макс. доп. рабочее давление

 

0.01 ... 1 bar g
(0.145 ... 14.5 psi g)

6 bar g
(87 psi g)

1 bar g
(14.5 psi g)

6 bar g
(87 psi g)

 

0.04 ... 4 bar g
(0.58 ... 58 psi g)

10 bar g
(145 psi g)

4 bar g
(58 psi g)

10 bar g
(145 psi g)

 

0.16 ... 16 bar g
(2.23 ... 232 psi g)

32 bar g
(464 psi g)

16 bar g
(232 psi g)

32 bar g
(464 psi g)

Нижняя граница измерения

 

 

  • изм. ячейка с наполнителем из силиконового масла

100 mbar a (1.45 psi a)

Верхняя граница измерения

100% от макс. интервала измерения

Выход

 

 

Выходной сигнал

4 ... 20 mA

Цифровой сигнал PROFIBUS PA или Foundation Fieldbus

  • Нижний предел (бесконечно регулируемый)

3.55 mA, factory preset to 3.84 mA

-

  • Верхний предел (бесконечно регулируемый)

23 mA, factory preset to 20.5 mA or optionally set to 22.0 mA

-

Загрузка

 

  • без коммуникации HART

R B ≤ (UH - 10.5 V)/0.023 A в Ω,
UH : Питание в V

-

  • с коммуникацией HART

R B = 230 ... 500 Ω (SIMATIC PDM) или
RB = 230 ... 1100 Ω (Коммуникатор HART)

-

Физика шины

-

IEC 61158-2

Защита от неправильной полярности

-

Есть

Точность измерения

 

Эталонные условия

Растущая характеристика Начало измерения 0 бар Разд. мембрана нерж. сталь Наполнитель - сил. масло Комнатная температура (25 °C) r: отношение интервалов измер. (r = макс. интервал измерения / установлен. интервал измерения)

Погрешность измерения (при установке граничной точки, вкл. гистерезис и повторяемость)

 

  • Линейная характеристика

 

≤ 0,075%

  • r ≤ 10

≤ (0.0029 · r + 0.071) %

 

  • 10 < r ≤ 30

≤ (0.0045 · r + 0.071) %

 

  • 30 < r ≤ 100

≤ (0.005 · r + 0.05) %

 

долговременный дрейф (температурные изменения ±30 °C (±54 °F))

≤ (0.25 · r)% каждые 5 лет

≤ 0.25% каждые 5 лет

Воздействие внешней температуры

 

  • при -10 … +60 °C (14 … 140 °F)

≤ (0.08 · r + 0.1) %

≤ 0,3%

  • при -40 ... -10 °C и +60 ... +85 °C
    (-40 ... +14 °F и 140 ... 185 °F)

≤ (0.1 · r + 0.15) %/10 K

≤ 0.25%/10 K

Влияние температуры измеряемого вещества (только для омываемой спереди мембраны)

 

  • Разность между температурой измеряемого вещества и окружающей температурой 

3 мбар/10 K 

Влияния положения монтажа

≤ 0,1 мбар изб. на каждые 10° наклона

Разрешение измеряемой величины

-

3 · 10-5 от номинального интервала измерений

Условия использования

 

Класс защиты (по EN 60529)

IP65

Температура изм. вещ-ва

-20 ... +100 °C (-4 ... +212 °F)

Внешние условия

 

  • Температура окружающей среды

-20 ... +85 °C (-4 ... +185 °F)

  • Температура хранения

-50 ... +85 °C (-58 ... +185 °F)

  • Климатический класс

 

  • Конденсация 

допускается

  • Электромагнитная совместимость

 

  • Излучения

по EN 50081-1

  • Устойчивость

по EN 61236 и NAMUR NE 21

Конструктивные особенности

 

Вес (без опций)

≈ 1.5 кг (≈ 3.3 lb)

Материал частей, соприк. с изм. в-вом

Нерж. сталь

  • Уплотнение (стандартное)

плоская прокладка из PTFE

  • O-кольцо (Minibolt)

FPM (Viton) или опционально: FFPM или NBR

Наполн. изм. ячеек

Силиконовое масло или инертная наполнительная жидкость

Подключение к процессу (стандартное)

Заподлицо спереди, 1½", конструкция PMC Standard

Подключение к процессу (minibolt)

Заподлицо спереди, 1", конструкция PMC Minibolt

Питание  U H

 

Питание из шины

Напряжение на клеммах изм. преобразователя

10.5 ... 45 V DC
10.5 ... 30 V DC  в искроб. режиме

-

Отдельное напряжение питания 24 V

-

не требуется

Питание шины

 

  • не Ex

-

9 ...32 В

  • в искробезопасном режиме

-

9 …24 В

Потребляемый ток

 

  • Главный ток (макс.)

-

12.5 мА

  • Начальный ток ≤ базового тока

-

есть

  • Макс. ток сбоя в случае сбоя

-

15.5 мА

Электроника отключения при сбое (FDE)

-

есть

Сертификаты и допуски

 

 

Подразделение согласно руководтству по приборам давления (DRGL 97/23/EC)

Для газов флюидной группы 1 и жидкостей флюидной группы 1; отвечает требованиям согласно статье 3 раздел 3 (хорошая инженерная практика)


 

Коммуникация HART

 

Коммуникация HART

230 по 1100 Ω;

Протокол

HART Версия 5.x

ПО для компьютера

SIMATIC PDM


 

Коммуникация PROFIBUS PA

 

Одновременная коммуникация с ведущим класса 2 (макс.)

4

Установка адреса возможна с помощью

Конфигурационного прибора или локального управления(стандартная настройка адреса 126)

Циклическое использование данных

 

  • Выходной байт

5 (одно измеряемое значение) или
10 (два измеряемых значения)

  • Входной байт

0, 1, или 2 (режим работы регистра и функция сброса по причине измерения)

Внутренняя предварительная обработка

 

Профиль устройства

PROFIBUS PA профиль для устройства управления процессом 3.0, Класс B

Функциональные блоки (Function Blocks)

2

  • Аналоговый вход (Analog input)

 

  • Адаптация к задаваемым пользователем переменным процесса

да, линейно возрастающая или убывающая характеристика

  • Электрическое демпфирование T63 , регулируемое

0 ... 100 с

  • Функция симуляции

вход/выход

  • Режим сбоя

параметрируется (последнее достоверное значение, заменяющее значение, некорректное значение)

  • Мониторинг пределов

Один верхний и один нижний предупредительный предел и один аварийный предел

  • Регистр (Сумматор)

Может быть сброшен и установлен, направление счета выбирается, функция симуляции выхода регистра

  • Режим сбоя

параметрируется (суммирование с последним достоверным
значением, непрерывное суммирование, суммирование с некорректным значением)

  • Мониторинг пределов

Один верхний и один нижний предупредительный предел и один аварийный предел

  • Физический блок

1

Блоки преобразователя (Transducer Blocks)

2

  • Блок преобразователя давления (Pressure Transducer Block)

 

  • калибровка с помощью подачи двух давлений

Да

  • Мониторинг пределов сенсора

Да

  • Ввод характеристики контейнера

С макс. 31 узлом

  • Характеристика с квадратным корнем для измерения расхода

Да

  • Постепенное понижение объема и точка извлечения квадратного корня

параметрируется

  • Функция симуляции для измеряемого значения давления и температуры сенсора

константа, или через параметрируемую пилообразную функцию


 

Коммуникация Foundation Fieldbus

 

Функциональные блоки (Function Blocks)

3 функциональных блока аналогового входа, 1 функциональный блок ПИД

  • Аналоговый вход(Analog input)

 

  • Адаптация к задаваемым пользователем переменным
    процесса

да, линейно возрастающая или убывающая характеристика

  • Электрическое демпфирование T63, регулируемое

0 ... 100 с

  • Функция симуляции

вход/выход (может быть заблокирован внутри прибора с помощью перемычки)

  • Режим сбоя

параметрируется (последнее достоверное значение, заменяющее значение, некорректное значение))

  • Мониторинг пределов

Один верхний и один нижний предупредительный предел и один аварийный предел

  • Характеристика с квадратным корнем для измерения расхода

Да

  • ПИД

Стандартный функциональный блок FF

  • Физический блок

1 блок ресурсов

Блоки преобразователя (Transducer Blocks)

1 блок преобразователя давления с калибровкой, 1 блок преобразователя ЖК-дисплея

  • Блок преобразователя давления (Pressure Transducer Block)

 

  • калибровка с помощью подачи двух давлений

Да

  • Мониторинг пределов сенсора

Да

  • Функции симуляции: Измеряемое значение давления,
    температура сенсора и температура электроники

константа, или через параметрируемую пилообразную функцию


 

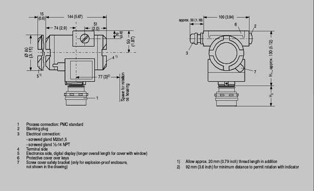
Чертеж

Измерительный преобразователь SITRANS P, серия DS III для избыточного давления, с соединением PMC, размеры в мм (дюймах)

Рисунок показывает SITRANS P DS III с примером фланца. На этом рисунке высота поделена на H1 и H2.

H1 = Высота SITRANS P DS III до определенного разреза

H2 = Высота фланца до этого определенного разреза

В размерах фланца указывается только высота H2.

Приварная арматура для типа PMC Standard

Приварная арматура для типа PMC minibolt

 

 


Приварная арматура для типа PMC Standard (слева) и типа PMC Minibolt (справа), размеры в мм (дюймах)

Материал: нержавеющая сталь 1.4404/316L

 

Тип PMC Standard

 

DN

PN

∅D

H2

 

 

40.4 мм (1.6“)

Ок. 36.8 mm (1.4')


 

Тип PMC Minibolt

 

DN

PN

∅D

H2

 

 

26.3 мм (1.0“)

Ок. 33.1 mm (1.3')


 

Заказные данные

Заказной №ОписаниеВес (кг)ДоставкаМин. зак. (шт)
7MF4133-.....-....SITRANS P PRESSURE TRANSMITTERS FOR RELATIVE PRESSURE, FRONT-FLUSH MEMBRANE, SERIES DS III HART2по запросу (D)1
7MF4134-.....-....SITRANS P DS III PA, TRANSMITTER FOR PRESSURE DS III PA SERIES, WITH FLUSH DIAPHRAGM2по запросу (D)1
7MF4135-.....-....SITRANS P PRESSURE TRANSMITTERS FOR RELATIVE PRESSURE, FRONT-FLUSH MEMBRANE, DS III FF SERIES (FOUNDATION FIELDBUS)2по запросу (D)1

Заказные данные [PDF]

Загрузить PDF-файл.

Для просмотра информации в формате PDF необходимо установить Adobe Acrobat Reader.
Adobe Acrobat Reader

Аксессуары

Заказной №ОписаниеВес (кг)ДоставкаМин. зак. (шт)
7MF4997-1BBКРЫШКА БЕЗ ОКНА,С О-КОЛЬЦОМ ДЛЯ 7MF4*1*-... И 7MF4*32-...0.36 - 8 недель (C)1
7MF4997-1BCКРЫШКА С ПРОКЛАДКОЙ БЕЗ ОКНА ДЛЯ 7MF4*32- ИЗ НЕРЖ.СТАЛИ0.36 - 8 недель (C)1
7MF4997-1BEКРЫШКА С ОКНОМ,С О-КОЛЬЦОМ ДЛЯ 7MF4*1*-... И 7MF4*32-...0.33 - 5 недель (A)1
7MF4997-1BFКРЫШКА С ПРОКЛАДКОЙ И ОКНОМ ДЛЯ 7MF4*32- ИЗ НЕРЖ.СТАЛИ0.36 - 8 недель (C)1
7MF4997-1BRЦИФРОВОЙ ИНДИКАТОР ДЛЯ ДАТЧИКОВ СЕРИИ MS0.36 - 8 недель (C)1
7MF4997-1CAШИЛЬДИК ЧИСТЫЙ (1 НАБОР = 5 ШТУК)0.16 - 8 недель (C)1
7MF4997-1CBШИЛЬДИК ДЛЯ ОПЦИЙ Y01 ИЛИ Y02, Y15 И Y16 (1 ШТУКА)0.16 - 8 недель (C)1
7MF4997-1CDВИНТЫ ДЛЯ ШИЛЬДИКА 7MF4*1*-... И 7MF4*32-... (50 ШТУК)0.16 - 8 недель (C)1
7MF4997-1DAHART-МОДЕМ С ИНТЕРФЕСОМ RS232 ДЛЯ ПОДКЛЮЧЕНИЯ ИЗМЕРИТЕЛЬНЫХ ДАТЧИКОВ С HART-ПРОТОКОЛОМ К КОМПЬЮТЕРУ0.13 - 5 недель (A)1
7MF4997-1DB HART-МОДЕМ С USB-ИНТЕРФЕСОМ ДЛЯ ПОДКЛЮЧЕНИЯ ИЗМЕРИТЕЛЬНЫХ ДАТЧИКОВ С HART-ПРОТОКОЛОМ К КОМПЬЮТЕРУ 0.13 - 5 недель (A)1
7MF4997-1DKЭЛЕКТРОНИКА DS III0.14 - 6 недель (B)1
7MF4997-1DLМОДУЛЬ ЭЛЕКТРОНИКИ ДЛЯ ДАТЧИКА SITRANS P СЕРИИ DS III PA0.14 - 6 недель (B)1
7MF4997-1DMМОДУЛЬ ЭЛЕКТРОНИКИ ДЛЯ ДАТЧИКА SITRANS P СЕРИИ DS III FIELDBUS FOUNDATION0.14 - 6 недель (B)1
7MF4997-1DNПЛАТА СОЕДИНЕНИЙ DS III0.14 - 6 недель (B)1
7MF4997-1DPПЛАТА СОЕДИНЕНИЙ SITRANS P ERIE DS III PA0.14 - 6 недель (B)1
7MF4997-2HAWELDABLE SOCKET FOR PMC-CONNECTION, STANDARD 1 1/2" THREADED CONNECTION0.1434 - 6 недель (B)1
7MF4997-2HBWELDABLE SOCKET FOR PMC-CONNECTION, MINIBOLT- CONNECTION 1", SUPPLIED PACKING MADE OF VITON0.0634 - 6 недель (B)1
7MF4997-2HCSEALING RING FOR PMC CONNECTION STANDARD MADE OF PTFE (5 PCS)0.05по запросу (X)1
7MF4997-2HDSEALING RING FOR PMC CONNECTION MINIBOLD MADE OF VITON (5 PCS)0.05по запросу (X)1
A5E00047090РУКОВОДСТВО GERMAN FOR SITRANS P, DS III SERIES.0.1253 - 5 недель (A)1
A5E00047092РУКОВОДСТВО ENGLISH FOR SITRANS P, DS III SERIES0.1253 - 5 недель (A)1
A5E00047093РУКОВОДСТВО (LEPORELLO) FOR SITRANS P, DS III SERIES IN GERMAN AND ENGLISH0.0866 - 8 недель (C)1
A5E00053218РУКОВОДСТВО FRENCH FOR SITRANS P, DS III SERIES0.1253 - 5 недель (A)1
A5E00053219РУКОВОДСТВО ITALIAN FOR SITRANS P, DS III SERIES0.1253 - 5 недель (A)1
A5E00053220РУКОВОДСТВО SPANISH FOR SITRANS P, DS III SERIES0.1253 - 5 недель (A)1
A5E00053274КОРОТКИЕ ИНСТРУКЦИИ SITRANS P, DS III PA SERIES GERMAN/ENGLISH0.1186 - 8 недель (C)1
A5E00053275РУКОВОДСТВО GERMAN FOR SITRANS P, DS III PA SERIES.0.1253 - 5 недель (A)1
A5E00053276РУКОВОДСТВО ENGLISH FOR SITRANS P, DS III PA SERIES0.3153 - 5 недель (A)1
A5E00053277РУКОВОДСТВО FRENCH FOR SITRANS P, DS III PA SERIES0.1253 - 5 недель (A)1
A5E00053278РУКОВОДСТВО SPANISH SITRANS P, DS III PA SERIES0.1253 - 5 недель (A)1
A5E00053279РУКОВОДСТВО ITALIAN FOR SITRANS P, DS III PA SERIES0.1253 - 5 недель (A)1
A5E00090345CD -ДИСК С ДОКУМЕНТАЦИЕЙ ДЛЯ SITRANS P, DS III0.056 - 8 недель (C)1

Аксессуары [PDF]

Загрузить PDF-файл.

Для просмотра информации в формате PDF необходимо установить Adobe Acrobat Reader.
Adobe Acrobat Reader