0

Разделы

Эластомерный механизм - Серия BB

Эластомерный механизм - Серия BB

Самоцентрирующаяся эластомерная опора для весоизмерительных ячеек серии BB - это идеальных элемент распределения нагрузки для весов без соединений. Она служит для гашения вибрации и ударов.

Дизайн

Эластомерные опоры - это резинометаллические соединения, из неопрена и нержавеющей стали, обеспечивающие большой пружинящий ход и, таким образом, высокую степень затухания даже при малых размерах.

Если несущая конструкция отклоняется по горизонтали более, чем на 4 мм, необходимо ограничить боковой ход несущей конструкции (например, с помощью упоров).

В комбинации с плитой основания и интегрированной защитой гарантирует отсутствие повреждений весоизмерительной ячейки при статической перегрузке вертикальной силой до 5 кН.

Весоизмерительная ячейка и плита основания не входит в комплект поставки эластомерной опоры.

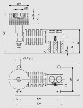
Чертеж

Эластомерная опора для весоизмерительных ячеек SIWAREX R серии BB 10 ... 200 кг, размеры

Заказные данные

Заказной №ОписаниеВес (кг)ДоставкаМин. зак. (шт)
7MH4133-2KE11SIWAREX R УЗЕЛ ВСТРОЙКИ ЭЛАСТОМЕРА ДЛЯ НАГРУЗОЧНЫХ ЯЧЕЕК СЕРИИ BB - РАСЧЕТНАЯ НАГРУЗКА 10 KG,20 KG,50 KG - СДЕЛАНО ИЗ ГАЛЬВАНИЗИРОВАННОЙ СТАЛИ0.195по запросу (D)1
7MH4133-3DE11SIWAREX R УЗЕЛ ВСТРОЙКИ ЭЛАСТОМЕРА ДЛЯ НАГРУЗОЧНЫХ ЯЧЕЕК СЕРИИ BB - РАСЧЕТНАЯ НАГРУЗКА 100 KG/200 KG - СДЕЛАНО ИЗ НЕРЖАВЕЮЩЕЙ СТАЛИ0.235по запросу (D)1