0

Разделы

Эластомерный механизм - Серия SB

Эластомерный механизм - Серия SB

Самоцентрирующаяся эластомерная опора для весоизмерительных ячеек серии SB - это идеальных элемент распределения нагрузки для весов без соединений. Она гасит вибрацию и удары и используется в резервуарных и платформенных весах.

Дизайн

Эластомерные опоры - это резинометаллические соединения, из неопрена и нержавеющей стали, обеспечивающие большой пружинящий ход и, таким образом, высокую степень затухания даже при малых размерах.

Если несущая конструкция отклоняется по горизонтали более, чем на 4 мм, необходимо ограничить боковой ход несущей конструкции (например, с помощью упоров).

В комбинации с плитой основания и интегрированной защитой от перегрузки она предохраняет весоизмерительные ячейки от повреждений при статической перегрузке с вертикальной силой до 40 кН (для ячеек с номинальной нагрузкой до 2 т) или 60 кН (для ячеек с номинальной нагрузкой до 5 т).

Весоизмерительная ячейка и плита основания не входит в комплект поставки эластомерной опоры.

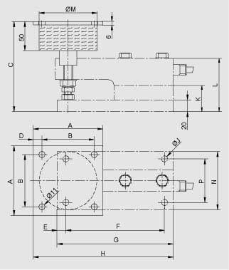
Чертеж

Номинальная нагрузка

A

B

C

D

E

F

G

H

ØJ

K

L

ØM

N

P

0,5 т, 1 т

100

75

156

12,5

15

170

200

231

11

45

92,6

85

100

75

2 т

120

90

156

15

15

170

200

241

11

45

92,6

100

100

75

5 т

120

90

184

15

15

205

235

271

14

40

109,9

100

120

90


Эластомерная опора для весоизмерительных ячеек SIWAREX R серии SB, размеры

Заказные данные

Заказной №ОписаниеВес (кг)ДоставкаМин. зак. (шт)
7MH4135-4AE11SIWAREX R УЗЕЛ ВСТРОЙКИ ЭЛАСТОМЕРА ДЛЯ СЕРИИ SB НАГРУЗОЧНЫХ ЯЧЕЕК ВКЛЮЧАЕТ: - ЭЛАСТОМЕР С ЗАЩИТНОЙ ПЛАСТИНОЙ - СИЛОВОЙ БЛОК - V ИЗОЛЯЦИЯ - СДЕЛАНО ИЗ НЕРЖАВЕЮЩЕЙ СТАЛИ1.623по запросу (D)1
7MH4135-4DE11SIWAREX R УЗЕЛ ВСТРОЙКИ ЭЛАСТОМЕРА ДЛЯ СЕРИИ SB НАГРУЗОЧНЫХ ЯЧЕЕК ВКЛЮЧАЕТ: - ЭЛАСТОМЕР С ЗАЩИТНОЙ ПЛАСТИНОЙ - V ИЗОЛЯЦИЯ - СДЕЛАНО ИЗ НЕРЖАВЕЮЩЕЙ СТАЛИ2.304по запросу (D)1
7MH4135-4KE11SIWAREX R УЗЕЛ ВСТРОЙКИ ЭЛАСТОМЕРА ДЛЯ СЕРИИ SB НАГРУЗОЧНЫХ ЯЧЕЕК ВКЛЮЧАЕТ: - ЭЛАСТОМЕР С ЗАЩИТНОЙ ПЛАСТИНОЙ - V ИЗОЛЯЦИЯ - СДЕЛАНО ИЗ НЕРЖАВЕЮЩЕЙ СТАЛИ2.508по запросу (D)1