Самоцентрирующаяся эластомерная опора для весоизмерительных ячеек серии SB - это идеальных элемент распределения нагрузки для весов без соединений. Она гасит вибрацию и удары и используется в резервуарных и платформенных весах.
Эластомерные опоры - это резинометаллические соединения, из неопрена и нержавеющей стали, обеспечивающие большой пружинящий ход и, таким образом, высокую степень затухания даже при малых размерах.
Если несущая конструкция отклоняется по горизонтали более, чем на 4 мм, необходимо ограничить боковой ход несущей конструкции (например, с помощью упоров).
В комбинации с плитой основания и интегрированной защитой от перегрузки она предохраняет весоизмерительные ячейки от повреждений при статической перегрузке с вертикальной силой до 40 кН (для ячеек с номинальной нагрузкой до 2 т) или 60 кН (для ячеек с номинальной нагрузкой до 5 т).
Весоизмерительная ячейка и плита основания не входит в комплект поставки эластомерной опоры.
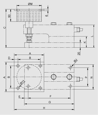
| Номинальная нагрузка | A | B | C | D | E | F | G | H | ØJ | K | L | ØM | N | P |
|---|---|---|---|---|---|---|---|---|---|---|---|---|---|---|
| 0,5 т, 1 т | 100 | 75 | 156 | 12,5 | 15 | 170 | 200 | 231 | 11 | 45 | 92,6 | 85 | 100 | 75 |
| 2 т | 120 | 90 | 156 | 15 | 15 | 170 | 200 | 241 | 11 | 45 | 92,6 | 100 | 100 | 75 |
| 5 т | 120 | 90 | 184 | 15 | 15 | 205 | 235 | 271 | 14 | 40 | 109,9 | 100 | 120 | 90 |
Эластомерная опора для весоизмерительных ячеек SIWAREX R серии SB, размеры
Цена на сайте указана розничная в ЕВРО без учета НДС.Для уточнения цены и размера предоставляемой скидки - звоните или присылайте заявки
| Заказной номер | PG | Описание продукта | Цена |
| 7MH4135-4AE11 | 817 | SIWAREX R УЗЕЛ ВСТРОЙКИ ЭЛАСТОМЕРА ДЛЯ СЕРИИ SB НАГРУЗОЧНЫХ ЯЧЕЕК ВКЛЮЧАЕТ: - ЭЛАСТОМЕР С ЗАЩИТНОЙ ПЛАСТИНОЙ - СИЛОВОЙ БЛОК - V ИЗОЛЯЦИЯ - СДЕЛАНО ИЗ НЕРЖАВЕЮЩЕЙ СТАЛИ | 178.08 |
| 7MH4135-4DE11 | 817 | SIWAREX R УЗЕЛ ВСТРОЙКИ ЭЛАСТОМЕРА ДЛЯ СЕРИИ SB НАГРУЗОЧНЫХ ЯЧЕЕК ВКЛЮЧАЕТ: - ЭЛАСТОМЕР С ЗАЩИТНОЙ ПЛАСТИНОЙ - V ИЗОЛЯЦИЯ - СДЕЛАНО ИЗ НЕРЖАВЕЮЩЕЙ СТАЛИ | 198.22 |
| 7MH4135-4KE11 | 817 | SIWAREX R УЗЕЛ ВСТРОЙКИ ЭЛАСТОМЕРА ДЛЯ СЕРИИ SB НАГРУЗОЧНЫХ ЯЧЕЕК ВКЛЮЧАЕТ: - ЭЛАСТОМЕР С ЗАЩИТНОЙ ПЛАСТИНОЙ - V ИЗОЛЯЦИЯ - СДЕЛАНО ИЗ НЕРЖАВЕЮЩЕЙ СТАЛИ | 223.66 |