
Электропневматический позиционер SIPART PS2 Электропневматический позиционер SIPART PS2 EEx d во взрывонепроницаемом корпусе SIPART PS2 в VA-корпусе Электропневматические позиционеры SIPART PS2 применяются для регулировки позиции вентилей и клапанов на пневматических поступательных и поворотных приводах. Электропневматический позиционер устанавливает на приводе позицию вентиля, соответствующую заданной величине. Через дополнительные функциональные входы можно запустить блокировку или позицию безопасности клапана. Для этого в основном приборе имеется стандартный двоичный вход. |
ОсобенностиПозиционеры SIPART PS2 отличаются от обычных приборов рядом решающих преимуществ, а именно: - простой монтаж и автоматический ввод в эксплуатацию (автоматическая компенсация нулевой точки и интервала)
- простое управление
- управление на месте (ручной режим) и конфигурирование прибора через три клавиши управления и удобный, двухстрочный ЖК-дисплей
- программирование через SIMATIC PDM; очень высокое качество регулирования благодаря адаптации Online
- пренебрежительно малый расход воздуха в стационарном режиме
- функция "герметизации" (обеспечивает макс. перестановочное усилие на седле вентиля)
- множество функций может быть активировано простым конфигурированием ( например, характеристики и ограничения)
- обширные функции диагностики для вентиля или привода
- только один вариант прибора для поступательных и поворотных приводов
- не чувствительны к вибрациям благодаря малой подвижной массе
- по выбору внешний бесконтактный датчик положения для сложных внешних условий
|
Область примененияПозиционер SIPART PS2 используется, например, в следующих отраслях: - электростанции
- бумага и стекло
- пищевая и фармацевтическая промышленность
- оффшорные установки
Позиционеры SIPART PS2 поставляются: - для приводов простого действия: в пластиковом корпусе, корпусе из нерж. стали или алюминия
- для приводов двойного действия: в пластиковом корпусе и корпусе из нерж. стали
- для взрывобезопасных приложений
- для взрывоопасных приложений в версиях
- как искробезопасный прибор (EEx ia/ib) или
- во взрывонепроницаемом корпусе (EEx d) или
- с типом взрывозащиты Ex n (non sparking)
и в трёх вариантах: - с коммуникацией 0/4 ... 20 мА - техника управления через сигнал HART (опция)
- с коммуникационным интерфейсом PROFIBUS PA (EEx ia)
- с коммуникационным интерфейсом Foundation Fieldbus (FF).
Взрывозащитные варианты Прибор в базовой версии поставляется как искробезопасное оборудование с классом защиты EEx ia/ib, так и как не искробезопасное оборудование для зоны 2 (искробезопасные конструкции см. "Технические параметры"). Во взрывонепроницаемом варианте корпуса SIPART PS2 EEx d разрешена не искробезопасная работа в зоне 1 (см. "Технические параметры"). В этом случан могут использоваться и все опционные модули (кроме внешних систем регистрации установочного движения и NCS). Корпус из нерж. стали (VA) для сложных внешних условий Для использования в особо агрессивном окружении (например, оффшорный режим и хлорные установки) SIPART PS2 поставляется в корпусе из стали VA. Функциональность приборов идентична базовым приборам. |
ДизайнПозиционер SIPART PS2 является цифровым полевым прибором с микроконтроллером с высокой степенью интеграции. Он состоит из следующих компонентов: - корпус с крышкой
- печатная плата с соответствующей электроникой и коммуникацией через HART или с электроникой для коммуникации согласно
- спецификации PROFIBUS PA, IEC 61158-2; питание из шины, или
- спецификации Foundation Fieldbus (FF), IEC 61158-2, питание из шины
- система сбора информации о рабочем ходе исполнительного органа
- контактная площадка с винтовыми клеммами
- пневматический вентильный блок с предварительным пьезоуправлением вентилями.
Вентильный блок находится в корпусе, пневматические соединения для приточного воздуха и давления исполнительного импульса на правой стороне корпуса. По выбору там может быть подсоединен блок индикаторов давления и/или магнитный аварийный клапан. На приборе имеются места для установки дополнительных плоских модулей, с помощью которых могут осуществляться следующие дополнительные функции: Модуль Iy: - позиционное квитирование в качестве двухпроводного сигнала 4 to 20 mA.
Модуль тревоги (3 выхода, 1 вход): - сообщение двух предельных величин рабочего хода исполнительного органа или установочного угла через двоичные сигналы. Обе предельные величины могут устанавливаться независимо друг от друга в качестве максимальной или минимальной величины.
- сообщение о помехе, если в автоматическом режиме не достигается заданная позиция исполнительного органа и возникает помеха в работе прибора
- второй двоичный вход для сигналов сообщения или для включения реакций безопасности или для блокировки/функции сообщения позиции безопасности.
У ly -и у модуля тревоги, а также у SIA-модуля все сигналы сообщения гальванически отделены друг от друга и от основного прибора. Выходы оборудованы системой автоматический сигнализации ошибок. Сигнализация предельного значения через сигнализаторы конечных положений (модуль SIA) Посредством легко монтируемого модуля возможна дополнительная сигнализация двух предельных значений как сигнала NAMUR (DIN 19 234) с помощью сигнализаторов конечного положения. На модуле дополнительно установлен выход сигнализации неисправностей (см. модуль тревоги). Корпус из нерж. стали (VA) для сложных внешних условий Для использования в особо агрессивном окружении (например, оффшорный режим и хлорные установки) SIPART PS2 поставляется в корпусе из стали VA. Функциональность приборов идентична базовым приборам. Раздельная установка системы сбора информации о рабочем ходе исполнительного органа и блока регулятора С помощью SIPART PS2 со всеми вариантами корпуса может быть реализована раздельная установка системы сбора информации о рабочем ходе исполнительного органа и блока регулировки. При этом регистрация угла подачи или поворота осуществляется непосредственно на приводе. Блок регулятора в этом случае может быть установлен на некотором расстоянии, например, на монтажной трубе и т.п. и соединяется с системой сбора информации о рабочем ходе исполнительного органа через электрическое кабельное соединение, а с приводом через одну или две пневматические линии. Такая конечная установка часто имеет смысл в том случае, когда внешние условия на арматуре превышают предельные значения для позиционера. - сенсор NCS
- внешняя система сбора информации о ходе исполнительного органа C73451-A430-D87
- обычный потенциометр (сопротивление 10 kΩ)
Измпользование линейных потенциометров рекомендуется у очень маленьких поступательных приводов с небольшим ходом вентиля, так как с одной стороны линейные потенциометры занимает очень мало места, а передаточная характеристика при малом ходе является оптимальной. Контактный и бесконтактный позиционный сенсор (NCS) Вместо потенциометра блок регистрации установочных движений может также состоять из бесконтактного позиционного сенсора. При этом становяться ненужными все соединительные элементы, как то, кулачковая муфта и поводок у поворотных приводов и рычаг и съемный бугель у поступательных приводов. Результатом этого является: - еще большая устойчивость к вибрации, тряске и толчкам
- нет износа позиционного датчика
- легкая установка на самые маленькие приводы
- без гистерезиса при наименьших ходах.
Сенсор не нуждается в дополнительной вспомогательной энергии, что означает, SIPART PS2 может использоваться при двухпроводном соединении. NCS (Non Contacting Position Sensor) состоит из жестко фиксируемого залитого корпуса сенсора и магнита, который у поступательных приводов смонтирован на шпинделе, а у поворотных приводов на конце вала. Для обеспечения ЭМ-помехоустойчивости согласно EN 61326/A1 и NAMUR NE21 при использовании внешних датчиков перемещения, необходимо установить в позиционер (блок регулятора) специальный ЭМ-фильтровальный модуль (см. заказные параметры: ЭМ-фильтровальный модуль). Separate connection of actuator travel detection system and controller unit |
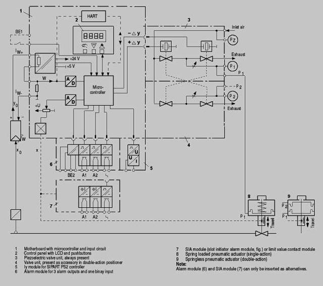
ФункцииЭлектропневматический позиционер SIPART PS2 кардинально отличается от обычно работающих приборов. Принцип работы Сравнение заданной и действительной величин позиции привода осуществляется электронно в микроконтроллере. При фиксации микроконтроллером отклонения регулируемой величины он управляет пьезовентилями по методу 5-ти позиционного выключателя, через которые происходит дозировка воздуха в камеры пневматического привода. В соответствии с величиной и направлением рассогласования (отклонение заданное значение w - управляющее воздействие x) микроконтроллер подает на соответствующий пьезовентиль электрическую управляющую команду. Пьезовентиль преобразует управляющую команду в пневматическое приращение управляющего воздействия. При этом позиционер в зоне большого рассогласования (зона быстрого хода) подает непрерывный сигнал; в пределах зоны среднего рассогласования (зона меделенного хода) он подает последовательности импульсов, а в пределах зоны очень маленького рассогласования (адаптивная или настраиваемая мертвая зона) он не подает перестановочных импульсов. Позиционер SIPART PS2 с помощью навесного блока для поступательных и поворотных приводов устанавливается на соответствующий пневматический привод. Поступательные или поворотные движения исполнительного привода фиксируются навесным блоком и через вал и беззазорную зубчатую передачу передается на высококачественный потенциометр. Угловая погрешность ползунка при установке на поступательные приводы автоматически исправляется. При подсоединении в двухпроводную схему SIPART PS2 получает свою вспомогательную энергию из 4 до 20мА сигнала заданной величины. Также и в режиме с PROFIBUS (SIPART PS2 PA) электрическая подача вспомогательной энергии осуществляется через двухпроводный шинный сигнал. Это же относится и к варианту с Foundation Fieldbus. Пневматический вентильный блок с предварительным пьезоуправлением вентилями Пьезовентиль может подавать очень короткие перестановочные импульсы. Благодаря этому достигается высокая точность перестановки. Элементом предварительного управления является пьзопреобразователь, он включает главный пневматический блок управления. Вентильный блок характеризуется очень длительным сроком службы. Управление на месте Управление на месте осуществляется через встроенный ЖКД и три клавиши управления. Нажатием кнопки можно переключаться между автоматическим, ручным и режимом конфигурирования. В ручном режиме возможна перестановка привода во всем диапазоне. Управление и наблюдение с помощью коммуникационной программы SIMATIC PDM Коммуникационное программное обеспечение SIMATIC PDM обеспечивает возможность удобного дистанционного управления и наблюдения через РС или ноутбук. Кроме этого с помощью этой программы можно конфигурировать позиционер. На основепроцессуальных и сравнительных данных вычисляются параметры, которые могут давать важные указания для технического обслуживания и диагностики ошибок всей арматуры. Для коммуникации как через интерфейс HART, так и для PROFIBUS-PA-интерфейса поставляется программа SIMATIC PDM. При работе SIPART PS2 через интерфейс HART подключение осуществляется через вставляемый в интерфейс PC-COM модем HART напрямую через 2-х проводный кабель на позиционер SIPART PS2. Необходимые для коммуникации по HART-протоколу сигналы накладываются на сигнал тока по частотно-коммутационному методу (Frequence Shift Keying, FSK). Автоматический ввод в эксплуатацию Благодаря простому меню конфигурирования возможно быстрое согласование SIPART PS2 с арматурой и компенсация через автоматическую функцию ввода в эксплуатацию. При инициализации микроконтроллер вычисляет нулевую точку, конечную величину, направление действия и скорость перестановки привода. Исходя из этого он определяет минимальную длительность импульса и мертвую зону и тем самым оптимизирует регулирование. Малый расход воздуха Отличительным свойством SIPART PS2 является очень маленький собственный расход воздуха. Свойственные для обычных преобразователей потери воздуха означают большие затраты. Благодаря современной пьезотехнологии SIPART PS2 расходует воздух только при работе, благодаря чему его амортизация значительно сокращается. Обширные диагностические функции SIPART PS2 (6DR5...) имеет различные функции контроля, благодяря чему возможна регистрация и сигнализация изменений на приводе и вентиле в том случае, когда они выходят за устанавливаемую предельную величину. Эта информация может содержать важные указания по диагностике привода и вентиля. К получаемым и контролируемым параметрам измерения, предельные величины которых могут частично устанавливаться, среди прочего относятся: - интеграл работы
- количество смены направлений
- счетчик тревог
- адаптивная мертвая зона
- конечная упорная позиция вентиля (например, износ седла вентиля)
- часы эксплуатации (также и по температурным и установочным диапазонам), а также мин/макс. температура
- циклы коммутации пьезовентилей
- время установки вентиля
- негерметичности привода
Конфигурирование Для позиционера SIPART PS2 в режиме конфигурирования при необходимости, например, могут быть структурированы следующие установки: - диапазон входного тока 0 до 20 мА или 4 до 20 мА
- растущая или падающая характеристика на входе заданного значения
- ограничение скорости перестановки (рампа заданного значения)
- режим Split-range; возможность установки начального и конечного значения
- порог срабатывания (мертвая зона); адаптивная или фиксированная
- направление действия; растущее или падающее выходное давление при растущем заданном значении
- пределы (начальное и конечное значение) диапазона регулирования
- предельные значения (тревоги) позиции исполнительного элемента; мин. и макс. значение
- автоматическая герметизация (с устанавливаемым порогом срабатывания)
- согласование хода в соответствии с характеристикой вентиля
- функция двоичных входов
- функция выхода сигнализации ошибок и т.п.
Конфигурирование вариантов SIPART PS2 является идентичным в базовых пунктах. Электропневматический позиционер SIPART PS2, схема работы |
Технические данные | SIPART PS2 (все варианты) | | | Общие параметры | | | Диапазон хода (поступательный привод) | 3 ... 130 мм (0.12 ... 5.12 дюймов) (угол поворота вала квитирования 16 до 90°) | | Угол поворота (поворотный привод) | 30 ... 100° | | Монтаж | | | | через навесной блок 6DR4004-8V и доп. рычаг 6DR4004-8L на привод по IEC 534-6 (NAMUR) с ребром, колонами или ровной поверхностью | | | через навесной блок 6DR4004-8D на привод с крепежным уровнем согласно VDI/VDE 3845 и DIN 3337: необходимую консоль предусмотреть со стороны привода, вал с пазом и внутренней резьбой M6 | | Блок регулятора | | | | адаптивный | | | | | | адаптивная или фиксированно устанавливаемая | | | адаптивная или фиксированно устанавливаемая | | преобразователь A/D | | | | 10 мсек | | | ≤ 0.05 % | | | ≤ 0.2 % | - эффект влияния температуры
| ≤ 0.1 %/10 K (≤ 0.1 %/18 °F) | | Время цикла | | | | 20 мсек | | | 60 мсек | | | 60 мсек (мин. loop time) | | Двоичный вход BE1 (клеммы 9/10; гальванически соединен с основным прибором) | используется только для безпотенциального контакта; макс. нагрузка контакта < 5 µA при 3 V | | Класс защиты | IP65 по EN 60 529/NEMA 4x | | Позиция монтажа | любая, во влажном окружении пневматические соединения и вентиляционное отверстие не вверх | | Символ CE | Соответствие ЭМС-руководству 89/336 EWG в согласовании со следующими нормами | | Требования ЭМС | EN 61326/A1 прил A.1 и NAMUR NE21 Август 98 | | Материал | | | | | | | усиленный стекловолокном Макролон | | | GK AISi12 | - 6DR5..2-... (нерж. сталь)
| аустенитная нерж.сталь 1.4581 | - 6DR5..5-... (металл, герметичный)
| GK AISi12 | | | алюминий AIMgSi, с покрытием | | Виброустойчивость | | - гармонические колебания (синус) согласно DIN EN 60062-2- 6/05.96
| 3.5 мм (0.14 дюймов), 2 ... 27 Гц 3 цикла/ось | | 98.1 м/сек² (321.84 фт/s²), 27 ... 300 Гц, 3 цикла/ось | - длительный толчок (полусинус) согласно DIN EN 60068-2-29/03.95
| 150 м/сек2, 6 мсек, 1000 толчков/ось | - шумы (цифровое регулирование) согласно DIN EN 60068-2-64/08.95
| 10 ... 200 Гц; 1 (м/сек²)²/Гц (3.28 (ft/сек²)²/Гц) | | 200 ... 500 Гц; 0.3 (м/сек²)²/Гц (0.98 (ft/сек²)²/Гц) | | 4 часа/ось | - рекомендуемый диапазон длительного использования всей арматуры
| ≤ 30 м/сек² (≤ 98.4 фт/сек²) без усиления при резонансе | | Вес, основной прибор | | | | около 0.9 кг (0.90 кг) | | | около 1.3 кг (1.30 кг) | - металл. корпус, нерж. сталь
| около 3.9 кг (3.90 кг) | - металл. корпус версия EEx d
| около 5.2 кг (11.46 lb) | | Размеры | см. габаритный чертеж | | Климатический класс по | по IEC 721 | | | 1K5, но -40 ... +80 °C (1K5, но -40 ... +176 °F) | | | 2K4, но -40 ... +80 °C (2K4, но -40 ... +176 °F) | | | 4K3, но -30 ... +80 °C (4K3, но -22 ... +176 °F) | | Cертификаты и допуски | | | Подразделение согласно Руководству по приборам давления | Для газа флюидной группы 1; отвечает требованиям по статье 3, абзац 3 (хорошая инженерная практика SEP) | | Пневматические параметры | | | Вспомогательная энергия (приточный воздух) | | | | 1,4 ... 7 бар: достаточно больше макс. давления привода (установочного давления) | | Качество воздуха по ISO 8573-1 | | - размер и плотность частиц твердых веществ
| класс 2 | | | класс 2 (мин. 20 K (36 °F) ниже внешней температуры) | | | класс 2 | | Недросселированный проток | | | | | | | 4.1 Nm³/час (18.1 USgpm) | | | 7.1 Nm³/час (31.3 USgpm) | | | 9.8 Nm³/час (43.1 USgpm) | | | | | | 8.2 Nm³/час (36.1 USgpm) | | | 13.7 Nm³/час (60.3 USgpm) | | | 19.2 Nm³/час (84.5 USgpm) | | Негерметичность вентилей | < 6·10-4 Nm³/час (0.0026 USgpm) | | Соотношение дросселя | Adjustable up to ∞ : 1 | | Расход вспомогательной энергии в отрегулированном состоянии | < 3.6·10-2 Nm³/час (0.158 USgpm) | | Конструкции прибора | | | | простого и двойного действия | | | простого действия | - в взрывонепроницаемом корпусе
| простого и двойного действия | | | простого и двойного действия | 1) При вводе в эксплуатацию при ≤ 0 °C (≤ 32 °F) обратить внимание на достаточно длительную продувку вентилей сухим веществом. 2) От -10 °C ограниченная повторяемость индикации ЖКИ. При использовании с модулем Iy допускается только T4. 3) При EEx d-исполнении (6DR5..5-...) значения уменьшены на 20 %. | SIPART PS2 | Основной прибор без Ex-защиты | Основной прибор с Ex-защитой EEx d (взрывонепроницаемый корпус) | Основной прибор с Ex-защитой EEx ia/ib | Основной прибор с Ex-защитой EEx n | | Взрывозащита по EN 50014, EN 50020 и EN 50021 | без | EEx d II 2 G EEx d II C T6 | EEx ia/ib II 2 G EEx ia/ib II C T6 | EEx n II 3 G EEx nA L [L] II C T6 | | Mесто монтажа | | Зона 1 | Зона 1 | Зона 2 | | Доп. эксплуатационная внешняя температура (для основного прибора с Ex-защитой EEx ia/ib и EEx n действует: при ≤ -10 °C (+14 °F)ограниченная повторяемость ЖК- индикации. При использовании с модулем Iy допускается только T4.) | -30 ... +80 °C (‑22 ... +176 °F) | T4: -30 ... +80 °C (-22 ... +176 °F) | | T5: -30 ... +65 °C (-22 ... +149 °F) | | T6: -30 ... +50 °C (-22 ... +122 °F) | | Электрические параметы | | Вход | | 2-х проводное соединение (клеммы 6/8) | | Диапазон номинального сигнала | 4 ... 20 мA | 4 ... 20 мA | 4 ... 20 мA | 4 ... 20 мA | | Ток для поддержания вспомогательной энергии | ≥ 3.6 мA | ≥ 3.6 мA | ≥ 3.6 мA | ≥ 3.6 мA | | Необходимое напряжение нагрузки UB (соответствует Ω при 20 мA) | | | | | | | | | ≤ 6.36 V (соответствует 318 Ω) | ≤ 6.36 V (соответствует 318 Ω) | ≤ 7.8 V (соответствует 390 Ω) | ≤ 7.8 V (соответствует 390 Ω) | | | ≤ 6.48 V (соответствует 324 Ω) | ≤ 6.48 V (соответствует 324 Ω) | ≤ 8.3 V (соответствует415 Ω) | ≤ 8.3 V (соответствует415 Ω) | | | | | ≤ 7.9 V (соответствует 395 Ω) | | | | | | ≤ 8.4 V (coответствует420 Ω) | | | | | | | | ≤ 6.6 V (соответствует 330 Ω) | ≤ 6.6 V (coответствует 330 Ω) | | | | | ≤ 6.72 V (coответствует 336 Ω) | ≤ 6.72 V (соответствует 336 Ω) | | | | | | | | ≤ 8.4 V (coответствует 420 Ω) | ≤ 8.4 V (coответствует 420 Ω) | ≤ 8.4 V (соответствует420 Ω) | | | | ≤ 8.8 V (coответствует 440 Ω) | ≤ 8.8 V (соответствует 440 Ω) | ≤ 8.8 V (соответствует 440 Ω) | - статическая граница разрушения
| ± 40 мA | | | | Внутренняя ёмкость Ci | | | | | ≤ 22 nF | | | | | | ≤ 7 nF | | | Внутренняя ёмкость Li | | | | | ≤ 0.12 mH | | | | | | ≤ 0.24 mH | | | для подключения к контурам тока тока с | | | искробезопасный Uo ≤ 30 V DC Ik ≤ 100 мA P ≤ 1 W | Ui ≤ 30 V DC Ii ≤ 100 мA | | 3-х/4-х проводное соединение (клеммы 2/4 и 6/8) (6DR52.. и 6DR53..) | - вспомогательная энергия UH
| 18 ... 35 V DC | 18 ... 35 V DC | 18 ... 30 V DC | 18 ... 30 V DC | | | (UH - 7.5 V)/2.4 kW [мA] | (UH - 7.5 V)/2.4 kW [mA] | (UH - 7.5 V)/2.4 kW [мA] | (UH - 7.5 V)/2.4 kW [мA] | | | | | ≤ 22 nF | | - внутренняя индуктивность Li
| | | ≤ 0.12 mH | | - для подключения к контурам тока с
| | | искробезопасный Uo ≤ 30 V DC Ik ≤ 100 мA P ≤ 1 W | Ui ≤ 30 V DC Ii ≤ 100 мA | | Вход тока IW | | Номиальный диапазон сигнала | 4 ... 20 мA | 4 ... 20 мA | 4 ... 20 мA | 4 ... 20 мA | | Напряжение нагрузки при 20 мA | ≤ 0.2 V (cоответствует 10 Ω) | ≤ 0.2 V (coответствует 10 Ω) | ≤ 1 V (coответствует 50 Ω) | ≤ 1 V (coответствует 50 Ω) | | Внутренняя ёмкость Ci | | | ≤ 22 nF | | | Внутренняя индуктивность (Li) | | | ≤ 0.12 mH | | | Для подключения к контурам тока с | | | искробезопасный Uo ≤ 30 V DC Ik ≤ 100 мA P ≤ 1 W | Ui ≤ 30 V DC Ii ≤ 100 мA | | Гальваническое разделение | между UH и IW | между UH и IW | между UH и IW (2 искробезопасных контура тока ) | между UH и IW | | Контрольное напряжение | 840 V DC (1 сек) или 700 V DC (50 Гц, 1 сек) | | Cоединения | | | Винтовые клемы 2.5 AWG28-12 Кабельный ввод M20 или ½“ NPT | Винтовые клеммы 2.5 AWG28-12 EEx d-сертификат Кабельный ввод M20x1,5,½“ NPT или M25x1.5 | Винтовые клеммы 2.5 AWG28-12 Кабельный ввод M20 или ½“ NPT | Винтовые клеммы 2.5 AWG28-12 Кабельный ввод M20 или ½“ NPT | | | Внутренняя резьба G1/4 DIN 45141 or ¼“ 18 NPT | | Внешний установочный сенсор (потенциометр или NCS; опция) (потенциометр или NCS; опция) | | | | | < 5 V | < 5 V | | | | | < 75 мA | < 75 мA | | | | | <160 мA | <160 мA | | | | | <120 мW | <120 мW | | Макс.допустимая внешняя емкость Co | | | < 1 μF | < 1 μF | | Mакс. допустимая внешняя индуктивность Lo | | | < 1 mH | < 1 mH | | SIPART PS2 PA | Основной прибор без Ex-защиты | Основной прибор с Ex-защитой EEx d (взрывонепроницаемый корпус) | Основной прибор с Ex-защитой EEx ia/ib | Основной прибор с Ex-защитой EEx n | | Взрывозащита по EN 50.014, EN 50.020 и EN 50.021 | без | EEx d II 2 G EEx d II C T4/T5/T6 | EEx ia/ib II 2 G EEx ia/ib II C T6 | EEx n II 3 G EEx nA L [L] II C T6 | | Место монтажа | | Зона 1 или зона 2 | Зона 1 | Зона 2 | | Доп. эксплуатационная внешняя температура (для основного прибора с Ex-защитой действует: при ≤ -10 °C (+14 °F)ограниченная повторяемость ЖК-индикации. При использовании с модулем Iy допускается только T4) | -30 ... +80 °C (-22 ... +176 °F) | T4: -30 ... +80 °C (-22 ... +176 °F) | | T5: -30 ... +65 °C (-22 ... +149 °F) | | T6: -30 ... +50 °C (-22 ... +122 °F) | | Электрические параметры | | Вход | | Питание (клеммы 6/7) | питание из шины | | Напряжение шины | 9 ... 32 V | 9 ... 32 V | 9 ... 24 V | 9 ... 32 V | - шинное соединение с прибором питания FISCO, ia или ib группа IIC или IIB
| | | | | - макс. напряжение питания Uo
| | | 17.5 V | | - макс. ток короткого замыкания Io
| | | 380 мA | | | | | | 5.32 W | | - шинное соединение с барьером, ia или ib группа IIC или IIB
| | | | | - макс. напряжение питания (Uo)
| | | 24 V | | - макс. ток короткого замыкания (Io)
| | | 250 мA | | | | | | 1.2 W | | | Потребление тока | 10.5 мA ± 10% | | Ток ошибки | 0 мA | | Эффективная внутренняя индуктивность | | | Li ≤ 8 mH | | | Эффективная внутренняя емкость | | | не учитывается | | | Coединение | | | освидетельствованный искробезопасный контур тока | | | Безопасное отключение активируется кодировочной перемычкой (клеммы 81/82; гальванически отделены от основного прибора) | | | | | | | > 20 kΩ | > 20 kΩ | > 20 kΩ | > 20 kΩ | - состояние сигнала „0“ (отключение активно)
| 0 ... 4.5 V или не подключено | 0 ... 4.5 V или не подключено | 0 ... 4.5 V или не подключено | 0 ... 4.5 V или не подключено | - состояние сигнала "1“ (отключение не активно)
| 13 ... 30 V | 13 ... 30 V | 13 ... 30 V | 13 ... 30 V | - эффективная внутренняя ёмкость Ci
| | | не учитывается | | - эффективная внутренняя индуктивность Li
| | | не учитывается | | - для подключения к источнику питания с
| | | искробезопасный | | - Mакс. напряжение питания Ui
| | | < 30 V | < 30 V | - Maкс. ток короткого замыкания Ii
| | | <100 мA | <100 мA | | | | | < 1 W | | | Гальваническое разделение | между основным прибором и входом для безопасного отключения, а также между выходами опционных модулей | между основным прибором и входом для безопасного отключения, а также между выходами опционных модулей | основной прибор и вход для безопасного отключения, а аткже выходы опционных модулей являются отдельными искробезопасными контурами тока | между основным прибором и входом для безопасного отключения, а также между выходами опционных модулей | | Контрольное напряжение | 840 V DC, 1 s | 840 V DC, 1 s | 840 V DC, 1 s | 840 V DC, 1 s | | Коммуникация | Layer 1 + 2 по PROFIBUS-PA, техника передачи по IEC 1158-2; Slave-функция Layer 7 (слой протокола) по PROFIBUS-DP, норма EN 50170 с расширенной функциональностью PROFIBUS (все данные ациклически, управляющее воздействие, квитирования и состояние доп. циклически) | | C2 соединения | Поддерживается 4 соединения с Master Klasse 2, автоматический разрыв соединения через 60 сек после прерывания коммуникации; | | Профиль устройств | PROFIBUS PA профиль B, версия 3.0; свыше 150 объектов | | Время ответа на телеграмму мастера | Тип 10 мсек | | Адрес прибора | 126 (при поставке) | | ПО параметрирования | SIMATIC PDM, под Windows 95 или Windows NT; поддерживает все приборные объекты. ПО не входит в объем поставки | | Соединения | | | Винтовые клеммы 2.5 AWG28-12 Кабельный ввод M20 или 1/2“ NPT | Винтовые клеммы 2.5 AWG28-12 EEx d сертификат Кабельный ввод M20x1.5, 1/2“ NPT или M25x1.5 | Винтовые клеммы 2.5 AWG28-12 Кабельный ввод M20 или 1/2“ NPT | Винтовые клеммы 2.5 AWG28-12 Кабельный ввод M20 или 1/2“ NPT | | | Внутреняя резьба G¼ DIN 45141 (¼“ -18 NPT) | Внутренняя резьба G¼ DIN 45141 (¼“ -18 NPT) | Внутренняя резьба G¼ DIN 45141 (¼“ -18 NPT) | Внутренняя резьба G¼ DIN 45141 (¼“ -18 NPT) | | Внешний установочный сенсор (потенциометр или NCS; опция) | | | | | | < 5 V | < 5 V | | | | | <75 мA | <75 мA | | | | | <160 мA | <160 мA | | | | | <120 mW | <120 mW | - Макс.допустимая внешняя емкость Co
| | | < 1 μF | < 1 μF | - Макс.допустимая внешняя индуктивность Lo
| | | < 1 mH | < 1 mH | | SIPART PS2 FF | Основной прибор без Ex-защиты | Основной прибор с Ex-защитой EEx d, взрывонепроницаемый корпус (готовится к выпуску) | Основной прибор с Ex-защитой EEx ia/ib | | Взрывозащита по EN 50014, EN 50020 и EN 50021 | без | EEx d II 2 G EEx d II C T4/T5/T6 | EEx ia/ib II 2 G EEx ia/ib II C T6 | | Место монтажа | | Зона 1 или зона 2 | Зона 1 | | Доп. эксплуатационная внешняя температура (для основного прибора с Ex- защитой действует: при ≤ -10 °C (+14 °F) ограниченная повторяемость ЖК-индикации. При использовании с модулем Iy допускается только T4) | -30 ... +80 °C (‑22 ... +176 °F) | T4: -30 ... +80 °C (-22 ... +176 °F) | | T5: -30 ... +65 °C (-22 ... +149 °F) | | T6: -30 ... +50 °C (-22 ... +122 °F) | | Электрические параметры | | | | | Вход | | | | | Питание (клеммы 6/7) | Питание из шины | Питание из шины | Питание из шины | | Напряжение шины | 9 ... 32 V | 9 ... 32 V | 9 ... 24 V | - шинное соединение с прибором питания FISCO, ia или ib группа IIC или IIB
| | | | - Mакс. напряжение питания Uo
| | | 17.5 V | - Maкс. ток короткого замыкания Io
| | | 380 мA | | | | | 5.32 W | - шинное соединение с барьером, ia или ib группа IIC или IIB
| | | | - Maкс. напряжение питания Uo
| | | 24 V | - Maкс. ток короткого замыкания Io
| | | 250 мA | | | | | 1.2 W | | Электрические параметры | | | | | Потребление тока | 10.5 мA ± 10% | | | | Ток ошибки | 0 мA | | | | Эффективная внутренняя индуктивность | | | Li ≤ 8 mH | | Эффективная внутренняя ёмкость | | | не учитывается | | Coединение | | | освидетельствованный искробезопасный контур тока | | Безопасное отключение активируется кодировочной перемычкой (клеммы 81/82; гальванически отделены от основного прибора) | | | | | | > 20 kΩ | > 20 kΩ | > 20 kΩ | - состояние сигнала "0“ (отключение активно)
| 0 ... 4.5 V или не подключено | 0 ... 4.5 V или не подключено | 0 ... 4.5 V или не подключено | - состояние сигнала "1“ (отключение не активно)
| 13 ... 30 V | 13 ... 30 V | 13 ... 30 V | - эффективная внутренняя ёмкость Ci
| | | не учитывается | - эффективная внутренняя индуктивность Li
| | | не учитывается | - для подключения к источнику питания с
| | | искробезопасный | - Maкс. напряжение питания Ui
| | | < 30 V | - Maкс. ток короткого замыкания Ii
| | | <100 мA | | | | | < 1 W | | Гальваническое разделение | между основным прибором и входом для безопасного отключения, а также между выходами опционных модулей | между основным прибором и входом для безопасного отключения, а также между выходами опционных модулей | основной прибор и вход для безопасного отключения, а аткже выходы опционных модулей являются отдельными искробезопасными контурами тока | | Контрольное напряжение | 840 V DC, 1 s | 840 V DC, 1 s | 840 V DC, 1 s | | Коммуникация | | | | | Группа и класс коммуникации | Согласно технической спецификации Fieldbus Foundation для коммуникации H1 | | Функциональные блоки | Группа 3, класс 31PS (Publisher, Subscriber) | | 1 Resource Block (RB2) | | 1 analog output function block (AO) | | 1 PID function block (PID) | | 1 transducer block (standard advanced positioner valve) | | Время исполнения блоков | AO: 50 мсек | | PID: 80 мсек | | Physical layer Profil | 123, 511 | | FF registration | Протестировано ITK 4.51 или выше | | Coединения | | | | | Электрические | Винтовые клеммы 2.5 AWG28-12 Кабельный ввод M20 или ½“ NPT | Винтовые клеммы 2.5 AWG28-12 EEx d-сертифицированный кабельный ввод M20x1.5, ½“ NPT or M25x1.5 | Винтовые клеммы 2.5 AWG28-12 Кабельный ввод M20 или ½“ NPT | | Пневматические | Внутренняя резьба G1/4 DIN 45 141 (¼“ -18 NPT) | | Внешний установочный сенсор (потенциоетр или NCS; опция) | | | | | | | | < 5 V | | | | | <75 мA | | | | | <160 мA | | | | | <120 mW | | Макс. допустимая внешняя ёмкостьCo | | | < 1 μF | | Maкс. допустимая внешняя инжуктивность Lo | | | < 1 mH | | без Ex-защиты | без Ex-защиты | с Ex-защитой | | Ex-защита по EN 50 014 и 50 020 | | II 2G EEx ia/ib II C T4/T5/T6 (только при соединении с) | II 3G EEx nA L [L] II C T6 | | Место монтажа | | Зона 1 | Зона 2 | | Доп. внешняя рабочая температура (для приборов с Ex-защитой: только в комбинации с основным прибором 6DR5... -.E.... При использовании с модулем Iy разрешается только T4) | -30 ... +80 °C (-22 ... +176 °F) | T4: -30 ... +80 °C (T4: -22 ... +176 °F) | | T5: -30 ... +65 °C (-22 ... +149 °F) | | T6: -30 ... +50 °C (-22 ... +122 °F) | | Электрические параметры | | | | | Модуль тревоги
| 6DR4004-8A (без Ex защиты) | 6DR4004-6A (с Ex защитой) | 6DR4004-6A (с Ex защитой) | | Двоичные выходы тревоги A1, A2 и выход сигнализации ошибок | | | | | Состояние сигнала High (не сработал) Состояние сигнала Low* (сработал) (* Low это состояние и в том случае, когда имеется неисправность или отсутствует питание основного прибора) | проводящий, R = 1 kΩ, +3/-1%* блокирован, IR < 60 µA | ≥ 2.1 мA ≤ 1.2 мA | ≥ 2.1 мA ≤ 1.2 мA | | (*при использовании во взрывонепроницаемом корпусе расход тока ограничен до 10 мА на выход) | (пороги переключения при питании по DIN 19234: UH = 8.2 V, Ri = 1kΩ) | (пороги переключения при питании по DIN 19234: UH =8.2 V, Ri = 1kΩ) | | Внутренняя ёмкость Ci | | ≤ 5.2 nF | | | Внутренняя индуктивность Li | | не учитывается | | | Вспомогательное напряжение UH | ≤ 35 V | | | | Подключение к контурам тока с | | искробезопасный коммутирующий усилитель DIN 19234 Uo ≤ 15.5 V DC Ik ≤ 25 mA, P ≤ 64 mW | Ui ≤ 15.5 V DC | | Двоичный вход BE2 | | | | - гальванически соединен с основным прибором
| | | | | | беспотенциальный контракт, открыт | | | беспотенциальный контракт, открыт | | | 3 V, 5 μA | - Гальванически разделён с прибором
| | | | | | ≤ 4.5 V или открыт | | | ≥ 13 V | | | ≥ 25 kΩ | | Статическая граница разрушения | ± 35 V | | | | Внутренняя индуктивность и ёмкость | | не учитывается | | | Подключение к контурам тока | | искробезопасный Ui ≤ 25.2 V | Ui ≤ 25.2 V DC | | Гальваническое разделение | 3 выхода, вход BE2 и основной прибор гальванически разделены друг с другом | | Контрольное напряжение | 840 V DC, 1 сек | 840 V DC, 1 сек | 840 V DC, 1 сек | | Модуль SIA (не для версии EEx d) | 6DR4004-8G (without Ex protection) | 6DR4004-6G (with Ex protection) | 6DR4004-6G (with Ex protection) | | Датчик предельного значения с сигнализаторами конечного положения и выходом сигнализации ошибки | 2-wire connection | 2-wire connection | 2-wire connection | | Ex-защита | без | II 2 G EEx ia/ib IIC T6 | II 2 G EEx nA L [L] IIC T6 | | Coединение | 2-х проводная техника по DIN 19234 (NAMUR), для подключаемого коммутирующего усилителя | 2-х проводная техника по DIN 19234 (NAMUR), для подключаемого коммутирующего усилителя | 2-х проводная техника по DIN 19234 (NAMUR), для подключаемого коммутирующего усилителя | | 2 сигнализатора конечного положения | Tип SJ2-SN | Tип SJ2-SN | Tип SJ2-SN | | Функция | размыкатель NC (обычно закрыт) | размыкатель NC (обфчно закрыт) | размыкатель NC (обфчно закрыт) | | Подключение к контурам тока с | ном. напряжение 8 V Расход тока: ≥ 3 мA (предельное значение не сработало) ≤ 1 мA (предельное значение не сработало) | Искробезопасный коммутирующий усилитель DIN 19 234 Ui ≤ 15.5 V DC Ii ≤ 25 мA, Pi ≤ 64 mW | Ui ≤ 15.5 V DC Pi ≤ 64 mW | | Внутренняя емкость | | ≤ 41 nF | | | Внутреняя индуктивность | | ≤ 100 mH | | | Гальваническое разделение | 3 выхода гальванически отделены от основного прибора выхода гальванически отделены от основного прибора | 3 выхода гальванически отделены от основного прибора | 3 выхода гальванически отделены от основного прибора | | Контрольное напряжение | 840 V DC, 1 s | 840 V DC, 1 s | 840 V DC, 1 s | | Выход сигнализации ошибок | см. модуль тревоги | см. модуль тревоги | см. модуль тревоги | | Дополнительные модули | Без Ex защиты | С Ex защитой | | Электрические параметры | | | | | Ex-защита по EN 50 014 и 50 020 | | II 2G EEx ia/ib II C T4/T5/T6 1) | II 3G EEx nA L [L] II C T6 | | Mесто монтажа | | Зона 1 | Зона 2 | | Доп. внешняя рабочая температура (для приборов с Ex-защитой: только в комбинации с основным прибором 6DR5... - .E.... При использовании с модулем Iy разрешается только T4) | -30 ... +80 °C (‑22 ... +176 °F) | T4: -30 ... +80 °C (‑22 ... +176 °F) | | T5: -30 ... +65 °C (‑22 ... +65.00 °C) | | T6: -30 ... +50 °C (‑22 ... +50.00 °C) | | Iy модуль | 6DR4004-8J (without Ex protection) | 6DR4004-6J (with Ex protection) | 6DR4004-6J (with Ex protection) | | DC Выход постоянного тока для позиционного квитирования | 2-х проводное соединение | 2-х проводное соединение | 2-х проводное соединение | | Диапазон ном. сигнала i | 4 ... 20 мА, защита от короткого замыкания | 4 ... 20 мА, защита от короткого замыкания | 4 ... 20 мА, защита от короткого замыкания | | Линейная характеристика | 3.6 ... 20.5 мA | 3.6 ... 20.5 мA | 3.6 ... 20.5 мA | | Вспомогательное напряжение UH | +12 ... +35 V | +12 ... +30 V | +12 ... +30 V | | Внешняя нагрузка RB [kW] | ≤ (UH [V] - 12 V) /i [мA] | ≤ (UH [V] - 12 V) /i [мA] | ≤ (UH [V] - 12 V) /i [мA] | | Погрешность передачи | ≤ 0.3% | ≤ 0.3% | ≤ 0.3% | | Эффект температурного воздействия | ≤ 0.1%/10 K (≤ 0.1%/18 °F) | ≤ 0.1%/10 K (≤ 0.1%/18 °F) | ≤ 0.1%/10 K (≤ 0.1%/18 °F) | | Разрешение | ≤ 0.1% | ≤ 0.1% | ≤ 0.1% | | Остаточная волнистость | ≤ 1% | ≤ 1% | ≤ 1% | | Внутренняя ёмкость Ci | | ≤ 11 nF | | | Внетренняя индуктивность Li | | Не учитывается | | | Для подключения к контурам тока с | | Искробезопасный: Ui ≤ 30 V DC Ii ≤ 100 мA; Pi ≤ 1 W (Только T4) | Ui ≤ 30 V DC Ii ≤ 100 мA; Pi ≤ 1 W (только T4) | | Гальваническое разделение | Гальванически отделен от основного прибора | Гальванически отделен от основного прибора | Гальванически отделен от основного прибора | | Контрольное напряжение | 840 V DC, 1 s | 840 V DC, 1 s | 840 V DC, 1 s | | NCS сенсор | | | | | (не для версии EEx d) | | | | | Установочный диапазон | | | | | | 3 ... 130 мм, до 200 мм по запросу | 3 ... 130 мм, до 200 мм по запросу | 3 ... 130 мм, до 200 мм по запросу | | | 30° ... 100° | 30° ... 100° | 30° ... 100° | | Линейность (после коррекции через SIPART PS2) | | | | | | ± 1% | ± 1% | ± 1% | | | ± 1% | ± 1% | ± 1% | | Гистерезис | ± 0.2% | ± 0.2% | ± 0.2% | | Температура длительного использования | -40 °C ... +85 °C, расширенный температурный диапазон по запросу | -40 °C ... +85 °C, расширенный температурный диапазон по запросу | -40 °C ... +85 °C, расширенный температурный диапазон по запросу | | Класс защиты корпуса | IP68/NEMA 4x | IP68/NEMA 4x | IP68/NEMA 4x | |
Чертеж Корпус из пластика и нерж.стали (сверху), алюминиевый корпус (в центре), корпус из пластика и металла (снизу), размеры в мм (дюймах) Взрывонепроницаемый корпус, размеры в мм (дюймах) Монтаж на поворотные приводы, монтажная консоль (объем поставки изготовителя привода), выдержка из VDI/VDE 3845, размеры в мм (дюймах) |
Схема подключенияЭлектрическое подключение 2-х проводного прибора (6DR50.. и 6DR51..) Приборы типа 6DR50.. и 6DR51.. работают по 2-х проводной схеме. Электропневматический позиционер SIPART PS2, входная схема для 6DR50.. и 6DR51.. Электрическое подключение прибора PROFIBUS-PA (6DR55..) и приборов Foundation-Fieldbus (6DR56..) Электропневматический позиционер SIPART PS2 PA и SIPART PS2 FF, входная схема для 6DR55.. и 6DR56.. Электрическое подключение 2-х, 3-х и 4-х проводного прибора (6DR52.. и 6DR53..) Приборы типа 6DR52.. и 6DR53.. могут работать по 2-х, 3-х и 4-х проводной схеме. Электропневматический позиционер SIPART PS2, пример подключения для коммуникации через HART для 6DR52.. Электропневматический позиционер SIPART PS2, входная схема для 6DR52.. |
Дальнейшая информацияОбучение Более подробную информацию по курсам обучения для данных устройств см. каталог ITC. Специальные версии По запросу |
Заказные данные [PDF] |
Заказные данные | Заказной № | Описание | Вес (кг) | Доставка | Мин. зак. (шт) | | 6DR5010-.....-.... | ЭЛЕКТРОПНЕВМАТИЧЕСКИЙ ПОЗИЦИОНЕР SIPART PS2, ДЛЯ ПОВОРОТНЫХ И ЛИНЕЙНЫХ КЛАПАНОВE ДВУХПРОВОДНЫЙ, ОДНОНАПРАВЛЕННОГО ДЕЙСТВИЯ КОРПУС ИЗ ПЛАСТИКА; | 0.9 | по запросу (D) | 1 | | 6DR5011-.....-.... | ЭЛЕКТРОПНЕВМАТИЧЕСКИЙ ПОЗИЦИОНЕР SIPART PS2, ДЛЯ ПОВОРОТНЫХ И ЛИНЕЙНЫХ КЛАПАНОВ ДВУХПРОВОДНЫЙ, ОДНОНАПРАВЛЕННОГО ДЕЙСТВИЯ МЕТАЛЛИЧЕСКИЙ КОРПУС; . | 1.3 | по запросу (D) | 1 | | 6DR5012-.....-.... | ЭЛЕКТРОПНЕВМАТИЧЕСКИЙ ПОЗИЦИОНЕР SIPART PS2, ДЛЯ ПОВОРОТНЫХ И ЛИНЕЙНЫХ КЛАПАНОВ ДВУХПРОВОДНЫЙ, БЕЗ HART-ИНТЕРФЕЙСА, ОДНОНАПРАВЛЕННОГО ДЕЙСТВИЯ МЕТАЛЛИЧЕСКИЙ КОРПУС; . | 3.9 | по запросу (D) | 1 | | 6DR5015-.....-.... | ЭЛЕКТРОПНЕВМАТИЧЕСКИЙ ПОЗИЦИОНЕР SIPART PS2, ДЛЯ ПОВОРОТНЫХ И ЛИНЕЙНЫХ КЛАПАНОВ ДВУХПРОВОДНЫЙ, ОДНОНАПРАВЛЕННОГО ДЕЙСТВИЯ БЕЗ HART-ИНТЕРФЕЙСА АЛЮМИНИЕВЫЙ КОРПУС EEX D; . | 5.2 | 3 - 5 недель (A) | 1 | | 6DR5020-.....-.... | ЭЛЕКТРОПНЕВМАТИЧЕСКИЙ ПОЗИЦИОНЕР SIPART PS2, ДЛЯ ПОВОРОТНЫХ И ЛИНЕЙНЫХ КЛАПАНОВ, ДВУХПРОВОДНЫЙ, ДВУНАПРАВЛЕННОГО ДЕЙСТВИЯ КОРПУС ИЗ ПЛАСТИКА; | 0.9 | по запросу (D) | 1 | | 6DR5022-.....-.... | ЭЛЕКТРОПНЕВМАТИЧЕСКИЙ ПОЗИЦИОНЕР SIPART PS2, ДЛЯ ПОВОРОТНЫХ И ЛИНЕЙНЫХ КЛАПАНОВ ДВУХПРОВОДНЫЙ,HART, ДВОЙНОГО ДЕЙСТВИЯ МЕТАЛЛИЧЕСКИЙ КОРПУС; .NOT WITH EEX D | 3.9 | по запросу (D) | 1 | | 6DR5025-.....-.... | ЭЛЕКТРОПНЕВМАТИЧЕСКИЙ ПОЗИЦИОНЕР SIPART PS2, ДЛЯ ПОВОРОТНЫХ И ЛИНЕЙНЫХ КЛАПАНОВ, ДВУХПРОВОДНЫЙ, ДВУНАПРАВЛЕННОГО ДЕЙСТВИЯ АЛЮМИНИЕВЫЙ КОРПУС EEX D | 5.2 | 3 - 5 недель (A) | 1 | | 6DR5110-.....-.... | ЭЛЕКТРОПНЕВМАТИЧЕСКИЙ ПОЗИЦИОНЕР SIPART PS2, ДЛЯ ПОВОРОТНЫХ И ЛИНЕЙНЫХ КЛАПАНОВ, ДВУХПРОВОДНЫЙ;HART , ОДНОНАПРАВЛЕННОГО ДЕЙСТВИЯ КОРПУС ИЗ ПЛАСТИКА; | 0.9 | по запросу (D) | 1 | | 6DR5111-.....-.... | ЭЛЕКТРОПНЕВМАТИЧЕСКИЙ ПОЗИЦИОНЕР SIPART PS2, ДЛЯ ПОВОРОТНЫХ И ЛИНЕЙНЫХ КЛАПАНОВ ДВУХПРОВОДНЫЙ,HART, ОДНОНАПРАВЛЕННОГО ДЕЙСТВИЯ МЕТАЛЛИЧЕСКИЙ КОРПУС; . | 1.3 | по запросу (D) | 1 | | 6DR5112-.....-.... | ЭЛЕКТРОПНЕВМАТИЧЕСКИЙ ПОЗИЦИОНЕР SIPART PS2, ДЛЯ ПОВОРОТНЫХ И ЛИНЕЙНЫХ КЛАПАНОВ ДВУХПРОВОДНЫЙ,HART, ОДНОНАПРАВЛЕННОГО ДЕЙСТВИЯ МЕТАЛЛИЧЕСКИЙ КОРПУС; . (NOT WITH EEXD) | 3.9 | по запросу (D) | 1 | | 6DR5115-.....-.... | ЭЛЕКТРОПНЕВМАТИЧЕСКИЙ ПОЗИЦИОНЕР SIPART PS2, ДЛЯ ПОВОРОТНЫХ И ЛИНЕЙНЫХ КЛАПАНОВ ДВУХПРОВОДНЫЙ,HART, ОДНОНАПРАВЛЕННОГО ДЕЙСТВИЯ АЛЮМИНИЕВЫЙ КОРПУС EEX D | 5.2 | по запросу (D) | 1 | | 6DR5120-.....-.... | ЭЛЕКТРОПНЕВМАТИЧЕСКИЙ ПОЗИЦИОНЕР SIPART PS2, ДЛЯ ПОВОРОТНЫХ И ЛИНЕЙНЫХ КЛАПАНОВДВУХПРОВОДНОЙ ПОДКЛЮЧЕНИЕ; HART, ДВУНАПРАВЛЕННОГО ДЕЙСТВИЯ КОРПУС ИЗ ПЛАСТИКА; | 0.9 | по запросу (D) | 1 | | 6DR5122-.....-.... | ЭЛЕКТРОПНЕВМАТИЧЕСКИЙ ПОЗИЦИОНЕР SIPART PS2, ДЛЯ ПОВОРОТНЫХ И ЛИНЕЙНЫХ КЛАПАНОВ | 3.9 | по запросу (D) | 1 | | 6DR5125-.....-.... | ЭЛЕКТРОПНЕВМАТИЧЕСКИЙ ПОЗИЦИОНЕР SIPART PS2, ДЛЯ ПОВОРОТНЫХ И ЛИНЕЙНЫХ КЛАПАНОВДВУХПРОВОДНОЙ ПОДКЛЮЧЕНИЕ; HART, ДВУНАПРАВЛЕННОГО ДЕЙСТВИЯ АЛЮМИНИЕВЫЙ КОРПУС EEX D | 5.2 | по запросу (D) | 1 | | 6DR5210-.....-.... | ЭЛЕКТРОПНЕВМАТИЧЕСКИЙ ПОЗИЦИОНЕР SIPART PS2, ДЛЯ ПОВОРОТНЫХ И ЛИНЕЙНЫХ КЛАПАНОВE ДВУХ-/ТРЕХ-/ЧЕТЫРЕХПРОВОДНОЕ ПОДКЛЮЧЕНИЕ С HART, ОДНОНАПРАВЛЕННОГО ДЕЙСТВИЯ КОРПУС ИЗ ПЛАСТИКА; | 0.9 | по запросу (D) | 1 | | 6DR5211-.....-.... | ЭЛЕКТРОПНЕВМАТИЧЕСКИЙ ПОЗИЦИОНЕР SIPART PS2, ДЛЯ ПОВОРОТНЫХ И ЛИНЕЙНЫХ КЛАПАНОВ ДВУХ-/ТРЕХ-/ЧЕТЫРЕХПРОВОДНОЕ ПОДКЛЮЧЕНИЕ, С HART, ОДНОНАПРАВЛЕННОГО ДЕЙСТВИЯ МЕТАЛЛИЧЕСКИЙ КОРПУС | 1.3 | по запросу (D) | 1 | | 6DR5212-.....-.... | ЭЛЕКТРОПНЕВМАТИЧЕСКИЙ ПОЗИЦИОНЕР SIPART PS2, ДЛЯ ПОВОРОТНЫХ И ЛИНЕЙНЫХ КЛАПАНОВ | 3.9 | по запросу (D) | 1 | | 6DR5215-.....-.... | ЭЛЕКТРОПНЕВМАТИЧЕСКИЙ ПОЗИЦИОНЕР SIPART PS2, ДЛЯ ПОВОРОТНЫХ И ЛИНЕЙНЫХ КЛАПАНОВ ДВУХ-/ТРЕХ-/ЧЕТЫРЕХПРОВОДНОЕ ПОДКЛЮЧЕНИЕ, С HART, ОДНОНАПРАВЛЕННОГО ДЕЙСТВИЯ АЛЮМИНИЕВЫЙ КОРПУС EEX D | 5.2 | по запросу (D) | 1 | | 6DR5220-.....-.... | ЭЛЕКТРОПНЕВМАТИЧЕСКИЙ ПОЗИЦИОНЕР SIPART PS2, ДЛЯ ПОВОРОТНЫХ И ЛИНЕЙНЫХ КЛАПАНОВE ДВУХ-/ТРЕХ-/ЧЕТЫРЕХПРОВОДНОЕ ПОДКЛЮЧЕНИЕ С HART, ДВУНАПРАВЛЕННОГО ДЕЙСТВИЯ КОРПУС ИЗ ПЛАСТИКА; | 0.9 | по запросу (D) | 1 | | 6DR5222-.....-.... | ЭЛЕКТРОПНЕВМАТИЧЕСКИЙ ПОЗИЦИОНЕР SIPART PS2, ДЛЯ ПОВОРОТНЫХ И ЛИНЕЙНЫХ КЛАПАНОВ | 3.9 | по запросу (D) | 1 | | 6DR5225-.....-.... | ЭЛЕКТРОПНЕВМАТИЧЕСКИЙ ПОЗИЦИОНЕР SIPART PS2, ДЛЯ ПОВОРОТНЫХ И ЛИНЕЙНЫХ КЛАПАНОВE ДВУХ-/ТРЕХ-/ЧЕТЫРЕХПРОВОДНОЕ ПОДКЛЮЧЕНИЕ С HART, ДВУНАПРАВЛЕННОГО ДЕЙСТВИЯ КОРПУС ИЗ ПЛАСТИКА; АЛЮМИНИЕВЫЙ КОРПУС EEX D | 5.2 | по запросу (D) | 1 | | 6DR5310-.....-.... | ЭЛЕКТРОПНЕВМАТИЧЕСКИЙ ПОЗИЦИОНЕР SIPART PS2, ДЛЯ ПОВОРОТНЫХ И ЛИНЕЙНЫХ КЛАПАНОВE ДВУХ-/ТРЕХ-/ЧЕТЫРЕХПРОВОДНОЕ ПОДКЛЮЧЕНИЕ ОДНОНАПРАВЛЕННОГО ДЕЙСТВИЯ КОРПУС ИЗ ПЛАСТИКА; | 0.9 | по запросу (D) | 1 | | 6DR5312-.....-.... | ЭЛЕКТРОПНЕВМАТИЧЕСКИЙ ПОЗИЦИОНЕР SIPART PS2, ДЛЯ ПОВОРОТНЫХ И ЛИНЕЙНЫХ КЛАПАНОВ | 3.9 | по запросу (D) | 1 | | 6DR5320-.....-.... | ЭЛЕКТРОПНЕВМАТИЧЕСКИЙ ПОЗИЦИОНЕР SIPART PS2, ДЛЯ ПОВОРОТНЫХ И ЛИНЕЙНЫХ КЛАПАНОВ ДВУХ-/ТРЕХ-/ЧЕТЫРЕХПРОВОДНОЕ ПОДКЛЮЧЕНИЕ ДВУНАПРАВЛЕННОГО ДЕЙСТВИЯ КОРПУС ИЗ ПЛАСТИКА; | 0.9 | по запросу (D) | 1 | | 6DR5322-.....-.... | ЭЛЕКТРОПНЕВМАТИЧЕСКИЙ ПОЗИЦИОНЕР SIPART PS2, ДЛЯ ПОВОРОТНЫХ И ЛИНЕЙНЫХ КЛАПАНОВ | 3.9 | по запросу (D) | 1 | | 6DR5510-.....-.... | ЭЛЕКТРОПНЕВМАТИЧЕСКИЙ ПОЗИЦИОНЕР SIPART PS2, ДЛЯ ПОВОРОТНЫХ И ЛИНЕЙНЫХ КЛАПАНОВ ПРОСТОГО ДЕЙСТВИЯ С PROFIBUS PA | 0.9 | по запросу (D) | 1 | | 6DR5511-.....-.... | ЭЛЕКТРОПНЕВМАТИЧЕСКИЙ ПОЗИЦИОНЕР SIPART PS2, ДЛЯ ПОВОРОТНЫХ И ЛИНЕЙНЫХ КЛАПАНОВ ПРОСТОГО ДЕЙСТВИЯ С PROFIBUS PA МЕТАЛЛИЧЕСКИЙ КОРПУС | 1.3 | по запросу (D) | 1 | | 6DR5512-.....-.... | ЭЛЕКТРОПНЕВМАТИЧЕСКИЙ ПОЗИЦИОНЕР SIPART PS2, ДЛЯ ПОВОРОТНЫХ И ЛИНЕЙНЫХ КЛАПАНОВ | 3.9 | по запросу (D) | 1 | | 6DR5515-.....-.... | ЭЛЕКТРОПНЕВМАТИЧЕСКИЙ ПОЗИЦИОНЕР SIPART PS2, ДЛЯ ПОВОРОТНЫХ И ЛИНЕЙНЫХ КЛАПАНОВ ПРОСТОГО ДЕЙСТВИЯ С PROFIBUS PA АЛЮМИНИЕВЫЙ КОРПУС EEX D | 5.2 | по запросу (D) | 1 | | 6DR5520-.....-.... | ЭЛЕКТРОПНЕВМАТИЧЕСКИЙ ПОЗИЦИОНЕР SIPART PS2, ДЛЯ ПОВОРОТНЫХ И ЛИНЕЙНЫХ КЛАПАНОВ, 2-Х ПРОВОДНЫЙ С PROFIBUS PA ДВОЙНОГО ДЕЙСТВИЯ ПЛАСТИКОВЫЙ КОРПУС | 0.9 | по запросу (D) | 1 | | 6DR5522-.....-.... | ЭЛЕКТРОПНЕВМАТИЧЕСКИЙ ПОЗИЦИОНЕР SIPART PS2, ДЛЯ ПОВОРОТНЫХ И ЛИНЕЙНЫХ КЛАПАНОВ ДВОЙНОГО ДЕЙСТВИЯ КОРПУС ИЗ НЕРЖ. СТАЛИ; С PROFIBUS PA | 3.9 | по запросу (D) | 1 | | 6DR5525-.....-.... | ЭЛЕКТРОПНЕВМАТИЧЕСКИЙ ПОЗИЦИОНЕР SIPART PS2, ДЛЯ ПОВОРОТНЫХ И ЛИНЕЙНЫХ КЛАПАНОВ, 2-Х ПРОВОДНЫЙ С PROFIBUS PA ДВОЙНОГО ДЕЙСТВИЯ, АЛЮМИНИЕВЫЙ КОРПУС EEX D | 5.2 | по запросу (D) | 1 | | 6DR5610-.....-.... | ЭЛЕКТРОПНЕВМАТИЧЕСКИЙ ПОЗИЦИОНЕР SIPART PS2, ДЛЯ ПОВОРОТНЫХ И ЛИНЕЙНЫХ КЛАПАНОВ ОДНОНАПРАВЛЕННОГО ДЕЙСТВИЯ КОРПУС ИЗ ПЛАСТИКА; С FOUNDATION FIELDBUS | 1.21 | по запросу (D) | 1 | | 6DR5611-.....-.... | INTELLIGENT SIPART PS2 ELECTROPNEUMATIC POSITIONER FOR PNEUMATIC LINEAR AND PART-TURN ACTUATORS SINGLE ACTION; HOUSING: METALL WITH FOUNDATION FIELDBUS OPERATION | 1.3 | по запросу (D) | 1 | | 6DR5612-.....-.... | INTELLIGENT SIPART PS2 ELECTROPNEUMATIC POSITIONER FOR PNEUMATIC LINEAR AND PART-TURN ACTUATORS SINGLE ACTION; HOUSING: STAINLESS STEEL WITH FOUNDATION FIELDBUS OPERATION | 3.9 | по запросу (D) | 1 | | 6DR5615-.....-.... | INTELLIGENT SIPART PS2 ELECTROPNEUMATIC POSITIONER FOR PNEUMATIC LINEAR AND PART-TURN ACTUATORS FOUNDATION FIELDBUS OPERATION SINGLE ACTION; HOUSING: ALUMINIUM (EEX D) | 5.2 | по запросу (X) | 1 | | 6DR5620-.....-.... | ЭЛЕКТРОПНЕВМАТИЧЕСКИЙ ПОЗИЦИОНЕР SIPART PS2, ДЛЯ ПОВОРОТНЫХ И ЛИНЕЙНЫХ КЛАПАНОВ 2-Х ПРОВОДНЫЙ ДВОЙНОГО ДЕЙСТВИЯ КОРПУС ИЗ ПЛАСТИКА; С FOUNDATION FIELDBUS | 1.21 | по запросу (D) | 1 | | 6DR5622-.....-.... | INTELLIGENT SIPART PS2 ELECTROPNEUMATIC POSITIONER FOR PNEUMATIC LINEAR AND PART-TURN ACTUATORS WITH FOUNDATION FIELDBUS OPERATION DOUBLE ACTION; HOUSING: STAINLESS STEEL | 3.9 | по запросу (D) | 1 | | 6DR5625-.....-.... | INTELLIGENT SIPART PS2 ELECTROPNEUMATIC POSITIONER FOR PNEUMATIC LINEAR AND PART-TURN ACTUATORS FOUNDATION FIELDBUS OPERATION DOUBLE ACTION, ALUMINIUM HOUSING (EEXD) | 5.2 | по запросу (X) | 1 | |
Аксессуары | Заказной № | Описание | Вес (кг) | Доставка | Мин. зак. (шт) | | 6DR4004-..... | NCS-СЕНСОР ДЛЯ ПОЗИЦИОНЕРА SIPART PS2 ДЛЯ БЕСКОНТАКТНОГО ОПРЕДЕЛЕНИЯ ПОЗИЦИИ (ДЛИНА КАБЕЛЯ 6М) | 0.275 | по запросу (D) | 1 | | 6DR4004-1B | БЛОК ДЛЯ ПОДКЛЮЧЕНИЯ ОТСЕЧНОГО МАГНИТНОГО КЛАПАНА СОГЛАСНО NAMUR ДЛЯ IEC-534-6 | 1 | 3 - 5 недель (A) | 1 | | 6DR4004-1C | БЛОК ДЛЯ ПОДКЛЮЧЕНИЯ ОТСЕЧНОГО МАГНИТНОГО КЛАПАНА СОГЛАСНО NAMUR ДЛЯ AMSON (ВСТРОЕННЫЙ МОНТАЖ) | 1 | 3 - 5 недель (A) | 1 | | 6DR4004-1M | БЛОК МАНОМЕТРОВ ДЛЯ SIPART PS2 6DR40**-2*, ОДНОНАПРАВЛЕННОГО ДЕЙСТВИЯ, 1 МАНОМЕТР СЕТЕВОГО ДАВЛЕНИЯ: 10BAR, 1 МАНОМЕТР ДАВЛЕНИЯ В КАМЕРЕ: 6BAR | 0.56 | 3 - 5 недель (A) | 1 | | 6DR4004-1MN | БЛОК МАНОМЕТРОВ ДЛЯ ПОЗИЦИОНЕРА SIPART PS2 6DR40**-1*, ПРОСТОГО ДЕЙСТВИЯ 1 МАНОМЕТР СЕТЕВОГО ДАВЛЕНИЯ: 10BAR, 1 МАНОМЕТР ДАВЛЕНИЯ В КАМЕРЕ: 6BAR NPT 1/4 И 1/8 (МАНОМЕТР) ШКАЛА В PSI И MPA | 0.56 | 3 - 5 недель (A) | 1 | | 6DR4004-2M | БЛОК МАНОМЕТРОВ ДЛЯ SIPART PS2 6DR40**-2*, ДВУНАПРАВЛЕННОГО ДЕЙСТВИЯ, 1 МАНОМЕТР СЕТЕВОГО ДАВЛЕНИЯ: 10BAR, 2 МАНОМЕТРА ДАВЛЕНИЯ В КАМЕРАХ: 6BAR | 0.67 | 3 - 5 недель (A) | 1 | | 6DR4004-2MN | БЛОК МАНОМЕТРОВ ДЛЯ ПОЗИЦИОНЕРАSIPART PS2 6DR40**-2*, ДВОЙНОГО ДЕЙТСВИЯ, 1 МАНОМЕТР СЕТЕВОГО ДАВЛЕНИЯ: 10BAR, 2 МАНОМЕТРА ДАВЛЕНИЯ В КАМЕРАХ: 6BAR NPT 1/4 & NPT 1/8 (МАНОМЕТР) ШКАЛА В PSI И MPA | 0.67 | 3 - 5 недель (A) | 1 | | 6DR4004-6A | ВСТРАИВАЕМАЯ ПЛАТА ДЛЯ SIPART PS2 , 2 ЦИФРОВЫХ ВЫХОДА MIN. ИЛИ MAX., 1 ВЫХОД ОШИБКИ, 1 ВХОД , EXIB | 6 | 3 - 5 недель (A) | 1 | | 6DR4004-6G | МОДУЛЬ КОНЕЧНЫХ ВЫКЛЮЧАТЕЛЕЙ ДЛЯ SIPART PS2, 1 АЛАРМ, EXIA/IB | 0.12 | 6 - 8 недель (C) | 1 | | 6DR4004-6H | ПЛАТА ДЛЯ HART-СИГНАЛА SIPART PS2 ДЛЯ СОЕДИНЕНИЯ РУЧНОГО HART-КОММУНИКАТОРА ИЛИ PC (ТРЕБУЕТСЯ OFTWARE IMATIC PDM),EXIB | 0.03 | 3 - 5 недель (A) | 1 | | 6DR4004-6J | ПЛАТА ДЛЯ ВСТРАИВАНИЯ В ЭЛЕКТРОПНЕВМАТИЧЕСКИЙ ПОЗИЦИОНЕР SIPART PS2, ДЛЯ ВЫДАЧИ СИГНАЛА ПОЛОЖЕНИЯ, 4-20 MA, EEXIB | 0.05 | 3 - 5 недель (A) | 1 | | 6DR4004-6K | MECHANICAL LIMIT SWITCH MODULE, WITH GALVANICAL SWITCH CONTACTS FOR ELECTROPNEUMATIC POSITIONER SIPART PS2, TO RETROFIT, 1 FAULT OUTPUT, EXPLOSION PROOF TO ATEX ******************************* ATTENTION: ONLY EX IA/IB TO ATEX CERTIFIED FM/CSA:ON REQUEST! | 0.12 | 6 - 8 недель (C) | 1 | | 6DR4004-7A | ВСТРАИВАЕМАЯ ПЛАТА ДЛЯ SIPART PS2 , 2 ЦИФРОВЫХ ВЫХОДА MIN. ИЛИ MAX., 1 ВЫХОД ОШИБКИ, 1 ВХОД, ВЗРЫВОЗАЩИТА ПО FM | 0.06 | по запросу (D) | 1 | | 6DR4004-7H | ПЛАТА HART-ИНТЕРФЕЙСА ДЛЯ SIPART PS2 , ВЗРЫВОЗАШИТА: FM | 0.03 | по запросу (D) | 1 | | 6DR4004-7J | ПЛАТА ДЛЯ ВСТРАИВАНИЯ В ЭЛЕКТРОПНЕВМАТИЧЕСКИЙ ПОЗИЦИОНЕР SIPART PS2, ДЛЯ ВЫДАЧИ СИГНАЛА ПОЛОЖЕНИЯ, 4-20 MA, ВЗРЫВОЗАЩИТА FM | 0.05 | по запросу (D) | 1 | | 6DR4004-8A | ВСТРАИВАЕМАЯ ПЛАТА ДЛЯ SIPART PS2 , 2 ЦИФРОВЫХ ВЫХОДА MIN. ИЛИ MAX., 1 ВЫХОД ОШИБКИ, 1 ВХОД | 0.06 | 3 - 5 недель (A) | 1 | | 6DR4004-8D | НАБОР ДЛЯ КРЕПЕЖА SIPART PS2 К ПОВОРОТНЫМ КЛАПАНАМ СОГЛАСНО VDI/VDE 3845 (NAMUR) | 0.13 | 3 - 5 недель (A) | 1 | | 6DR4004-8G | МОДУЛЬ КОНЕЧНЫХ ВЫКЛЮЧАТЕЛЕЙ ДЛЯ SIPART PS2, 1 АЛАРМ | 0.12 | 6 - 8 недель (C) | 1 | | 6DR4004-8H | ПЛАТА ДЛЯ HART-СИГНАЛА SIPART PS2 ДЛЯ СОЕДИНЕНИЯ РУЧНОГО HART-КОММУНИКАТОРА ИЛИ PC (ТРЕБУЕТСЯ OFTWARE IMATIC PDM) | 0.04 | 3 - 5 недель (A) | 1 | | 6DR4004-8J | ПЛАТА ДЛЯ ВСТРАИВАНИЯ В ЭЛЕКТРОПНЕВМАТИЧЕСКИЙ ПОЗИЦИОНЕР SIPART PS2, ДЛЯ ВЫДАЧИ СИГНАЛА ПОЛОЖЕНИЯ, 4-20 MA | 0.05 | 3 - 5 недель (A) | 1 | | 6DR4004-8K | MECHANICAL LIMIT SWITCH MODULE, WITH GALVANICAL SWITCH CONTACTS FOR ELECTROPNEUMATIC POSITIONER SIPART PS2, TO RETROFIT, 1 FAULT OUTPUT, NOT EXPLOSION PROOF | 0.5 | 6 - 8 недель (C) | 1 | | 6DR4004-8L | ПЛАНКА ДЛЯ 6DR4004-8V ДЛЯ ХОДА ШТОКА: 35-130 MM | 0.047 | 3 - 5 недель (A) | 1 | | 6DR4004-8S | КРЕПЕЖНЫЙ НАБОР ДЛЯ SIPART PS2 ДЛЯ AMSON КЛАПАНОВ | 1 | 3 - 5 недель (A) | 1 | | 6DR4004-8V | КРЕПЕЖНЫЙ НАБОР ДЛЯ SIPART PS2 ДЛЯ ЛИНЕЙНЫХ КЛАПАНОВСОГЛАСНО IEC 534 PART 6 (NAMUR), ХОД ШТОКА: 2 MM - 35 MM | 0.767 | 3 - 5 недель (A) | 1 | | 6DR4004-8VK | СОКРАЩЕННЫЙ НАБОР ДЛЯ КРЕПЕЖА SIPART PS2 К ЛИНЕЙНОМУ КЛАПАНУ, ХОД ШТОКА: 2MM-35MM | 0.3 | 3 - 5 недель (A) | 1 | | 6DR4004-8VL | СОКРАЩЕННЫЙ НАБОР ДЛЯ КРЕПЕЖА ПОЗИЦИОНЕРА, ХОД ШТОКА: 30MM-130MM | 0.3 | 3 - 5 недель (A) | 1 | | 7MF4997-1DA | HART-МОДЕМ С ИНТЕРФЕСОМ RS232 ДЛЯ ПОДКЛЮЧЕНИЯ ИЗМЕРИТЕЛЬНЫХ ДАТЧИКОВ С HART-ПРОТОКОЛОМ К КОМПЬЮТЕРУ | 0.1 | 3 - 5 недель (A) | 1 | | 7MF4997-1DB | HART-МОДЕМ С USB-ИНТЕРФЕСОМ ДЛЯ ПОДКЛЮЧЕНИЯ ИЗМЕРИТЕЛЬНЫХ ДАТЧИКОВ С HART-ПРОТОКОЛОМ К КОМПЬЮТЕРУ | 0.1 | 3 - 5 недель (A) | 1 | | 7NG4130-1AA11 | БЛОК ПИТАНИЯ/РАЗВЯЗКИ SITRANS I ДЛЯ ВЫХОДНЫХ СИГНАЛОВ, HART (FSK), ДЛЯ МОНТАЖА НА РЕЙКУ,ВХОД 4-20MA, ВЫХОД 4-20MA EEX IA/IB IIC; ПИТАНИЕ: UC 24V | 0.2 | 3 - 5 недель (A) | 1 | | 7NG4130-1BA11 | БЛОК ПИТАНИЯ/РАЗВЯЗКИ SITRANS I ДЛЯ ВХОДНЫХ СИГНАЛОВ, HART (FSK), ДЛЯ МОНТАЖА НА РЕЙКУ, ВХОД 4-20MA,ВЫХОД 4-20MA EEX IA/IB IIC; ПИТАНИЕ: AC 95-253V | 0.2 | 3 - 5 недель (A) | 1 | | A5E00074600 | INSTALLATION РУКОВОДСТВО GERMAN/ENGLISH FOR SIPART PS2, 6DR5... | 0.1 | 6 - 8 недель (C) | 1 | | A5E00074601 | INSTALLATION РУКОВОДСТВО FRENCH/ITALIAN/SPANISH FOR SIPART PS2, 6DR5... | 0.1 | 6 - 8 недель (C) | 1 | | A5E00074630 | SIPART PS2, 6DR5... РУКОВОДСТВО GERMAN | 0.3 | 4 - 6 недель (B) | 1 | | A5E00074631 | SIPART PS2, 6DR5... РУКОВОДСТВО ENGLISH | 0.3 | 4 - 6 недель (B) | 1 | | A5E00097485 | РУКОВОДСТВО NCS-SENSOR IN GERMAN/ ENGLISH/FRENCH/SPANISH | 100 | 6 - 8 недель (C) | 1 | | A5E00120716 | INSTALLATION INSTRUCTIONS GERMAN/ENGLISH FOR SIPART PS2, 6DR55.. | 0.08 | 6 - 8 недель (C) | 1 | | A5E00120717 | INSTALLATION INSTRUCTIONS FRENCH, ITALIAN AND SPANISH FOR SIPART PS2, 6DR55.. | 0.08 | 6 - 8 недель (C) | 1 | | A5E00127924 | SIPART PS2, 6DR5... РУКОВОДСТВО GERMAN | 0.08 | 6 - 8 недель (C) | 1 | | A5E00127926 | SIPART PS2, 6DR55.. РУКОВОДСТВО ENGLISH | 0.08 | 6 - 8 недель (C) | 1 | | A5E00214567 | CD WITH DEVICE DOCUMENTATION FOR SIPART PS2, 6DR5* | 0.02 | 6 - 8 недель (C) | 1 | | C73451-A430-D23 | MODULE FOR SIPART PS2 FOR CONNECTING AN EXTERNAL POTENTIOMETER | 0.08 | 3 - 5 недель (A) | 1 | | C73451-A430-D55 | RATING PLATES: 1 SET TO MODIFY SIPART PS2 6DR400*-*E (EX-IB) FOR APPLICATIONS IN ZONE 2 AS EX N INCL. PLATES FOR THE OPTIONAL MODULES | 0.01 | 6 - 8 недель (C) | 1 | | C73451-A430-D78 | EXTERNAL POSITION DETECTION СИСТЕМА FOR SIPART PS2 FOR NOT EXPLOSION PROOF APPLICATIONS CONSISTING OF A SIPART PS2 HOUSING WITH AN INFORCED SLIP CLUTCH, INTEGRA- TED POTENTIOMETER, ELECTRICAL TERMINALS AND SEALINGS ELEMENTS THE UNIT IS USED FOR DETECTING HE POSITION SEPARATELY (SPLIT MOUNTING) AND CAN BE CONNECTED ELECTRICALLY TO A NEAR BY MOUNTED SIPART PS2 | 0.7 | 3 - 5 недель (A) | 1 | | TGX:16152-105 | MOUNTING BRACKET FOR NAMUR ROTARY, SIZE 1 (STANDARD), 30 X 80 X 20MM | 1 | 3 - 5 недель (A) | 1 | | TGX:16152-110 | MOUNTING BRACKET, FISHER TYPE 657/667, SIZE 30 - 80 | 3 | 3 - 5 недель (A) | 1 | | TGX:16152-117 | ADAPTER TO RETROFIT MOORE PRODUCTS, SERIES 72 AND 750 VALVE POSITIONERS | 2 | 3 - 5 недель (A) | 1 | | TGX:16152-328 | MOUNTING BRACKET F. SPX (DEZURIK) POWERRAC, SIZES: R1, R1A, R2, R2A | 1 | 3 - 5 недель (A) | 1 | | TGX:16152-336 | PIPE MOUNT FOR PS2 ENCLOSURE | 2 | 3 - 5 недель (A) | 1 | | TGX:16152-348 | MOUNTING BRACKET FOR FISHER 1051/1052, SIZE 33 | 1 | 3 - 5 недель (A) | 1 | | TGX:16152-350 | MOUNTING BRACKET FOR MASONEILAN CAMFLEX II | 1 | 3 - 5 недель (A) | 1 | | TGX:16152-364 | MOUNTING BRACKET FOR FISHER 1051/1052/1061, SIZE 30, 40, 60 - 70 | 1 | 3 - 5 недель (A) | 1 | | TGX:16300-147 | MOUNTING BRACKET FOR NAMUR ROTARY, SIZE 2, 30 X 80 X 30MM | 1 | 3 - 5 недель (A) | 1 | | TGX:16300-149 | MOUNTING BRACKET FOR NAMUR ROTARY, SIZE 3, 30 X 130 X 30MM | 1 | 3 - 5 недель (A) | 1 | | TGX:16300-151 | MOUNTING BRACKET FOR NAMUR ROTARY, SIZE 4, 30 X 130 X 50MM | 1 | 3 - 5 недель (A) | 1 | |
Аксессуары [PDF] |
|