0

Разделы

ENG: Factory-mounting of valve manifolds on SITRANS P transmitters

Преобразователи давления SITRANS P

  • P300 для измерения относительного и абсолютного давления,
  • DS III для измерения относительного и абсолютного давления
  • DS III для измерения дифференциального давления

могут поставляться в сборе со следующими вентильными блоками:

  • 7MF9011-4EA и 7MF9011-4FA вентильные блоки для преобразователей давления относительного и абсолютного давления
  • 7MF9411-5BA and 7MF9411-5CA вентильные блоки для преобразователей дифференциального и абсолютного давления

 


Дизайн

ENG: Factory-mounting of valve manifolds on SITRANS P transmitters

The 7MF9011-4EA valve manifolds are sealed with gaskets made of PTFE between transmitter and the valve manifold as standard. Soft iron, stainless steel and copper gaskets are also available for sealing purposes if preferred.

The 7MF9011-4FA valve manifolds are sealed with PTFE sealing tape between the transmitter and the valve manifold.

The 7MF9411-5BA and 7MF9411-5CA valve manifolds are sealed with PTFE sealing rings between the transmitter and the valve manifold.

Once installed, the complete unit is checked under pressure (compressed air 6 bar g (87 psi g) for leaks and is certified leak-proof with a factory certificate to EN 10204 - 2.2.

All valve manifolds should preferably be secured with the respective mounting brackets. The transmitters are mounted on the valve manifold and not on the unit itself.

If you order a mounting bracket when choosing the option "Factory mounting of valve manifolds", you will receive a mounting bracket for the valve manifold instead of a bracket for mounting the transmitter.

If you order an acceptance test certificate 3.1 to EN10204 when choosing the option "Factory mounting of valve manifolds", a separate certificate is provided for the transmitters and the valve manifolds respectively.

 


Конфигурация

ENG: Factory-mounting of valve manifolds on SITRANS P transmitters
 

7MF9011-4FA valve manifold on relative and absolute pressure transmitters

Add -Z to the Order No. of the transmitter and add order codes

 

SITRANS P DSIII 7MF403.-...1.-..., 7MF423.-...1.-...and

SITRANS P300 7MF802.-...1.-...

With process connectionfemale thread ½-14 NPTin-sealed with PTFE sealing tape

Delivery incl. high-pressure test certified by factory certificate to EN10204-2.2

T03

Further designs:

 

Delivery includes mounting brackets and mounting clips made of stainless steel (instead of the mounting bracket supplied with the transmitter)

A02

Supplied acceptance test certificate to EN 10204- 3.1 for transmitters and mounted valve manifold

C12

7MF9011-4EA valve manifold on relative and absolute pressure transmitters

Add -Z to the Order No. of the transmitter and add order codes

 

SITRANS P DSIII 7MF403.-...0.-..., 7MF423.-...0.-... and

SITRANS P300 7MF802.-...0.-...

T02

with process connectioncollar G1/2 A to EN837-1with gasket made of PTFE between valve manifold and transmitter

 

Alternative sealing material:

 
  • Soft iron

A70

  • Stainless steel, Mat. No. 14571

A71

  • Copper

A72

Delivery incl. high-pressure test certified by factory certificate to EN10204-2.2

 

Further designs:

 

Delivery includes mounting brackets and mounting clips made of stainless steel (instead of the mounting bracket supplied with the transmitter)

A02

Supplied acceptance test certificate to EN 10204- 3.1 for transmitters and mounted valve manifold

C12

7MF9411-5BA valve manifold on absolute and differential pressure transmitters

Add -Z to the Order No. of the transmitter and add order codes

 

SITRANS P DSIII 7MF433.-…, 7MF443.-… and 7MF453.-… 1)

 

mounted with gaskets made of PTFE and screws made of

 
  • chromized steel

U01

  • made of stainless steel

U02

Delivery incl. high-pressure test certified by factory certificate to EN10204-2.2

 

Further designs:

 

Delivery includes mounting bracket and mounting clips made of

 
  • Steel

A01

  • Stainless steel

A02

(instead of the mounting bracket supplied with the transmitter)

 

Supplied acceptance test certificate to EN10204-3.1 for transmitters and mounted valve manifold

C12

7MF9411-5CA valve manifold on differential pressure transmitters

Add -Z to the Order No. of the transmitter and add order codes

 

SITRANS P DSIII 7MF443.-... and 7MF453.-…1 1)

 

mounted with gaskets made of PTFE and screws made of

 
  • chromized steel

U03

  • Stainless steel

U04

Delivery incl. high-pressure test certified by factory certificate to EN10204-2.2

 

Further designs:

 

Delivery includes mounting bracket and mounting clips made of

 
  • Steel

A01

  • Stainless steel

A02

(instead of the mounting bracket supplied with the transmitter)

 

Supplied acceptance test certificate to EN10204-3.1 for transmitters and mounted valve manifold

C12

1) For 7MF453.-... transmitters, you require a 7/10-20 UNF connection thread in the process flange

 


Чертеж

ENG: Factory-mounting of valve manifolds on SITRANS P transmitters
Valve manifolds mounted on SITRANS P DS III

Manifold 7MF9011-4EA with mounted relative pressure and absolute pressure transmitters

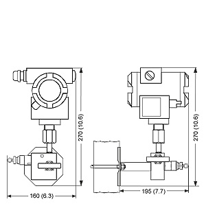
Manifold 7MF9011-4EA with mounted relative pressure and absolute pressure transmitters, dimensions in mm (inch)

Manifold 7MF9011-4FA with mounted relative pressure and absolute pressure transmitters

Manifold 7MF9011-4FA with mounted relative pressure and absolute pressure transmitters, dimensions in mm (inch)

Manifold 7MF9411-5BA with mounted differential pressure transmitter

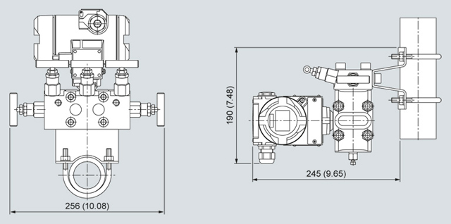
Manifold 7MF9411-5BA with mounted differential pressure transmitter, dimensions in mm (inch)

Manifold 7MF9411-5CA with mounted differential pressure transmitter

Manifold 7MF9411-5CA with mounted differential pressure transmitter, dimensions in mm (inch)

Valve manifolds mounted on SITRANS P300

Manifold 7MF9011-4EA with mounted relative pressure and absolute pressure transmitters

Manifold 7MF9011-4EA with mounted relative pressure and absolute pressure transmitters, dimensions in mm (inch)

Manifold 7MF9011-4FA with mounted relative pressure and absolute pressure transmitters

Manifold 7MF9011-4FA with mounted relative pressure and absolute pressure transmitters, dimensions in mm (inch)