0

Разделы

Скачать Заказные данные Скачать Аксессуары 
ENG: For absolute pressure (from the differential pressure series)

SITRANS P, DS III series for absolute pressure (from the differential pressure series)

 

HART

PROFIBUS PA or Foundation Fieldbus

Input

 

Measured variable

Absolute pressure

Spans (infinitely adjustable) ornominal measuring range andmax. permissible operating pressure

Span

Maximum operating pressure

Nominal measuring range

Maximum operating pressure

 

8.3 ... 250 mbar a(0.12 ... 3.6 psi a)

32 bar a(464 psi a)

250 mbar a(3.6 psi a)

32 bar a(464 psi a)

 

43 ... 1300 mbar a(0.62 ... 18.9 psi a)

32 bar a(464 psi a)

1300 bar a(18.9 psi a)

32 bar a(464 psi a)

 

160 ... 5000 mbar a(2.32 ... 72.5 psi a)

32 bar a(464 psi a)

5 bar a(72.5 psi a)

32 bar a(464 psi a)

 

1 ... 30 bar a(14.5 ... 435 psi a)

160 bar a(2320 psi a)

30 bar a(435 psi a)

160 bar a(2320 psi a)

 

5.3 ... 100 bar a(76.9 ... 1450 psi a)

160 bar a(2320 psi a)(for connection thread M10 and 7/16-20 UNF in the process flanges)

100 bar a(1450 psi a)

160 bar a(2320 psi a)(for connection thread M10 and 7/16-20 UNF in the process flanges)

Lower measuring limit

   
  • Measuring cell with silicone oil filling

0 mbar a (0 psi a)

Upper measuring limit

100% of max. span

Output

   

Output signal

4 ... 20 mA

Digital PROFIBUS PA or Foundation Fieldbus signal

  • Lower limit (infinitely adjustable)

3.55 mA, factory preset to 3.84 mA

-

  • Upper limit (infinitely adjustable)

23 mA, factory preset to 20.5 mA or optionally set to 22.0 mA

-

Load

 
  • Without HART communication

R B ≤ (UH - 10.5 V)/0.023 A in Ω,UH : Power supply in V

-

  • With HART communication

R B = 230 ... 500 Ω (SIMATIC PDM) orRB = 230 ... 1100 Ω (HART Communicator)

-

Physical bus

-

IEC 61158-2

Protection against polarity reversal

Protected against short-circuit and polarity reversal. Each connection against the other with max. supply voltage.

Measuring accuracy

Acc. to EN 60770-1

Reference conditions (All error data refer always refer to the set span)

Increasing characteristic, start-of-scale value 0 bar, stainless steel seal diaphragm, silicone oil filling, room temperature 25 °C (77 °F)) r: Span ratio (r = max. span / set span)

Error in measurement and fixed-point setting (including hysteresis and repeatability)

 
  • Linear characteristic
 

≤ 0,1 %

  • r ≤ 10

≤ 0,1 %

 
  • 10 < r ≤ 30

≤ 0,2 %

 

Long-term drift (temperature change ±30 °C (±54 °F))

≤ (0.1 · r)%/year

≤ 0.1 %/year

Influence of ambient temperature

 
  • at -10 ... +60 °C (14 ... 140 °F)

≤ (0.1 · r + 0.2)%

≤ 0,3 %

  • at -40 ... -10 °C and +60 ... +85 °C(-40 ... +14 °F and 140 ... 185 °F)

≤ (0.1·r + 0.15) %/10 K

≤ 0.25 %/10 K

Measured Value Resolution

-

3 · 10-5 of nominal measuring range

Rated conditions

 

Degree of protection (to EN 60529)

IP65

Temperature of medium

 
  • Measuring cell with silicone oil filling

-40 ... +100 °C (-40 ... +212 °F)

  • Measuring cell with inert filling liquid

-20 ... +100 °C (-4 ... +212 °F)

  • In conjunction with dust explosion protection

-20 ... +60 °C (-4 ... +140 °F)

Ambient conditions

 
  • Ambient temperature
 
  • Digital indicator

-30 ... +85 °C (-22 ... +185 °F)

  • Storage temperature

-50 ... +85 °C (-58 ... +185 °F)

  • Climatic class
 
  • Condensation

Permissible

  • Electromagnetic Compatibility
 
  • Emitted interference

Acc. to EN 50081-1

  • Interference immunity

Acc. to EN 61326 and NAMUR NE 21

Design

 

Weight (without options)

≈ 4.5 kg (≈ 9.9 lb)

Enclosure material

Low-copper die-cast aluminum, GD-AlSi 12 or stainless steel precision casting, mat. No. 1.4408

Wetted parts materials

 
  • Seal diaphragm

Stainless steel, mat. No. 1.4404/316L or Hastelloy C276, mat. No. 2.4819, Monel, mat. No. 2.4360, tantalum or gold

  • Process flanges and sealing screw

Stainless steel, mat. No. 1.4408, Hastelloy C4, mat. No. 2.4610 or Monel, mat. No. 2.4360

  • O-Ring

FPM (Viton) or optionally: PTFE, FEP, FEPM and NBR

Measuring cell filling

Silicone oil or inert filling liquid (max. 160 bar (2320 psi a) with oxygen measurement)

Process connection

¼-18 NPT and flange connection with mounting thread M10 to DIN 19213 or 7/16-20 UNF to EN 61518

Material of mounting bracket

 
  • Steel

Sheet-steel, Mat. No. 1.0330, chrome-plated

  • Stainless steel

Sheet stainless steel, mat. No. 1.4301 (SS 304)

Power supply U H

 

Supplied through bus

Terminal voltage on transmitter

10.5 ... 45 V DC10.5 ... 30 V DC in intrinsically-safe mode

-

Separate 24 V power supply necessary

-

No

Bus voltage

 
  • Not Ex

-

9 ...32 V

  • With intrinsically-safe operation

-

9 ...24 V

Current consumption

 
  • Basic current (max.)

-

12.5 mA

  • Startup current ≤ basic current

-

Yes

  • Max. current in event of fault

-

15.5 mA

Fault disconnection electronics (FDE) available

-

Yes

Certificates and approvals

   

Classification according to PED 97/23/EC

For gases of fluid group 1 and liquids of fluid group 1; complies with requirements of article 3, paragraph 3 (sound engineering practice)

Explosion protection

 
  • Intrinsic safety "i"

PTB 99 ATEX 2122

  • Marking

Ex II 1/2 G EEx ia/ib IIB/IIC T6

  • Permissible ambient temperature

-40 ... +85 °C (-40 ... +185 °F) temperature class T4;-40 ... +70 °C (-40 ... +158 °F) temperature class T5;-40 ... +60 °C (-40 ... +140 °F) temperature class T6

  • Interface

To certified intrinsically-safe circuits with peak values: Ui = 30 V, Ii = 100 mA, Pi = 750 mW; Ri = 300 Ω

FISCO supply unit: Uo = 17.5 V, Io = 380 mA, Po = 5.32 W

Linear barrier: Uo = 24 V, Io = 250 mA, Po = 1.2 W

  • Effective internal inductance/capacitance

L i = 0.4 mH, Ci = 6 nF

L i = 7 μH, Ci = 1.1 nF

  • Explosion-proof "d"

PTB 99 ATEX 1160

  • Marking

Ex II 1/2 G EEx d IIC T4/T6

  • Permissible ambient temperature

-40 ... +85 °C (-40 ... +185 °F) temperature class T4;-40 ... +60 °C (-40 ... +140 °F) temperature class T6

  • Interface

To circuits with values: UH = 10.5 ... 45 V DC

To circuits with values: UH = 9 ... 32 V DC

  • Dust explosion protection for zone 20

PTB 01 ATEX 2055

  • Marking

Ex II 1 D IP65 T 120 °CEx II 1/2 D IP65 T 120 °C

  • Permissible ambient temperature

-40 ... +85 °C (-40 ... +185 °F)

  • Max. surface temperature

120 °C (248 °F)

  • Interface

To certified intrinsically-safe circuits with peak values: Ui = 30 V, Ii = 100 mA, Pi = 750 mW, Ri = 300 Ω

FISCO supply unit: Uo = 17.5 V, Io = 380 mA, Po = 5.32 W

Linear barrier: Uo = 24 V, Io = 250 mA, Po = 1.2 W

  • Effective internal inductance/capacitance

L i = 0.4 mH, Ci = 6 nF

L i = 7 μH, Ci = 1.1 nF

  • Dust explosion protection for zone 21/22

PTB 01 ATEX 2055

  • Marking

Ex II 2 D IP65 T 120 °C

  • Interface

To circuits with values: UH = 10.5 ... 45 V DC; Pmax = 1.2 W

To circuits with values: UH = 9 ... 32 V DC; Pmax = 1.2 W

  • Type of protection "n" (zone 2)

TÜV 01 ATEX 1696 X

Planned

  • Marking

Ex II 3 G EEx nA L IIC T4/T5/T6

-

  • Explosion protection acc. to FM

Certificate of Compliance 3008490

  • Identification (XP/DIP) or (IS); (NI)

CL I, DIV 1, GP ABCD T4...T6; CL II, DIV 1, GP EFG; CL III; CL I, ZN 0/1 AEx ia IIC T4...T6; CL I, DIV 2, GP ABCD T4...T6; CL II, DIV 2, GP FG; CL III

  • Explosion protection to CSA

Certificate of Compliance 1153651

  • Identification (XP/DIP) or (IS)

CL I, DIV 1, GP ABCD T4...T6; CL II, DIV 1, GP EFG; CL III; Ex ia IIC T4...T6; CL I, DIV 2, GP ABCD T4...T6; CL II, DIV 2, GP FG; CL III

HART communication

 

HART communication

230 ... 1100 Ω

Protocol

HART Version 5.x

Software for computer

SIMATIC PDM

PROFIBUS PA communication

 

Simultaneous communication with master class 2 (max.)

4

The address can be set using

Configuration tool or local operation (standard setting address 126)

Cyclic data usage

 
  • Output byte

5 (one measured value) or10 (two measured values)

  • Input byte

0, 1, or 2 (register operating mode and reset function for metering)

Internal preprocessing

 

Device profile

PROFIBUS PA Profile for Process Control Devices Version 3.0, Class B

Function blocks

2

  • Analog input
 
  • Adaptation to customer-specific process variables

Yes, linearly rising or falling characteristic

  • Electrical damping T63 , adjustable

0 to 100 s

  • Simulation function

Input /Output

  • Failure mode

parameterizable (last good value, substitute value, incorrect value)

  • Limit monitoring

Yes, one upper and lower warning limit and one alarm limit respectively

  • Register (totalizer)

Can be reset, preset, optional direction of counting, simulation function of register output

  • Failure mode

parameterizable (summation with last good value, continuous summation, summation with incorrect value)

  • Limit monitoring

One upper and lower warning limit and one alarm limit respectively

  • Physical block

1

Transducer blocks

2

  • Pressure transducer block
 
  • Can be calibrated by applying two pressures

Yes

  • Monitoring of sensor limits

Yes

  • Specification of a container characteristic with

Max. 30 nodes

  • Square-rooted characteristic for flow measurement

Yes

  • Gradual volume suppression and implementation point of square-root extraction

Parameterizable

  • Simulation function for measured pressure value and sensor temperature

Constant value or over parameterizable ramp function

Communication Foundation Fieldbus

 

Function blocks

3 function blocks analog input, 1 function block PID

  • Analog input
 
  • Adaptation to customer-specific process variables

Yes, linearly rising or falling characteristic

  • Electrical damping T63 , adjustable

0 to 100 s

  • Simulation function

Output/input (can be locked within the device with a bridge)

  • Failure mode

parameterizable (last good value, substitute value, incorrect value)

  • Limit monitoring

Yes, one upper and lower warning limit and one alarm limit respectively

  • Square-rooted characteristic for flow measurement

Yes

  • PID

Standard FF function block

  • Physical block

1 resource block

Transducer blocks

1 transducer block Pressure with calibration, 1 transducer block LCD

  • Pressure transducer block
 
  • Can be calibrated by applying two pressures

Yes

  • Monitoring of sensor limits

Yes

  • Simulation function: Measured pressure value, sensor temperature and electronics temperature

Constant value or over parameterizable ramp function

 


Чертеж

Скачать Заказные данные Скачать Аксессуары 
ENG: For absolute pressure (from the differential pressure series)

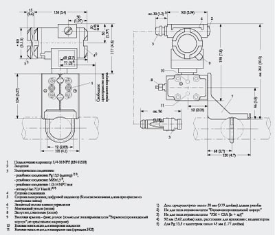
SITRANS P pressure transmitters, DS III HART series for absolute pressure, from the differential pressure series, dimensions in mm (inch)

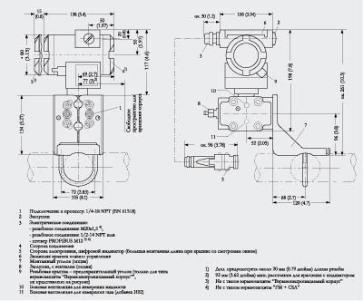
SITRANS P pressure transmitters, DS III PA and FF series for absolute pressure, from the differential pressure series, dimensions in mm (inch)

 


Заказные данные

Скачать Заказные данные Скачать Аксессуары 

Цена на сайте указана розничная в ЕВРО без учета НДС.Для уточнения цены и размера предоставляемой скидки - звоните или присылайте заявки

Заказной номерPGОписание продуктаЦена
7MF4333-.....-....8057MF4333 - Преобразователь давления измерительный SITRANS P DS III для абсолютного давления, выходной сигнал 4 ... 20 мА, протокол HART, 1751.12
7MF4334-.....-....8057MF4334 - Преобразователь давления измерительный SITRANS P DS III для абсолютного давления, с интерфейсом Profibus PA, 1906.94
7MF4335-.....-....8057MF4335 - Преобразователь давления измерительный SITRANS P DS III для абсолютного давления, с интерфейсом Foundation Fieldbus, 2026.72