0

Разделы

Скачать Заказные данные Скачать Аксессуары 
ENG: For filling level

SITRANS P, DS III series for level

 

HART

PROFIBUS PA or Foundation Fieldbus

Input

 

Measured variable

Level

Spans (infinitely adjustable) or nominal measuring range and max. permissible operating pressure

Span

Maximum operating pressure

Nominal measuring range

Maximum operating pressure

 

25 ... 250 mbar g(0.36 ... 3.63 psi g)

See "Mounting flange"

250 mbar g(3.63 psi g)

See "Mounting flange"

 

25 ... 600 mbar g(0.36 ... 8.7 psi g)

See "Mounting flange"

600 mbar g(8.7 psi g)

See "Mounting flange"

 

53 ... 1600 mbar g(0.77 ... 23.2 psi g)

See "Mounting flange"

1600 mbar g(23.2 psi g)

See "Mounting flange"

 

160 ... 5000 mbar g(2.32 ... 72.5 psi g)

See "Mounting flange"

5000 mbar g(72.5 psi g)

See "Mounting flange"

Lower measuring limit

   
  • Measuring cell with silicone oil filling

-100 % of max. span or 30 mbar (0.435 psi a), depending on mounting flange

Upper measuring limit

100 % of max. span

100 % of the max. nominal measuring range

Output

 

Output signal

4 ... 20 mA

Digital PROFIBUS PA or Foundation Fieldbus signal

  • Lower limit (infinitely adjustable)

3.55 mA, factory preset to 3.84 mA

-

  • Upper limit (infinitely adjustable)

23 mA, factory preset to 20.5 mA or optionally set to 22.0 mA

-

Load

 
  • Without HART communication

R B ≤ (UH - 10.5 V)/0.023 A in Ω,UH : Power supply in V

-

  • With HART communication

R B = 230 ... 500 Ω (SIMATIC PDM) orRB = 230 ... 1100 Ω (HART Communicator)

-

Physical bus

-

IEC 61158-2

Protection against polarity reversal

Protected against short-circuit and polarity reversal. Each connection against the other with max. supply voltage.

Measuring accuracy

Acc. to EN 60770-1

Reference conditions (All error data refer always refer to the set span)

Increasing characteristic, start-of-scale value 0 bar, stainless steel seal diaphragm, silicone oil filling, room temperature 25 °C (77 °F)) r: Span ratio (r = max. span / set span)

Error in measurement and fixed-point setting (including hysteresis and repeatability)

 
  • Linear characteristic
 

≤ 0,15 %

  • r ≤ 10

≤ 0,15 %

 
  • 10 < r ≤ 30

≤ 0,3 %

 
  • 30 < r ≤ 100

≤ (0.0075 · r + 0.075)%

 

Long-term drift (temperature change ±30 °C (±54 °F))

≤ (0.25 · r)% every 5 yearsstatic pressure max. 70 bar g (1015 psi g)

≤ (0,25 % every 5 yearsstatic pressure max. 70 bar g (1015 psi g)

Influence of ambient temperature

   
  • at -10 ... +60 °C (14 ... 140 °F)
   
  • 250-mbar (3.63 psi) measuring cell

≤ (0.5 · r + 0.2)% (0.4 instead of 0.2 with 10 < r ≤ 30)

≤ 0,7 %

  • 600-mbar (8.7 psi) measuring cell

≤ (0.3 · r + 0.2)% (0.4 instead of 0.2 with 10 < r ≤ 30)

≤ 0,5 %

  • 1600 and 5000 mbar (23.2 and 72.5 psi) measuring cells

≤ (0.25 · r + 0.2) % (0.4 instead of 0.2 with 10 < r ≤ 30)

≤ 0,45 %

  • at -40 ... -10 °C and +60 ... +85 °C(-40 ... +14 °F and 140 ... 185 °F)
   
  • 250-mbar (3.63 psi) measuring cell

≤ (0.25 · r +0.15) %/10 K double values with 10 < r ≤ 30

≤ 0.4 %/10 K

  • 600-mbar (8.7 psi) measuring cell

≤ (0.15 · r + 0,15)%/10 Kdouble values with 10 < r ≤ 30

≤ 0.3 %/10 K

  • 1600 and 5000 mbar (23.2 and 72.5 psi) measuring cells

≤ (0.12 · r +0.15) %/10 K double values with 10 < r ≤ 30

≤ 0.27 %/10 K

Influence of static pressure

 
  • on the zero point
   
  • 250-mbar (3.63 psi) measuring cell

≤ (0.3 · r)% per nominal pressure

≤ 0.3 % per nominal pressure

  • 600-mbar (8.7 psi) measuring cell

≤ (0.15 · r)% per nominal pressure

≤ 0,15 % per nominal pressure

  • 1600 and 5000 mbar (23.2 and 72.5 psi) measuring cells

≤ (0.1 · r)% per nominal pressure

≤ 0.1 % per nominal pressure

  • on the span

≤ (0.1 · r)% per nominal pressure

≤ 0.1 % per nominal pressure

Measured Value Resolution

-

3 · 10-5 of nominal measuring range

Rated conditions

 

Degree of protection (to EN 60529)

IP65

Temperature of medium

Note: Always take into account assignment of max. permissible operating temperature to max. permissible operating pressure of the respective flange connection!

  • Measuring cell with silicone oil filling

-40 ... +100 °C (-40 ... +212 °F)

  • High-pressure side

pabs ≥ 1bar: -40 ... +175 °C (-40 ... +347 °F)

pabs < 1 bar: -40 ... +80 °C (-40 ... +176 °F)

  • Low-pressure side

-40 ... +100 °C (-40 ... +212 °F)

-20 ... +60 °C (-4 ... +140 °F) in conjunction with dust explosion protection

Ambient conditions

 
  • Ambient temperature
 
  • Digital indicator

-30 ... +85 °C (-22 ... +185 °F)

  • Storage temperature

-50 ... +85 °C (-58 ... +185 °F)

  • Climatic class
 
  • Condensation

Permissible

  • Electromagnetic Compatibility
 
  • Emitted interference

Acc. to EN 50081-1

  • Interference immunity

Acc. to EN 61326 and NAMUR NE 21

Design

 

Weight (without options)

 

To EN (pressure transmitter with mounting flange, without tube)

≈ 11 ... 13 kg (≈ 24.2 ... 28.7 lb)

To ASME (pressure transmitter with mounting flange, without tube)

≈ 11 ... 18 kg (≈ 24.2 ... 39.7 lb)

Enclosure material

Low-copper die-cast aluminum, GD-AlSi 12 or stainless steel precision casting, mat. No. 1.4408

Wetted parts materials

 

High-pressure side

 
  • Seal diaphragm of mounting flange

Stainless steel, mat. No. 1.4404/316L, Monel, mat. No. 2.4360, Hastelloy B2, mat. No. 2.4617, Hastelloy C276, mat. No. 2.4819, Hastelloy C4, mat. No. 2.4610, tantalum, PTFE, ECTFE

Measuring cell filling

Silicone oil

Process connection

 

High-pressure side

Flange to EN and ASME

Low-pressure side

Female thread ¼-18 NPT and flange connection with mounting thread M10 to DIN 19213 or 7/16-20 UNF to EN 61518

Power supply U H

 

Supplied through bus

Terminal voltage on transmitter

10.5 ... 45 V DC10.5 ... 30 V DC in intrinsically-safe mode

-

Separate 24 V power supply necessary

-

No

Bus voltage

 
  • Not Ex

-

9 ...32 V

  • With intrinsically-safe operation

-

9 ...24 V

Current consumption

 
  • Basic current (max.)

-

12.5 mA

  • Startup current ≤ basic current

-

Yes

  • Max. current in event of fault

-

15.5 mA

Fault disconnection electronics (FDE) available

-

Yes

Certificates and approvals

   

Classification according to PED 97/23/EC

For gases of fluid group 1 and liquids of fluid group 1; complies with requirements of article 3, paragraph 3 (sound engineering practice)

Explosion protection

 
  • Intrinsic safety "i"

PTB 99 ATEX 2122

  • Marking

Ex II 1/2 G EEx ia/ib IIB/IIC T6

  • Permissible ambient temperature

-40 ... +85 °C (-40 ... +185 °F) temperature class T4;-40 ... +70 °C (-40 ... +158 °F) temperature class T5;-40 ... +60 °C (-40 ... +140 °F) temperature class T6

  • Interface

To certified intrinsically-safe circuits with peak values: Ui = 30 V, Ii = 100 mA, Pi = 750 mW; Ri = 300 Ω

FISCO supply unit: Uo = 17.5 V, Io = 380 mA, Po = 5.32 W

Linear barrier: Uo = 24 V, Io = 250 mA, Po = 1.2 W

  • Effective internal inductance/capacitance

L i = 0.4 mH, Ci = 6 nF

L i = 7 μH, Ci = 1.1 nF

  • Explosion-proof "d"

PTB 99 ATEX 1160

  • Marking

Ex II 1/2 G EEx d IIC T4/T6

  • Permissible ambient temperature

-40 ... +85 °C (-40 ... +185 °F) temperature class T4;-40 ... +60 °C (-40 ... +140 °F) temperature class T6

  • Interface

To circuits with values: UH = 10.5 ... 45 V DC

To circuits with values: UH = 9 ... 32 V DC

  • Dust explosion protection for zone 20

PTB 01 ATEX 2055

  • Marking

Ex II 1 D IP65 T 120 °CEx II 1/2 D IP65 T 120 °C

  • Permissible ambient temperature

-40 ... +85 °C (-40 ... +185 °F)

  • Max. surface temperature

120 °C (248 °F)

  • Interface

To certified intrinsically-safe circuits with peak values: Ui = 30 V, Ii = 100 mA, Pi = 750 mW, Ri = 300 Ω

FISCO supply unit: Uo = 17.5 V, Io = 380 mA, Po = 5.32 W

Linear barrier: Uo = 24 V, Io = 250 mA, Po = 1.2 W

  • Effective internal inductance/capacitance

L i = 0.4 mH, Ci = 6 nF

L i = 7 μH, Ci = 1.1 nF

  • Dust explosion protection for zone 21/22

PTB 01 ATEX 2055

  • Marking

Ex II 2 D IP65 T 120 °C

  • Interface

To circuits with values: UH = 10.5 ... 45 V DC; Pmax = 1.2 W

To circuits with values: UH = 9 ... 32 V DC; Pmax = 1.2 W

  • Type of protection "n" (zone 2)

TÜV 01 ATEX 1696 X

TÜV 01 ATEX 1696 X

  • Marking

Ex II 3 G EEx nA L IIC T4/T5/T6

Ex II 3 G EEx nA L IIC T4/T5/T6

  • Explosion protection acc. to FM

Certificate of Compliance 3008490

  • Identification (XP/DIP) or (IS); (NI)

CL I, DIV 1, GP ABCD T4...T6; CL II, DIV 1, GP EFG; CL III; CL I, ZN 0/1 AEx ia IIC T4...T6; CL I, DIV 2, GP ABCD T4...T6; CL II, DIV 2, GP FG; CL III

  • Explosion protection to CSA

Certificate of Compliance 1153651

  • Identification (XP/DIP) or (IS)

CL I, DIV 1, GP ABCD T4...T6; CL II, DIV 1, GP EFG; CL III; Ex ia IIC T4...T6; CL I, DIV 2, GP ABCD T4...T6; CL II, DIV 2, GP FG; CL III

HART communication

 

HART communication

230 ... 1100 Ω

Protocol

HART Version 5.x

Software for computer

SIMATIC PDM

PROFIBUS PA communication

 

Simultaneous communication with master class 2 (max.)

4

The address can be set using

Configuration tool or local operation (standard setting address 126)

Cyclic data usage

 
  • Output byte

5 (one measured value) or10 (two measured values)

  • Input byte

0, 1, or 2 (register operating mode and reset function for metering)

Internal preprocessing

 

Device profile

PROFIBUS PA Profile for Process Control Devices Version 3.0, Class B

Function blocks

2

  • Analog input
 
  • Adaptation to customer-specific process variables

Yes, linearly rising or falling characteristic

  • Electrical damping T63 , adjustable

0 to 100 s

  • Simulation function

Input /Output

  • Failure mode

parameterizable (last good value, substitute value, incorrect value)

  • Limit monitoring

Yes, one upper and lower warning limit and one alarm limit respectively

  • Register (totalizer)

Can be reset, preset, optional direction of counting, simulation function of register output

  • Failure mode

parameterizable (summation with last good value, continuous summation, summation with incorrect value)

  • Limit monitoring

One upper and lower warning limit and one alarm limit respectively

  • Physical block

1

Transducer blocks

2

  • Pressure transducer block
 
  • Can be calibrated by applying two pressures

Yes

  • Monitoring of sensor limits

Yes

  • Specification of a container characteristic with

Max. 30 nodes

  • Square-rooted characteristic for flow measurement

Yes

  • Gradual volume suppression and implementation point of square-root extraction

Parameterizable

  • Simulation function for measured pressure value and sensor temperature

Constant value or over parameterizable ramp function

Communication Foundation Fieldbus

 

Function blocks

3 function blocks analog input, 1 function block PID

  • Analog input
 
  • Adaptation to customer-specific process variables

Yes, linearly rising or falling characteristic

  • Electrical damping T63 , adjustable

0 to 100 s

  • Simulation function

Output/input (can be locked within the device with a bridge)

  • Failure mode

parameterizable (last good value, substitute value, incorrect value)

  • Limit monitoring

Yes, one upper and lower warning limit and one alarm limit respectively

  • Square-rooted characteristic for flow measurement

Yes

  • PID

Standard FF function block

  • Physical block

1 resource block

Transducer blocks

1 transducer block Pressure with calibration, 1 transducer block LCD

  • Pressure transducer block
 
  • Can be calibrated by applying two pressures

Yes

  • Monitoring of sensor limits

Yes

  • Simulation function: Measured pressure value, sensor temperature and electronics temperature

Constant value or over parameterizable ramp function

Mounting flange

 

Nominal diameter

Nominal pressure

  • Acc. to EN 1092-1
 
  • DN 80

PN 40

  • DN100

PN16, PN40

  • To ASME B16.5
 
  • 3 inch

Class 150, class 300

  • 4 inch

Class 150, class 300

 


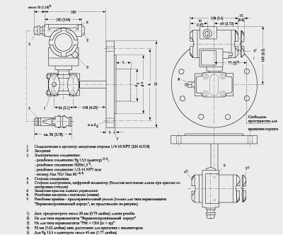
Чертеж

Скачать Заказные данные Скачать Аксессуары 
ENG: For filling level

SITRANS P pressure transmitters, DS III HART series for level, including mounting flange, dimensions in mm (inch)

Connection to EN 1092-1

Nom. diam.

Nom. press.

b

D

d

d2

d4

d5

dM

f

k

n

L

   

mm

mm

mm

mm

mm

mm

mm

mm

mm

mm

mm

DN 80

PN 40

24

200

90

18

138

76

72 1)

2

160

8

0, 50, 100, 150 or 200

DN 100

PN 40

20

220

115

18

158

94

89

2

180

8

 

PN 40

24

235

115

22

162

94

89

2

190

8

Connection to ASME B16.5

Nom. diam.

Nom. press.

b

D

d2

d4

d5

dM

f

k

n

L

 

lb/sq.in.

inch

inch

inch

inch

inch

inch

inch

inch

 

inch

   

(mm)

(mm)

(mm)

(mm)

(mm)

(mm)

(mm)

(mm)

 

(mm)

3 inch

150

0.94(23.8)

7.5(190.5)

0.75(19.0)

5(127)

3(76)

2.81 1)(72)

0.06(1.6)

6(152.4)

4

0, 2, 3.94, 5.94 or 7.87(0, 50, 100, 150 or 200)

 

300

1.12(28.6)

8.25(209.5)

0.87(22.2)

5(127)

3(76)

2.81 1)(72)

0.06(1.6)

6.69(168.3)

8

4 inch

150

0.94(23.8)

9(228.5)

0.75(19.0)

6.19(157.2)

3.69(94)

3.5(89)

0.06(1.6)

7.5(190.5)

8

 

300

1.25(31.7)

10(254)

0.87(22.2)

6.19(157.2)

3.69(94)

3.5(89)

0.06(1.6)

7.88(200)

8

Explanations concerning the tables:

d: Internal diameter of gasket to DIN 2690

dM: Effective diaphragm diameter

1) 89 mm = 3½ inch with tube length L = 0.

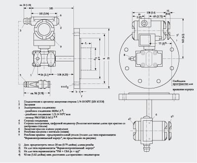
SITRANS P pressure transmitters, DS III PA and FF series for level, including mounting flange, dimensions in mm (inch)

Connection to EN 1092-1

Nom. diam.

Nom. press.

b

D

d

d2

d4

d5

dM

f

k

n

L

   

mm

mm

mm

mm

mm

mm

mm

mm

mm

mm

mm

DN 80

PN 40

24

200

90

18

138

76

721)

2

160

8

0, 50, 100, 150 or 200

DN 100

PN 40

20

220

115

18

158

94

89

2

180

8

 

PN 40

24

235

115

22

162

94

89

2

190

8

Connection to ASME B16.5

Nom. diam.

Nom. press.

b

D

d2

d4

d5

dM

f

k

n

L

 

lb/sq.in.

inch

inch

inch

inch

inch

inch

inch

inch

 

inch

   

(mm)

(mm)

(mm)

(mm)

(mm)

(mm)

(mm)

(mm)

 

(mm)

3 inch

150

0.94(23.8)

7.5(190.5)

0.75(19.0)

5(127)

3(76)

2.81 1)(72)

0.06(1.6)

6(152.4)

4

0, 2, 3.94, 5.94 or 7.87(0, 50, 100, 150 or 200)

 

300

1.12(28.6)

8.25(209.5)

0.87(22.2)

5(127)

3(76)

2.811)(72)

0.06(1.6)

6.69(168.3)

8

4 inch

150

0.94(23.8)

9(228.5)

0.75(19.0)

6.19(157.2)

3.69(94)

3.5(89)

0.06(1.6)

7.5(190.5)

8

 

300

1.25(31.7)

10(254)

0.87(22.2)

6.19(157.2)

3.69(94)

3.5(89)

0.06(1.6)

7.88(200)

8

Explanations of tables:

d: Internal diameter of gasket to DIN 2690

dM: Effective diaphragm diameter

1) 89 mm = 3½ inch with tube length L = 0.

 


Заказные данные

Скачать Заказные данные Скачать Аксессуары 

Цена на сайте указана розничная в ЕВРО без учета НДС.Для уточнения цены и размера предоставляемой скидки - звоните или присылайте заявки

Заказной номерPGОписание продуктаЦена
7MF4633-.....-....8057MF4633 - Преобразователь давления измерительный SITRANS P DS III для дифференциального давления (уровня), выходной сигнал 4 ... 20 мА, протокол HART, статическое давление PN32/160, 1569.86
7MF4634-.....-....8057MF4634 - Преобразователь давления измерительный SITRANS P DS III для дифференциального давления (уровня), с интерфейсом Profibus PA, статическое давление PN32/160, 1724.62
7MF4635-.....-....8057MF4635 - Преобразователь давления измерительный SITRANS P DS III для дифференциального давления (уровня), с интерфейсом Foundation Fieldbus, статическое давление PN32/160, 1844.40
7MF4912-.....8087MF4912 - Мембранный разделитель давления фланцевой конструкции прямого монтажа для преобразователя гидростатического давления (уровня), 0.00