0

Разделы

Скачать Заказные данные Скачать Аксессуары 
ENG: For filling level

SITRANS P500 for fill level

Input

 

Measured variable

Level

 

Span (infinitely adjustable)

Measuring span

Maximum operating pressure

 

1.25 ... 250 mbar (0.5 … 100.4 in H2O)

See "Mounting flange"

 

6.25 ... 1250 mbar (2.5 … 502 in H2O)

Lower measuring limit

 
  • Measuring cell with silicone oil filling

-100 % of max. span and/or 30 mbar a (0.44 psi a)(optional vacuum resistance available)

Upper measuring limit

100% of max. span

Start of scale

Between measuring limits (infinitely adjustable)

Output

 

Output signal

4 ... 20 mA

  • Lower limit (infinitely adjustable)

3.55 mA, factory preset to 3.8 mA

  • Upper limit (infinitely adjustable)

23 mA, factory setting 20.5 mA

  • Ripple (without HART communication)

Ipp ≤ 0.5 of max. output current

  • adjustable damping

0... 100 s in steps of 0.1 s, factory-set to 2 s

  • current transmitter

3.55 ... 23 mA

  • Failure signal

adjustable within limits:

  • Lower: 3.55 … 3.7 mA (factory set to 3.6 mA)
  • Upper: 21.0 … 23 mA (factory set to 22.8 mA)

Load

 
  • Without HART communication

R B ≤ (UH - 10.5 V)/0.023 A in Ω,UH : Power supply in V

  • With HART communication
 
  • HART-Communicator

R B = 230 ... 1100 Ω

  • HART modem

R B = 230 ... 500 Ω

Characteristic curve

Linearly rising or linearly falling and user-specific

Measuring accuracy

 

Reference conditions (in accordance with IEC 60770-1)

  • Rising characteristic curve
  • Start of scale 0 bar
  • Stainless steel seal diaphragm
  • Measuring cell with silicone oil filling
  • Room temperature (25 °C (77 °F))

Conformity error at limit setting incl. hysteresis and reproducibility

r: Span ratio (r = max. span / set span)

 
  • Linear characteristic
 
  • r + 10

≤0,04 %

  • r > 10

≤ (0,003 . r + 0.01) %

Long-term stability

≤ 0.1 · ) % per 5 years

≤ 0.15 · ) % per 10 years

Influence of ambient temperature per 28 °C

≤ (0.094*r+0.05) % / 28°C

Influence of static pressure

 
  • On the zero point (PKN)

(0,02 . r ) % per 70 bar

  • on the span (PKS)

0.1 % per 70 bar

Influence of power supply

≤ 0.005 ... 1 V

Rated conditions

 

Mounting position

Defined by flange

Ambient conditions

 
  • Ambient temperature(Note: Observe the temperature class in areas subject to explosion hazard.)
 
  • total device

-40 ... +85 °C (-40 ... +185 °F)

  • Readable digital display

-20 ... +85 °C (-4 ... +185 °F)

  • Storage temperature

-50 ... +90 °C (-58 ... +194 °F)

Climatic class

 
  • Condensation

Relative humidity 0 … 100 % (condensation permissible)

Degree of protection (to EN 60529)

IP66/IP68 (with corresponding cable gland)

Electromagnetic Compatibility

 
  • Emitted interference and interference immunity

Acc. to EN 61326 and NAMUR NE 21

Permissible pressures

According to 97/23/EC pressure equipment directive

Temperature of medium

 
  • Measuring cell with silicone oil filling

-40 ... +125 °C (-40 ... +257 °F)

Design

 

Weight

 
  • To EN (pressure transmitter with mounting flange, without tube)

approx. 11 … 13 kg (24.2 … 28.7 (lb)

  • To ASME (pressure transmitter with mounting flange, without tube)

approx. 11 … 18 kg (24.2 … 39.7 lb)

Material of parts in contact with the medium

 
  • High-pressure side
 
  • Seal diaphragm of mounting flange

Stainless steel , mat. no. 1.4404/316L, Monel 400, W-Nr. 2.4360, Hastelloy B2, mat. no. 2.4617, Hastelloy C276, mat. no. 2.4819, Hastelloy C4,mat. no. 2.4610, Tantal, PTFE, ECTFE

  • Sealing face

Smooth to EN 1092-1, Form b1 and/or ASME B16.5 RF 125 … 250 AA for stainless steel316L, EN2092-1 Form B2 and/or ASME B16.5 RFSF in the case of other materials

  • Sealing material in the process connections
 
  • For standard applications

PTFE

  • For vacuum application of mounting flange

copper

  • Low-pressure side
 
  • Seal diaphragm

Stainless steel, mat. no. 1.4404/316L

  • Process connection and sealing screw
  • Stainless steel, mat. no. 1.4404/316L
  • O-Ring

Standard: Viton (FKM(FPM))optional: NBR

Material of parts not in contact with media

 

Electronics housing

  • Low copper die-cast aluminum AC-AlSi12 (Fe) or AC-AlSi 10 Mg (Fe) to DIN EN 1706
  • Lacquer on polyurethane base, optional epoxy-based primer
  • Stainless steel serial plate

Process connection screws

Stainless steel

Measuring cell filling

Silicone oil

  • Liquid mounting flange

Silicone oil or other material

Process connection

 
  • High-pressure side

Flange to EN and ASME

  • Low-pressure side

¼-18 NPT female thread and flange connection with M10 to DIN 19213 or 7/16-20 UNF mounting thread to EN 61518

Electrical connection

  • Screw terminals
  • Cable entry via the following screwed glands:
    • M20 x 1.5
    • ½-14 NPT
    • Han 7D/Han 8D connector
    • M12 plug

Displays and controls

 

Keys

3; for operation directly on the device

Digital display

  • With or without integrated digital display (optional)
  • Cover with or without window (optional)

Auxiliary power supply

 

Terminal voltage on transmitter

  • DC 10,5 V ... 45 V
  • With intrinsically-safe operation DC 10.5 V ... 30 V

Certificates and approvals

 

Classification according to PED 97/23/EC

 
  • PN 160 (MWP 2320 psi)

For gases of fluid group 1 and liquids of fluid group 1; complies with requirements of article 3, paragraph 3 (sound engineering practice)

Explosion protection

 

Explosion protection for Europe (to ATEX)

 
  • Intrinsic safety "i"

PTB 09 ATEX 2004 X

  • Marking

Ex II 1/2 G Ex ia/ib IIC T4

  • Permissible ambient temperature

-40 ... +85 °C (-40 ... +185 °F)

  • Connection

To certified intrinsically-safe circuits with peak values: Ui = 30 V, Ii = 100 mA, Pi = 750 mW; Ri = 300 Ω

  • Effective internal inductance:

Li = 400µH

  • Effective inner capacitance:

Ci = 6 nF

  • Explosion-proof "d"

BVS 09 ATEX E 027

  • Marking

Ex II 1/2 G Ex d IIC T4/T6

  • Permissible ambient temperature

-40 ... +85 °C (-40 ... +185 °F) temperature class T4;-40 ... +60 °C (-40 ... +140 °F) temperature class T6

  • Connection

To circuits with values: Um = DC 10.5 ... 45 V

  • Dust explosion protection for zone 20

PTB 09 ATEX 2004 X

  • Marking

Ex II 1 D Ex iaD 20 T 120 °C

  • Permissible ambient temperature

-40 ... +85 °C (-40 ... +185 °F)

  • Max. surface temperature

120 °C (248 °F)

  • Connection

To certified intrinsically-safe circuits with peak values: Ui = 30 V, Ii = 100 mA, Pi = 750 mW, Ri = 300 Ω

  • Effective internal inductance:

Li = 400µH

  • Effective inner capacitance:

Ci = 6 nF

  • Dust explosion protection for zone 21/22

BVS 09 ATEX E 027

  • Marking

Ex II 2 D IP65 T 120 °C

  • Connection

To circuits with values: UH = 10.5 ... 45 V DC; Pmax = 1.2 W

  • Type of protection "n" (zone 2)

PTB 09 ATEX 2004 X

  • Marking

Ex II 3 G Ex nA II T4/T6Ex II 2/3 G Ex ib/nL IIC T4/T6 Ex II 2/3 G Ex ib/ic IIC T4/T6

  • "nA" connection

Um = 45 V DC

  • "nL" connection

Ui = 45 V

  • Effective internal inductance:

Li = 400µH

  • Effective inner capacitance:

Ci = 6 nF

Explosion protection for USA (to FM)

 

Certificate of Compliance

No. 3033013

  • Identification (XP/DIP) or (IS)

XP CL I, DIV 1, GP ABCDEFG T4 / T6 DIP CL II, III, DIV1, GP EFG T4/T6IS CL I, II, III, DIV1, GP ABCDEFG T4

CL I, Zone 0, AEx ia IIC T4CL I, Zone 1, AEX ib IIC T4

  • Permissible Ambient Temperature

Ta = T4: -40 ... +85 °C (-40 ... +185 °F)Ta = T6: -40 ... +60 °C (-40 ... +140 °F)

  • Entity parameters

According to "control drawing":Vmax = 30 V, Imax = 100 mA,Pi = 750 mW, Li = 400µH , Ci = 6 nF

  • Marking (NI/NO)

NI CL I, DIV2, GP ABCD T4/T6NI CL I, Zone 2, GP IIC T4/T6S CL II, III, GPFG T4/T6NI CL I, DIV2, GP ABCD T4/T6, NIFWNI CL I, Zone 2, GP IIC T4/T6, NIFWNI CLII, III, DIV2, GP FG T4/T6, NIFW

  • Permissible Ambient Temperature

Ta = T4: -40 ... +85 °C (-40 ... +185 °F)Ta = T6: -40 ... +60 °C (-40 ... +140 °F)

  • (NI/S) parameters

According to "control drawing":Vmax = 45 V, Li = 400µH, Ci = 6 nF

Explosion protection for Canada (to C CSA US )

 

Certificate of Compliance

No. 2280963

  • Marking (XP/DIP)

CL I, DIV 1, GP ABCD T4 /T6; CL II, DIV 1, GP EFG T4/T6

  • Permissible Ambient Temperature

Ta = T4: -40 ... +85 °C (-40 ... +185 °F)Ta = T6: -40 ... +60 °C (-40 ... +140 °F)

  • Entity parameters

According to "control drawing":Vmax = 45 V

  • Marking (ia/ib)

CL I, Ex ia/Ex ib IIC, T4CL II, III, Ex ia/Ex ib, GP EFG, T4CL I, AEx ia/AEx ib IIC, T4CL II, III, AEx ia/ AEx ib, GP EFG, T4

  • Permissible Ambient Temperature

Ta = T4: -40 ... +85 °C (-40 ... +185 °F)

  • Entity parameters

Ui = 30 V, Ii = 100 mA, Pi = 750 mW, Ri = 300 Ω , Li = 400 µH, Ci = 6 nF

  • Marking (NI/n)

CL I, DIV2, GP ABCD T4/T6CL II, III, DIV2, GP FG T4/T6Ex nA IIC T4/T6AEx nA IIC T4/T6Ex nL IIC T4/T6AEx nL IIC T4/T6

  • Permissible Ambient Temperature

Ta = T4: -40 ... +85 °C (-40 ... +185 °F)Ta = T6: -40 ... +60 °C (-40 ... +140 °F)

  • NI/nA parameters

According to "control drawing":Vmax = 45 V

  • nL parameters

According to "control drawing":Ui = 45 V, Ii = 100 mA, Li = 400 µH, Ci = 6 nF

HART communication

 

Load with connection of

 
  • HART communicator

R B = 230 ... 1100 Ω

  • HART modem

R B = 230 ... 500 Ω

Cable

2 wire shielded: ≤ 3.0 km (1.86 miles), multiwire shielded: ≤ 1.5 km (0.93 miles)

Protocol

HART Version 6.0

PC/laptop requirements

IBM compatible, RAM > 32 Mb, hard disk > 70 Mb, depending on modem type: RS 232-interface or USB connection,VGA graphics

Software for computer

SIMATIC PDM 6.0

 


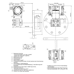
Чертеж

Скачать Заказные данные Скачать Аксессуары 
ENG: For filling level

SITRANS P pressure transmitter for filling level, P500 series, measurements in mm (inch)

Connection to EN 1092-1

Nominal diameter

Nominal pressure

L

D

h

d2

d4

d5

dM

j

k

n

L

   

mm (inch)

mm (inch)

mm (inch)

mm (inch)

mm (inch)

mm (inch)

mm (inch)

mm (inch)

mm (inch)

mm (inch)

mm (inch)

DN50

PN 40

20

165

61

18

102

48,3

472)

2

125

4

 

DN 80

PN 40

24

200

90

18

138

76

721)

2

160

8

0, 50, 100, 150 or 200

DN 100

PN 16

20

220

115

18

158

94

89

2

160

8

 

PN 40

24

235

115

22

162

94

89

2

190

8

Connection to ASME B16.5

Nominal diameter

Nominal pressure

L

D

d2

d4

d5

dM

j

k

n

L

 

lb/sq.in.

inch

inch

inch

inch

inch

inch

inch

inch

inch

inch

   

(mm)

(mm)

(mm)

(mm)

(mm)

(mm)

(mm)

(mm)

 

(mm)

2 inch

Class 150

0.77 (19,5)

5.91 (150)

0.75(19,0)

3.62(92)

1.9(48,3)

2.32(59,0)

0.079(2,0)

4.75(120,7)

4

0, 2, 3.94, 5.94 or 7.87(0, 50, 100, 150 or 200)

 

Class 300

0.89 (22,7)

6.49(165)

0.75(19,0)

3.62(92)

1.9(48,3)

2.32(59,0)

0.079(2,0)

5.0(127)

8

3 inch

Class 150

0.96(24,3)

7.5(190,5)

0.75(19,0)

5(127)

3.0(76)

2.83 1)(72)

0.079(2,0)

6(152,4)

4

 

Class 300

1.14(29,0)

8.27(210)

0.87(22,2)

5(127)

3.0(76)

2.83 1)(72)

0.079(2,0)

6.69(168,3)

8

4 inch

Class 150

0.96(24,3)

9.06(230)

0.75(19,0)

6.19(157,2)

3.69(94)

3.5(89)

0.079(2,0)

7.5(190,5)

8

 

Class 300

1.27(32,2)

10.04(255)

0.87(22,2)

6.19(157,2)

3.69(94)

3.5(89)

0.079(2,0)

7.88(200)

8

Explanations of tables:

d: Internal diameter of gasket to DIN 2690

dM: Effective diaphragm diameter

1 ) 89 mm = 3½ inch with tube length L=0.

 


Заказные данные

Скачать Заказные данные Скачать Аксессуары 

Цена на сайте указана розничная в ЕВРО без учета НДС.Для уточнения цены и размера предоставляемой скидки - звоните или присылайте заявки

Заказной номерPGОписание продуктаЦена
7MF56..-.....-....8P57MF56 - Преобразователь давления измерительный SITRANS P500 для измерения уровня, 3030.54

 


Аксессуары

Скачать Заказные данные Скачать Аксессуары 

Цена на сайте указана розничная в ЕВРО без учета НДС.Для уточнения цены и размера предоставляемой скидки - звоните или присылайте заявки

Заказной номерPGОписание продуктаЦена
7MF4997-1CG807Запорные винты из нерж. стали (1 набор - 2 болта) 21.84
7MF4997-1CH807Запорные винты из хастеллоя (1 набор - 2 болта) 63.28
7MF4997-1CP807Запорные винты с вентиляционным клапаном из нерж. стали (1 набор - 2 болта) 43.67
7MF4997-1DA807HART-модем с интерфейсом RS232 для подключения преобразователей к компьютеру. 414.46
7MF4997-1DB807HART-модем с интерфейсом USB для подключения преобразователей к компьютеру. 534.24
7MF4997-2EA807Прокладки для крышки из NBR (10 шт.) 54.59
7MF5987-1AA807Монтажный уголок для SITRANS P500, материал уголка: угл. сталь, материал болтов: нерж. сталь, размер болтов: М10. 33.81
7MF5987-1AC807Монтажный уголок для SITRANS P500, материал уголка: угл. сталь, материал болтов: нерж. сталь, размер болтов: 7/16-UNF. 44.73
7MF5987-1AD807Монтажный уголок для SITRANS P500, материал уголка: нерж. сталь, материал болтов: нерж. сталь, размер болтов: М10. 67.73
7MF5987-1AF807Монтажный уголок для SITRANS P500, материал уголка: нерж. сталь, материал болтов: нерж. сталь, размер болтов: 7/16-UNF. 67.73
7MF5987-1BE807Крышка без стекла для SITRANS P500, прокладка в комплекте, материал: литой алюминий покрытий эпоксидной краской. 50.24
7MF5987-1BF807Крышка со стеклом для SITRANS P500, прокладка в комплекте, материал: литой алюминий покрытий эпоксидной краской. 103.77
7MF5987-1BR807Дисплей с крепёжными элементами для SITRANS P500. 144.16
7MF5987-1CA807TAG-табличка для SITRANS P500, включая крепёжные элементы, без надписей, кол-во: 5 шт. 25.12
7MF5987-1CB807TAG-табличка для SITRANS P500, включая крепёжные элементы, с надписями Y01 или Y02, Y15 и Н16, кол-во: 5 шт. 38.27
7MF5987-1CC807Набор крепёжных элементов для SITRANS P500, состав: крепёжные элементы для TAG-таблички, винт блокировки вращения корпуса, винт заземления, винты крепления кабеля и крышки, кол-во: 30 шт. 78.65
7MF5987-1DC807Плата электроники для SITRANS P500 HART; исполнение Exia. 590.42
7MF5987-1DM807Плата эл. питания для SITRANS P500 HART; исполнение Exia; тип подключения - винтовые клеммы. 79.71
7MF5987-2DA807Кольцевые прокладки для SITRANS P500 для фланцев процесса, материал: FPM / FKM (витон), кол-во: 10 шт. 89.57
7MF5987-2DE807Кольцевые прокладки для SITRANS P500 для фланцев процесса, материал: NBR (резина), кол-во: 10 шт. 77.49
7MF5987-2EB807Кольцевые прокладки для SITRANS P500 для соединения ячейки и корпуса, материал: NBR (резина), кол-во: 10 шт. 56.82
7MF599.-.....8P5Запасная измерительная ячейка для преобразователя давления SITRANS P500. 1927.08
A5E02307338807SET OF SHORT MANUALS FOR SITRANS P, P500 SERIES IN: RUSSIAN 10.81
A5E02307339807SET OF SHORT MANUALS FOR SITRANS P, P500 SERIES IN: ENGLISH, ESTONIAN, LATVIAN, LITHUANIAN, POLISH, RUMANIAN 27.56
A5E02307340807SET OF SHORT MANUALS FOR SITRANS P, P500 SERIES IN: ENGLISH, BULGARIAN, CZECH, FINNISH, SLOVAKIAN, SLOVENIAN 27.56
A5E02307341807SET OF SHORT MANUALS FOR SITRANS P, P500 SERIES IN: ENGLISH, DANISH, GREEK, PORTUGUESE, SWEDISH, HUNGARIAN 27.56
A5E02344527807INSTRUCTIONS IN GERMAN FOR SITRANS P, P500 SERIES 38.16
A5E02344528807INSTRUCTIONS IN ENGLISH FOR SITRANS P, P500 SERIES 38.16
A5E02344529807INSTRUCTIONS IN FRENCH FOR SITRANS P, P500 SERIES 38.16
A5E02344530807INSTRUCTIONS IN ITALIAN FOR SITRANS P, P500 SERIES 38.16
A5E02344531807INSTRUCTIONS IN SPANISH FOR SITRANS P, P500 SERIES 38.16
A5E02344532807SET OF SHORT MANUALS FOR SITRANS P, P500 SERIES IN: ENGLISH, GERMAN, SPANISH, FRENCH, ITALIAN, DUTCH 27.56
A5E02344534807SERVICE MANUAL FOR SITRANS P, P500 SERIES IN ENGLISH 10.60
A5E02344536807SHORT INSTRUCTIONS (LEPORELLO) FOR SITRANS P,P500 SERIES IN GERMAN AND ENGLISH 7.53
A5E02344537807SHORT INSTRUCTIONS (LEPORELLO) FOR SITRANS P, P500 SERIES IN FRENCH AND ENGLISH 7.53
A5E02344538807SHORT INSTRUCTIONS (LEPORELLO) FOR SITRANS P,P500 SERIES IN ITALIAN AND ENGLISH 7.53
A5E02344539807SHORT INSTRUCTIONS (LEPORELLO) FOR SITRANS P, P500 SERIES IN SPANISH AND ENGLISH 7.53
A5E02344540807SHORT INSTRUCTIONS (LEPORELLO) FOR SITRANS P,P500 SERIES IN CHINESE AND ENGLISH 7.53
A5E03252406805CERTIFICATES ON PAPER) FOR SITRANS P ORDERS (FOR COMPL. ORDERS) 278.78
A5E03252407805CERTIFICATES ON PAPER FOR SITRANS P ORDERS (FOR COMPL. ORDERS) 222.60