Клеммный модуль ТМ31 позволяет увеличить количество цифровых входов и выходов и количество аналоговых входов и выходов для привода.
Клеммный модуль ТМ31 оснащен выходами реле с контакторным переключателем и входом для температурного датчика.
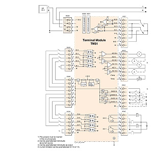
Следующие устройства расположены на Клеммном модуле ТМ31
• 8 цифровых входов• 4 двусторонних цифровых входа/выхода• 2 выхода реле с контакторным переключателем• 2 аналоговых входа• 2 аналоговых выхода• 1 вход температурного датчика (KTY84 130 или PTC)• 2 гнезда DRIVE CLiQ• 1 разъем для питания электронной системы через разъем питания 24 В DC • 1 разъем защитного заземления РЕ
Клеммный модуль ТМ31 может подключаться на цилиндрические салазки TH 35 в соответствии с требованиями стандарта EN 60715 (IEC 60715)Экран сигнального кабеля может подключаться на Клеммный модуль ТМ31 через экранированный штекер, например, штекер Phoenix SK8 или Weidmüller KFTÜ CO 1. Запрещается использовать экранированный штекер для сброса напряжения натяжения.Состояние Клеммного модуля ТМ31 отображается при помощи многоцветных светодиодных индикаторов.
Подключение терминального модуля TM31 к CU320 через DRIVE-CLiQ.
Стандартная схема подключения TM31
| Клеммный модуль ТМ31 | |
|---|---|
| Максимальное требование к значению тока при 24 В DC без учета цифровых выходов | 0.2 A |
| максимальное сечение провода | 2.5 мм2 |
| Максимальный ток | 20 A |
| Цифровые входы | |
| от – 3 В до + 30 В |
| от – 3 В до + 5 В |
| от 15 В до 30 В |
| Тип 10 мА |
| L → H: приблиз. 50 мсH → L: приблиз. 100 мс |
| 1.5 мм2 |
| Цифровые выходы (непрерывная проверка на короткое замыкание) | |
| 24 В DC |
| 100 мA |
| 400 мA |
| 1.5 мм2 |
| Аналоговые входы (переключатель используется перехода от входа напряжения на вход тока) | |
|
|
| от – 10 В до + 10 В |
| 100 кОм |
|
|
| от 4 мA до 20 мA, от – 20 мA до + 20 мA, от 0 мA до 20 мA |
| 250 Ом |
| 11 бит, + знак |
| 1.5 мм2 |
| Аналоговые выходы (непрерывная проверка на короткое замыкание) | |
| – 10 В дo + 10 В |
| – 3 мA дo + 3 мA |
| 4 мA дo 20 мA, – 20 мA дo + 20 мA, 0 мA до 20 мA |
| 500 Ом для выходов в диапазоне от – 20 мA до + 20 мA |
| 11 бит, + знак |
| 1.5 мм2 |
| Выходы реле (контакторный переключатель) | |
| 8 A |
| 250 В AC, 30 В DC |
| 2000 ВА (cos ϕ = 1)750 ВА (cos ϕ = 0.4) |
| 240 Вт (ohmic load) |
| 100 мА |
| 2.5 мм2 |
| Потери мощности | < 10 Вт |
| Разъем РЕ | На корпусе винтом М4 |
| Ширина | 50 мм (1.97 дюйм) |
| Высота | 150 мм (5.91 дюйм) |
| Глубина | 111 мм (4.37 дюйм) |
| Вес, примерно. | 0.87 кг (2 фнт) |
| Утверждено | cULus (Документ №: 164110) |
1) Указанное значение задержки распространения сигнала относится к аппаратному обеспечению. Фактическое время реакции зависит от интервала времени для обработки цифрового входа.
Цена на сайте указана розничная в ЕВРО без учета НДС.Для уточнения цены и размера предоставляемой скидки - звоните или присылайте заявки
| Заказной номер | PG | Описание продукта | Цена |
Цена на сайте указана розничная в ЕВРО без учета НДС.Для уточнения цены и размера предоставляемой скидки - звоните или присылайте заявки
| Заказной номер | PG | Описание продукта | Цена |
| 6SL3066-4CA00-0AA0 | 753 | SINAMICS ЗАГЛУШКА ДЛЯ ЗАЩИТЫ ОТ ПЫЛИ ДЛЯ ПОРТА DRIVE-CLIQ 50 ШТУК | 33.45 |