0

Разделы

Клеммный модуль ТМ41

Клеммный модуль TM41 подает сигналы TTL, которые моделируют инкрементальный датчик, то есть осуществляет передачу на более высокий уровень управления. Интерфейс датчика (моделирование инкрементального аналогово-цифрового преобразователя) получает сигнал датчика от Блока управления, например инкрементальный датчик sin/cos путем назначения параметра.

Клеммный модуль ТМ41 позволяет увеличить количество цифровых входов/выходов и аналоговых входов приводной системы

 


Дизайн

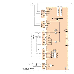
Клеммный модуль ТМ41

Следующие устройства расположены на Клеммном модуле ТМ41:

• 4 двусторонних цифровых входа/выхода• 4 цифровых входа (с электрической изоляцией)• 1 аналоговый вход• 1 интерфейс для моделирования инкрементального датчика TTL (RS422) • 1 светодиодный индикатор для подачи сигнала о выявлении нулевой отметки для интерфейса датчика• 2 гнезда DRIVE CLiQ• 1 разъем для питания 24 В DC  для цифровых выходов • 1 разъем для питания электронной системы через разъем питания 24 В DC • 1 разъем  защитного заземления РЕ

Клеммный модуль ТМ41 может подключаться на цилиндрические салазки TH 35 в соответствии с требованиями стандарта EN 60715 (IEC 60715)

Экран сигнального кабеля может подключаться на Клеммный модуль ТМ41 через экранированный штекер, например, штекнер Phoenix SK8 или Weidmüller KFTÜ CO 1. Запрещается использовать экранированный штекер для сброса напряжения натяжения.

Состояние Клеммного модуля ТМ41 отображается при помощи многоцветных светодиодных индикаторов. Светодиодный индикатор, расположенный рядом с интерфейсом для моделирования импульса датчика TTL, загорается в случае выявления нулевой отметки.

 


Интеграция

Клеммный модуль ТМ41

Подключение TM41 к CU310, CU320 или SIMOTION D через DRIVE-CLiQ.

Схема подключений TM41

 


Технические данные

Клеммный модуль ТМ41

Клеммный модуль ТМ41

 

Максимальное требование к значению тока (X524 при 24 В DC) без подачи DRIVE-CLiQ или цифровых выходов (X514)

0.2 A

максимальное сечение провода

2.5 mm2

Максимальный ток

20 A

I/O

  • цифровые входы/выходы

Индивидуальная параметризация DI или DO

  • количество цифровых входов/выходов

4

  • количество цифровых входов/выходов (с электрической изоляцией)

4

  • кабели и подключения

Штекеры под винт

  • максимальное сечение провода

1.5 мм2

Цифровые входы

  • Напряжение

от – 3 В до + 30 В (цифровые входы без электрической изоляции)от – 30 В до + 30 В (цифровые входы без электрической изоляции)

  • Низкий уровень (при открытом цифровом входе считается «низким»)

от – 3 В до + 5 В (цифровые входы без электрической изоляции)от – 30 В до + 5 В (цифровые входы без электрической изоляции)

  • Высокий уровень

15 В до 30 В

  • Потребление тока (стандартное значение при 24 В DC), стандарт

< 9 мА

  • Задержка распространения сигнала для цифровых входов, макс 1)

L → H: 3 мсH → L: 3 мс

Цифровые выходы (непрерывная проверка на короткое замыкание)

  • Напряжение

24 В DC

  • Максимальный ток нагрузки для цифрового выхода

0.5 A

  • Задержка выхода (омическая нагрузка) 1)

 

  • стандартное

L → H: 50 мксH → L: 75 мкс

  • максимальное

L → H: 100 мксH → L: 150 мкс

Аналоговый вход (дифференциальный)

 

  • Напряжение

– 10 В дo + 10 В

  • Внутреннее сопротивление

≥ 40 кОм

  • Разрешение

13 бит, + знак

Импульсная эмуляция датчика

  • уровень

TTL (RS422), A+, A-, B+, B-, zero track N+, N-

  • предельная частота fmax.

256 кГц

  • Соотношение импульсов датчика: Эмуляция датчика

1 : 1 с инкрементальным датчиком sin/cos и TTL/HTL(оценка резольвера при подготовке)

Разъем РЕ

На корпусе винтом М4

Ширина

50 мм (1.97 дюймов)

Высота

150 мм (5.91 дюймов)

Глубина

111 мм (4.37 дюймов)

Вес, примерно

0.85 кг (2 фнт)

Утверждено

cULus (Документ №: E164110)

1) Указанное значение задержки распространения сигнала относится к аппаратному обеспечению. Фактическое время реакции зависит от интервала времени для обработки цифрового входа/выхода.

 


Заказные данные

Цена на сайте указана розничная в ЕВРО без учета НДС.Для уточнения цены и размера предоставляемой скидки - звоните или присылайте заявки

Заказной номерPGОписание продуктаЦена

 


Аксессуары

Цена на сайте указана розничная в ЕВРО без учета НДС.Для уточнения цены и размера предоставляемой скидки - звоните или присылайте заявки

Заказной номерPGОписание продуктаЦена
6SL3066-4CA00-0AA0753SINAMICS ЗАГЛУШКА ДЛЯ ЗАЩИТЫ ОТ ПЫЛИ ДЛЯ ПОРТА DRIVE-CLIQ 50 ШТУК 33.45