0

Разделы

Комбинированный монтажный блок - Серия SB

Комбинированный монтажный блок - Серия SB

Самоцентрирующийся комбинированный монтажный блок для весоизмерительных ячеек серии SB особенно хорошо подходит для установки в небольшие резервуарные, платформенные и рольганговые весы.

Дизайн

Комбинированный монтажный блок состоит из подвижной стойки, головной плиты и плиты основания, а также из одного или двух винтов с потайной головкой, выполняющих роль ограничителей качания и стопоров подъема.

Самоцентрирующаяся подвижная опора позволяет головной плите и, соответственно, несущей конструкции следовать горизонтальным отклонениям (например, при колебаниях температуры). Конструкция стойки создает противодействующую силу, которая зависит от величины отклонения и приложенной нагрузки.

Ограничение качания предотвращает боковое отклонение и тем самым надежно защищает весоизмерительную ячейку от повреждений. Блок рассчитан на компенсацию максимальной горизонтальной силы в Fh = 10 кН. Макс. боковое отклонение составляет ±3 мм

Стопор подъема не дает несущей конструкции подниматься вверх на недопустимое расстояние. В весоизмерительных ячейкам с номинальной нагрузкой до 2 т стопор подъема способен выдерживать вертикальную силу не более Fv = 10 кН, а в ячейках до 5 т - не более Fv = 25 кН.

Интегрированная защита от перегрузки предохраняет весоизмерительные ячейки от повреждений при статической перегрузке с вертикальной силой до 40 кН (для ячеек с номинальной нагрузкой до 2 т) или 60 кН (для ячеек с номинальной нагрузкой до 5 т).

Весоизмерительная ячейка не входит в объем поставки комбинированного монтажного элемента.

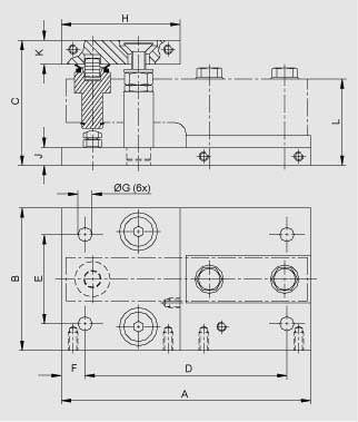
Чертеж

Номинальная нагрузка

A

B

C

D

E

F

ØG

H

J

K

L

0,5 ... 2 т

210

120

105

170

75

20

12

100

15

20

72,6

5 т

250

150

140

205

90

25

14

120

20

20

94,9


Комбинированный монтажный блок для весоизмерительных ячеек SIWAREX R серии SB, размеры

Заказные данные

Заказной №ОписаниеВес (кг)ДоставкаМин. зак. (шт)
7MH4135-4DC11SIWAREX R НАБОР УСТАНОВОЧНЫХ МОДУЛЕЙ ДЛЯ СЕРИИ SB НАГРУЗОЧНЫХ ЯЧЕЕК С ЗАЩЕЛКОЙ ПРОТИВ ПОДЪЕМОВ И ОГРАНИЧИТЕЛЕМ КОЛЕБАНИЙ, СОСТОИТ ИЗ ВЕРХНЕЙ И ПЛАСТИНА ОСНОВАНИЯ, СИЛОВАЯ НАПРАВЛЯЮЩАЯ ЧАСТЬ, САМОУСТАНАВЛИВАЮЩИЙСЯ БОЛТNG BOLTSNG BOLTS5.692по запросу (D)1
7MH4135-4KC11SIWAREX R НАБОР УСТАНОВОЧНЫХ МОДУЛЕЙ ДЛЯ СЕРИИ SB НАГРУЗОЧНЫХ ЯЧЕЕК С ЗАЩЕЛКОЙ ПРОТИВ ПРОВАЛОВ И ОГРАНИЧИТЕЛЕМ КОЛЕБАНИЙ, СОСТОИТ ИЗ ВЕРХНЕЙ И ПЛАСТИНА ОСНОВАНИЯ СИЛОВАЯ НАПРАВЛЯЮЩАЯ ЧАСТЬ,САМОУСТАНАВЛИВАЮЩИЕСЯ БОЛТЫ10.84по запросу (D)1