0

Разделы

Скачать Аксессуары 
Комбинированный монтажный блок

Самоцентрирующийся комбинированный монтажный блок для весоизмерительных ячеек серии SIWAREX WL270 CP-S SA особенно хорошо подходит для установки в контейнерные, платформенные, автомобильные и рольганговые весы.

 

 


Дизайн

Скачать Аксессуары 
Комбинированный монтажный блок

Комбинированный монтажный блок состоит из подвижной стойки, головной плиты и плиты основания, а также из одного или двух винтов с потайной головкой, выполняющих роль ограничителей качания и стопоров подъема.

Самоцентрирующаяся подвижная опора позволяет головной плите и, соответственно, несущей конструкции следовать горизонтальным отклонениям (например, при колебаниях температуры). Конструкция стойки создает противодействующую силу, которая зависит от величины отклонения и приложенной нагрузки.

Ограничение качания предотвращает боковое отклонение и тем самым надежно защищает весоизмерительную ячейку от повреждений. Блок рассчитан на компенсацию максимальной горизонтальной силы в Fh = 5 кН. Макс. боковое отклонение составляет ±1,5 мм.

Стопор подъема предотвращает недопустимо большой ход несущей конструкции вверх, вплоть до максимальной вертикальной силы в Fv = 6 кН.

Встроенная защита от перегрузки гарантирует невозможность повреждения ячейки при статической перегрузке с вертикальной силой до 5 кН.

Весоизмерительная ячейка не входит в объем поставки комбинированного монтажного элемента.

 


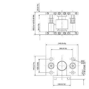
Чертеж

Скачать Аксессуары 
Комбинированный монтажный блок

Комбинированный монтажный блок для весоизмерительных ячеек SIWAREX WL270 CP-S SA, габариты в мм

 


Заказные данные

Скачать Аксессуары 

Цена на сайте указана розничная в ЕВРО без учета НДС.Для уточнения цены и размера предоставляемой скидки - звоните или присылайте заявки

Заказной номерPGОписание продуктаЦена
7MH5708-5KA00801SIWAREX WL 270 COMPACT MOUNTING UNIT FOR LOAD CELL SIWAREX WL 270 CP S-SA, 10 - 30 T - READY MOUNTED, EASY TO INSTAL - MATERIAL STAINLESS STEEL - DOES NOT INCLUDES THE LOAD CELL! 970.96
7MH5708-5PA00801SIWAREX WL 270 COMPACT MOUNTING UNIT FOR LOAD CELL SIWAREX WL 270 CP S-SA, 50 T - READY MOUNTED, EASY TO INSTAL - MATERIAL STAINLESS STEEL - DOES NOT INCLUDES THE LOAD CELL! 1243.38