0

Разделы

Комбинированный монтажный блок

Самоцентрирующийся комбинированный монтажный блок для весоизмерительных ячеек серии BB особенно хорошо подходит для установки в небольшие резервуарные, платформенные и рольганговые весы.

 


Дизайн

Комбинированный монтажный блок

Комбинированный монтажный блок состоит из подвижной стойки, головной плиты и плиты основания, а также из одного или двух винтов с потайной головкой, выполняющих роль ограничителей качания и стопоров подъема.

Самоцентрирующаяся подвижная опора позволяет головной плите и, соответственно, несущей конструкции следовать горизонтальным отклонениям (например, при колебаниях температуры). Конструкция стойки создает противодействующую силу, которая зависит от величины отклонения и приложенной нагрузки.

Ограничение качания предотвращает боковое отклонение и тем самым надежно защищает весоизмерительную ячейку от повреждений. Блок рассчитан на компенсацию максимальной горизонтальной силы в Fh = 5 кН. Макс. боковое отклонение составляет ±1,5 мм

Стопор подъема предотвращает недопустимо большой ход несущей конструкции вверх, вплоть до максимальной вертикальной силы в Fv = 6 кН.

Встроенная защита от перегрузки гарантирует невозможность повреждения ячейки при статической перегрузке с вертикальной силой до 5 кН.

Весоизмерительная ячейка не входит в объем поставки комбинированного монтажного элемента.

 


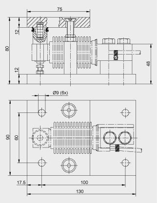
Чертеж

Комбинированный монтажный блок

Комбинированный монтажный блок для весоизмерительных ячеек SIWAREX R серии BB 10 ... 200 кг, размеры

 


Заказные данные

Цена на сайте указана розничная в ЕВРО без учета НДС.Для уточнения цены и размера предоставляемой скидки - звоните или присылайте заявки

Заказной номерPGОписание продуктаЦена
7MH4133-3DC11817SIWAREX R НАБОР УСТАНОВОЧНЫХ МОДУЛЕЙ ДЛЯ СЕРИИ BB НАГРУЗОЧНЫХ ЯЧЕЕК С ЗАЩЕЛКОЙ ПРОТИВ ПОДЪЕМОВ И ОГРАНИЧИТЕЛЕМ КОЛЕБАНИЙ, СОСТОИТ ИЗ ВЕРХНЕЙ И ПЛАСТИНА ОСНОВАНИЯ, СИЛОВАЯ НАПРАВЛЯЮЩАЯ ЧАСТЬ 10-200KG 290.44