0

Разделы

Корпус с NEOZED-вкручивающимися предохранителями
  • Собранный на заводе набор с NEOZED гнездами включая закрывающие пластины
  • Рейки могут быть снабжены дополнительными клеммами из дополнительных принадлежностей.

 


Дополнительно

Корпус с NEOZED-вкручивающимися предохранителями
 

Версии

Заказной No.

Принадлежности

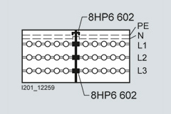
8HP6 602

Набор для подсоединения 2 DIAZED or NEOZED наборов предохранителей

 

  • Планка соединительного комплекта может быть оборудована до 50 mm², tтип 8JH4 125 или до70 mm2, тип 8JK3 441 (см стр. 18.8/32)
  • Нагрузка до 160 A

 

Версия

 

  • Набор для 3 шин  16 x 3 mm (L1, L2, L3)
  • Набор для N/PE шин (2 единицы для  5 проводов)

8HP6602

8HP6603

8HP6 57

Заглушка, 285 mm

 

  • Для закрытия пространства при каскадировании 
  • Важно при использовании замка с ручным управлением

 

Исполнение

 

  • Вертикальное
  • Горизонтальное

8HP6571

8HP6572

8HP6 542

Сокрашение заглушек

 

  • С E33 до E27
  • Для привязки к крышкам

8HP6542

 

Входящие и исходящие контакты для шин  16 мм × 3 мм

 

Подходит для DIAZED монтажного набора

 

 

Для шин mm × mm

Сечение проводника в мм2 (одножильный или многожильный)

 

16 × 3

1,5 ... 16

8JH4122

 

10 ... 35

8JH4124

 

16 ... 50

8JH4125

 

10 ... 70

8JK3441

 

 

 


Аксессуары

Цена на сайте указана розничная в ЕВРО без учета НДС.Для уточнения цены и размера предоставляемой скидки - звоните или присылайте заявки

Заказной номерPGОписание продуктаЦена
8WA2867041_БОК. РАЗЪЕМ КЛЕММЫ ОТ 4КВMM ДЛЯ 10X3MM И 6X6MM НЕЙТРАЛЬНОЙ ШИНЫ, НЕИЗОЛИРОВАННЫЙ 0.60
8WA2868041БОК. РАЗЪЕМ КЛЕММЫ ОТ 25КВMM ДЛЯ 10X3MM И 6X6MM НЕЙТРАЛЬНОЙ ШИНЫ, НЕИЗОЛИРОВАННЫЙ 1.31
8WA2870041БОК. РАЗЪЕМ КЛЕММЫ ОТ 35КВMM ДЛЯ 10X3MM И 6X6MM НЕЙТРАЛЬНОЙ ШИНЫ, НЕИЗОЛИРОВАННЫЙ 1.43