
Интеграция Разъем | Описание | Положение | Подключаемые принадлежности | Номер для заказа | X1 | 15-контактный D-образный разъем для интерфейса управления | 1 | Розетка, укомплектованная, 15-контактная | 3RG78 38-1BA | 2 | Розетка, укомплектованная, 15-контактная с боковым вводом кабеля | 3RG78 38-1BB | 3 | Соединительный кабель с 15-контактной розеткой | 3RG78 38-1BD (5 м) 3RG78 38-1BE (10 м) 3RG78 38-1BF (20 м) 3RG78 38-1BG (35 м) 3RG78 38-1BH (50 м) | X2 | 9-контактный D-образный разъем для интерфейса ПК RS232/RS422 | 4 | Штекер, укомплектованный, 9-контактный | 3RG78 38-1CA | 5 | Штекер, укомплектованный, 9-контактный с боковым вводом кабеля | 3RG78 38-1CB | 6 | Соединительный кабель с 9-контактным штекером | 3RG78 38-1CC (3 м) 3RG78 38-1CD (5 м) 3RG78 38-1CE (10 м) | |
Технические данныеДанные защитных полей Type | 3RG78 34 | Поле защиты персонала | | Пределы обнаружения | 0 … 4 м | Коэффициент яркости | Мин. 1,8 % | Величина и диаметр объекта | 70 мм (цилиндрический испытательный объект) | Ошибка измерения | | - Для размера защитной области < 3,5 мм
| Макс. 81 мм | - Для размера защитной области > 3,5 мм
| Макс. 98 мм | Время реакции | | | 80 мс | - Настраиваемое до 16 циклов
| 640 мс | Количество полей защиты | 4 (выбирается через коммутируемые входы) | Выход | 2 надежных выхода на pnp-транзисторах, 24 В, 250 мА | Класс надежности | | - В соответствии с DIN V 19250
| Класс 4 | - В соответствии с EN 954-1
| Категория 3, защита от одиночного отказа | - AcВ соответствии с IEC 61496-1, EN 61496-3
| Тип 3 | Пуск | Проверка пуска и запрет пуска могут быть установлены отдельно | Повторный пуск | Настраиваемый в пределах 160 мс … 10 с или вручную | Дополнение для деактивизированного улавливания пыли | 81 мм | Дополнение для активизированного улавливания пыли | | - Для размера защитной области < 3,5 м
| 81 мм | - Для размера защитной области > 3,5 м
| 98 мм | Добавочное дополнение при наличии световозвращающих отражателей или хорошо отражающих поверхностей (напр., некоторые металлы или керамика) в плоскости сканирования | | - Свыше 1,2 м за линией поля защиты
| 0 мм | - В поле защиты или менее 1,2 м за линией поля защиты
| 110 мм | Поле предупреждения | | Пределы обнаружения | 0 … 15 м | Коэффициент яркости | мин. 20 % | Размер объекта | 150 мм × 150 мм | Время реакции | | | 80 мс | - Настраиваемое до 16 циклов
| 640 мс | Количество полей предупреждения | 4 (выбирается через коммутируемые входы) | Выход | Выход на pnp-транзисторе, макс. 100 мА | Измерение контура | | Пределы обнаружения | 0..50 м | Коэффициент яркости | Мин. 20 % | Размер объекта | – | Выход | Последовательный интерфейс RS 232 (10 м), RS 422 (50 м) | Радиальное разрешение | 5 мм | Разрешение по плоскости | 0,36° | Электрические данные, программное обеспечение Type | 3RG78 34 | Блок питания | Питание в соответствии с IEC 60742 с разделительным трансформатором для обеспечения безопасности или т.п. в случае преобразования постоянного тока в постоянный | Рабочее напряжение | | Внешнее питание | = 24 В –30 … +20 % | Потребление тока | Около 300 мА, используйте секцию источника питания на 2,5 A | Потребляемая мощность при 24 В | 8 Вт плюс выходная нагрузка | Защита от сверхтоков | С помощью плавкого предохранителя со средней или малой скоростью срабатывания на 1,25 A в коммутационном шкафу | Защита от перенапряжения | С дублированием окончательного отключения | Падения напряжения | В соответствии с EN 61496-1 | Заземление | Подключение не допускается | Входы | | Повторный пуск/возврат в исходное положение | Подключение командного устройства для режима работы с запретом повторного пуска и/или возвратом устройства в исходное положение, контролируется динамически, оптическая развязка напряжения 24 В пост. тока | Переключение пар полей | Выбор из 4 пар полей посредством 4 проводов с внутренним контролем (1 пара полей = 1 защитное поле и 1 поле предупреждения), оптическая развязка напряжения 24 В пост. тока | Определение сигналов | | - Высокий уровень (логическая 1)
| 16 … 30 В | - Низкий уровень (логический 0)
| < 3 В | Параметризация | | Системное программное обеспечение | Программное обеспечение для обмена данными и параметризации под Windows 95/98/NT/2000 с надежным протоколом для программирования | IИнтерфейсы | | Для параметризации устройства и определения поля | RS 232, RS 422 | Выходы | | Защитное поле | 2 надежных полупроводниковых выхода, pnp, макс. 250 мА с контролем на короткое замыкание, защита от перегрузки по току | Поле предупреждения, загрязнение, неисправность | выход на pnp-транзисторе, макс. 100 мА | Нагрузочная характеристика, максимальные значения | Реакция при пропуске сигнала через фильтр низких частот | | < 1 кГц | | < 100 нФ | Уровень | | | Ub – 3,2 В | | < 2 В | - Высокий уровень (сигнал тревоги активен)
| Ub - 4 В | - Низкий уровень (сигнал тревоги не активен)
| < 2 В | Механические, оптические данные Type | 3RG78 34 | Окружающая среда и материалы | | Уровень защиты в соответствии с IEC 60529 | IP65 | Защита от опасных ударов | Полная изоляция, класс защиты 2 | Температура окружающей среды | | | 0 … +50 °C | | –20 … +60 °C | Влажность в соответствии с DIN 40040 | Таблица 10, кодовый знак E (средняя сухость) | Материал корпуса | Алюминиевое литье, пластмасса | Вес | Около 2 кг | Размеры (Ш × В × Г) | 140 мм × 155 мм × 135 мм | Расстояние от центра плоскости сканирования до нижней грани корпуса | 48,75 мм | Расстояние от задней стенки корпуса до оси вращающегося зеркала | 68 мм | Вибрационная нагрузка по всем 3 осям в соответствии с IEC 60068, часть 2-6 | 10 … 150 Гц, макс. 5 g | Длительная ударная нагрузка по всем 3 осям в соответствии с IEC 60068, часть 2-29 | 10 g, 16 мс | Помехоустойчивость | | - В соответствии с EN 61496-1
| В соответствии с требованиями для типа 4 | - Также в соответствии с DIN 40839-1, -3
| Испытательные импульсы 1, 2, 3a, 3b, 5 (не для использования в транспортных средствах с двигателями внутреннего сгорания) | Привод вращающегося зеркала | Бесщеточный двигатель постоянного тока | Подшипник вращающегося зеркала | Не требующий ухода шарикоподшипник | Подключения | 2 разъема (подключение сверху, паяное соединение) | Длины кабелей | | | Макс. 50м для поперечного сечения проводов 0.5мм2, экранированный | | Макс. 10 м | | Макс. 50м (витая пара) | | – | Оптические характеристики | | Угол поворота | Макс. 190° | Угловое разрешение | 0,36° | Боковой допуск | | - Без сборочно-монтажной установки (для задней стенки корпуса)
| ± 0.18° | - Со сборочно-монтажной установкой (для посадочной поверхности)
| ± 0.22° | Скорость развертки | 25 циклов/с или 40 мс/цикл | Класс защиты лазера в соответствии с EN 60825-1 | Класс 1 (безопасность для глаз) | | 905 нм (инфракрасный диапазон) | | 2 миллирадиана | | Временная развертка | |
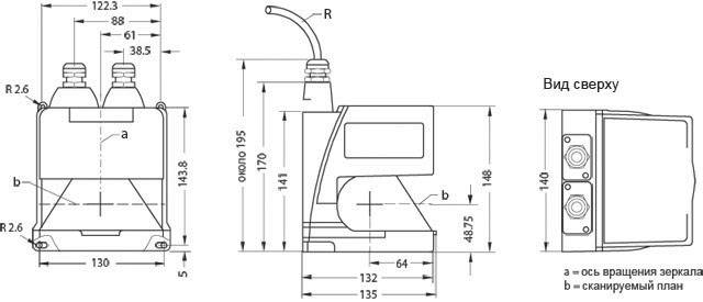
Чертеж Лазерный сканер с коммутируемым выходом 3RG7 834-6DD00 R = минимальный радиус изгиба: 50 мм (оригинальные аксессуары) a = ось вращающегося зеркала b = уровень скана Монтаж 3RG78 38-1AA |
Заказные данные Заказной № | Описание | Вес (кг) | Доставка | Мин. зак. (шт) | 3RG7834-6DD00 | SIGUARD ЛАЗЕРНЫЙ СКАНЕР LS4-4 ЗАЩИТНОЕ ПОЛЕ 4 M РАДИУС 4 ЗАЩИТНЫЕ И ПРЕДУПРЕДИТЕЛЬНЫЕ ПОЛЯ ВКЛ. ПО LS4SOFT | 3.06 | 3 - 5 недель (A) | 1 | 3RG7834-6DE00 | ЛАЗЕРНЫЙ СКАНЕР LS4-4 ДЛЯ ОПАСНЫХ ЗОН, МЕСТ И К ОНТРОЛЯ ДОСТУПА, РАДИУС ПОЛЯ БЕЗОПАСНОСТИ 4 M, 4 ЗАЩИЩАЕМЫХ ЗОНЫ И ЗОНЫ ПРЕДУПРЕЖДЕНИЯ, ПО LS4SOFT В КОМПЛЕКТЕ | 5.5 | 3 - 5 недель (A) | 1 | |
Аксессуары Заказной № | Описание | Вес (кг) | Доставка | Мин. зак. (шт) | 3RG7838-1AA | МОНТАЖНАЯ СИСТЕМА ДЛЯ ЛАЗЕРНОГО СКАНЕРА SIGUARD LS4 | 0.69 | 3 - 5 недель (A) | 1 | 3RG7838-1AB | АДАПТЕРНАЯ ПЛАТА ДЛЯ ЛАЗЕРНОГО СКАНЕРА SIGUARD LS4 | 0.811 | 3 - 5 недель (A) | 1 | 3RG7838-1BA | РАЗЪЕМ, KPL., 15-ПОЛЮСНЫЙ, X1 ДЛЯ ЛАЗЕРНОГО СКАНЕРА SIGUARD LS4 | 0.038 | 3 - 5 недель (A) | 1 | 3RG7838-1BB | РАЗЪЕМ, KPL., 15-ПОЛЮСНЫЙ, X1 БОКОВОЙ КАБЕЛЬНЫЙ ВЫХОД ДЛЯ ЛАЗЕРНОГО СКАНЕРА SIGUARD LS4 | 0.03 | 3 - 5 недель (A) | 1 | 3RG7838-1BD | СОЕДИНИТЕЛЬНЫЙ КАБЕЛЬ 5 M ДЛИНА KPL., 15-ПОЛЮСНЫЙ, X1 ДЛЯ ЛАЗЕРНОГО СКАНЕРА SIGUARD LS4 | 0.723 | 3 - 5 недель (A) | 1 | 3RG7838-1BE | СОЕДИНИТЕЛЬНЫЙ КАБЕЛЬ 10 M ДЛИНА KPL., 15-ПОЛЮСНЫЙ, X1 ДЛЯ ЛАЗЕРНОГО СКАНЕРА SIGUARD LS4 | 1.335 | 3 - 5 недель (A) | 1 | 3RG7838-1BF | СОЕДИНИТЕЛЬНЫЙ КАБЕЛЬ 20 M ДЛИНА KPL., 15-ПОЛЮСНЫЙ, X1 ДЛЯ ЛАЗЕРНОГО СКАНЕРА SIGUARD LS4 | 2.76 | 3 - 5 недель (A) | 1 | 3RG7838-1BG | СОЕДИНИТЕЛЬНЫЙ КАБЕЛЬ 35 M ДЛИНА KPL., 15-ПОЛЮСНЫЙ, X1 ДЛЯ ЛАЗЕРНОГО СКАНЕРА SIGUARD LS4 | 4.612 | 3 - 5 недель (A) | 1 | 3RG7838-1BH | СОЕДИНИТЕЛЬНЫЙ КАБЕЛЬ 50 M ДЛИНА KPL., 15-ПОЛЮСНЫЙ, X1 ДЛЯ ЛАЗЕРНОГО СКАНЕРА SIGUARD LS4 | 6.5 | 3 - 5 недель (A) | 1 | 3RG7838-1CA | РАЗЪЕМ, KPL., 9-ПОЛЮСНЫЙ, X2 INKL. ЗАГЛУШКА ДЛЯ ЛАЗЕРНОГО СКАНЕРА SIGUARD LS4 | 0.032 | 3 - 5 недель (A) | 1 | 3RG7838-1CB | CONNECTOR, COMPL., 9-POLE, X2 LATERAL CABLE EXIT FOR LASER SCANNER LS4 | 0.03 | 3 - 5 недель (A) | 1 | 3RG7838-1CC | СОЕДИНИТЕЛЬНЫЙ КАБЕЛЬ 3 M ДЛИНА KPL., 9-ПОЛЮСНЫЙ, X2 ДЛЯ ЛАЗЕРНОГО СКАНЕРА SIGUARD LS4 | 0.164 | 3 - 5 недель (A) | 1 | 3RG7838-1CD | СОЕДИНИТЕЛЬНЫЙ КАБЕЛЬ 5 M ДЛИНА KPL., 9-ПОЛЮСНЫЙ, X2 ДЛЯ ЛАЗЕРНОГО СКАНЕРА SIGUARD LS4 | 0.236 | 3 - 5 недель (A) | 1 | 3RG7838-1CE | СОЕДИНИТЕЛЬНЫЙ КАБЕЛЬ 10 M ДЛИНА KPL., 9-ПОЛЮСНЫЙ, X2 ДЛЯ ЛАЗЕРНОГО СКАНЕРА SIGUARD LS4 | 0.404 | 3 - 5 недель (A) | 1 | 3RG7838-7GB | ТЕСТИРУЮЩИЙ ПРЕДМЕТ ЦИЛИНДР 70 ММ ДИАМЕТР 500 ММ ДЛИНА ДЛЯ ЛАЗЕРНОГО СКАНЕРА SIGUARD | 0.886 | 3 - 5 недель (A) | 1 | 3RG7838-7GD | ТЕСТИРУЮЩИЙ ПРЕДМЕТ ЦИЛИНДР 200 ММ ДИАМЕТР 1000 ММ ДЛИНА ДЛЯ ЛАЗЕРНОГО СКАНЕРА SIGUARD | 7.45 | 3 - 5 недель (A) | 1 | 3RG7838-7RS | ЧИСТЯЩЕЕ СРЕДСТВО: ЧИСТЯЩАЯ ЖИДКОСТЬ 1000 МЛ; 100-ЧИСТЯЩИХ САЛФЕТОК ДЛЯ ЛАЗЕРНОГО СКАНЕРА LS4 | 1.43 | 3 - 5 недель (A) | 1 | |
|