0

Разделы

Поворотные приводы - Бесшумные и малогабаритные приводы


grey line

M9304-xxx-1N

(Joventa DAN / DAN2 / DMN)


4 Нм, без возвратной пружины

Серия бесшумных электрических приводов предназначена для работы с малыми и средними воздушными заслонками в системах вентиляции и кондиционирования воздуха. Компактная конструкция и универсальный адаптер с ограничением угла поворота способствуют его универсальному применению. Характерной особенностью привода является адаптер штока Johnson Controls, который сочетает функции ограничителя угла поворота и индикатора положения.




M9304-xxx-1N


• Двухпозиционное, трехпозиционное и пропорциональное управление
• Независимое от нагрузки время поворота
• Возможна одновременная работа до 5 приводов, соединённых
  параллельно
• Съемная клеммная колодка
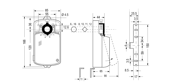
• Простой монтаж с помощью универсального адаптера для вала Ø 6-16
  мм или с комплектом адаптера M9000-ZxxDN для шпинделя квадратного
  сечения со стороной 8, 10, 11 и 12 мм и длиной не менее 45 мм
• Выбор направления вращения
• Ограничение угла поворота
• Ручное управление с кнопкой отключения редуктора
• Два настраиваемых вспомогательных переключателя
• Автоматическое отключение в крайних положениях
  (защита от перегрузки)
• Режим энергосбережения в крайних положениях
• Доступны приводы с кабелем длиной 1 м, не содержащим галогенов
• Доступна модификация под требования заказчика

plan
Размеры в мм