0

Разделы

Скачать Заказные данные 
MAGFLO MAG 1100

SITRANS F M MAGFLO MAG 1100 это магнитно-индуктивный измерительный датчик с компактной сендвичной конструкцией для измерения расхода в различных сферах промышленности.

 


Особенности

Скачать Заказные данные 
MAGFLO MAG 1100
  • диаметр: DN 6 ... 100
  • компактная сендвичная конструкция с фланцами по EN 1092, DIN и ANSI
  • коррозионностойкий корпус измерительного датчика AISI 316 из нерж. стали
  • высокопрочные материал футеровки и электродов, подходят для тяжел х условий процесса
  • макс. температура до 200 °C
  • корпус с классом защиты IP67/NEMA 4X/6
  • Запатентованный метод проверки на месте. Использование данных из SENSORPROM.

 


Область применения

Скачать Заказные данные 
MAGFLO MAG 1100

Основными сферами применения магнитно-индуктивных измерительных датчиков SITRANS F M MAGFLO являются:

  • технологическая промышленность
  • химическая промышленность
  • фармацевтическая промышленность
  • водоподготовка, к примеру, дозировка химикатов

 


Дизайн

Скачать Заказные данные 
MAGFLO MAG 1100
  • санитарная версия для чистки CIP и SIP
  • возможен компактный и раздельный монтаж
  • простое изменение поля измерительного преобразователя через "Plug & Play"
  • простое дооснащение до IP68/NEMA 6 на месте

 


Способ действия

Скачать Заказные данные 
MAGFLO MAG 1100

Принцип измерения расхода основывается на законе электромагнитной индукции Фарадея, при котором измерительный датчик преобразует расход в пропорциональное скорости протока электрическое напряжение.

 


Интеграция

Скачать Заказные данные 
MAGFLO MAG 1100

Расходомер в комплекте состоит из измерительного датчика и соответствующего измерительного преобразователя SITRANS F M MAGFLO MAG 5000, 6000 или 6000 I. Гибкая концепция коммуникации USM II обеспечивает простую интеграцию различных систем полевых шин, к примеру, HART, PROFIBUS DP и PA, DeviceNet, CANopen, MODBUS RTU/RS 485.

 


Технические данные

Скачать Заказные данные 
MAGFLO MAG 1100

Принцип измерения

Электромагнитная индукция

Частота возбуждения

 

  • MAG 1100  керамика

DN 6 ... 65 (¼“ … 2½”): 12.5 ГцDN 80 ... 100 (3”, 4”): 6.25 Гц

  • MAG 1100 PFA

DN 10 ... 65 (3/8“ … 2½”): 12.5 ГцDN 80 ... 100 (3”, 4”): 6.25 Гц

Вход

 

Диаметр

 

  • MAG 1100 керамика 

DN 6 … DN 100 (¼" … 4")

  • MAG 1100 PFA

DN 10 … DN 100 (3/8" … 4")

Ответные фланцы

EN 1092-1, ANSI B 16.5 класс 150 и 300 или равноценный (DIN 2501)

Опция:DN 6 или 10 (1/4" или 3/8"): 1/2"Резьба соединительного трубного адаптера: 1/2" коническая по ISO 7-1

Рабочие условия

 

Окружающие условия

 

Окружающая температура

 

  • раздельный измерительный преобразователь

-40 … +100°C (-40 … +210 °F)

  • компактный измерительный преобразователь MAG 5000/6000

-20 … +50°C (-4 … +120 °F)

Циклическое температурное воздействие

 

  • MAG 1100 керамика

 

  • длительность > 1 мин
  • DN 6, 10, 15, 25: Max. ΔT ≤ 15 °C/min(¼”, 3/8”, ½”, 1”: Max. ΔT ≤ 60 °F/min)
  • DN 40, 50, 65: Max. ΔT ≤ 10 °C/min(1½”, 2”, 2½”: Max. ΔT ≤ 50 °F/min)
  • DN 80, 100: Max. ΔT ≤ 5 °C/min(3”, 4”: Max. ΔT ≤ 40 °F/min)
  • длительность ≤1 мин, после 10 мин. пауза
  • DN 6, 10, 15, 25: Max. ΔT ≤ 80 °C/min(¼”, 3/8”, ½”, 1”: Max. ΔT ≤ 180 °F/min)
  • DN 40, 50, 65: Max. ΔT ≤ 70 °C/min(1½”, 2”, 2½”: Max. ΔT ≤ 160 °F/min)
  • DN 80, 100: Max. ΔT ≤ 60 °C/min(3”, 4”: Max. ΔT ≤ 140 °F/min)
  • MAG 1100 PFA

Макс. ±100 °C (210 °F) моментально

Рабочее давление

 

  • MAG 1100 керамика

DN 6 ... 65: 40 бар (¼” … 2½”: 580 psi)DN 80: 37.5 бар (3”: 540 psi)DN 100: 30 бар (4”: 435 psi)

Вакуум: 1 x 10-6 бар (1.5 x 10-5 psi)

  • MAG 1100 PFA

20 бар (290 psi)

Вакуум: 0.02 бар (0.3 psi)

Вибропрочность

10 …1000 Гц любая, 3,17 гр эффективная, во всехнаправлениях по EN 60068-2-36Для компактного монтажа с MAG 6000 I закрепить измерительный преобразователь, чтобы избежатьвоздействия напряжения натяжения на измерительныйдатчик.

Класс защиты (корпус)

IP67, выше по запросу

  • стандарт

IP67 по EN 60529 (NEMA 4X/6),1 mH 2 O на 30 мин

  • опция

IP68 по EN 60529 (NEMA 6P),10 mH 2 O kont.

Свойства измеряемой среды

 

Температура вещества

 

  • MAG 1100

 

  • керамический

-20 … +150 °C (-4 … +300 °F)

  • высокотемпературный

-20 … +200 °C (-4 … +390 °F)

  • MAG 1100 PFA

 

  • PFA

-30 … +130 °C (-20 … +270 °F)

  • высокотемпературный

Подходжит для стерилизации паром при 150 °C (300 °F)

Дизайн

 

Вес

см. габаритные чертежи

Материал

 

  • корпус

 

  • MAG 1100

нерж. сталь AISI 316L (1.4404)

  • MAG 1100 PFA

нерж. сталь AISI 316 (1.4436)

  • клеммная коробка

 

  • стандарт

усиленный стекловолокном полиамид

  • высокотемпературная и Ex

             (только раздельная версия)

нерж. сталь AISI 316 (1.4436)

  • крепежные болты

нерж. сталь AISI 304 (1.4301),кол-во и размер по EN 1092-1:2001

  • уплотнения

 

  • стандарт

EPDM (макс. 150 °C, PN 40)

  • опция
  • графит (макс. 200 °C, PN 40)
  • PTFE (макс. 130 °C, PN 25)
  • соединение измерительной трубкиDN 6 и DN 10 (1/4" и 3/8")

нерж. сталь, AISI 316, 1/2“коническое ISO 7-1

Футеровка

 

  • MAG 1100 керамика

оксид алюминий Al 2 O 3 (керамика)

  • MAG 1100 PFA

усиленный PFA

Электроды

 

  • MAG 1100

платина / золото / титан

  • MAG 1100 PFA

Hastelloy C276

Сертификаты и допуски

 

Ех - допуск сенсора

Руководство по приборам давления

EEx [ia][ib] IIB T4-T6DGRL – 97/23 EC

 

 


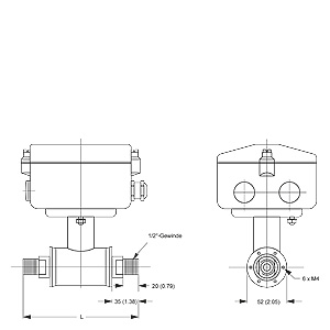
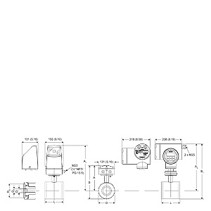
Чертеж

Скачать Заказные данные 
MAGFLO MAG 1100

Измерительный датчик MAG 1100, компактный/раздельный

ДиаметрDN

A1)[мм]

B1)[мм]

A1[мм]

B1[мм]

D[мм]

Di(Al2O3)[мм]

DiPFA[мм]

DP[мм]

DG[мм]

Вес2)[кг]

6

156

181

309

334

48.3

6

 

17.3

34

2.2

10

156

181

309

334

48.3

10

10

13.6

34

2.2

15

156

181

309

334

48.3

15

16

17.3

40

2.2

25

164

196

317

349

63.4

25

26

28.5

56

2.7

40

176

218

329

371

84.0

40

38

43.4

75

3.4

50

184

235

337

388

101.6

50

50

54.5

90

4.2

65

194

254

347

407

120.0

65

66

68.0

112

5.5

80

200

266

353

419

133.0

80

81

82.5

124

7.0

100

213

292

366

445

159.0

100

100

107.1

145

10.0

 

Диаметр[дюймов]

A1)[дюймов]

B1)[дюймов]

A1[дюймов]

B1[дюймов]

D[дюймов]

Di(Al2O3)[дюймов]

DiPFA[дюймов]

DP[дюймов]

DG[дюймов]

Вес 2)[Ib]

¼

6.14

7.13

12.16

13.15

1.90

0.24

 

0.68

1.34

4.8

3/8

6.14

7.13

12.16

13.15

1.90

0.39

0.39

0.53

1.34

4.8

½

6.14

7.13

12.16

13.15

1.90

0.39

0.63

0.68

1.57

4.8

1

6.46

7.72

12.48

13.74

2.50

0.98

1.02

1.12

2.20

4.9

6.93

8.58

12.95

14.61

3.31

1.57

1.50

1.71

2.95

7.5

2

7.24

9.25

13.27

15.27

4.00

1.97

1.97

2.15

3.54

9.2

7.64

10.00

13.66

16.02

4.72

2.56

2.60

2.68

4.41

12

3

7.87

10.47

13.90

16.50

5.24

3.15

3.19

3.25

4.88

15

4

8.39

11.50

14.41

17.52

6.26

3.94

3.94

4.22

5.91

22

1) Короче на 13 мм / 0.5" при использовании клеммной коробки AISI (высокая температура 200 °C)

2) При встроенном измерительном преобразователе MAG 5000 или MAG 6000 вес увеличивается приблизительно на 0,8 кг.

 

Измерительный датчик MAG 1100, компактный/раздельный

MAG 1100 DN 6 и DN 10 (1/4“ и 3/8“) подготовлены для подключения с помощью трубного соединения 1/2“ G.

 

Общая монтажная длина "L" [мм] / [дюймов] перед монтажом зависит от выбранного уплотнения.

Размер

EPDM

Графит

PTFE (телефон)

Без уплотнения

Кольцо заземления

DN

дюймов

[мм]

[дюймов]

[мм]

[дюймов]

[мм]

[дюймов]

[мм]

[дюймов]

[мм]

[дюймов]

6

¼

64

2.52

66

2.60

70

2.75

64

2.52

77

3.03

10

3/8

64

2.52

66

2.60

70

2.75

64

2.52

77

3.03

15

½

65

2.56

66

2.60

70

2.75

64

2.52

77

3.03

25

1

80

3.15

81

3.19

85

3.35

79

3.10

92

3.62

40

95

3.74

96

3.78

100

3.94

94

3.70

107

4.21

50

2

105

4.13

106

4.17

110

4.33

104

4.05

117

4.61

65

130

5.12

131

5.15

135

5.31

129

5.05

142

5.60

80

3

155

6.10

156

6.14

160

6.30

154

6.00

167

6.57

100

4

185

7.28

186

7.31

190

7.48

184

7.20

197

7.76

 

Длина "L" зависит от выбранного уплотнения.

Без уплотнения

EPDM

Графит

Телефон

[мм]

[дюймов]

[мм]

[дюймов]

[мм]

[дюймов]

[мм]

[дюймов]

150

5.9

150

5.9

152

6.0

156

6.1

 

 

 


Заказные данные

Скачать Заказные данные 

Цена на сайте указана розничная в ЕВРО без учета НДС.Для уточнения цены и размера предоставляемой скидки - звоните или присылайте заявки

Заказной номерPGОписание продуктаЦена
7ME611.-.....-....833Электромагнитный расходомер SITRANS F M MAGFLO MAG 1100 0.00
7ME612.-.....-....833Сенсор электромагнитного расходомера SITRANS F M MAGFLO MAG 1100 высокотемпературный 0.00

 


Аксессуары

Скачать Заказные данные 

Цена на сайте указана розничная в ЕВРО без учета НДС.Для уточнения цены и размера предоставляемой скидки - звоните или присылайте заявки

Заказной номерPGОписание продуктаЦена
A5E01181599833ACC. MAG 1100 DN2/10 GROUNDING RING TANTALUM 1301.68
A5E01181606833ACC. MAG 1100 DN15 GROUNDING RING TANTALUM 1301.68
A5E01181610833ACC. MAG 1100 DN25 GROUNDING RING TANTALUM 1301.68
A5E01181613833ACC. MAG 1100 DN40 GROUNDING RING TANTALUM 1690.70
A5E01181615833ACC. MAG 1100 DN50 GROUNDING RING TANTALUM 2081.84
A5E01181616833ACC. MAG 1100 DN65 GROUNDING RING TANTALUM 2600.18
A5E01181619833ACC. MAG 1100 DN80 GROUNDING RING TANTALUM 2991.32
A5E01181622833ACC. MAG 1100 DN100 GROUNDING RING TANTALUM 4294.06
FDK:083G0226833STUDS AND NUTS FOR MAG 1100 DN 100 PN25/40 232.14
FDK:085U0220833USM POTTING KIT 117.66