0

Разделы

Скачать Заказные данные Скачать Заказные данные 
MASSFLO MASS 6000 IP67/NEMA 4X интегральный/удаленный монтаж

MASS 6000 сконструирован согласно нов йшим разработкам в цифровой обработк сигналов и рассчитан на высокую производительность, быстрый отклик, быстро дозирование, высокую помехоустойчивоть к шумам процесса, простой монтаж, ввод в эксплуатацию и обслуживание.

Преобразователь сигналов MASS 6000 об спечивает точные мультипараметрические измерения: массового расхода, объемного расхода, плотности, температуры и фракций.

Преобразователь сигналов MASS 6000 IP67 в компактной версии мож т размешаться на всех преобразователях расхода типа MASS 2100 DI 3 до DI 40, а в раздельной версии - использоваться для всех типов MASS 2100/MC1.

 


Особенности

Скачать Заказные данные Скачать Заказные данные 
MASSFLO MASS 6000 IP67/NEMA 4X интегральный/удаленный монтаж
  • специальный чип массового расхода с новейшей технологией ASIC
  • быстро дозирование и коротко время отклика с действительной скоростью обновления в 30 Гц
  • отличная помехоустойчивость благодаря запатентованному алгоритму DFT (Discrete Fourier Transformation)
  • улучшенная стабильность нулевой точки и увеличенная динамика точности измерения расхода и плотности благодаря входному разрешению свыше 0,35 ns
  • упрошенный поиск ошибок и пов рка прибора благодаря специальному диагностическому и с рвисному меню
  • встроенное управление дозировкой с компенсацией и контролем и 2 встро нными сч тчиками
  • универсальные выходы, конфигурируются по отдельности на массовый расход , объемный расход , плотность , температуру или фракционный расход , например , °BRIX или ° PLATO
  • цифровой вход для управления дозировкой , дистанционной установки нулевой точки или принудительного выходного режима
  • все выходы для целей моделирования, контроля или калибровки могут принудительно устанавливаться на заданные значения
  • конфигурируемоеменю управления с защитой паролем
    • индикация 3 строки по 20 знаков каждая на 11 языках
    • простая обработка и запись ошибок в текстовом формате
    • клавиатура мож т использоваться для управления дозировкой(Start/Stop/Hold/Reset)
  • технология SENSORPROM автоматически конфигурирует преобразователь сигналов при вводе в эксплуатацию и предлагает:
    • заводское предварительное программирование данныхкалибровки, размера трубы, типа преобразователя расхода, выходных установок
    • автоматическое сохранение вс х введенных пользователем значений и установок
    • автоматическое новое программирование нового преобразователя сигналов без потери точности
    • замена преобразователя сигналов менее чем за 5 минут благодаря реальному Plug & Play
  • наивысшая точность при измерении расхода, плотности и фракций благодаря 4-х проводному измерению температуры PT1000
  • вычисление расхода фракций на базе 5-ти значного алгоритма, подходящего для вс х приложений
  • комплектация дополнительных шинных модулей без потери функциональности через платформу USM II
    • вс модули могут комплектоваться с реальным "Plug & Play"
    • автоматическо конфигурирование модуля и преобразователя сигналов через SENSORPROM
  • простой "Plug & Play" при монтаж преобразователя сигналов на преобразователь расхода через цоколь преобразователя расхода

 


Область применения

Скачать Заказные данные Скачать Заказные данные 
MASSFLO MASS 6000 IP67/NEMA 4X интегральный/удаленный монтаж

Массовые расходомеры SITRANS F C MASSFLO могут использовать для решения любых задач в технологической промышленности, для которых необходимо точно измерение расхода. Расходомер может использоваться для измерения жидкостей и газов.

Преобразователь сигналов MASS 6000 IP67 преимущественно используется в следующих отраслях:

  • пищевая и пиво-безалкогольная промышленность
  • фармацевтическая промышленность
  • автомобильная промышленность
  • нефть и газ
  • производство и распределение энергии
  • воды и сточные воды

 


Дизайн

Скачать Заказные данные Скачать Заказные данные 
MASSFLO MASS 6000 IP67/NEMA 4X интегральный/удаленный монтаж

Преобразователь сигналов размещен в компактном корпус из полиамида с классом защиты IP67/NEMA 4X, который при компактном монтаж крепится к преобразователям расхода серии MASS 2100 DI 3 до DI 40 (1/8" bis 1 1/2"), а при раздельном монтаж мож т использоваться для всей серии преобразователей расхода.

MASS 6000 IP67/NEMA 4X в стандартной версии поставляется с 1 токовым выходом, 1 частотным /импульсным и 1 релейным выходом и может быть укомплектован всеми доп. модулями для шинной коммуникации.

 


Функции

Скачать Заказные данные Скачать Заказные данные 
MASSFLO MASS 6000 IP67/NEMA 4X интегральный/удаленный монтаж

Доступны следующие функции:

  • количество массового расхода, количество объемного расхода, плотность, температура и фракционный расход  
  • 1 токовый выход, 1 частотный/импульсный выход, 1 релейный выход, 1 цифровой вход
  • все выходы по отдельности могут конфигурироваться на массу, объема, плотность и т.д.
  • 2 встроенных счётчика для расхода вперед, назад или нетто
  • отсечка малого расхода
  • установка отключения по плотности или опорожнению
  • направление протока
  • система ошибок, состоящая из записи ошибок и индикации имеющихся ошибок
  •  продолжительность эксплуатации
  • одно- или двунаправленно измерение расхода
  • релейный выход с 1 или 2 конечными положениями, может программироваться для расхода, плотности или температуры
  • установка фильтра шумов для оптимизации измерительной мощности при неблагоприятных условиях использования
  • полное управление дозировкой
  • меню для автоматической установки нулевой точки с проверкой качества установки нулевой точки
  • комплексно сервисное меню для эффективного и простого использованияи и поиска ошибок

 


Технические данные

Скачать Заказные данные Скачать Заказные данные 
MASSFLO MASS 6000 IP67/NEMA 4X интегральный/удаленный монтаж

Преобразователь сигналов SITRANS F C MASSFLO MASS 6000 Compact IP67/NEMA 4X

Измерение

Массовый расход [кг/сек (lb/мин)], объёмеый расход [л/сек (gpm)], Фракция [%], °Brix, плотность [кг/м3, lbs/ft3], температура[°C (°F)]

Токовый выход

 

  • ток

0 ... 20 mA or 4 ... 20 mA

  • нагрузка

< 800 Ω

  • постоянная времени

0 ... 30 сек, устанавливаемая

Цифровой выход

 

  • частота

0 ... 10 кГц, 50% скважности

  • постоянная времени

0 ... 30 сек, устанавливаемая

  • активный

24 V DC, 30 мА, 1 KΩ ≤ Rload ≤ 10 KΩ, защита от короткого замыкания

  • пассивный

3 ... 30 V DC, макс. 110 мA, 1 KΩ ≤ Rload ≤ 10 KΩ

Реле

 

  • тип

реле переключения

  • нагрузка

42 V / 2 A пик

  • функции

уровеь ошибки, номер ошибки, предельное значение, направление

Цифровой вход

11 ... 30 V DC (Ri = 13.6 KΩ)

  • функциональность

предварительный выбор Старт/Стоп/Дальше, установка нулевой точки, сброс счётчика 1/2, управление выходом, замораживание выхода

Гальваническая развязка

Все входы и выходы гальванически разделены, изоляционное напряжение 500 V

Отсечка малого расхода

 

  • возможное значение

0 ... 9.9% от макс. расхода

Функция предельного значения

Массовый расход, объёмный расход, фракция, плотность, температура измер. датчика

Счётчик

Два 8-значных счётчика для расхода впрерёд/назад/нетто

Индикация

  • фоновая подсветка с алфавитно-цифровым текстом, 3Х 20 знаков дял индикации расхода, суммарных значений, установок и ошибок постоянной времени как токового выхода 1.
  • обратный расход показывается знаком минус

Установка нулевой точки

Вручную через клавиатуру или дистанционно через цифровой вход

Внешняя температура

 

  • работы

-20 ... +50°C (-4 ... +122 °F), отн. влажность макс. 80% до 31 °C (86 °F) уменьшение до 50% при 40 °C (104 °F) по UL 3101

  • хранение

-40 ... +70°C (-4 ... +158 °F) (влажность макс. 95%)

Коммуникация

подготовлен для опционных доп. модулей

Корпус

 

  • материал

усиленный стекловолокном плиамид

  • класс защиты 

IP67 NEMA 4X по IEC 529 и DIN 40050 (1 м WS в течение 30 минут)

  • вибропрочность 

18 ... 1000 Гц любая, 3.17гр эффективная, во всех напрвлениях по EN 68-2-36

Напряжение питания

 

Версия 24 V

 

  • напряжение питания 

24 V DC/AC, 50 ... 60 Гц

  • допуск

24 V DC, -25% ... 25%24 V AC, -16% ... 25%

  • потребляемая мощность 

10 W

Версия 230 V

 

  • напряжение питания 

115/230 V AC, 50 ... 60 Гц

  • допуск

+10% ... -10%

  • потребляемая мощность 

26 VA

Предохранитель

 

  • версия 230 V 

T400 mA, T 250 V (IEC 127) - не может заменяться пользователем

  • версия 24 V 

T1 A, T 250 V (IEC 127) - не может заменяться пользователем

Параметры ЭМС

 

  • излучение помех  

EN 50081-1 (лёгкая промышленность)

  • помехоустойчивость

EN 50082-2 (промышленность)

NAMUR

В пределах ограничений по "Общим требованиям" с критериями ошибки А по NE 21

Внешние условия

 

  • внешние условия по UL 3101:
  • использование в помещениях
  • высота до 2000м
  • степень загрязнения 2

Кабельное резьбовое соединение

Оба типа кабельного резьбового соединения из полиамида и латуни поставляются с размерами Pg 13.5 и  M20-11-5 мм

 

 

 

 


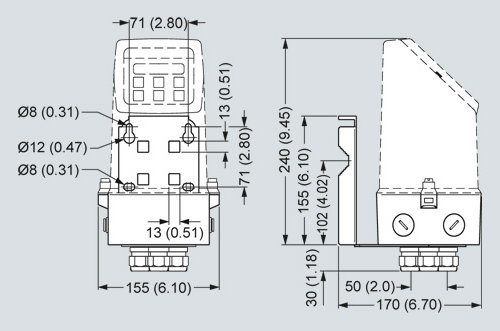
Чертеж

Скачать Заказные данные Скачать Заказные данные 
MASSFLO MASS 6000 IP67/NEMA 4X интегральный/удаленный монтаж

Преобразователь сигналов IP67/NEMA 4Х, компактная версия из полиамида

Преобразователь сигналов, встроенный в монтаж

Преобразователь сигналов, монтаж на стену

IP67/NEMA 4X  компактная версия

Диаметр измерительного датчика[DN (дюймов)]

L3[мм (дюймов)]

H5[мм (дюймов)]

H6[мм (дюймов)]

H5 + H6[мм (дюймов)]

3 (1/8)

75 (2.95)

82 (3.23)

246 (9.69)

328 (12.91)

6 (¼)

62 (2.44)

72 (2.83)

256 (10.08)

328 (12.91)

15 (½)

75 (2.95)

87 (3.43)

267 (10.51)

353 (13.90)

25 (1)

75 (2.95)

173 (6.81)

271 (10.67)

443 (17.44)

40 (1½)

75 (2.95)

227 (8.94)

271 (10.67)

497 (19.57)

 

 


Схема подключения

Скачать Заказные данные Скачать Заказные данные 
MASSFLO MASS 6000 IP67/NEMA 4X интегральный/удаленный монтаж
Электрическое соединение

Заземление

PE требуется из-за питания класса защиты 1.

Механические счётчики

Если к соединениям 57 и 58 подключается механический счетчик (активный выход), то необходимо подключить конденсатор 1000 µF к соединениям 56 и 58, плюсовой полюс к соединению 56 и минусовой полюс к соединению 58.

Выходной кабель

В окружении с электрическими помехами рекомендуется использовать экранированный кабель.

Электрическое соединение

Преобразователь сигналов  MASS 6000 и преобразователь расхода MASS MC1

 

Преобразователь сигналов MASS 6000 и преобразователь расхода MASS MC1

MASS 6000 и MASS MC1 в Ex-приложениях:

Все преобразователи расхода MASSFLO MC1 подходят для любых применений в технологической промышленности для точных и надежных измерений во взрывоопасных зонах. Сенсор MC имеет все необходимые допуски, например, допуски ATEX/FM и допуск PED (European pressure directive). Благодаря расширенной концепции безопасности больших сенсоров они могут подключаться к стандартным версиям MASS 6000 19" или MASS 6000 IP67, но установка преобразователя сигналов должна осуществляться в безопасное зоне. В не взрывоопасных зонах может использоваться весь спектр преобразователей сигналов MASS 6000.

 

 


Заказные данные

Скачать Заказные данные Скачать Заказные данные 

Цена на сайте указана розничная в ЕВРО без учета НДС.Для уточнения цены и размера предоставляемой скидки - звоните или присылайте заявки

Заказной номерPGОписание продуктаЦена
7ME411.-.....-....831Преобразователь массового расходомера MASS 6000 1982.20

 


Аксессуары

Скачать Заказные данные Скачать Заказные данные 

Цена на сайте указана розничная в ЕВРО без учета НДС.Для уточнения цены и размера предоставляемой скидки - звоните или присылайте заявки

Заказной номерPGОписание продуктаЦена
A5E00753974835SITRANS F MODBUS RTU RS485 COMM MODULE OP INSTR EN 24.38
A5E00822490833M20 CABLE GLANDS (2PCS) 22.26
A5E008225018331/2 NPT CABLE GLANDS (2PCS) 26.50
A5E01164211831ACCESSORIE WALL BRACKET 0.5 INCH NPT 190.80
A5E02318728835SITRANS F FOUNDATION FIELDBUS H1 COMM MODULE OP INSTR EN 29.68
A5E02328485835ACCESSORIES, SUNCOVER 40.28
A5E02488856835SITRANS F FOUNDATION FIELDBUS H1 COMM MODULE OP INSTR DE 29.68
A5E02512169835SITRANS F FOUNDATION FIELDBUS H1 COMM MODULE OP INSTR FR 29.68
A5E02512177835SITRANS F FOUNDATION FIELDBUS H1 COMM MODULE OP INSTR ES 29.68
A5E03089708835SITRANS F HART COMM MODULE OP INSTR EN 11.66
A5E03089720835SITRANS F DEVICENET FOR USMII COMMUNICATION MODULE OP INSTR EN 11.66
FDK:085U0237833ADD-ON MODULE PROFIBUS DP PROFILE 3. 371.00
FDK:085U1018833WALL MOUNTING UNIT, 4X M20 CABLE GLANDS 190.80
FDK:085U1039835KEYPAD/DISPLAY UNIT MAG5000/6000 IP67 137.80
FDK:085U1050833TERMINALBOX WITH LID, POLYAMID, M20 CABLE GLANDS. THE KIT IS NOT APPROVED FOR HAZARDOUS LOCATIONS 180.20