0

Разделы

Milltronics MLC

Milltronics MLC - это конвейерные весы небольшой производительности для малых нагрузок на ленту.

 


Особенности

Milltronics MLC
  • Оригинальный параллелограммный дизайн весоизмерительных ячеек
  • Предназначены для легких нагрузок
  • Компактная и простая установка
  • Встроенная весоизмерительная роликовая опора, вкл. калибровочные грузы
  • Коррозионно-стойкая сталь
  • Низкие эксплуатационные расходы

 


Область применения

Milltronics MLC

Milltronics MLC - это конвеерные весы небольшой производительности для малых нагрузок на ленту. MLC подходит для взвешивания различных продуктов, таких как табак, удобрение, гранулированный корм или сахар.

Использование запатентованного параллелограммного стиля ячеек обеспечивает быструю реакцию на вертикальные усилия и соответственно быструю реакцию на изменение массы материала. Результатом применения является отличная точность и повторяемость, даже при малом весе продукта. MLC могут быть легко установлены на существующие плоские транспортерные конвееры или ленточные писатели.  

В комбинации с Milltronics BW 100 или BW 500 с микропроцессорным управлением, весы MLC обеспечивают индикацию мгновенного массового расхода, суммарного количества, значение величины нагрузки на ленту и скорости транспортируемых продуктов на конвеерных весах. Датчик скорости ленты встроен в интегратор. При использовании с Milltronics BW 500 интегратором совместно с ПИД регулированием, весы MLC могут применяться в пищевой промышленности как часть системы для управления  подачей для экструдеров, варочных аппаратов и осушительных систем.

 


Технические данные

Milltronics MLC

 

Технические параметры

 

Принцип измерения

Тензоизмерительные весоизмерительные ячейки измеряют нагрузку на ленточных конвеейрах с плоскими лентами

Типичное применение

Контроль удобрений, табака, кормового гранулята, сахара, песка

Работа

 

Точность

±1.0 % суммарного количества от 5 .. 1 рабочего диапазона

Условия

 

Максимальная температура материала

85 °C

Дизайн ленты

 

Ширина ленты

  • 450 .. 1200 мм
  • 18” .. 48”

Скорость ленты

2.0 м/с  максимум

Мощность

До 50т/ч

Наклон ленточного транспортера

  • ± 20° от горизонтали, фиксированный наклон
  • До ± 30° с уменьшением точности

Роликовые опоры

 

Исполнение

Горизонтальное

Диаметр роликовых опор

50 или 60 мм

Расстояние между роликовыми опорами

0.5 .. 1.5 м

Весоизмеритеьная ячейка

 

Конструкция

Нерж.  сталь

Питание

10 В DC номинал, 15 В DC максимум

Выход

2 мВ/В питание при  ном. мощности

Нелинейность

0.03 % от номинального выхода

Гистерезис

0.05 % от номинального выхода

Воспроизводимость

0.03 % от номинального выхода

Мощность

10 или 20

Перегрузка

150 % ном. мощность, 300 % ном. мощность

Температура

  •  -40 ... 85 °C  (рабочий диапазон)
  •  -10 ... 60 °C  (с компенсацией)

Размеры

Идентичны для всех мощностей

Взрывоопасные зоны

При использовании искробезопасных барьеров

Допуски

CE

 

 


Чертеж

Milltronics MLC

MLC размеры

Дюймовая система

Размер весов

Ширина ролика ‚A’

Размер ‚B’

Размер ‚C’

Размер ‚D’

Размер ‚E’

18” (457 мм)

18” (457 мм)

19” (483 мм)

1.90” (48.3 мм)

6.19” (157 мм)

3.5” (89 мм)

24” (610 мм)

24” (610 мм)

25” (635 мм)

1.90” (48.3 мм)

6.19” (157 мм)

3.5” (89 мм)

30” (762 мм)

30” (762 мм)

31” (787 мм)

1.90” (48.3 мм)

6.19” (157 мм)

3.5” (89 мм)

36” (914 мм)

36” (914 мм)

37” (940 мм)

1.90” (48.3 мм)

6.19” (157 мм)

3.5” (89 мм)

42” (1067 мм)

42” (1067 мм)

43” (1092 мм)

1.90” (48.3 мм)

6.19” (157 мм)

3.5” (89 мм)

48” (1219 мм)

48” (1219 мм)

49” (1245 мм)

1.90” (48.3 мм)

6.19” (157 мм)

3.5” (89 мм)

 

Метрическая система

Размер весов

Ширина ролика ‚A’

Размер ‚B’

‘Размер ‚C’

‘Размер ‚D’

Размер ‚E’

450 мм (17.72”)

450 мм (17.72”)

500 мм (19.69”)

50 мм (1.97”)

158 мм (6.22”)

96 мм (3.78”)

500 мм (19.69”)

500 мм (19.69”)

550 мм (21.65”)

50 мм (1.97”)

158 мм (6.22”)

96 мм (3.78”)

650 мм (25.59”)

650 мм (25.59”)

700 мм (27.56”)

50 мм (1.97”)

158 мм (6.22”)

96 мм (3.78”)

800 мм (31.50”)

800 мм (31.50”)

850 мм (33.46”)

50 мм (1.97”)

158 мм (6.22”)

96 мм (3.78”)

1000 мм (39.37”)

1000 мм (39.37”)

1050 мм (41.34”)

60 мм (2.36”)

163 мм (6.42”)

96 мм (3.78”)

1200 мм (47.24”)

1200 мм (47.24”)

1250 мм (49.21”)

60 мм (2.36”)

163 мм (6.42”)

96 мм (3.78”)

 

 


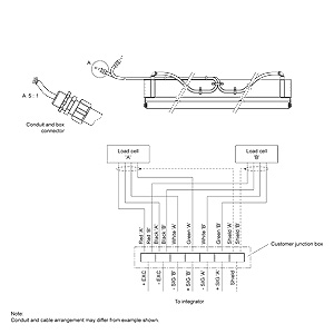
Схема подключения

Milltronics MLC

MLC подключение

 


Аксессуары

Цена на сайте указана розничная в ЕВРО без учета НДС.Для уточнения цены и размера предоставляемой скидки - звоните или присылайте заявки

Заказной номерPGОписание продуктаЦена
7MH7724-1AL854MLC CALIBRATION WEIGHT, (STAINLESS STEEL 304(1.4301)) FOR SCALES WITH BELT WIDTH OF 18, 450MM OR 500MM, 1.05 LBS (.47 KG) 89.04
7MH7724-1AM854MLC CALIBRATION WEIGHT, (STAINLESS STEEL 304(1.4301)) FOR SCALES WITH BELT WIDTH OF 18, 450MM OR 500MM, 1.63 LBS (.73 KG) 98.58
7MH7724-1AN854MLC CALIBRATION WEIGHT, (STAINLESS STEEL 304(1.4301)) FOR SCALES WITH BELT WIDTH OF 18, 450MM OR 500MM, 2.35 LBS (1.06 KG) 112.36
7MH7724-1AP854MLC CALIBRATION WEIGHT, (STAINLESS STEEL 304(1.4301)) FOR SCALES WITH BELT WIDTH OF 18, 450MM OR 500MM, 3.21 LBS (1.45 KG) 127.20
7MH7724-1AQ854MLC CALIBRATION WEIGHT, (STAINLESS STEEL 304(1.4301)) FOR SCALES WITH BELT WIDTH OF 24, 650MM, 1.38 LBS (.62 KG) 94.34
7MH7724-1AR854MLC CALIBRATION WEIGHT, (STAINLESS STEEL 304(1.4301)) FOR SCALES WITH BELT WIDTH OF 24, 650MM, 2.15 LBS (0.97 KG) 108.12
7MH7724-1AS854MLC CALIBRATION WEIGHT, (STAINLESS STEEL 304(1.4301)) FOR SCALES WITH BELT WIDTH OF 24, 650MM, 3.11 LBS (1.41 KG) 125.08
7MH7724-1AT854MLC CALIBRATION WEIGHT, (STAINLESS STEEL 304(1.4301)) FOR SCALES WITH BELT WIDTH OF 24, 650MM, 4.24 LBS (1.91 KG) 144.16
7MH7724-1AU854MLC CALIBRATION WEIGHT, (STAINLESS STEEL 304(1.4301)) FOR SCALES WITH BELT WIDTH OF 30, 800MM, 1.72 LBS (0.77 KG) 100.70
7MH7724-1AV854MLC CALIBRATION WEIGHT, (STAINLESS STEEL 304(1.4301)) FOR SCALES WITH BELT WIDTH OF 30, 800MM, 2.67 LBS (1.21 KG) 118.72
7MH7724-1AW854MLC CALIBRATION WEIGHT, (STAINLESS STEEL 304(1.4301)) FOR SCALES WITH BELT WIDTH OF 30, 800MM, 3.85 LBS (1.73 KG) 137.80
7MH7724-1AX854MLC CALIBRATION WEIGHT, (STAINLESS STEEL 304(1.4301)) FOR SCALES WITH BELT WIDTH OF 30, 800MM, 5.26 LBS (2.37 KG) 161.12
7MH7724-1AY854MLC CALIBRATION WEIGHT, (STAINLESS STEEL 304(1.4301)) FOR SCALES WITH BELT WIDTH OF 36, 1000MM, 2.05 LBS (0.92 KG) 106.00
7MH7724-1BA854MLC CALIBRATION WEIGHT, (STAINLESS STEEL 304(1.4301)) FOR SCALES WITH BELT WIDTH OF 36, 1000MM, 3.19 LBS (1.44 KG) 126.14
7MH7724-1BB854MLC CALIBRATION WEIGHT, (STAINLESS STEEL 304(1.4301)) FOR SCALES WITH BELT WIDTH OF 36, 1000MM, 4.56 LBS (2.07 KG) 150.52
7MH7724-1BC854MLC CALIBRATION WEIGHT, (STAINLESS STEEL 304(1.4301)) FOR SCALES WITH BELT WIDTH OF 36, 1000MM, 6.29 LBS (2.83 KG) 179.14
7MH7724-1BD854MLC CALIBRATION WEIGHT, (STAINLESS STEEL 304(1.4301)) FOR SCALES WITH BELT WIDTH OF 42, 1000MM, 2.38 LBS (1.07 KG) 112.36
7MH7724-1BE854MLC CALIBRATION WEIGHT, (STAINLESS STEEL 304(1.4301)) FOR SCALES WITH BELT WIDTH OF 42, 1000MM, 3.71 LBS (1.67 KG) 135.68
7MH7724-1BF854MLC CALIBRATION WEIGHT, (STAINLESS STEEL 304(1.4301)) FOR SCALES WITH BELT WIDTH OF 42, 1000MM, 5.35 LBS (2.41 KG) 163.24
7MH7724-1BG854MLC CALIBRATION WEIGHT, (STAINLESS STEEL 304(1.4301)) FOR SCALES WITH BELT WIDTH OF 42, 1000MM, 7.31 LBS (3.29 KG) 197.16
7MH7724-1BH854MLC CALIBRATION WEIGHT, (STAINLESS STEEL 304(1.4301)) FOR SCALES WITH BELT WIDTH OF 48, 1200MM, 2.72 LBS (1.22 KG) 118.72
7MH7724-1BJ854MLC CALIBRATION WEIGHT, (STAINLESS STEEL 304(1.4301)) FOR SCALES WITH BELT WIDTH OF 48, 1200MM, 4.23 LBS (1.92 KG) 144.16
7MH7724-1BK854MLC CALIBRATION WEIGHT, (STAINLESS STEEL 304(1.4301)) FOR SCALES WITH BELT WIDTH OF 48, 1200MM, 6.06 LBS (2.75 KG) 177.02
7MH7724-1BL854MLC CALIBRATION WEIGHT, (STAINLESS STEEL 304(1.4301)) FOR SCALES WITH BELT WIDTH OF 48, 1200MM, 8.34 LBS (3.75 KG) 214.12
7MH7725-1AA8ZMLOAD CELL,WITH HARDWARE, MLC,10 LB, STAINLESS STEEL, F SPARE 1471.28
7MH7725-1AB8ZMLOAD CELL,WITH HARDWARE, MLC,20 LB, STAINLESS STEEL, F SPARE 1471.28
7ML1998-5FF018ZMинструкция по эксплуатации для ленточных весов MLC, английский 12.72