0

Разделы

Скачать Заказные данные 
Milltronics TASS

Milltronics TASS - компактный датчик скорости с рабочим колесом, для монтажа на обратную ленту конвейера.

 


Особенности

Скачать Заказные данные 
Milltronics TASS
  • Прочная конструкция
  • Простота монтажа
  • Компактный сенсор, занимающий мало места
  • Класс защиты IP65

 


Область применения

Скачать Заказные данные 
Milltronics TASS

Milltronics TASS - компактный датчик скорости с рабочим колесом, для монтажа на обратную ленту конвейера. При работе в составе конвейерных весов, датчик скорости выдаёт на измерительный преобразователь импульсы, которые используются для расчёта массового расхода материала. С помощью датчика скорости измеряется скорость движения ленты конвейера.

TASS устанавливается вблизи места установки конвейерных весов на обратной ветви конвейера. Датчик скорости генерирует сигналы за счет вращении колеса при движении ленты. За один оборот колеса генерируется 5 импульсов, которые подаются на измерительный преобразователь. Датчик TASS крепится на статической опоре конвейерных весов или поперечной балке через поворотный держатель.

Наиболее часто датчик скорости TASS используется в приложениях, где место установки ограничено, например, в мобильных дробилках. Датчик скоростиТASS может быть подключен к любому измерительному преобразователю Milltronics для конвейерных весов.

 

 


Дизайн

Скачать Заказные данные 
Milltronics TASS
Монтаж

Монтаж TASS

 


Технические данные

Скачать Заказные данные 
Milltronics TASS

Milltronics TASS

 

Принцип работы

 

Принцип измерения

Специальный безконтактный датчик выдает импульсы на интегратор

Типичное приложение

Мобильные дробилки

Вход

  • Вращение колеса в обоих направлениях
  • От 25 до 350 оборотов в минуту

Выход

  • Магнитно-индуктивный сенсор
  • Открытый коллектор, NPN, макс. 200 мА
  • Импульсы: 5 имп. за оборот 9,947 импульсов/м, 3,03 импульсов/ft

Условия использования

 

Рабочая температура

-25... +70 °C

Степень защиты

IP65

Конструкция

 

Направляющий шток

Лакированная, нелегированная сталь

Колесо

Диаметр 160 мм, алюминиевое литье под давлением с полиуретановым ободом

Питание

10 ... 35 В DC, 15 мA при 24 В DC макс.

Соединение

 

Коричневый

+ Питание (+15 В DC)

Черный

+ Сигнал

Голубой

-  Общий провод

Кабель

  • 2 м, 3-х жильный экранированный кабель PVC, 3 x 0,25 мм2 (23 AWG), защита через гибкий кабельный ввод, 1000 мм
  • Макс. длина кабеля 300 м

Допуски

CE

 

 


Чертеж

Скачать Заказные данные 
Milltronics TASS

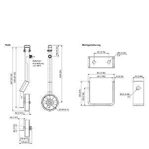
 Размеры TASS

 


Заказные данные

Скачать Заказные данные 

Цена на сайте указана розничная в ЕВРО без учета НДС.Для уточнения цены и размера предоставляемой скидки - звоните или присылайте заявки

Заказной номерPGОписание продуктаЦена
7MH7131-.....854SIEMENS MILLTRONICS TASS ДАТЧИК СКОРОСТИ 852.24

 


Аксессуары

Скачать Заказные данные 

Цена на сайте указана розничная в ЕВРО без учета НДС.Для уточнения цены и размера предоставляемой скидки - звоните или присылайте заявки

Заказной номерPGОписание продуктаЦена
7MH7723-1AN8ZMЗАПЧАСТЬ ДЛЯ ДАТЧИКА СКОРОСТИ TASS 124.02
7MH7723-1AP8ZMЗАПЧАСТЬ ДЛЯ ДАТЧИКА СКОРОСТИ TASS 130.38
7ML1998-5HL618ZMINSTRUCTION РУКОВОДСТВО FOR MITTRONICS TASS SPEED SENSOR MULTI-LANGUAGE 12.72