0

Разделы

Скачать Заказные данные 
ENG: Miniature diaphragm seals

Miniature diaphragm seals

The miniature diaphragm seals are available for the following SITRANS P pressure transmitter series for pressure:

  • MK II
  • P300
  • DS III
  • DS III PA
  • DS III FF

Suitable for high pressures, contaminated, fibrous and viscous media in the chemical, paper, food and drink industries.

 


Дизайн

Скачать Заказные данные 
ENG: Miniature diaphragm seals
  • Flush-mounted diaphragm
  • No dead spaces
  • Fixed threaded stems

 


Технические данные

Скачать Заказные данные 
ENG: Miniature diaphragm seals

Miniature diaphragm seals

Span with

 
  • G1B

> 6 bar (> 87 psi)

  • G1½B

> 2 bar (> 29 psi)

  • G2B

> 600 mbar (> 8.7 psi)

Filling liquid

Silicone oil M5 or food oil (FDA-listed)

Material

  • Main body
  • Diaphragm

Stainless steel, Mat. No. 1.4404/316L

Stainless steel, Mat. No. 1.4404/316L

Maximum pressure

100 % of the nominal pressure of the pressure transmitter, but max. PN 400 (5802 psi) (depending on the seal used)

Working temperature range

Same as pressure transmitter

Temperature range of medium

Same as pressure transmitter

Max. recommended process temperature

150 °C (302 °F)

Weight

 
  • G1B

Approx. 0.3 kg (approx. 0.66 lb)

  • G1½B

Approx. 0.5 kg (approx. 1.10 lb)

  • G2B

Approx. 0.8 kg (approx. 1.76 lb)

Certificates and approvals

 

Classification according to pressure equipment directive (DGRL 97/23/EC)

For gases of fluid group 1 and liquids of fluid group 1; complies with requirements of article 3, paragraph 3 (sound engineering practice)

 


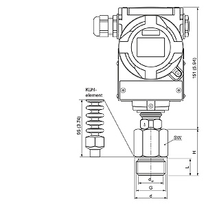
Чертеж

Скачать Заказные данные 
ENG: Miniature diaphragm seals

G

Ø dM

 

SW

 

Ø d

 

L

 

H

 
 

mm

(inch)

mm

(inch)

mm

(inch)

mm

(inch)

mm

(inch)

G1B

25

(0.98)

41

(1.61)

39

(1.53)

28

(1.1)

56

(2.21)

G1½B

40

(1.57)

55

(2.17)

60

(2.36)

30

(1.18)

50

(1.97)

G2B

50

(1.97)

60

(2.36)

70

(2.76)

30

(1.18)

63

(2.48)

dM: Effective diaphragm diameter

Miniature diaphragm seal, dimensions in mm (inch)

 


Заказные данные

Скачать Заказные данные 

Цена на сайте указана розничная в ЕВРО без учета НДС.Для уточнения цены и размера предоставляемой скидки - звоните или присылайте заявки

Заказной номерPGОписание продуктаЦена
7MF4960-.....8087MF4960 - Компактный мембранный разделитель давления прямого монтажа с резьбовым подключением, 0.00