0

Разделы

MK II серия (только относительное давление) - Датчики относительного, абсолютного и дифдавления

MK II серия (только относительное давление) - Датчики относительного, абсолютного и дифдавления

SITRANS P измерительный преобразователь относительного давления, серии MK II , с встроенным аналоговым индикатором

SITRANS P измерительный преобразователь относительного давления, серии MK II, служит для измерения давления агрессивных и неагрессивных газов, жидкостей и паров.

Они обеспечивают точные и надежные измерения и доступны в различных версиях и модификациях.

Особенности

  • Надёжная и компактная конструкция
  • Высокая точность измерения 
  • Погрешность характеристик ≤ 0.25 %
  • Части, соприкасающиеся с изм. в-вом из нерж. стали 1.4404/316L
  • Диапазон измерения 0.23 ... 160 бар (3.34 ... 2320 psi)
  • ЕХ-защиты по ATEX и FM/CSA

Область применения

SITRANS P измерительные преобразователи давления, серии МК II преимещественно используются в следующих отраслях:

  • Химия
  • Нефтехимия 
  • Энергетика 
  • Фармацевтика 

Измерительные преобразователи с типом взрывозащиты “Искробезопасность” могут монтироваться в пределах взровоопасных зон (зона 1). Свидетельство о соответствии отвечает европейским нормам (ATEX).

Для особых случаев применения, например для измерения высоковязких веществ, могут поставляться измерительные преобразователи с разделителями давления различной конструкции

Дизайн

SITRANS P измерительный преобразователь давления, серия МК II, вид прибора спереди

Прибор, в зависимости от требований заказа, состоит из различных компонентов. Возможные варианты исполнения см. указания по заказу. Описанные ниже компоненты идентичны для всех приборов.

Сбоку на корпусе среди прочего находится типовая табличка (3, рис. „Вид прибора спереди“) с заказным номером. Через указанный номер и данные в указаниях по заказу можно определить опционные детали конструкции и возможные диапазоны измерения (физические свойства встроенного сенсорного элемента).

Напротив находится табличка с допусками.

Корпус состоит из алюминиевого литья под давлением и точного литья из нерж. стали. На передней и задней стороне корпуса находится по одной съемной круглой крышке (5). Как опция измерительный преобразователь давления может быть оборудован аналоговым индикатором (6). Сбоку, по выбору слева или справа, находится подвод (4) для электрического подключения. Соответствующее не задействованное отверстие на противоположной стороне закрыто заглушкой. На задней стороне корпуса находится подключение заземляющего кабеля.

После снятия задней крышки открывается доступ к электрическим соединениям для питания и экрана. В нижней части корпуса находится изм. ячейка с подключением к процессу (1). Изм. ячейка зафиксирована стопорным винтом от прокручивания.

Функции

Принцип работы

Давление через разделительную мембрану (2, рис. Схема работы) и наполнительную жидкость (3) передается на кремневый сенсор давления (4) и отклоняет его мембрану. При этом четыре установленных на измерительную мембрану по мостовой схеме пьезо-сопротивления меняют тем самым величину сопротивления.

Данное изменение сопротивления вызывает мостовое выходное напряжение, пропорциональное входному давлению, которое усиливается в измерительном усилителе (5) и преобразуется в выходной ток 4 до 20 мА.

Измерительные преобразователи давления с интервалами измерения ≤ 63 bar измеряют входное давление по отношению к атмосферному, измерительные преобразователи давления с интервалом измерения 160 бар - по отношению к вакууму.

Измерительный преобразователь давления SITRANS P, серия MK II, схема работы

Параметрирование

Параметрирование осуществляется через потенциометр и штепсельные мосты (6, рис. “Схема работы”).

Следующие параметры могут устанавливаться и индицироваться:

  • начало и конец измерения (с подачей давления)
  • демпфирование

Технические данные

Измерительный преобразователь давления SITRANS P, серия MK II

Принцип работы

 

Принцип измерения

пьезорезистивный

Вход

 

Измеряемая величина

избыточное давление

Диапазон измерения

 

Интервал измерения

макс. доп. рабочее давление

0.23 ... 1 bar (3.34 ... 14.5 psi)

6 bar (87 psi)

0.89 ... 4 bar (12.9 ... 58 psi)

10 bar (145 psi)

3.55 ... 16 bar (51.5 ... 232 psi)

32 bar (464 psi)

14.0 ... 63 bar (203 ... 914 psi)

100 bar (1450 psi)

35.6 ... 160 bar (516 ... 2320 psi)

250 bar (3626 psi)

  • нижняя граница измерения

 

  • изм. ячейка с наполнителем силиконовым маслом

30 mbar (0.435 psi) абс.

  • верхняя граница измерения

100 % от макс. интервал измерения

  • начало измерения (бесступенчатая установка)

+20 ... -13 % от макс. интервал измерения

Выход

 

Выходной сигнал

4 ... 20 mA

Характеристика

линейная растущая

Точность измерения

 

Эталонные условия

Растущая характеристика

Начало измерения 0 бар

Разд. мембрана из нерж. стали

Наполнитель из силиконового масла

Установка предельной точки

r: отношение интервалов измерения (r = макс. интервал измерения / установленный интервал измерения)

Погрешность измерения (вкл. гистерезис и повторяемость)

≤ 0,25 %

Долговременный дрейф

≤ 0.2 % за 12 месяцев при макс. интервале измерения

Воздействие внешней температуры

 

Температурный диапазон:

 

  • -10 ... +60 °C (14 ... 140 °F)

≤ (0.6·r + 0.6) %

для ячейки 1 bar (14.5 psi) cell: ≤ (1.2·r + 0.6) %

  • -40 ... -10 °C (-40 ... +14 °F) и 60 ... 85 °C (140 ... 185 °F)

≤ (0.2·r + 0.15) % / 10 K

(≤ (0.2·r + 0.15) % / 18 °F)

Условия использования

 

Класс защиты (по EN 60529)

(по EN 60529)

IP65

Температура изм. вещ-ва

-30 ... +100 °C (-22 ... +212 °F)

Конструктивные особенности

 

Вес (без опций)

≈ 1.5 kg (≈ 3.3 lb)

Материал частей, соприк. с изм. в-вом

 

  • соединительные цапфы

нерж. сталь, 1.4404/316L

  • разделительная мембрана

нерж. сталь, 1.4404/316L

Наполнитель измерительных ячеек

силиконовое масло

Подключение к процессу

Соединительные цапфы G½A по DIN EN 837-1, внутренняя резьба ½ -14 NPT

Электрическое соединение

Винтовые клеммы, ввод кабеля через кабельный ввод Pg 13,5 (адаптер), M20x1,5 или ½‑14 NPT или штекер Han 7D / Han 8U

Питание  U H

 

Напряжение на клеммах изм. преобразователя

10.5 ... 45 V DC
10.5 ... 30 V DC при искробезопасной работе

Сертификаты и допуски

 

Подразделение согласно руководтству по приборам давления (DGRL 97/23/EC):

Для газов флюидной группы 1 и жидкостей флюидной группы 1; отвечает требованиям согласно статье 3 раздел 3 (хорошая инженерная практика)

Взрывозащита

 

  • Искробезопасность "i"

PTB 98 ATEX 2003

  • Обозначение

Ex II 1/2 G EEx ia/ib IIC T4

  • Доп. внешняя температура

-30 ... +80 °C (-22 ... +176 °F)

  • Подключение 

К освидетельствованным контурам тока с макс.значениями:   Ui = 30 V, Ii = 100 mA, Pi = 750 mW

  • Эфф. внутренняя индуктивность/емкость

L i = 0.75 mH, Ci = 21 nF

  • Взрывонепроницаемый корпус "d"

PTB 99 ATEX 1160

  • Обозначение 

Ex II 1/2 G EEx d IIC T4/T6

  • Доп. внешняя температура

-30 ... +85 °C (-22 ... +185 °F) класс температуры T4;

-30 ... +60 °C (-22 ... +140 °F) класс температуры T6

  • Подключение 

К контурам тока с рабочими значениями:                                       UH = 10.5  ...  45 V DC

  • Взрывозащита по FM

Certificate of Compliance 3008490

  • Обозначение (XP/DIP) или (IS); (NI)

CL I, DIV 1, GP ABCD T4; CL II, DIV 1, GP EFG; CL III; CL I, ZN 0/1 AEx ia IIC T4; CL I, DIV 2, GP ABCD T4; CL II, DIV 2, GP FG; CL III

  • Взрывозащита по CSA

Certificate of Compliance 2000.1153651

  • Обозначение (XP/DIP) или (IS)

CL I, DIV 1, GP ABCD T4; CL II, DIV 1, GP EFG; CL III; Ex ia IIC T4; CL I, DIV 2, GP ABCD T4; CL II, DIV 2, GP FG; CL III


 

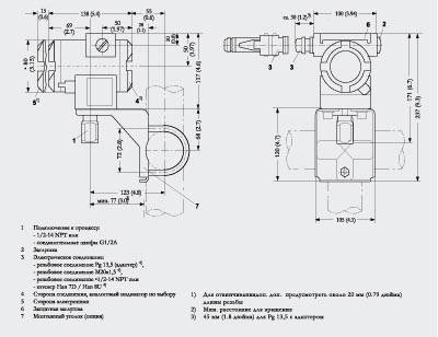
Чертеж

Измерительный преобразователь давления SITRANS P, серия MK II, габаритный чертеж, размеры в мм (дюймах)

Заказные данные [PDF]

Загрузить PDF-файл.

Для просмотра информации в формате PDF необходимо установить Adobe Acrobat Reader.
Adobe Acrobat Reader

Заказные данные

Заказной №ОписаниеВес (кг)ДоставкаМин. зак. (шт)
7MF4010-.....-1...SITRANS P ДАТЧИК ДАВЛЕНИЯ; СЕРИИ MKII, НАСТРОЙКА ПО МЕСТУ1.5по запросу (D)1

Аксессуары

Заказной №ОписаниеВес (кг)ДоставкаМин. зак. (шт)
7MF4997-1ABНАБОР ДЛЯ КРЕПЕЖА ИЗ СТАЛИ ДЛЯ ДАТЧИКОВ ДАВЛЕНИЯ 7MF401*-.....-1*C* 7MF4032-.....-1*C* И ТЕРМОПРЕОБРАЗОВАТЕЛЯ 7NG313*-**C**0.56 - 8 недель (C)1
7MF4997-1ACНАБОР ДЛЯ КРЕПЕЖА ИЗ СТАЛИ ДЛЯ ДАТЧИКОВ ДАВЛЕНИЯ СЕРИЙ MK II, MS И DS (7MF4010/4013/4032-.....-1.A. -1.B. И -1.D.) И ДЛЯ ДАТЧИКОВ АБСОЛЮТНОГО ДАВЛЕНИЯ (7MF4232-.....-1.A., -1.B. И -1.D.) И ТЕРМОПРЕОБРАЗОВАТЕЛЕЙ 7NG313*-**B**TER 7NG313.-..B..TER 7NG313.-..B..0.56 - 8 недель (C)1
7MF4997-1AHНАБОР ДЛЯ КРЕПЕЖА ИЗ НЕРЖ.СТАЛИ ДЛЯ ДАТЧИКОВ ДАВЛЕНИЯ 7MF401*-.....-1*C* 7MF4032-.....-1*C* И ТЕРМОПРЕОБРАЗОВАТЕЛЕЙ 7NG313*-**C**0.54 - 6 недель (B)1
7MF4997-1AJНАБОР ДЛЯ КРЕПЕЖА ИЗ НЕРЖ.СТАЛИ ДЛЯ ДАТЧИКОВ ДАВЛЕНИЯ СЕРИЙ MK II,MS И DS (7MF4010/4013/4032-.....-1.A. -1.B. И -1.D.) И ДАТЧИКОВ АБСОЛЮТНОГО ДАВЛЕНИЯ СЕРИИ DS (7MF4232-.....-1.A., -1.B. И -1.D.) И ТЕРМОПРЕОБРАЗОВАТЕЛЕЙ 7NG313*-**B**TURE TRANSMITTER 7NG3TURE TRANSMITTER 7NG313.-..B..0.53 - 5 недель (A)1
7MF4997-1BBКРЫШКА БЕЗ ОКНА,С О-КОЛЬЦОМ ДЛЯ 7MF4*1*-... И 7MF4*32-...0.36 - 8 недель (C)1
7MF4997-1BEКРЫШКА С ОКНОМ,С О-КОЛЬЦОМ ДЛЯ 7MF4*1*-... И 7MF4*32-...0.33 - 5 недель (A)1
7MF4997-1BNАНАЛОГОВЫЙ ИНДИКАТОР ШКАЛА 0 .. 100%0.56 - 8 недель (C)1
7MF4997-1BPАНАЛОГОВЫЙ ИНДИКАТОР, ШКАЛА ПО ЗАПРОСУ, ОПЦИЯ Y200.1по запросу (X)1
7MF4997-1CAШИЛЬДИК ЧИСТЫЙ (1 НАБОР = 5 ШТУК)0.16 - 8 недель (C)1
7MF4997-1CBШИЛЬДИК ДЛЯ ОПЦИЙ Y01 ИЛИ Y02, Y15 И Y16 (1 ШТУКА)0.16 - 8 недель (C)1
7MF4997-1CDВИНТЫ ДЛЯ ШИЛЬДИКА 7MF4*1*-... И 7MF4*32-... (50 ШТУК)0.16 - 8 недель (C)1
A5E00090345CD -ДИСК С ДОКУМЕНТАЦИЕЙ ДЛЯ SITRANS P, DS III0.056 - 8 недель (C)1
C73000-B5650-C100РУКОВОДСТВО ПО ЭКСПЛУАТАЦИИ SITRANS P, SERIES MK II FRENCH, ITALIAN AND SPANISH0.53 - 5 недель (A)1
C73000-B5674-C100РУКОВОДСТВО ПО ЭКСПЛУАТАЦИИ ДЛЯ SITRANS P SERIES MK II, GERMAN/ENGLISH0.0863 - 5 недель (A)1

Аксессуары [PDF]

Загрузить PDF-файл.

Для просмотра информации в формате PDF необходимо установить Adobe Acrobat Reader.
Adobe Acrobat Reader