0

Разделы

Модуль контроля CU310 DP

Блок управления CU310 DP обеспечивает связь и функции контроля по обратной/прямой связи для модуля питания. CU310 DP вместе с модулем питания и картой CompactFlash составляют мощный одноосный привод перем. тока с интерфейсом PROFIBUS для управления более высокого уровня

 


Дизайн

Модуль контроля CU310 DP

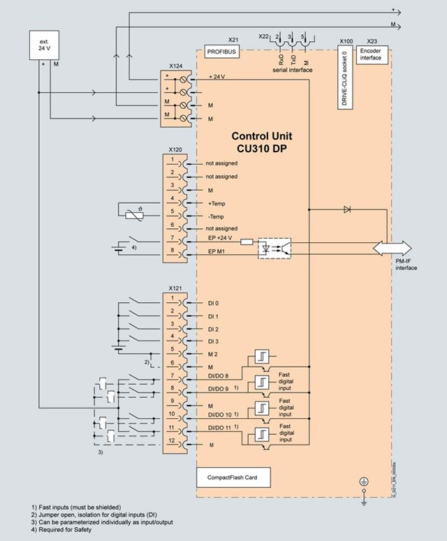
Блоки контроля CU310 DP в качестве стандартных поддерживают следующие интерфейсы:

1 сокет DRIVE-CLiQ для связи с другими устройствами DRIVE-CLiQ, например модулями датчиков или терминалов 1 PM IF-интерфейс для связи с модулями питания блокового формата 1 интерфейс к основной панели оператора BOP20 1 PROFIBUS интерфейс с профилем PROFIdrive V4 1 вычислительный контур HTL/TTL 4 параметризированных цифровых входа (дифференциальных) 4 параметризированный двунаправленных цифровых входов/выходов (недифференциальных) 1 последовательный RS232-интерфейс 1 слот для карты CompactFlash, на котором хранятся микропрограмма и параметры 3 сокета для тестирования и одно базовое заземление для поддержки при вводе в эксплуатацию 1 подключение к источнику питания с использованием соединителя источника питания 24 В пост. тока 1 PE (защитное заземление) соединение

Состояние блока контроля CU310 DP указывается с помощью разноцветных СИДов.Основная панель оператора BOP20  может также быть передана напрямую на блок управления CU310 DP для диагностики.Поскольку микропрограмма и параметры хранятся на подключаемой карте CompactFlash, блок управления можно заменить без необходимости в дополнительных средствах.

 


Интеграция

Модуль контроля CU310 DP

Блок контроля CU310 DP использует модули питания в блоковом формате с использованием PM IF-интерфейса. В этом случае другие компоненты DRIVE-CLiQ, такие как модули датчиков или терминалов могут быть подключены к сокету DRIVE-CLiQ на блоке управления CU310 DP.

Модули питания в формате для подключения к шасси управляются блоком управления CU310 DP с использованием DRIVE-CLiQ интерфейса. С этим параметром модули датчиков и терминалов должны быть подключены к свободным сокетам DRIVE на блоке питания.

Настройки параметров можно изменить, используя базовую панель оператора BOP20, Панель BOP20 также может быть подключена к блоку управления CU310 DP в рабочем процессе для выполнения процедур диагностики. Блок управления CU310 DP и другие подключенные компоненты вводятся в эксплуатацию и диагностируются с помощью средства STARTER.

Блок управления CU310 DP взаимодействует с системами правления более высокого уровня с помощью PROFIBUS и профиля PROFIdrive V4,

Интегрированные функции безопасности, такие как "Защитный механизм отключения привода“ (= "Безопасное отключение“) должны быть разделены на два канала. Два цифровых входа на блоке управления CU310 DP необходимы для выполнения этой задачи.

Внешний источник 24 В может быть подключен к CU310 для обеспечения питания если входящие источник модуля питания не подключен.

 

Стандартное подключение блока управления CU310 DP

 


Технические данные

Модуль контроля CU310 DP
 

Блок управления CU310 DP

макс. текущие требования (при 24 В пост. ток)без учета цифровых выводов и источника DRIVE-CLiQ

0.85 A

макс. подключаемые выводы

2.5 мм2

макс. защита с предохранителями

20 A

Цифровые входы

4 цифровых дифференциальных входа4 двунаправленных недифференциальных цифровых входа/выхода

 

  • Напряжение

– 3 В до 30 В

  • Низкий уровень (открытый цифровой вход воспринимается как "низкий")

– 3 В до 5 В

  • Высокий уровень

– 15 В до 30 В

  • Расход тока (станд. при 24 В пост. ток)

10 мА

  • Задержка распространения сигнала для цифровых входов1)

L → H: приблиз. 50 μs

H → L: приблиз. 100 μs

  • задержка распространения сигнала для высокоскоростных цифровых входов1)(высокоскоростные цифровые входы можно использовать для определения местоположения)

L → H: приблиз. 5 μs

H → L: приблиз. 50 μs

  • макс. подключаемые выводы

0.5 мм2

Цифровые выходы (постоянная защита от КЗ)

4 двунаправленных недифференциальных цифровых входа/выхода

  • Напряжение

24 V DC

  • Макс. загрузка на каждый цифровой выход 2)

500 mA

  • Время задержки цифровых выходов

приблиз. 150 μs

  • Макс. подключаемые выводы

0.5 мм2

Датчики

TTL или HTL (с изменяемыми параметрами)

  • Предельная частота, на которой происходит отключение

500 кГц

  • макс. длина кабеля для шифратора приращений TTL

100 м (328 фт) (допускаются только биполярные сигналы)

  • макс. длина кабеля для шифратора приращений HTL

100 м (328 фт) для униполярных сигналов

300 м (984 фт) для биполярных сигналов

Потеря мощности

< 20 Вт

PE-соединение

На корпусе с болтами M5

Ширина

73 мм (2.9 дюйма)

Высота

183.2 мм (7.2 дюйма)

Глубина

89.6 мм (3.5 дюймов)

Вес, приблиз.

0.95 кг (2 дюйма)

Утверждение

cULus (Документ No.: E164110)

1) Указанные задержки прохождения сигнала относятся к оборудованию . Фактическое время отклика зависит от временного периода, в который выполняется обработка цифрового входа или выхода. 2) Для использования цифровых выходов внешний источник питания 24 В должен быть подключен к терминалу X124

 


Заказные данные

Цена на сайте указана розничная в ЕВРО без учета НДС.Для уточнения цены и размера предоставляемой скидки - звоните или присылайте заявки

Заказной номерPGОписание продуктаЦена
6SL3040-1LA00-0AA0771SINAMICS S120 БЛОК УПРАВЛЕНИЯ CU310-2 DP С ИНТЕРФЕЙСОМ PROFIBUS, БЕЗ ФЛЭШ-КАРТЫ COMPACTFLASH 815.93
6SL3040-1LA01-0AA0771SINAMICS S120 БЛОК УПРАВЛЕНИЯ CU310-2 PN С ИНТЕРФЕЙСОМ PROFINET, БЕЗ ФЛЭШ-КАРТЫ COMPACTFLASH 815.93

 


Аксессуары

Цена на сайте указана розничная в ЕВРО без учета НДС.Для уточнения цены и размера предоставляемой скидки - звоните или присылайте заявки

Заказной номерPGОписание продуктаЦена
6SL3066-4CA00-0AA0753SINAMICS ЗАГЛУШКА ДЛЯ ЗАЩИТЫ ОТ ПЫЛИ ДЛЯ ПОРТА DRIVE-CLIQ 50 ШТУК 33.45
6SL3072-0AA00-0AG0753STARTER УТИЛИТА ДЛЯ ПУСКОНАЛАДКИ SINAMICS И MICROMASTER ВЕРСИЯ V4.1 SP2 DVD ДЛЯ WINDOWS 2000 SP3,SP4 И WINDOWS 2003 SERVER SP1 И WINDOWS XP PROF SP1, SP2, SP3 НЕМЕЦКИЙ/АНГЛИЙСКИЙ/ИСПАНСКИЙ/Ф РАНЦУЗСКИЙ И ИТАЛЬЯНСКИЙ 30.42