0

Разделы

Модули питания Smart в компактном книжном формате

Модули питания Smart являются нерегулируемыми блоками питания / рекуперации (диодный мост для питания; устойчивый, ведомый сетью инвертор на IGBT для рекуперации) со 100 % мощностью рекуперации. Способность к рекуперации модуля может деактивироваться параметрированием. Модули питания Smart предназначены для подключения к заземленным (TN, TT) и незаземленным (IT) сетям.

Предварительная зарядка промежуточного контура происходит через встроенные предзарядные резисторы.

Соответствующий сетевой дроссель необходим для работы модуля питания Smart.

 


Дизайн

Модули питания Smart в компактном книжном формате

Модули питания Smart компактного книжного формата стандартно имеют следующие подключения и интерфейсы:

  • 1 подключение питающей сети через винтовые клеммы
  • 1 подключение для 24 В DC питание электроники через разъем 24 В, входящий в объем поставки
  • 1 подключение DC-контура через встроенные шины DC-контура
  • 2 подключения PE / защитного проводника
  • 3 розетки DRIVE‑CLiQ

Состояние модулей питания Smart индицируется с помощью многоцветных светодиодов.

Экран сигнального кабеля может быть подключен к модулю питанияс помощью специального зажима, например Weidmüller тип KLBÜ 3-8 SC.

В объем поставки модуля питания Smart входит:

  • Кабель DRIVE‑CLiQ для подключения к модулю управления, если он смонтирован непосредственно слева
  • 2 заглушки для неиспользуемых розеток DRIVE-CLiQ
  • Кабель DRIVE‑CLiQ (длина зависит от ширины модуля) для подключения модуля питания Smart к следующему модулю двигателя
  • Перемычка для подключения 24 V DC шины к следующему модулю двигателя
  • терминальный адаптер 24 В (X24)
  • Коннектор X21 для цифровых входов и выходов
  • 1 набор предупреждающих наклеек на разных языках
  • 1 теплопроводящая пленка

 


Интеграция

Модули питания Smart в компактном книжном формате

Модули питания Smart подключаются к модулям управления CU320 или SimotionD4x5 по DRIVE-CliQ .

Пример подключения модуля питания Smart в компактном книжном формате

 


Технические данные

Модули питания Smart в компактном книжном формате

Общие технические параметры

Электрические параметры

Сетевое напряжение

(до 2000 м (6562 фута) выше уровня моря)

380 ... 480 В 3 AC ±10 % (-15 % < 1 мин) 1)

Частот сети

47 … 63 Гц

Коэффициент мощности сети

При номинальной мощности

 
  • Общий коэффициент мощности (cos ϕ1)

> 0.96

  • Суммарный (λ)

0.65 … 0.90

Категория перенапряжения

с соответствии с EN 60664‑1

Класс III

Напряжение DC контура, приблизительно

1.35 x напряжение сети 2)

Питание электроники

24 В DC, -15 %/+20 %

Подавление радиопомех

  • Стандарт

Нет подавления

  • С сетевым фильтром

Категория C2 в соответствии с EN 61800‑3до 350 м (1148 футов) общая длина кабелей (экранированных)

Условия окружающей среды

Тип охлаждения

Устройства спроектированы таким образом, что бы было возможно

  • внутреннее воздушное охлаждение (для силовых модулей с принудительным воздушным охлаждением - с помощью through встроенного вентилятора) или
  • охлаждение с помощью охлаждающей пластины

Допустимая температура окружающей среды и охладителя (воздуха)

во время работы для сетевых компонентов, двигательных модулей и модулей питания

0 … 40 °C (32  … 104 °F) без ухудшения параметров,> 40 … 55 °C (104  … 131 °F) см. характеристики ухудшения параметров

Высота

До 1000 м (3281 фута) над уровнем моря без ухудшения параметров,> 1000 ... 4000 м (3281 ... 13124  фута) над уровнем моря см. характеристики ухудшения параметров

Сертификаты

Соответствие

CE (низковольтные и ЭМС директивы)

Одобрения

cULus

1) Так же может работать при сетевом напряжении 200 ... 240 В 3 AC ±10 % с соответствующей параметризацией и уменьшенной мощностью.

2) Напряжение DC контура приблизительно равно среднему значению выпрямленного напряжения сети. Для дальнейшей информации см. описание конкретной системы.

Напряжение сети 380 ... 480 V 3 AC

Для Smart Line Modules компактного книжного формата

Внутреннее воздушное охлаждение/охлаждение с помощью охлаждающей пластины

6SL3430-6TE21‑6AA0

Мощность питания/регенерации

 
  • Номинальная мощность Pном.
 
  • При 380 В 3 AC

16 кВт

  • При 460 В 3 AC 3)

(18 л.с.)

  • При загруженности S6 (40 %) PS6

21 кВт

  • P макс.

35 кВт

Ток DC контура

 
  • При 600 В DC

27 A

  • При загруженности S6 (40 %)

35 A

  • Максимальный

59 A

Входной ток

 
  • Номинальный ток при 380 В 3 AC 

26 A

  • При загруженности S6 (40 %)

35 A

  • Максимальный

59 A

Требования по току

24 В DC напряжение питания электроники, макс.

1.1 A

Нагрузочная способность по току

 
  • Шина 24 B DC

20 A

  • Шина DC контура

100 A

Емкость DC контура

 
  • Smart Line Module

705 μF

  • Для сборки привода в линию, макс.

6000 μF

Потери мощности 1)

 
  • С внутренним охлаждением

0.19 кВт

  • С охлаждением с помощью охлаждающей пластины, внут./внеш.

0.06/0.13 кВт

  • Температурное сопротивление Rth

0.1 K/Вт

Требования к охлаждению воздухом

0.016 м3/сек(0.6 ft3/s)

Уровень шума LpA (1 м)

< 60 дБ

Сетевое подключение

U1, V1, W1

Винтовые зажимы(X1)

  • Поперечное сечение проводника, макс.

2.5 … 10 мм2

Подсоединение экрана

Пластина дл подключения экрана интегрирована в разъем

PE соединение

Винт M5

Длина кабеля, макс.

(сумма всех длин кабеля и DC контура) 2)

 
  • Экранированного

350 м (1148 футов)

  • Неэкранированного

560 м (1837 футов)

Степень защиты

IP20

Размеры

 
  • Ширина

100 мм (3.94 дюйма)

  • Высота

270 мм (10.6 дюйма)

  • Глубина

226 мм (8.90 дюйма)

Вес, приблизительно

5.3 кг (12 фунтов)

1) Потери мощности в Smart Line Module при номинальной нагрузке с учетом потерь в питании электроники 24 В DC.

2) Макс. длины кабелей при работе с модулем ограничения напряжения (Voltage Clamping Module), см. "характеристики ухудшения параметров".

3) Номинальная мощность приведена только для простоты подбора компонентов. Загруженность модуля выпрямления (Line Module) определяется работой двигательных модулей и его компоненты должны выбираться соответственно.

 


Характеристика

Модули питания Smart в компактном книжном формате
Перегрузочная способность

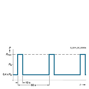
Нагрузочный цикл с преднагрузкой

S6 нагрузочный цикл с преднагрузкой

S6 нагрузочный цикл с преднагрузкой

Снижение характеристик

Выходная мощность в зависимости от температуры

Выходная мощность в зависимости от высоты установки

Снижение напряжения в зависимости от высоты установки

Выходная мощность в зависимости от общей длины кабелей

 


Заказные данные

Цена на сайте указана розничная в ЕВРО без учета НДС.Для уточнения цены и размера предоставляемой скидки - звоните или присылайте заявки

Заказной номерPGОписание продуктаЦена

 


Аксессуары

Цена на сайте указана розничная в ЕВРО без учета НДС.Для уточнения цены и размера предоставляемой скидки - звоните или присылайте заявки

Заказной номерPGОписание продуктаЦена
6SL3066-4CA00-0AA0753SINAMICS ЗАГЛУШКА ДЛЯ ЗАЩИТЫ ОТ ПЫЛИ ДЛЯ ПОРТА DRIVE-CLIQ 50 ШТУК 33.45