0

Разделы

Модули управления SINAMICS S120

Выполнение основных технологических задач обеспечивается Блоками управления SINAMICS S120. Блок управления  CU320 применяется для мультиосного оборудования, а Блок управления CU310 – для установок с одним приводом.Сложные задачи по управлению движением выполняются при помощи Блоков управления SIMOTION D (D425, D435 и D445) высокой производительности.

Каждый из Блоков управления функционирует при помощи стандартного программного и аппаратного обеспечения SINAMICS S120, которое включает все режимы управления V/f  и варианты закрытой цепи управления, тем самым позволяя создать систему, отвечающую самым жестким требованиям к производительности сервоуправления и векторного управления.Следующие элементы являются объектами привода, готовыми к конфигурированию (приводное управление):• управление линейным модулем: "Управление подачей“ • управление системами надежных асинхронных двигателей (индукционных двигателей): "Векторное управление“ • управление синхронными двигателями с постоянным полем в условиях жестких требований к динамическим характеристикам: «Серво-управление»

Наиболее часто применяемые режимы управления V/f  сохраняются в приводном объекте "Векторное управление", они являются идеальным средством даже для самого простого применения, например, группа приводов двигателей SIEMOSYN

 


Конфигурация

Модули управления SINAMICS S120
Руководство по выбору замкнутой системы управления

Представленные ниже две таблицы «Параметры производительности» и «Параметры замкнутой системы управления» помогут пользователям выбрать «правильный» тип замкнутой системы управления.

Параметры производительности: Блоки управления SINAMICS S120 CU310/CU320

Параметры

Сервоуправление

Векторное управление

Управление напряжением/частотой V/f

Примечания

Типичное приложение

  • Приводы с высокодинамичным управлением перемещениями
  • Угловой синхронизм с изохронным PROFIBUS
  • Для использования в станочных инструментах и операционных станках с датчиками времени
  • Управляемые приводы с высокой стабильностью скорости и крутящего момента в системах общей механической инженерии
  • В частности подходят для асинхронных двигателей (индукционных двигателей)
  • Приводы с низкими требованиями динамического ответа и точности
  • Групповые приводы с высокой синхронизацией, например, текстильные станки с двигателями SIEMOSYN

Возможно серийное производство с режимами управления напряжением/частотамиV/f . Поэтому режимы управления напряжением/частотами хранятся в векторном приводе только один раз. Параметры напряжения/частоты хранящиеся в сервоприводе предоставляются исключительно в целях проведения диагностики.

Динамический ответ

Очень высокий

Высокий

Низкий

Самый высокий динамический ответ у высокодинамичных синхронных двигателей 1FK7 и сервоуправления.

Режимы управления с кодировщиком

Контроль положения/

Контроль скорости/Контроль крутящего момента

Контроль положения/Контроль скорости/Контроль крутящего момента

Нет

SIMOTION D с сервоуправлением является стандартным вариантом управления координатного перемещения, т.е. шестеренчатый/кулачковый.

Режимы управления без кодировщика

Контроль скорости

Контроль скорости/контроль крутящего момента

Режимы контроля напряжения/частоты

Сервоуправление только для асинхронных двигателей (индукционных двигателей).

С помощью контроля напряжения/частоты скорость можно удерживать неизменной путем коррекции сдвига.

Асинхронный двигатель

Синхронный двигатель

Моментный двигатель

Линейный двигатель

Да

Да

Да

Да

Да

Нет

Да

Нет

Да

Нет

Нет

Нет

Для двигателей SIEMOSYN рекомендуется осуществлять контроль напряжения/частоты (для текстильных станков)

Допустимый коэффициент для тока в двигателе и расчетного тока в модуле двигателя

1:1 к 1:4

1:1.3 к 1:4

1:1 к 1:12

Максимальное качество контроля до 1:4. Между 1:4 и 1:8 возрастают ограничения в отношении крутящего момента и точности вращения. Если < 1:8 рекомендуется контроль напряжения/частоты.

Максимальное количество параллельно соединенных двигателей в одном модуле двигателя

4

1

Теоретически неограниченно

В случае сервоуправления, подключать параллельно одинаковые двигатели можно только асинхронные (индукционные двигатели). В случае контроля напряжения/частот, двигатели не должны быть одинаковыми.

Количество приводов, которые может рассчитать один блок управления CU320 (контроллер цикла с заданными по умолчанию параметрами)

1-линейный модуль (ALM, SLM, BLM) с 6 осями двигателя

1-линейный модуль (ALM, SLM, BLM) с 4 осями двигателя

1-линейный модуль (ALM, SLM, BLM) с 8 осями двигателя

Количество осей двигателя может быть уменьшено, если приложение требует дополнительных функциональных модулей или более высокий динамический ответ.В случае с контролем напряжения/частоты, при векторном управлении в серийном производстве возможно наличие 4 осей двигателя, а в сервоуправлении возможно наличие 5 осей двигателя.

Установка разрешения скорости/частоты

31 бит, + знак

31 бит, + знак

0.001 Гц

 

Установка разрешения крутящего момента

31 бит, + знак

31 бит, + знак

 

Заданная по умолчанию скорость тестирования/контроллер текущего состояния/контроллер скорости/частоты пульсации (маленького размера)

125 мкс/125 мкс/4 кГц

2 оси двигателя:

250 мкс/1000 мкс/4 кГц

4 оси двигателя:

250 мкс/4 кГц

Скорость тестирования оказывает решающее значение на динамический ответ системы управления.Если выбрана опция «Изохронный PROFIBUS», циклы контроллера 125 мкс, 250 мкс, 375 мкс и 500 мкс адаптируются автоматически.

4 оси двигателя:

400 мкс/1600 мкс/2.5 кГц

6 осей двигателя:

400 мкс/2.5 кГц

8 осей двигателя:

500 мкс/4 кГц

Заданная по умолчанию скорость тестирования/контроллер текущего состояния/контроллер скорости/частоты пульсации (размеры рамки шасси FX и GX)

250 мкс/250 мкс/2 кГц

250 мкс/1000 мкс/2 кГц

4 оси двигателя:

250 мкс/2 кГц

6 осей двигателя:

400 мкс/1.25 кГц

8 осей двигателя:

500 мкс/2 кГц

Заданная по умолчанию скорость тестирования/контроллер текущего состояния/контроллер скорости/частоты пульсации (размеры рамки шасси HX и JX и все размеры шасси 690 V)

400 мкс/1600 мкс/1.25 кГц

6 осей двигателя:

400 мкс/1.25 кГц

Максимальная частота на выходе с текущим циклом контроллера/частотой пульсации (маленького размера)

650 Гц с 125 мкс/4 кГц

300 Гц с 250 мкс/4 кГц

400 Гц с 250 мкс/4 кГц

Обратите внимание на предельное значение напряжения (2КВ) и использование модуля VPM с синхронными двигателями.

Максимальная частота на выходе с текущим циклом контроллера/частотой пульсации (размеры рамки шасси FX и GX)

300 Гц с 250 мкс/2 кГц

160 Гц с 250 мкс/2 кГц

200 Гц с 250 мкс/2 кГц

Максимальная частота на выходе с текущим циклом контроллера/частотой пульсации (размеры рамки шасси HX и JX)

100 Гц с 400 мкс/1.25 кГц

100 Гц с 400 мкс/1.25 кГц

Максимальное ослабление поля с асинхронными двигателями (индуктивными двигателями)

В 5 раз

В 5 раз

В 5 раз

С сервоуправлением в сочетании с кодировщиком и соответствующими специальными двигателями, возможно ослабление поля в 16 раз от порогового значения скорости.

Максимальное ослабление поля с синхронными двигателями

В 2 разаВ 4 раза с VPM

В 2 раза

Эти значения для синхронных двигателей 1FK7/1FT6. Обратите внимание на предельное значение напряжения (фактор kE) при работе с двигателями других производителей (НЕ Siemens).

Параметры замкнутой системы управления: Блоки управления SINAMICS S120 CU310/CU320

Критерии оценки качества управления

Объяснения и определения

Время повышения

Время повышения – это временной промежуток между возникновением изменения установок и моментом фактического достижения отметки допуска (2%).Мертвое время – это период между возникновением изменения установок и моментом начала фактического увеличения значения. Мертвое время частично определяется циклами считывания, обработки и выпуска цифровой замкнутой системы управления. В случаях когда мертвое время составляет значительную часть от времени повышения, оно должно быть определено отдельно.

Характерная угловая частота  3 дБ

Предельное значение частоты – это значение динамического ответа замкнутой системы управления. Чистая синусоидная установка используется для расчета предельного значения частоты; ни одна из частей замкнутой системы управления не должна достигнуть этого предельного значения. Фактическое значение измеряется в условиях останова, также фиксируется коэффициент фактических значений амплитуд и установленных значений. «Предельная частота – 3дБ». Это частота, при которой абсолютное значение фактического значения впервые уменьшается на 3 дБ (до 71%). Замкнутая система управления может управлять частотами до этого значения, оставаясь при этом стабильной.

Колебание

Колебание – это нежелательная характеристика фактического значения, которая накладывается на среднее значение (полезный сигнал). Генерируемый крутящий момент – это очередной термин, используемый по отношению к крутящему моменту. Обычные генерируемые крутящие моменты возникают в связи с сетками слота для двигателя, ограниченного разрешения кодировщика или ограниченного разрешения системы управления напряжением блока питания IGBT. Колебание крутящего момента также отражается в колебании скорости, поскольку косвенно является пропорциональным значению инерции массы привода. Ripple – это также мера измерения «перепада» точности и, таким образом, в первую очередь определяет динамический ответ на нарушения в работе системы управления.

Точность

Точность – это величина среднего повторяющегося отклонения, разница между фактическим значением и установочным значением, заданным в нормальном состоянии. Разница между фактическим значением и заданным значением возникает в связи с внутренними неточностями измерения и систем управления. Внешние воздействия, такие как температура и скорость, не учитываются при оценке точности. Замкнутые и открытые системы управления должны быть оптимизированы с учетом соответствующих переменных.

Основные параметры замкнутой системы управления блока управления CU320

  • Маленький формат, частота пульсации 4 кГц, замкнутая система управления крутящим моментом
 

Сервоуправление

Векторное управление

Примечания

Синхронный двигатель

1FK7 с преобразователем

1FT6 с абсолютным кодировщиком 2048 пульсов/оборотов

Векторное управление не является рабочим режимом для синхронных двигателей 1FK7/1FT6.

 

Цикл контроллера

125 мкс

125 мкс

Общее время повышения (время повышения + мертвое время)

1.7 мс(0.7 + 1)

1.5 мс(0.5 + 1)

Для преобразователя диапазон рабочей скорости составляет 50 об/мин и более. Настройки по умолчанию для PROFIBUS DP – мертвое время 1 мс.

Характерная угловая частота -3 дБ

650 Гц

900 Гц

В данном случае динамический ответ определяется в первую очередь системой кодировщика.

Колебание крутящего момента

3% M0

0.6% M0

Диапазон рабочей скорости составляет от 20 об/мин до расчетной скорости.Если абсолютный кодировщик < 1% об/мин, колебание может составлять < 1%. Для преобразователя не возможно.

Точность крутящего момента

± 1.5% M0

± 1.5% M0

Усредненное измеренное значение более 3 с. С определением двигателя и сравнением трения.Рабочий диапазон крутящего момента до ± M0.Рабочий диапазон скорости 1:10 до расчетной скорости.Внимание. Внешние воздействия, такие как температура двигателя, могут стать причиной дополнительных долгосрочных неточностей приблизительно ± 2,5%.Точность в диапазоне ослабления поля приблизительно ± 1% .

Асинхронный двигатель (индукционный двигатель)

1PH7/1PL6 без кодировщика

1PH7/1PL6 с инкрементным кодировщиком 1024 пульсов/оборотов

1PH7/1PL6 без кодировщика

1PH7/1PL6 с инкрементным кодировщиком 1024 пульсов/оборотов

 

Цикл контроллера

125 мкс

125 мкс

250 мкс

250 мкс

Общее время повышения (время повышения + мертвое время)

1.8 мс(0.8 + 1)

3 мс(2 + 1)

2.2 мс(1.2 + 1)

Во время работы без кодировщика в рабочем скоростном диапазоне 1:10, во время работы с кодировщиком 50 об/мин и выше до значения расчетной скорости. Настройки по умолчанию для PROFIBUS DP – мертвое время 1 мс.

Характерная угловая частота -3 дБ

600 Гц

250 Гц

400 Гц

Во время работы без кодировщика в рабочем скоростном диапазоне 1:10. Динамический ответ повышается за счет обратной связи с кодировщиком.

Колебание крутящего момента

1.5% Mrated

2% Mrated

2% Mrated

Во время работы без кодировщика в рабочем скоростном диапазоне 1:20, во время работы с кодировщиком 20 об/мин и выше до значения расчетной скорости.

Точность крутящего момента

± 3.5% Mrated

± 2% Mrated

± 1.5% Mrated

Среднее измеренное значение за 3 с. С определением двигателя и компенсацией трения, температура компенсируется за счет KTY84 и массовой модели.В рабочем диапазоне крутящего момента до ± Mрасч.  В условиях ослабления поля дополнительная неточность составляет приблизительно ± 2,5%. Сервоуправление: Рабочий диапазон скорости 1:10 до расчетной скорости.Векторное управление: Рабочий диапазон скорости 1:50 до расчетной скорости.

  • Маленький формат, частота пульсации 4 кГц, замкнутая система управления
 

Сервоуправление

Векторное управление

Примечания

Синхронный двигатель

1FK7 с преобразователем

1FT6 с абсолютным кодировщиком 2048 пульсов/оборотов

Векторное управление не является рабочим режимом для синхронных двигателей 1FK7/1FT6.

 

Цикл контроллера

125 мкс

125 мкс

Общее время повышения (время повышения + мертвое время)

4.5 мс(3.5 + 1)

3.3 мс(2.3 + 1)

 

Во время работы без кодировщика в рабочем скоростном диапазоне 1:10, во время работы с кодировщиком 50 об/мин и выше до значения расчетной скорости.Настройки по умолчанию для PROFIBUS DP – мертвое время 1 мс.

Характерная угловая частота -3 дБ

140 Гц

250 Гц

В данном случае динамический ответ определяется в первую очередь системой кодировщика.

Колебание скорости

См. примечание

См. примечание

В первую очередь определяется инерционным моментом всей массы, колебание крутящего момента и, особенно, механической конфигурацией.Таким образом, невозможно указать стандартное значение.

Точность скорости

≤ 0.001% nrated

≤ 0.001% nrated

В первую очередь, определяется разрешением отклонений системы управления и оценкой кодировщика в преобразователе. Внедрено на 32-битной основе для SINAMICS.

Асинхронный двигатель (индукционный двигатель)

1PH7/1PL6 без кодировщика

1PH7/1PL6 с инкрементным кодировщиком 1024 пульсов/оборотов

1PH7/1PL6 без кодировщика

1PH7/1PL6 с инкрементным кодировщиком 1024 пульсов/оборотов

 

Цикл контроллера

125 мкс

125 мкс

250 мкс

250 мкс

Общее время повышения (время повышения + мертвое время)

13 мс(12 + 1)

5 мс(4 + 1)

12 мс(11 + 1)

8 мс(7 + 1)

Во время работы без кодировщика в рабочем скоростном диапазоне 1:10, во время работы с кодировщиком 50 об/мин и выше до значения расчетной скорости.Настройки по умолчанию для PROFIBUS DP – мертвое время 1 мс.

Характерная угловая частота -3 дБ

40 Гц

120 Гц

50 Гц

80 Гц

Во время работы без кодировщика в рабочем скоростном диапазоне 1:10. Динамический ответ повышается за счет обратной связи с кодировщиком.Сервоуправление с кодировщиком немного более предпочтительнее чем векторное управление с кодировщиком, поскольку цикл контроллера скорости с сервоуправлением быстрее.

Колебание скорости

См. примечание

См. примечание

См. примечание

См. примечание

В первую очередь определяется инерционным моментом всей массы, колебание крутящего момента и, особенно, механической конфигурацией.Таким образом, невозможно указать стандартное значение.

Точность скорости

0.1 × fslip

≤ 0.001% nrated

0.05 × fslip

≤ 0.001% nrated

Без кодировщика: Прежде всего, определяется точностью расчетной модели для тока, обеспечивающего крутящий момент, и расчетным сдвигом асинхронного двигателя (см. таблицу «Стандартные значения сдвига»).Для скоростного рабочего диапазона 1: 50 (векторное управление) или 1:10 (сервоуправление) с оценкой активной температуры.

  • Формат шасси, частота пульсации 2 кГц, замкнутая система управления крутящим моментом
 

Сервоуправление

Векторное управление

Примечания

Синхронный двигатель

1FT6 большой сервер без кодировщика

1FT6 большой сервер с абсолютным кодировщиком 2048 пульсов/оборотов

Векторное управление не является рабочим режимом для синхронных двигателей 1FT6.

 

Цикл контроллера

250 мкс

250 мкс

Общее время повышения (время повышения + мертвое время)

2.2 мс(1.2 + 1)

 

Настройки по умолчанию для PROFIBUS DP – мертвое время 1 мс.

Характерная угловая частота -3 дБ

400 Гц

В данном случае динамический ответ определяется в первую очередь системой кодировщика.

Колебание крутящего момента

1.3% M0

Если абсолютный кодировщик < 1% об/мин, колебание может составлять < 1%. Для преобразователя не возможно.

Точность крутящего момента

± 1.5% M0

Усредненное измеренное значение более 3 с. С определением двигателя и сравнением трения. Рабочий диапазон крутящего момента до ± M0.Рабочий диапазон скорости 1:10 до расчетной скорости.Внимание. Внешние воздействия, такие как температура двигателя, могут стать причиной дополнительных долгосрочных неточностей приблизительно ± 2,5%.Точность в диапазоне ослабления поля приблизительно ± 1% .

Асинхронный двигатель (индукционный двигатель)

1PH7/1PL6 без кодировщика

1PH7/1PL6 с инкрементным кодировщиком 1024 пульсов/оборотов

1PH7/1PL6 без кодировщика

1PH7/1PL6 с инкрементным кодировщиком 1024 пульсов/оборотов

 

Цикл контроллера

250 мкс

250 мкс

250 мкс

250 мкс

Общее время повышения (время повышения + мертвое время)

2.6 мс(1.6 + 1)

3.5 мс(2.5 + 1)

2.6 мс(1.6 + 1)

Во время работы без кодировщика в рабочем скоростном диапазоне 1:10, во время работы с кодировщиком 50 об/мин и выше до значения расчетной скорости.Настройки по умолчанию для PROFIBUS DP – мертвое время 1 мс.

Характерная угловая частота -3 дБ

350 Гц

200 Гц

300 Гц

Во время работы без кодировщика в рабочем скоростном диапазоне 1:10. Динамический ответ повышается за счет обратной связи с кодировщиком.

Колебание крутящего момента

2% Mrated

2.5% Mrated

2% Mrated

Во время работы без кодировщика в рабочем скоростном диапазоне 1:20, во время работы с кодировщиком 20 об/мин и выше до значения расчетной скорости.

Точность крутящего момента

± 3.5% Mrated

± 2% Mrated

± 1.5% Mrated

Среднее измеренное значение за 3 с. С определением двигателя и компенсацией трения, температура компенсируется за счет KTY84 и массовой модели.В рабочем диапазоне крутящего момента до ± Mрасч.  В условиях ослабления поля дополнительная неточность составляет приблизительно ± 2,5%. Сервоуправление: Рабочий диапазон скорости 01:10:00 до расчетной скорости.Векторное управление: Рабочий диапазон скорости 1:50 до расчетной скорости.

  • Формат шасси, частота пульсации 2 кГц, замкнутая система управления скоростью
 

Сервоуправление

Векторное управление

Примечания

Синхронный двигатель

1FT6 большой сервер без кодировщика

1FT6 большой сервер с абсолютным кодировщиком 2048 пульсов/оборотов

Векторное управление не является рабочим режимом для синхронных двигателей 1FT6.

 

Цикл контроллера

250 мкс

250 мкс

Общее время повышения (время повышения + мертвое время)

6 мс(5 + 1)

 

Во время работы без кодировщика в рабочем скоростном диапазоне 1:10, во время работы с кодировщиком 50 об/мин и выше до значения расчетной скорости.Настройки по умолчанию для PROFIBUS DP – мертвое время 1 мс.

Характерная угловая частота -3 дБ

100 Гц

В данном случае динамический ответ определяется в первую очередь системой кодировщика.

Колебание скорости

См. примечание

В первую очередь определяется инерционным моментом всей массы, колебание крутящего момента и, особенно, механической конфигурацией.Таким образом, невозможно указать стандартное значение.

Точность скорости

≤ 0.001% nrated

В первую очередь, определяется разрешением отклонений системы управления и оценкой кодировщика в преобразователе.Внедрено на 32-битной основе для SINAMICS.

Асинхронный двигатель (индукционный двигатель)

1PH7/1PL6 без датчика

1PH7/1PL6 с инкрементным датчиком 1024 пульсов/оборотов

1PH7/1PL6 без датчика

1PH7/1PL6 с инкрементным датчиком 1024 пульсов/оборотов

 

Цикл контроллера

250 мкс

250 мкс

250 мкс

250 мкс

Общее время повышения (время повышения + мертвое время)

21 мс(20 + 1)

8 мс(7 + 1)

14 мс(13 + 1)

12 мс(10 + 1)

Во время работы без кодировщика в рабочем скоростном диапазоне 1:10, во время работы с кодировщиком 50 об/мин и выше до значения расчетной скорости.Настройки по умолчанию для PROFIBUS DP – мертвое время 1 мс.

Характерная угловая частота -3 дБ

25 Гц

80 Гц

35 Гц

60 Гц

Во время работы без кодировщика в рабочем скоростном диапазоне 1:10. Динамический ответ повышается за счет обратной связи с кодировщиком. Сервоуправление с кодировщиком немного более предпочтительнее чем векторное управление с кодировщиком, поскольку цикл контроллера скорости с сервоуправлением быстрее.

Колебание скорости

См. примечание

См. примечание

См. примечание

См. примечание

В первую очередь определяется инерционным моментом всей массы, колебание крутящего момента и, особенно, механической конфигурацией.Таким образом, невозможно указать стандартное значение.

Точность скорости

0.1 × fslip

≤ 0.001% nrated

0.05 × fslip

≤ 0.001% nrated

Без кодировщика: Прежде всего, определяется точностью расчетной модели для тока, обеспечивающего крутящий момент, и расчетным сдвигом асинхронного двигателя (см. таблицу «Стандартные значения сдвига»).Для скоростного рабочего диапазона 1: 50 (векторное управление) или 1:10 (сервоуправление) с оценкой активной температуры.

Стандартные значения сдвига для стандартных асинхронных двигателей (индукционных двигателей)

Мощность двигателя

Значения сдвига

Примечания

< 1 кВт (1.34 лс)

6% nratedнапример двигатель с 1500 об/мин: 90 об/мин

Значения сдвига для двигателей PH7 очень схожи со значениями стандартных двигателей

< 10 кВт (13.41 лс)

3% nratedнапример двигатель с 1500 об/мин: 45 об/мин

< 30 кВт (40.23 лс)

2% nratedнапример двигатель с 1500 об/мин: 30 об/мин

< 100 кВт (134.10 лс)

1% nratedнапример двигатель с 1500 об/мин: 15 об/мин

> 500 кВт (670.50 лс)

0.5% nratedнапример двигатель с 1500 об/мин: 7,5 об/мин

Расчет производительности: Масштабирование

Масштабирование производительности блока управления CU320 может осуществляться с помощью микропрограмм. Использование Расширения производительности 1 увеличивает расчетную мощность на 100%.

Требования производительности зависят от ряда функций и динамического ответа, требуемого приложением и, помимо прочего, от нескольких приводов, которые должны функционировать на Блоке управления. Для мощности 55% и выше требуется Расширение производительности 1.

Представленная ниже таблица содержит краткую информацию о производительности блока управления CU320 в качестве функции текущего цикла контроллера (динамического ответа) и ряда осей с набором основных функций (заводские установки).

Если адаптер блока управления CUA31 подключен к CU320, в каждом случае число осей сокращается на одну.

Примечание:

  • Инструмент конфигурации SIZER используется для точного расчета требования производительности.
  • Если активирован функциональный модуль для удобного позиционирования (EPOS), количество осей CU320 сокращается.

Обзор характеристик производительности блока управления CU320

 

Динамический ответ (текущий цикл контроллера)

Количество осей без расширения производительности 1

Количество осей с расширением производительности 1

Примечание

Сервоуправление

125 мкс

3

6

Плюс одна подача (BLM, SLM, ALM).Количество осей применяется только к базовой функциональности.Без расширенного канала установок. Обратите внимание, что блок питания дефорсирован, если это требуется.

250 мкс

3

6

Векторное управление

250 мкс

1

2

Плюс одна подача (BLM, SLM, ALM).Количество осей применяется только к базовой функциональности.Расширенный канал установок включен в качестве стандартного.Обратите внимание, что блок питания дефорсирован, если это требуется.

400 мкс

2

4

Управление напряжением/частотой

250 мкс

2

4

Плюс одна подача (BLM, SLM, ALM).Количество осей применяется только к базовой функциональности.Расширенный канал установок включен в качестве стандартного.Значения для блоков шасси даны в скобках.

400 мкс

3

6

500 мкс

4

8

Серийное производство

Сервоуправление плюс управление напряжением/частотой

125 мкс + 250 мкс/400 мкс

5

Максимальное число осей напряжения/частоты – 2 с контроллером текущего цикла 250 μs, в других случаях делится согласно требованиям.

Векторное управление плюс управление напряжением/частотой

250 мкс/400 мкс

1/2

2/4

Смешанная эксплуатация с векторным управлением и управлением напряжением/частотой не отличается от эксплуатации с чисто векторным управлением.

Переменные, влияющие на минимальную необходимую частоту пульсации блока питания

Основные требования, такие как максимальная скорость или необходимый динамический ответ системы управления, непосредственно влияют на определение значения минимальной частоты пульсации блока питания. Если значение минимальной частоты пульсации превышает расчетную частоту, должно быть применено дефорсирование (см. раздел «Описание блока питания»).

В представленной ниже таблице отражены основные моменты.

Переменные

Минимальная частота пульсации

Примечания

Сервоуправление, векторное управление

(требуемая макс. частота/скорость на выходе)

100 Гц соответствуют:

3000 об/мин для Zp = 21500 об/мин для Zp = 4428 об/мин для Zp = 14352 об/мин для Zp = 17

1.25 кГц

Z p количество пар полюсов двигателя.

В асинхронных двигателях 1PH7(индукционных двигателях) их 2.В синхронных двигателях 1FK7/1FT6 от 2 до 4 пар полюсов. Моментные двигатели с высотой оси < 200 имеют 14 пар полюсов, а двигатели с высотой оси ≥ 200 имеют 17 пар полюсов.

160 Гц соответствуют:

4800 об/мин для Zp = 22400 об/мин для Zp = 4685 об/мин для Zp = 14565 об/мин для Zp = 17

2 кГц

200 Гц соответствуют:

6000 об/мин для Zp = 23000 об/мин для Zp = 4856 об/мин для Zp = 14704 об/мин для Zp = 17

2.5 кГц

300 Гц соответствуют:

9000 об/мин для Zp = 24500 об/мин для Zp = 41284 об/мин для Zp = 141056 об/мин для Zp = 17

4 кГц

400 Гц соответствуют:

12000 об/мин для Zp = 26000 об/мин для Zp = 4

4 кГц

Внимание: Только для сервоуправления с двигателями 1FT6/1FK7.Для развития более высоких скоростей обратите внимание на требования к ослаблению поля и подходящую систему кодировщика.

Управление напряжением/частотой

(требуемая макс. частота/скорость на выходе)

100 Гц соответствуют:

6000 об/мин для Zp = 13000 об/мин для Zp = 2

1.25 кГц

Управление напряжением/частотой разработано только для асинхронных двигателей (индукционных двигателей) и двигателей SIEMOSYN.

Z p количество пар полюсов двигателя.

В стандартных асинхронных двигателях (индукционных двигателях) 1LA/1LG количество пар полюсов составляет от 1 до 4.В двигателях SIEMOSYN от 1 до 2 пар полюсов, а в двигателях с большей высотой оси – 3 пары.

160 Гц соответствуют:

9600 об/мин для Zp = 14800 об/мин для Zp = 2

2 кГц

200 Гц соответствуют:

12000 об/мин для Zp = 16000 об/мин для Zp = 2

2.5 кГц

300 Гц соответствуют:

18000 об/мин для Zp = 19000 об/мин для Zp = 2

4 кГц

400 Гц соответствуют:

24000 об/мин для Zp = 112000 об/мин для Zp = 2

4 кГц

Требования динамического ответа (текущго цикла контроллера)

125 мкс250 мкс400 мкс500 мкс

4 кГц2 кГц2.5 кГц1 кГц

Для сервоуправления минимальная частота пульсации должна составлять 2 кГц.

Синусоидный фильтр

4 кГц

Внимание: Если синусоидные фильтры работают на низких частотах, могут возникнуть проблемы с резонансом, что может привести к значительному перегреву фильтров.

Значение на выходе из реактора к двигателю

Макс. Частота: 150 Гц 4500 об/мин для Zp = 2

 

Максимальная частота реактора на выходе составляет 2 кГц.

Ключевые топологии: Соединение компонентов с DRIVE-CLiQ

Компоненты взаимодействуют друг с другом через стандартный интерфейс DRIVE CLiQ.

Этот интерфейс соединяет блок управления с компонентами питания, кодировщиками и прочими компонентами системы, например, модулями терминала. Через DRIVE CLiQ передаются установочные параметры, фактические значения, команды управления, сообщения о статусе и данных на паспортной табличке для компонентов.

Основные правила работы с интерфейсом DRIVE CLiQ

Соединение компонентов посредством интерфейса DRIVE CLiQ подчинено следующим правилам:

  • К разъему DRIVE CLiQ на блоке управления CU320 максимум можно подсоединить 16 узлов
  • На одну линию можно подсоединить до восьми узлов. Линия всегда просматривается с перспективы блока управления.
  • Максимальное количество модулей двигателя на одной линии – 6
  • Кольцевая проводка не допускается
  • Двойная проводка компонентов не допускается
  • Кодировщик двигателя подсоединяется к соответствующему модулю двигателя.

Примеры конфигурации интерфейса DRIVE-CLiQ

Для модулей, подсоединенных через интерфейс DRIVE CLiQ, можно настроить только один текущий цикл контроллера. Поэтому через DRIVE-CLiQ подсоединяются сразу несколько модулей с одинаковым циклом контроллера. Для упрощения процедуры настройки рекомендуется подпитывать линейный модуль и модули двигателя через отдельные соединения с интерфейсом DRIVE CLiQ.

Компоненты питания поставляются с необходимым кабелем DRIVE CLiQ для подключения к расположенному рядом узлу DRIVE CLiQ в группе осей (топология линии). Для подсоединения кодировщиков двигателя, кодировщиков прямого измерения, модулей терминала и т.д. имеются кабели DRIVE CLiQ различной длины, до 100 м.

Длина кабелей DRIVE CLiQ внутри шкафа управления не должна превышать 70 м, например, соединение между блоком управления CU320 и первым модулем двигателя или между модулями двигателя. Максимальная допустимая длина кабелей DRIVE CLiQ MOTION-CONNECT, протянутых до внешних компонентов, составляет 100 м.

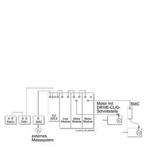
Пример топологии линии для стандартных решений с сервоуправлением

Пример древовидной топологии для высокопроизводительных решений, например, высокодинамичных осей в группе управления прямого движения, выборочный доступ к отдельным осям/группам осей в целях технического обслуживания и т.д.

Наиболее удобная проводка кабелей DRIVE CLiQ приведена в качестве примера на модулей активной линии маленького размера: Текущий цикл контроллера 250 μsМодули двигателя: 4 × векторное управление = текущий цикл контроллера 400 мкс

Пример проводки для формата шасси с различными циклами контроллера

Пример проводки: Если модуль питания подсоединен через CUA31, он также может работать на CU320