0

Разделы

Монтажные наборы - Shut-off valves for relative and absolute pressure transmitters

Монтажные наборы - Shut-off valves for relative and absolute pressure transmitters

Монтажный набор подходит для двойных запорных вентилей 7MF9011-4DA и -4EA для монтажа на стену, опору и трубопровод.

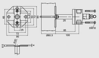
Чертеж

Mounting bracket for wall, rack or pipe mounting, dimensions in mm

Mounting bracket for wall, rack or pipe mounting, dimensions in mm

Заказные данные

Заказной №ОписаниеВес (кг)ДоставкаМин. зак. (шт)
7MF9011-8ABМОНТАЖНЫЙ НАБОР ДЛЯ МОНТАЖА 7MF9011-4DA И -4EA ИЗ: 1 УГОЛОК ,2 ШЕСТИГРАННЫХ ВИНТА M6X40;1 БУГЕЛЬ; 2 ШАЙБЫ 8,4 DIN 125 , 2 ШЕСТИГРАННЫХ ГАЙКИ M8 DIN EN 240320.56 - 8 недель (C)1
7MF9011-8ACMOUNTING SET TO SECURE THE VALVES 7MF9011-4FA AND -4GA 1 MOUNTING BRACKET; 2 HEX SCREWS M6X10;1 MOUNTING CLIP; 2 WASHERS 8,4 DIN 125 2 HEX NUTS M8 DIN EN 24032 0.56 - 8 недель (C)1

Заказные данные [PDF]

Загрузить PDF-файл.

Для просмотра информации в формате PDF необходимо установить Adobe Acrobat Reader.
Adobe Acrobat Reader