0

Разделы

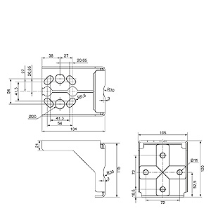
ENG: Mounting brackets for SITRANS P pressure transmitters, DS III series

Mounting bracket for SITRANS P gage and absolute pressure transmitter, DS III seriesMaterial of mounting bracket: Sheet-steel Mat. No. 1.0330, chrome-plated, or stainless steel Mat. No. 1.4301 (304)

Mounting bracket for SITRANS P differential pressure transmitter, DS III seriesMaterial of mounting bracket: Sheet-steel Mat. No. 1.0330, chrome-plated, or stainless steel Mat. No. 1.4301 (304)