0

Разделы

Объективы - Дополнительное оборудование

Объективы - Дополнительное оборудование

  • Объективы для систем технического зрения SIMATIC Machine Vision.
  • Для визуального контроля рабочих областей различных размеров с различных расстояний.
  • Установка на монтажные приспособления C или CS.

  

Область применения

Четкость получаемого изображения во многом определяется правильным выбором объектива видеокамеры. При выборе объектива кроме фокусного расстояния и освещенности необходимо принимать во внимание требуемую площадь обзора, размеры контролируемых объектов, а также расстояние до камеры. Объективы ввинчиваются в монтажные приспособления типов C или CS.

 

Упрощенный выбор объективов может производиться по следующим таблицам.

 

Объективы для VS 710

Рабочее расстояние в мм до контролируемого поля размером (мм)

Тип объектива

Заказной номер

75x50

100x75

150x100

200x135

 

 

--

--

180

250

Cinegon 1,4/8мм

6GF9001-1AE

125

200

275

385

Cinegon 1,4/12мм

6GF9001-1AJ

185

280

395

540

Xenoplan 1,4/17мм

6GF9001-1AK

245

370

510

700

Xenoplan 1,4/23мм

6GF9001-1AL

--

600

900

1200

Xenoplan 1,4/35мм

6GF9001-1AF

640

850

--

--

Componon 2,8/50мм

6GF9001-1AN

--

--

180

240

Mini- 1,3/8мм

6GF9001-1BE

--

270

375

510

Mini-1,6/16мм

6GF9001-1BF

290

435

595

880

Mini- 1,6/25мм

6GF9001-1BG

645

1000

1300

2000

Kompakt- 2,8/50мм

6GF9001-1AH


 

Рабочее расстояние в мм до контролируемого поля размером (мм)

Тип объектива

Заказной номер

300x200

400x260

600x400

 

 

380

--

--

Cinegon 1,4/8мм

6GF9001-1AE

570

770

1200

Cinegon 1,4/12мм

6GF9001-1AJ

800

1100

1600

Xenoplan 1,4/17мм

6GF9001-1AK

1100

1400

2200

Xenoplan 1,4/23мм

6GF9001-1AL

1800

2400

3600

Xenoplan 1,4/35мм

6GF9001-1AF

--

--

--

Componon 2,8/50мм

6GF9001-1AN

360

--

--

Mini- 1,3/8мм

6GF9001-1BE

750

1100

1500

Mini-1,6/16мм

6GF9001-1BF

1200

1800

2400

Mini- 1,6/25мм

6GF9001-1BG

2600

4000

5200

Kompakt- 2,8/50мм

6GF9001-1AH


 

Объективы для VIDEOMAT®

Рабочее расстояние в мм до контролируемого поля размером (мм)

Тип объектива

Заказной номер

75x50

100x75

150x100

200x135

 

 

2/3" CCD-камера 6GF9002-1AA и 6GF9002-1AK

--

--

135

190

Cinegon 1,4/8мм

6GF9001-1AE

--

145

200

285

Cinegon 1,4/12мм

6GF9001-1AJ

--

200

290

405

Xenoplan 1,4/17мм

6GF9001-1AK

180

270

390

530

Xenoplan 1,4/23мм

6GF9001-1AL

--

--

635

850

Xenoplan 1,4/35мм

6GF9001-1AF

500

630

--

--

Componon 2,8/50мм

6GF9001-1AN

--

--

--

175

Mini- 1,3/8мм

6GF9001-1BE

--

--

280

385

Mini-1,6/ 16мм

6GF9001-1BF

225

330

450

610

Mini- 1,6/25мм

6GF9001-1BG

495

690

1000

1400

Kompakt- 2,8/50мм

6GF9001-1AH

Полноформатная CCD-камера 6GF9002-1AL

--

--

180

250

Cinegon 1,4/8мм

6GF9001-1AE

125

200

275

385

Cinegon 1,4/12мм

6GF9001-1AJ

185

280

395

540

Xenoplan 1,4/17мм

6GF9001-1AK

245

370

510

700

Xenoplan 1,4/23мм

6GF9001-1AL

--

600

900

1200

Xenoplan 1,4/35мм

6GF9001-1AF

640

850

--

--

Componon 2,8/50мм

6GF9001-1AN

--

--

180

240

Mini- 1,3/8мм

6GF9001-1BE

--

270

375

510

Mini-1,6/ 16мм

6GF9001-1BF

290

435

595

880

Mini- 1,6/25мм

6GF9001-1BG

645

1000

1300

2000

Kompakt- 2,8/50мм

6GF9001-1AH

3-чиповая RGB-камера 6GF9002-1BB

260

390

545

730

Xenoplan 1,4/17мм

6GF9001-1AK

340

500

700

1000

Xenoplan 1,4/23мм

6GF9001-1AL

--

800

1200

--

Xenoplan 1,4/35мм

6GF9001-1AF

850

--

--

--

Componon 2,8/50мм

6GF9001-1AN


 

Рабочее расстояние в мм до контролируемого поля размером (мм)

Тип объектива

Заказной номер

300x200

400x260

600x400

 

 

2/3" CCD-камера 6GF9002-1AA и 6GF9002-1AK

285

--

--

Cinegon 1,4/8мм

6GF9001-1AE

430

600

900

Cinegon 1,4/12мм

6GF9001-1AJ

605

820

1250

Xenoplan 1,4/17мм

6GF9001-1AK

800

1100

1600

Xenoplan 1,4/23мм

6GF9001-1AL

1300

1900

2600

Xenoplan 1,4/35мм

6GF9001-1AF

--

--

--

Componon 2,8/50мм

6GF9001-1AN

265

--

--

Mini- 1,3/8мм

6GF9001-1BE

580

770

1160

Mini-1,6/16мм

6GF9001-1BF

900

1300

1900

Mini- 1,6/25мм

6GF9001-1BG

2000

3000

4000

Kompakt- 2,8/50мм

6GF9001-1AH

Полноформатная CCD-камера 6GF9002-1AL

380

--

--

Cinegon 1,4/8мм

6GF9001-1AE

570

770

1200

Cinegon 1,4/12мм

6GF9001-1AJ

800

1100

1600

Xenoplan 1,4/17мм

6GF9001-1AK

1100

1400

2200

Xenoplan 1,4/23мм

6GF9001-1AL

1800

2400

3600

Xenoplan 1,4/35мм

6GF9001-1AF

--

--

--

Componon 2,8/50мм

6GF9001-1AN

360

--

--

Mini- 1,3/8мм

6GF9001-1BE

750

1100

1500

Mini-1,6/16мм

6GF9001-1BF

1200

1800

2400

Mini- 1,6/25мм

6GF9001-1BG

2600

4000

5200

Kompakt- 2,8/50мм

6GF9001-1AH

3-чиповая RGB-камера 6GF9002-1BB

910

--

--

Xenoplan 1,4/17мм

6GF9001-1AK

--

--

--

Xenoplan 1,4/23мм

6GF9001-1AL

--

--

--

Xenoplan 1,4/35мм

6GF9001-1AF

--

--

--

Componon 2,8/50мм

6GF9001-1AN


 

 

Функции

Виды изображений

Оптическая длина пути линзы определяется ее конструкцией.

Для сферических линз телесный угол зависит от фокусного расстояния, регулировки фокуса и относительного отверстия; все лучи проходят через фокус линзы (центральная проекция). Объекты, находящиеся дальше от линзы, изображаются мельче; объекты, находящиеся ближе к линзе, изображаются более крупно:

Требуемый размер поля изображения (высота и ширина изображения), размер микросхемы датчика и фокусное расстояние линзы определяют рабочее расстояние:

d = (f x IS) / b

d = рабочее расстояние (расстояние от линзы до тестируемого объекта) в мм

f = фокусное расстояние линзы в мм

IS = размер изображения в плане тестируемого объекта в мм

b = эффективные размеры датчика в мм

В случае линз, используемых в системах обработки изображений, фокусное расстояние фиксировано, относительное отверстие и настройки фокуса могут быть зафиксированы. Фокусное расстояние, максимальное действующее отверстие объектива и диапазон фокусирования обычно указываются на линзах.

Фокусное расстояние

Фокусное расстояние дает информацию об угле поля изображения или увеличении линзы.

Фокусное расстояние линзы определяется размером требуемого поля изображения и размером микросхемы камеры, когда должно выдерживаться определенное расстояние. Наиболее распространенными размерами микросхем в современных камерах являются ½", 1/3" и ¼". Если расстояние до объекта меньше настраиваемого диапазона фокусировки линзы, т.е. вблизи линзы, то фокус может быть настроен с помощью промежуточных колец.

Если опорные размеры в данной камере спроектированы для линз CS-Mount, как для VS 100 и VS 720, то для настройки линзы C-Mount  может быть использовано 5-миллиметровое промежуточное кольцо.

Относительное отверстие

Служит для уменьшения интенсивности света путем прерывания оптического пути

Фокусировка

Установка фокуса линзы на определенное расстояние

Глубина резкости

Это область перед объектом и позади него, которая отображается с достаточной резкостью. Чем больше относительное отверстие (чем меньше его номер), тем меньше глубина резкости.

Линзы с большим фокусным расстоянием имеют меньшую глубину резкости, этот эффект стоит учитывать для изображений при близких расстояниях.

Типы линз

Линзы с меньшим фокусным расстоянием называются широкоугольными линзами, они также могут использоваться на коротких рабочих расстояниях, но сильно искажают изображение. На подходящем расстоянии они имеют большое поле изображения.

Линзы с большим фокусным расстоянием называются телеобъективами; они имеют большое увеличение, но не могут быть сфокусированы на малом расстоянии, так что используются макросъемочные линзы, которые могут быть сфокусированы с помощью больших телескопических насадок или промежуточных колец. На подходящем расстоянии они имеют малое поле изображения.

В случае телеобъективов оптический путь в конце объекта почти параллелен (параллельная проекция). Это значит, что объекты на разных расстояниях отображаются одним размером. Однако, отображаться только такие объекты, которые меньше диаметра линзы. У таких линз нет возможности настраивать диапазон фокусирования.

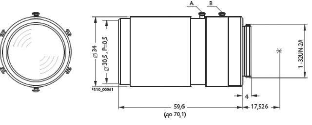
Оптические характеристики могут быть ограничены с помощью оптических светофильтров для противодействия искажению изображения. Цветные фильтры ограничивают спектральный диапазон, серые фильтры ограничивают интенсивность света, а поляризационные фильтры ограничивают плоскость передачи. Фильтры этого типа могут быть прикреплены или с помощью внутренней резьбы, или с помощью фланца на передней стороне линзы. Держатель стекла для светофильтра спроектирован так, чтобы он подходил к линзе.

 

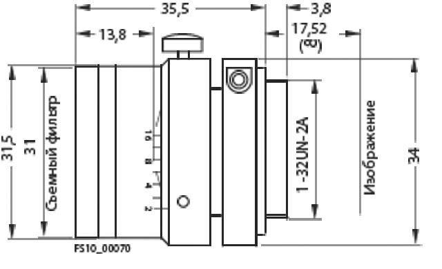
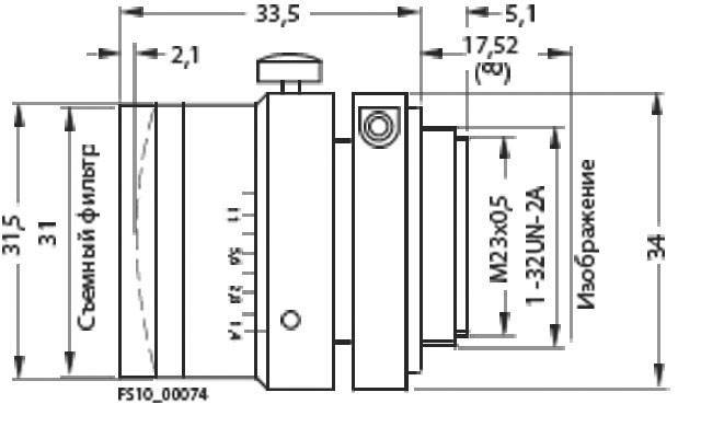
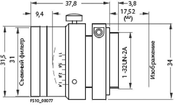
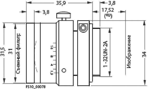
Чертеж

Линза 6GF9 001-1BL01:

Линза 6GF9 001-1BF01:

Линза 6GF9 001-1BG01:

Линза 6GF9 001-1BH01:

Линза 6GF9 001-1BJ01:

Линза 6GF9 001-1BE01:

Линза 6GF9 001-1AQ:

Линза 6GF9 001-1AU:

Линза 6GF9 001-1AV:

Линза 6GF9 001-1AE:

Линза 6GF9 001-1AJ:

Линза 6GF9 001-1AK:

Линза 6GF9 001-1AL:

Линза 6GF9 001-1AF:

Фильтры 6GF9 001-2AC, 6GF9 001-2AB, 6GF9 001-2AA:

Макроинтерфейс 6GF9 001-1AN:

Набор промежуточных колец Pentax 6GF9 001-1BU:

Макросистема 6GF9 001-1AN:

 

Заказные данные

Заказной №ОписаниеВес (кг)ДоставкаМин. зак. (шт)
6GF9001-1AEКОМПАКТНЫЙ ОБЪЕКТИВ CINEGON 1.4/8 MM, ДИАМЕТР 31.5 MM, ДЛИНА 33.7 MM0.183 - 5 недель (A)1
6GF9001-1AFКОМПАКТНЫЙ ОБЪЕКТИВ XENOPLAN 1.9/35, ДИАМЕТР 31.5 MM, ДЛИНА 35.2 MM0.1863 - 5 недель (A)1
6GF9001-1AJКОМПАКТНЫЙ ОБЪЕКТИВ CINEGON 1.4/12 MM, ДИАМЕТР 31.5 MM, ДЛИНА 40.4 MM0.183 - 5 недель (A)1
6GF9001-1AKКОМПАКТНЫЙ ОБЪЕКТИВ XENOPLAN 1.4/17 MM, ДИАМЕТР 31.5 MM, ДЛИНА 33.5 MM0.1693 - 5 недель (A)1
6GF9001-1ALКОМПАКТНЫЙ ОБЪЕКТИВ XENOPLAN 1.4/23 MM, ДИАМЕТР 31.5 MM, ДЛИНА 37.1 MM0.183 - 5 недель (A)1
6GF9001-1ANМАКРО ОБЪЕКТИВ COMPONON 2.8/50 MM С МОНТАЖНЫМ АДАПТЕРОМ ТИПА C, ФОКУСНОЕ РАССТОЯНИЕ 150 - 850 MM, ДИАМЕТР 48 MM, ДЛИНА 62.5 - 74.5 MM0.2183 - 5 недель (A)1
6GF9001-1AQОБЪЕКТИВ XENOPLAN 2.0/28 MM С ВЫСОКИМ РАЗРЕШЕНИЕМ И С НИЗКИМ ИСКАЖЕНИЕМ, КОМПАКТНАЯ ФОРМА КРЕПИТСЯ ПРИ ПОМОЩИ ШЕСТИУГОЛЬНОЙ РОЗЕТКИ ПОД ВИНТ, ФИКСИРОВАННАЯ АПЕРТУРА D=31.5 MM, L=39.3 MM 0.0763 - 5 недель (A)1
6GF9001-1AUОБЪЕКТИВ XENOPLAN 2.8/50 MM С ВЫСОКИМ РАЗРЕШЕНИЕМ И С НИЗКИМ ИСКАЖЕНИЕМ, КОМПАКТНАЯ ФОРМА КРЕПИТСЯ ПРИ ПОМОЩИ ШЕСТИУГОЛЬНОЙ РОЗЕТКИ ПОД ВИНТ, ФИКСИРОВАННАЯ АПЕРТУРА D=31.5 MM, L=40.4 MM 0.1233 - 5 недель (A)1
6GF9001-1AVОБЪЕКТИВ CINEGON 1.8/4.8 MM С ВЫСОКИМ РАЗРЕШЕНИЕМ И С НИЗКИМ ИСКАЖЕНИЕМ, КОМПАКТНАЯ ФОРМА КРЕПИТСЯ ПРИ ПОМОЩИ ШЕСТИУГОЛЬНОЙ РОЗЕТКИ ПОД ВИНТ, ФИКСИРОВАННАЯ АПЕРТУРА D=37.3 MM, L=47.3 MM 0.0873 - 5 недель (A)1
6GF9001-1BE01МИНИ ОБЪЕКТИВ 8.5 MM, 1:1.5 PENTAX C815B(TH) С ФИКСИРОВАННЫМ ФОКАЛЬНЫМ РАССТОЯНИЕМ, АПЕРТУРА И ФОКУС НАСТРАИВАЮТСЯ D=42 MM, L=47 MM 0.123 - 5 недель (A)1
6GF9001-1BF01МИНИ ОБЪЕКТИВ 16 MM, 1:1.4 PENTAX C1614-М(КР) С ФИКСИРОВАННЫМ ФОКАЛЬНЫМ РАССТОЯНИЕМ, АПЕРТУРА И ФОКУС НАСТРАИВАЮТСЯ D=29.5 MM, L=37.2 MM 0.0633 - 5 недель (A)1
6GF9001-1BG01МИНИ ОБЪЕКТИВ 25 MM, 1:1.4 PENTAX C2514-М(КР) С ФИКСИРОВАННЫМ ФОКАЛЬНЫМ РАССТОЯНИЕМ, АПЕРТУРА И ФОКУС НАСТРАИВАЮТСЯ D=29.5 MM, L=38.9 MM 0.0553 - 5 недель (A)1
6GF9001-1BH01МИНИ ОБЪЕКТИВ 35 MM, 1:1.6 PENTAX C3516-М(КР) С ФИКСИРОВАННЫМ ФОКАЛЬНЫМ РАССТОЯНИЕМ, АПЕРТУРА И ФОКУС НАСТРАИВАЮТСЯ D=29.5 MM, L=41.4 MM 0.063 - 5 недель (A)1
6GF9001-1BH02ОБЪЕКТИВ F1.6 / 35MM, GOYO-ОБЪЕКТИВ С ФИКСИРОВАННЫМ ФОКУСНЫМ РАССТОЯНИЕ, АПЕРТУРА И ФОКУС НАСТРАИВАЕМЫЕ/МОГУТ БЫТЬ ЗАФИКСИРОВАНЫ, C-MOUNT D=32 MM, L=36.5 MM0.08по запросу (D)1
6GF9001-1BJ01МИНИ ОБЪЕКТИВ 50 MM, 1:2.8 PENTAX C5028-М(КР) С ФИКСИРОВАННЫМ ФОКАЛЬНЫМ РАССТОЯНИЕМ, АПЕРТУРА И ФОКУС НАСТРАИВАЮТСЯ D=29.5 MM, L=38 MM 0.0553 - 5 недель (A)1
6GF9001-1BK01ТЕЛЕ ОБЪЕКТИВ 75 MM, 1:2.8 PENTAX C7528-М(КР) С ФИКСИРОВАННЫМ ФОКАЛЬНЫМ РАССТОЯНИЕМ, АПЕРТУРА И ФОКУС НАСТРАИВАЮТСЯ D=34 MM, L=63.6 MM 0.453 - 5 недель (A)1
6GF9001-1BL01МИНИ ОБЪЕКТИВ 12 MM, 1:2.4 PENTAX Н1214-М(КР) С ФИКСИРОВАННЫМ ФОКАЛЬНЫМ РАССТОЯНИЕМ, АПЕРТУРА И ФОКУС НАСТРАИВАЮТСЯ D=29.5 MM, L=35.7 MM 0.0553 - 5 недель (A)1

Аксессуары

Заказной №ОписаниеВес (кг)ДоставкаМин. зак. (шт)
6GF9001-1AP01АДАПТЕРНОЕ КОЛЬЦО ДЛЯ ОБЪЕКТИВА 15 ММ, ДЛЯ ВИДЕОСЕНСОРОВ VS72X0.01по запросу (D)1
6GF9001-1BU УСТАНОВОЧНОЕ КОЛЬЦО ДЛИНА:0.5, 1, 5, 10, 20, 40 MM ДИАМЕТР: 31 MM ЗАКРЕПЛЯЕТСЯ МЕЖДУ ЛИНЗОЙ И КАМЕРОЙ, ИСПОЛЬЗУЕТСЯ ДЛЯ ИЗОБРАЖЕНИЙ В МАКРО ДИАПАЗОНЕ 0.0633 - 5 недель (A)1
6GF9001-1BVДВОИТЕЛЬ ДЛЯ ФОКАЛЬНОГО РАССТОЯНИЯ ДЛИНА:17.9 MM, ЗАКРЕПЛЯЕТСЯ МЕЖДУ ЛИНЗОЙ И КАМЕРОЙ 0.043 - 5 недель (A)1
6GF9001-2AAИНФРАКРАСНЫЙ ФИЛЬТР ДЛЯ ОБЪЕКТИВОВ 6GF9001-1AE,-1AF,-1AJ,-1AK, -1AL,-1AQ,-1AU ПРИМЕНЯЕТСЯ С ИНФРАКРАСНЫМ ИСТОЧНИКОМ ОСВЕЩЕНИЯ0.013 - 5 недель (A)1
6GF9001-2ABСИНИЙ ФИЛЬТР ДЛЯ ОБЪЕКТИВОВ 6GF9001-1AE,-1AF,-1AJ,-1AK, -1AL,-1AQ,-1AU 0.013 - 5 недель (A)1
6GF9001-2ACПОЛЯРИЗАЦИОННЫЙ ФИЛЬТР ДЛЯ ОБЪЕКТИВОВ 6GF9001-1AE,-1AF,-1AJ,-1AK, -1AL,-1AQ,-1AU ПРИМЕНЯЕТСЯ С ПОЛЯРИЗАЦИОННЫМ ИСТОЧНИКОМ ОСВЕЩЕНИЯ 0.0153 - 5 недель (A)1