Четкость получаемого изображения во многом определяется правильным выбором объектива видеокамеры. При выборе объектива кроме фокусного расстояния и освещенности необходимо принимать во внимание требуемую площадь обзора, размеры контролируемых объектов, а также расстояние до камеры. Объективы ввинчиваются в монтажные приспособления типов C или CS.
Упрощенный выбор объективов может производиться по следующим таблицам.
| Рабочее расстояние в мм до контролируемого поля размером (мм) | Тип объектива | Заказной номер | |||
|---|---|---|---|---|---|
| 75x50 | 100x75 | 150x100 | 200x135 |
|
|
| -- | -- | 180 | 250 | Cinegon 1,4/8мм | 6GF9001-1AE |
| 125 | 200 | 275 | 385 | Cinegon 1,4/12мм | 6GF9001-1AJ |
| 185 | 280 | 395 | 540 | Xenoplan 1,4/17мм | 6GF9001-1AK |
| 245 | 370 | 510 | 700 | Xenoplan 1,4/23мм | 6GF9001-1AL |
| -- | 600 | 900 | 1200 | Xenoplan 1,4/35мм | 6GF9001-1AF |
| 640 | 850 | -- | -- | Componon 2,8/50мм | 6GF9001-1AN |
| -- | -- | 180 | 240 | Mini- 1,3/8мм | 6GF9001-1BE |
| -- | 270 | 375 | 510 | Mini-1,6/16мм | 6GF9001-1BF |
| 290 | 435 | 595 | 880 | Mini- 1,6/25мм | 6GF9001-1BG |
| 645 | 1000 | 1300 | 2000 | Kompakt- 2,8/50мм | 6GF9001-1AH |
| Рабочее расстояние в мм до контролируемого поля размером (мм) | Тип объектива | Заказной номер | ||
|---|---|---|---|---|
| 300x200 | 400x260 | 600x400 |
|
|
| 380 | -- | -- | Cinegon 1,4/8мм | 6GF9001-1AE |
| 570 | 770 | 1200 | Cinegon 1,4/12мм | 6GF9001-1AJ |
| 800 | 1100 | 1600 | Xenoplan 1,4/17мм | 6GF9001-1AK |
| 1100 | 1400 | 2200 | Xenoplan 1,4/23мм | 6GF9001-1AL |
| 1800 | 2400 | 3600 | Xenoplan 1,4/35мм | 6GF9001-1AF |
| -- | -- | -- | Componon 2,8/50мм | 6GF9001-1AN |
| 360 | -- | -- | Mini- 1,3/8мм | 6GF9001-1BE |
| 750 | 1100 | 1500 | Mini-1,6/16мм | 6GF9001-1BF |
| 1200 | 1800 | 2400 | Mini- 1,6/25мм | 6GF9001-1BG |
| 2600 | 4000 | 5200 | Kompakt- 2,8/50мм | 6GF9001-1AH |
| Рабочее расстояние в мм до контролируемого поля размером (мм) | Тип объектива | Заказной номер | |||
|---|---|---|---|---|---|
| 75x50 | 100x75 | 150x100 | 200x135 |
|
|
| 2/3" CCD-камера 6GF9002-1AA и 6GF9002-1AK | |||||
| -- | -- | 135 | 190 | Cinegon 1,4/8мм | 6GF9001-1AE |
| -- | 145 | 200 | 285 | Cinegon 1,4/12мм | 6GF9001-1AJ |
| -- | 200 | 290 | 405 | Xenoplan 1,4/17мм | 6GF9001-1AK |
| 180 | 270 | 390 | 530 | Xenoplan 1,4/23мм | 6GF9001-1AL |
| -- | -- | 635 | 850 | Xenoplan 1,4/35мм | 6GF9001-1AF |
| 500 | 630 | -- | -- | Componon 2,8/50мм | 6GF9001-1AN |
| -- | -- | -- | 175 | Mini- 1,3/8мм | 6GF9001-1BE |
| -- | -- | 280 | 385 | Mini-1,6/ 16мм | 6GF9001-1BF |
| 225 | 330 | 450 | 610 | Mini- 1,6/25мм | 6GF9001-1BG |
| 495 | 690 | 1000 | 1400 | Kompakt- 2,8/50мм | 6GF9001-1AH |
| Полноформатная CCD-камера 6GF9002-1AL | |||||
| -- | -- | 180 | 250 | Cinegon 1,4/8мм | 6GF9001-1AE |
| 125 | 200 | 275 | 385 | Cinegon 1,4/12мм | 6GF9001-1AJ |
| 185 | 280 | 395 | 540 | Xenoplan 1,4/17мм | 6GF9001-1AK |
| 245 | 370 | 510 | 700 | Xenoplan 1,4/23мм | 6GF9001-1AL |
| -- | 600 | 900 | 1200 | Xenoplan 1,4/35мм | 6GF9001-1AF |
| 640 | 850 | -- | -- | Componon 2,8/50мм | 6GF9001-1AN |
| -- | -- | 180 | 240 | Mini- 1,3/8мм | 6GF9001-1BE |
| -- | 270 | 375 | 510 | Mini-1,6/ 16мм | 6GF9001-1BF |
| 290 | 435 | 595 | 880 | Mini- 1,6/25мм | 6GF9001-1BG |
| 645 | 1000 | 1300 | 2000 | Kompakt- 2,8/50мм | 6GF9001-1AH |
| 3-чиповая RGB-камера 6GF9002-1BB | |||||
| 260 | 390 | 545 | 730 | Xenoplan 1,4/17мм | 6GF9001-1AK |
| 340 | 500 | 700 | 1000 | Xenoplan 1,4/23мм | 6GF9001-1AL |
| -- | 800 | 1200 | -- | Xenoplan 1,4/35мм | 6GF9001-1AF |
| 850 | -- | -- | -- | Componon 2,8/50мм | 6GF9001-1AN |
| Рабочее расстояние в мм до контролируемого поля размером (мм) | Тип объектива | Заказной номер | ||
|---|---|---|---|---|
| 300x200 | 400x260 | 600x400 |
|
|
| 2/3" CCD-камера 6GF9002-1AA и 6GF9002-1AK | ||||
| 285 | -- | -- | Cinegon 1,4/8мм | 6GF9001-1AE |
| 430 | 600 | 900 | Cinegon 1,4/12мм | 6GF9001-1AJ |
| 605 | 820 | 1250 | Xenoplan 1,4/17мм | 6GF9001-1AK |
| 800 | 1100 | 1600 | Xenoplan 1,4/23мм | 6GF9001-1AL |
| 1300 | 1900 | 2600 | Xenoplan 1,4/35мм | 6GF9001-1AF |
| -- | -- | -- | Componon 2,8/50мм | 6GF9001-1AN |
| 265 | -- | -- | Mini- 1,3/8мм | 6GF9001-1BE |
| 580 | 770 | 1160 | Mini-1,6/16мм | 6GF9001-1BF |
| 900 | 1300 | 1900 | Mini- 1,6/25мм | 6GF9001-1BG |
| 2000 | 3000 | 4000 | Kompakt- 2,8/50мм | 6GF9001-1AH |
| Полноформатная CCD-камера 6GF9002-1AL | ||||
| 380 | -- | -- | Cinegon 1,4/8мм | 6GF9001-1AE |
| 570 | 770 | 1200 | Cinegon 1,4/12мм | 6GF9001-1AJ |
| 800 | 1100 | 1600 | Xenoplan 1,4/17мм | 6GF9001-1AK |
| 1100 | 1400 | 2200 | Xenoplan 1,4/23мм | 6GF9001-1AL |
| 1800 | 2400 | 3600 | Xenoplan 1,4/35мм | 6GF9001-1AF |
| -- | -- | -- | Componon 2,8/50мм | 6GF9001-1AN |
| 360 | -- | -- | Mini- 1,3/8мм | 6GF9001-1BE |
| 750 | 1100 | 1500 | Mini-1,6/16мм | 6GF9001-1BF |
| 1200 | 1800 | 2400 | Mini- 1,6/25мм | 6GF9001-1BG |
| 2600 | 4000 | 5200 | Kompakt- 2,8/50мм | 6GF9001-1AH |
| 3-чиповая RGB-камера 6GF9002-1BB | ||||
| 910 | -- | -- | Xenoplan 1,4/17мм | 6GF9001-1AK |
| -- | -- | -- | Xenoplan 1,4/23мм | 6GF9001-1AL |
| -- | -- | -- | Xenoplan 1,4/35мм | 6GF9001-1AF |
| -- | -- | -- | Componon 2,8/50мм | 6GF9001-1AN |
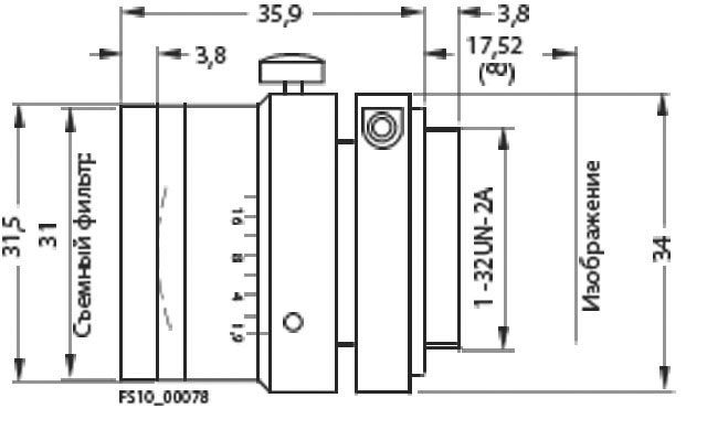
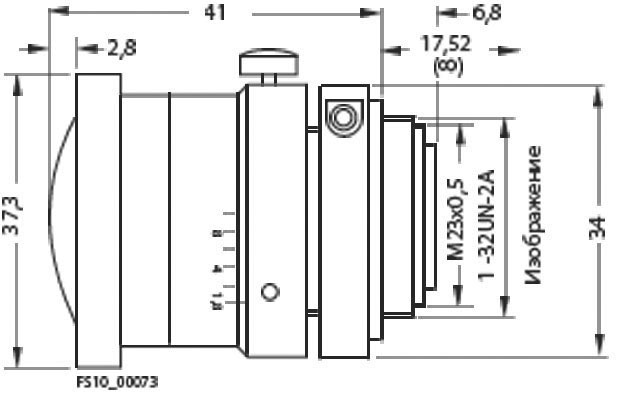
Оптическая длина пути линзы определяется ее конструкцией.
Для сферических линз телесный угол зависит от фокусного расстояния, регулировки фокуса и относительного отверстия; все лучи проходят через фокус линзы (центральная проекция). Объекты, находящиеся дальше от линзы, изображаются мельче; объекты, находящиеся ближе к линзе, изображаются более крупно:
Требуемый размер поля изображения (высота и ширина изображения), размер микросхемы датчика и фокусное расстояние линзы определяют рабочее расстояние:
d = (f x IS) / b
d = рабочее расстояние (расстояние от линзы до тестируемого объекта) в мм
f = фокусное расстояние линзы в мм
IS = размер изображения в плане тестируемого объекта в мм
b = эффективные размеры датчика в мм
В случае линз, используемых в системах обработки изображений, фокусное расстояние фиксировано, относительное отверстие и настройки фокуса могут быть зафиксированы. Фокусное расстояние, максимальное действующее отверстие объектива и диапазон фокусирования обычно указываются на линзах.
Фокусное расстояние дает информацию об угле поля изображения или увеличении линзы.
Фокусное расстояние линзы определяется размером требуемого поля изображения и размером микросхемы камеры, когда должно выдерживаться определенное расстояние. Наиболее распространенными размерами микросхем в современных камерах являются ½", 1/3" и ¼". Если расстояние до объекта меньше настраиваемого диапазона фокусировки линзы, т.е. вблизи линзы, то фокус может быть настроен с помощью промежуточных колец.
Если опорные размеры в данной камере спроектированы для линз CS-Mount, как для VS 100 и VS 720, то для настройки линзы C-Mount может быть использовано 5-миллиметровое промежуточное кольцо.
Служит для уменьшения интенсивности света путем прерывания оптического пути
Установка фокуса линзы на определенное расстояние
Это область перед объектом и позади него, которая отображается с достаточной резкостью. Чем больше относительное отверстие (чем меньше его номер), тем меньше глубина резкости.
Линзы с большим фокусным расстоянием имеют меньшую глубину резкости, этот эффект стоит учитывать для изображений при близких расстояниях.
Линзы с меньшим фокусным расстоянием называются широкоугольными линзами, они также могут использоваться на коротких рабочих расстояниях, но сильно искажают изображение. На подходящем расстоянии они имеют большое поле изображения.
Линзы с большим фокусным расстоянием называются телеобъективами; они имеют большое увеличение, но не могут быть сфокусированы на малом расстоянии, так что используются макросъемочные линзы, которые могут быть сфокусированы с помощью больших телескопических насадок или промежуточных колец. На подходящем расстоянии они имеют малое поле изображения.
В случае телеобъективов оптический путь в конце объекта почти параллелен (параллельная проекция). Это значит, что объекты на разных расстояниях отображаются одним размером. Однако, отображаться только такие объекты, которые меньше диаметра линзы. У таких линз нет возможности настраивать диапазон фокусирования.
Оптические характеристики могут быть ограничены с помощью оптических светофильтров для противодействия искажению изображения. Цветные фильтры ограничивают спектральный диапазон, серые фильтры ограничивают интенсивность света, а поляризационные фильтры ограничивают плоскость передачи. Фильтры этого типа могут быть прикреплены или с помощью внутренней резьбы, или с помощью фланца на передней стороне линзы. Держатель стекла для светофильтра спроектирован так, чтобы он подходил к линзе.
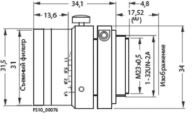
Линза 6GF9 001-1BL01:
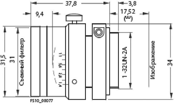
Линза 6GF9 001-1BF01:
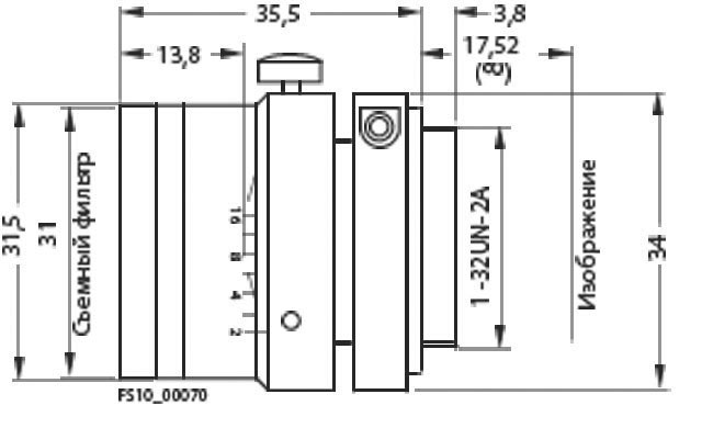
Линза 6GF9 001-1BG01:
Линза 6GF9 001-1BH01:
Линза 6GF9 001-1BJ01:
Линза 6GF9 001-1BE01:
Линза 6GF9 001-1AQ:
Линза 6GF9 001-1AU:
Линза 6GF9 001-1AV:
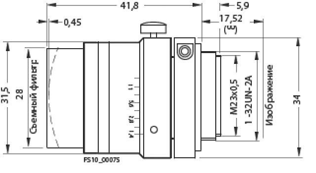
Линза 6GF9 001-1AE:
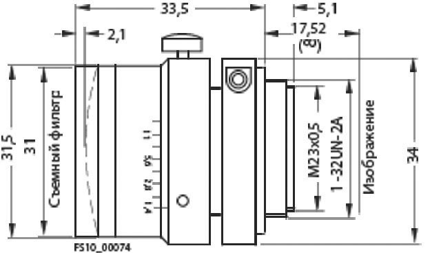
Линза 6GF9 001-1AJ:
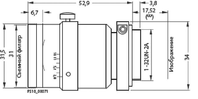
Линза 6GF9 001-1AK:
Линза 6GF9 001-1AL:
Линза 6GF9 001-1AF:
Фильтры 6GF9 001-2AC, 6GF9 001-2AB, 6GF9 001-2AA:
Макроинтерфейс 6GF9 001-1AN:
Набор промежуточных колец Pentax 6GF9 001-1BU:
Макросистема 6GF9 001-1AN:
Цена на сайте указана розничная в ЕВРО без учета НДС.Для уточнения цены и размера предоставляемой скидки - звоните или присылайте заявки
| Заказной номер | PG | Описание продукта | Цена |
| 6GF9001-1BB01 | 573 | MINI-LENS 6MM, 1:1,4 PENTAX C60636KP WITH FIXED FOCAL DISTANCE, APERTURE AND FOCUS ADJUSTABLE D=32 MM, L=37.5 MM | 254.40 |
| 6GF9001-1BE01 | 573 | МИНИ ЛИНЗЫ 8.5ММ, 1:1.5 PENTAX C815B(TH) С ФИКСИРОВАННЫМ ФОКАЛЬНЫМ РАССТОЯНИЕМ, APERTURE AND FOCUS ADJUSTABLE D=42 MM, L=47 MM | 212.00 |
| 6GF9001-1BF01 | 573 | МИНИ ЛИНЗЫ 16ММ, 1:1.4 PENTAX C1614-M(KP С ФИКСИРОВАННЫМ ФОКАЛЬНЫМ РАССТОЯНИЕМ, APERTURE AND FOCUS ADJUSTABLE D=29.5 MM, L=37.2 MM | 249.10 |
| 6GF9001-1BG01 | 573 | МИНИ ЛИНЗЫ 25ММ, 1:1.4 PENTAX C2514-M(KP С ФИКСИРОВАННЫМ ФОКАЛЬНЫМ РАССТОЯНИЕМ, APERTURE AND FOCUS ADJUSTABLE D=29.5 MM, L=38.9 MM | 259.70 |
| 6GF9001-1BH01 | 573 | МИНИ ЛИНЗЫ 25ММ, 1:1.6 PENTAX C3516-M(KP) С ФИКСИРОВАННЫМ ФОКАЛЬНЫМ РАССТОЯНИЕМ, APERTURE AND FOCUS ADJUSTABLE D=29.5 MM, L=41.4 MM | 265.00 |
| 6GF9001-1BJ01 | 573 | MINI LENS 50 MM, 1:2.8 PENTAX C5028-M(KP) С ФИКСИРОВАННЫМ ФОКУСОМ, ДИАФРАГМА И НАСТРАИВАЕМЫЙ ФОКУС D=29.5 MM, L=38 MM | 259.70 |
| 6GF9001-1BK01 | 573 | ТЕЛЕ ЛИНЗЫ, 1:2.8 PENTAX C7528-M(KP), С ФИКСИРОВАННЫМ ФОКУСОМ, ДИАФРАГМА И НАСТРАИВАЕМЫЙ ФОКУС D=34 MM, L=63.6 MM | 561.80 |
| 6GF9001-1BL01 | 573 | МИНИ ЛИНЗЫ 12ММ, 1:1.4 PENTAX H1214-M(KP) С ФИКСИРОВАННЫМ ФОКУСОМ, ДИАФРАГМА И НАСТРАИВАЕМЫЙ ФОКУС D=29.5 MM, L=35.7 MM | 238.50 |
Цена на сайте указана розничная в ЕВРО без учета НДС.Для уточнения цены и размера предоставляемой скидки - звоните или присылайте заявки
| Заказной номер | PG | Описание продукта | Цена |
| 6GF9001-1AP02 | 573 | АДАПТЕР ДЛЯ CS-C-МОНТАЖА 55М КОЛЬЦО ДЛЯ VS721 - VS725 | 21.20 |
| 6GF9001-1BU | 573 | НАБОР ПРОКЛАДОК, ДЛИНА: 0.5, 1, 5, 10, 20, 40 MM, ДИАМЕТР: 31ММ С С-РЕЗЬБОЙ ДЛЯ ВКРУЧИВАНИЯ МЕЖДУ ЛИНЗАМИ ИКАМЕРОЙ, ИСПОЛЬЗУЕТСЯ ДЛЯ ИЗОБРАЖЕНИЙ В МАКРО РЕЖИМЕ | 58.30 |
| 6GF9001-1BU01 | 573 | INTERMEDIATE RING SET 0.5/1/1MM LENGTHS: 1X0.5MM, 2X1MM 31 MM DIAMETER WITH C-THREAD TO BE SCREWED IN BETWEEN LENS AND CAMERA, USED FOR PICTURES IN CLOSE-UP RANGE | 19.08 |
| 6GF9001-1BV | 573 | УДВОИТЕЛЬ ДЛЯ ФОКУСНОГО РАССТОЯНИЯ ДЛИНЫ: 17.9 MM, диаметр 30.5мм, С С-РЕЗЬБОЙ, ЧТОБЫ ВКУЧИВАТЬ МЕЖДУ ЛИНЗАМИ И КАМЕРОЙ, ДЛЯ УВЕЛИЧЕНИЯ ФОКУСА В 2 РАЗА | 100.70 |
| 6GF9001-2AD | 573 | ИНФРАКРАСНЫЙ ФИЛЬТР ДЛЯ ЛИНЗ 6GF9001-1BF01,-1BG01,-1BH01, -1BJ01,-1BL01, ДЛЯ ПРИМЕНИЯ ИНФРАКРАСНОГО СВЕТА | 79.50 |
| 6GF9001-2AE | 573 | ГОЛУБОЙ ФИЛЬТР ДЛЯ ЛИНЗ 6GF9001-1BF01,-1BG01,-1BH01, -1BJ01,-1BL01 | 79.50 |
| 6GF9001-2AF | 573 | ФИЛЬТР ПОЛЯРИЗАЦИИ ДЛЯ ЛИНЗ 6GF9001-1BF01,-1BG01 -1BH01, -1BJ01,-1BL01, ПРИ ИСПОЛЬЗОВАНИИ ПОЛЯРИЗОВАННОГО СВЕТА | 74.20 |