0

Разделы

Общая информация и руководство по подбору

Ультразвуковые расходомеры подходят для измерения расхода практически любых электропроводящих и не электропроводящих жидкостей.

  • макс. 2% твёрдых примесей 
  • макс. 2% воздуха и газа  
  • макс. 350 cSt

Основными сферами применения являются:

  • подача сырой воды от установок водоподготовки 
  • подготовленные сточные воды
  • выработка элекроэнергии и предприятия по облуживанию населения 
  • нефть, газ и петрохимия 
  • ирригационные системы
  • установки охлаждающей воды в промышленности и на электростанциях 
  • установки для транспортировки не проводящих жидкостей 
   

SONO 3300/3000 Industry

SONO 3100 /3000 Industry

SONOKIT доосащение

SONO 3300/3000 CT

SONOCAL 3000 расходометр

SONOCELL

SITRANS FU380

Вещества-проводящие/непроводящие

Вода, подготовленная сточная вода

X

X

X

 

 

 

 

Предприятия обслуживания населения, ТЭЦ, охлаждение

X

X

X

X

X

 

X

Предприятия обслуживания населения, ТЭЦ, требуются допуски 

 

 

 

X

X

 

X

Ирригация

X

X

X

 

 

X

X

HPI, нефть & сжиженный газ

X

X

X

 

 

 

 

Химическая промышленность

X

X

 

 

 

 

 

Низкотемпературные жидкости

 

X

 

 

 

 

 

Оффшоры

 

X

 

 

 

 

 

Тип

Труба/электроника с калибровкой на стенде

X

X

 

X

X

X

X

Замена электроакуст. преобраз. под давлением

 

X

X

 

 

 

 

Установка на имеющиеся стальные трубы

 

 

X

 

 

 

 

Установка на бетонную трубу

 

 

X

 

 

 

 

Установка на чугунный трубопровод 

 

 

X

 

 

 

 

Установка без остановки потока в трубе (Hot-Tap)

 

 

X

 

 

 

 

Диаметр

DN 50

2"

X

 

 

X

X

 

(X) 3)

DN 65

2½"

X

 

 

X

X

 

(X) 3)

DN 80

3"

X

 

 

X

X

X

(X) 3)

DN 100

4"

X

X

XX

X

X

X

X

DN 125

5"

X

X

XX

X

X

X

X

DN 150

6"

X

X

XX

X

X

X

X

DN 200

8"

X

X

X

X

X

X

X

DN 225

9"

X

X

X

X

X

X

X

DN 250

10"

X

X

X

X

X

X

X

DN 300

12"

X

X

X

X

X

X

X

DN 350

14"

 

X

X

X

X

X

X

DN 400

16"

 

X

X

X

X

X

X

DN 500

20"

 

X

X

X

X

 

X

DN 600

24"

 

X

X

X

X

 

X

DN 700

28"

 

X

X

X

X

 

X

DN 800

32"

 

X

X

X

X

 

X

DN 900

36"

 

X

X

X

X

 

 

DN 1000

40"

 

X

X

X

X

 

 

DN 1200

48"

 

X 1)

X

X

X

 

 

DN 4000 макс.

157“

 

 

X

 

 

 

 

Количество треков

1-track

 

 

X

 

 

X

 

2-track

X

X

X

X

 X

 

X

4-track (on request)

 

X

X

X

 

 

 

Стандарт фланцев

EN 1092-1

X

X

 

X

X

X

X

EN 1759-1

X

 

 

X

X

 

 

ANSI B16.5

 

 

 

 

 

X

 

Flangeless версия(SONO 3300 CT, только ≥ DN 200 (8”))

 

X

 

X

 

 

 

Диапазон давления

PN 6

 

X

X

 

 

 

 

PN 10

X

X

X

X

 

X

 

PN 16

X

X

X

X

X

X

X

PN 25

 

X

X

X

X

 

X

PN 40

X

X

X

X

X

 

X

lb 150

X

X

 

X

 

 

 

lb 300

X

X

 

X

 

 

 

PN 160

 

X

 

 

 

 

 

lb 2500

 

X

 

 

 

 

 

Материал трубы и фланца

Углеродная сталь

X

X

 

X

X

 

X

Нерж.сталь

 

X

 

 

 

X

 

Другие материалы по запросу

 

X

 

 

 

 

 

Горячая оцинковка

 

 

 

 

 

X

 

Диапазон тнмператур

°C

°F

 

 

 

 

 

 

 

-200

-330

 

O

 

 

 

 

 

-20

-4

 

X

X

 

 

 

 

-10

+14

X

X

X

X

X

 

 

0

+32

X

X

X

X

X

X

X

+50

+120

X

X

X

X

X

X

X

+120

+250

X

X

X

X

X

 

X

+160

+320

X

X

X

X

X

 

X

+200

+390

 

X

X

X

X

 

X

+250

+482

 

O

 

 

 

 

 

Питание

Батарея

 

 

 

 

 

X

X

AC 115 … 230 V

X

X

X

X

X

 

X 2)

DC 24 V

X

X

X

X

 

 

 

Допуски для стран

OIML R 75 класс 4

 

 

 

X

X

 

 

EN 1434 класс 2

 

 

 

 

 

 

X

Спец. для страны допуск

 

 

 

X

X

 

X

EEx-d

X

X

X

 

 

 

 

Eex ATEX

 

X

X

 

 

 

 

Монтаж измерительного преобразователя

Компактный

X

 

 

 

 

X

X

Раздельный

X

X

X

X

X

X

X

Прочее

Индикация с клавиатурой

X

X

X

X

 

X

X

Предустановлены параметры для использования с обязательной калибровкой. Как опция возможны дополнительные функции.

 

 

 

X

 

 

 

Предуст. параметры для использ. с обяз. калибровкой.

 

 

 

 

X

 

X

 

 

 

 

 

 

 

 

 

O = спец. электроакустический преобразователь

XX = только 1 тракт

1) Большие диаметры по запросу

2) ATEX  для компонента расхода готовится

3) в процессе.

 

 

 


Функции

Общая информация и руководство по подбору
Прямая обработка сигнала

В программе ультразвукового расходомера сигнал посылается напрямую, без отражени от стенки, от измерительного преобразователя на приёмник. Отправка сигнала от точки к точке позволяет достичь очень хорошей силы сигнала при обработке и тем самым избежать внезапных остановок расходомера.

Физический принцип

Распределение скорости вдоль звукового тракта

Перемещающаяся в одном направлении с жидкостью от точки А звуковая волна достигает точки В быстрее, чем звуковая волна, движущаяся против направления потока от точки В к А. Разница в скорости распространения звука показывает скорость потока в трубе.

Так как время задержки измеряется за короткие интервалы как по, так и против напрвления потока, то вязкость и температура не влияют на точность измерения.

Принцип измерения

В расходомерах SITRANS F US SONOFLO оба ультрозвуковых акустических преобразователя располагаются под услом по отношению к оси трубы.Акустические преобразователи работают как измерительные преобразователи и приёмники ультразвуковых сигналов. Для измерения определяется время, которое ультразвуковой сигнал затрачивает при перемещении по и против потока. Принцип может быть выражен следующим образом: 

v = K · (tA,B – tB,A) / (tA,B · tB,A) = K · Δt/t²

v = средняя скорость потокаt = время переходаK = пропорциональный коэффициент потока

Преимуществом этого принципа измерения является независимость от колебаний фактической скорости звука жидкости и тем самым от температуры. Пропорциональный коэффициент К определяется при проливке.

 Ультразвуковое измерение потока через батарею

Siemens предлагает решение расхода с батарейным питанием и литеевой батареей 3,6 V cо сроком службы до 8 лет. Так как электроника была оптимизирована на очень низкий потребляемая мощность, электронные функции и сервисные возможности доступны тоько в ограниченном объёме. Работающие от батареи ультразвуковые расходомеры используются при производстве энергии,  на предприятиях обеспечения и ирригационных установках главным образом там, где подключение к магистральной сети невозможно.

Геометрия трубы с двухтрековой конструкцией

Cтатическая или механическая точность всех расходомеров зависит от геометрии трубы до и после расходомера, а также количества ультразвуковых измерительных треков. 

При протоку воды через трубы она, в зависимости от формы трубы, имеет тенденцию к завихрению или протоку внутри трубы с различной скоростью.

Поэтому сегодня 2 или более треков являются наиболее современной технологией.

Преимущества 2-трековой системы:

  • меньшая чувствительность к имеющимся препядствиям, например, изгибам, насосам и вентилям.
  • высокая надежность измерения, так как измерительный прибор продолжает измерение и при любом отказе одного из треков.

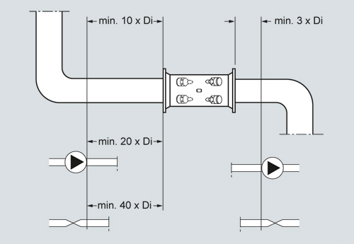
При установке расходомера прямые участки трубы должны составлять 10 x Di до расходомера (Di = диаметр расходомера) и 3 x Di после.

Достижимая с помощью 2-трекового ультразвукового расходомера типичная точность составляет около ±0.5%, при этом монтаж должен быть осуществлен согласно выше указаным требованиям.

4-трековые ультразвуковые расходомеры

Для некоторых приложений эта точность должна быть реализована при очень коротких впускных участках и сильных завихрениях. С помощью 2-трековых решений это невозможно. 

Для этих случаев предлагается соответствующее 4-трековое решение.

В случае вопросов по конкретным приложениям просьба обращаться на Siemens Flow Instruments.

 


Технические данные

Общая информация и руководство по подбору

Номинальные диаметр и проток

Руководства по выбору измерительного датчика

Мин. диапазон измерения: 0 … 0.25 м/сек

Mакс. диапазон измерения: 0 … 10 м/сек

Измерительный датчик обычно выбирается таким образом, чтобы ном. скорость потока лежала в диапазоне измерения 1 … 5 м/сек.

v = (4 x Qmax ) / (π x DiІ x 3600 )

v в м/сек, Qmax в m3/час, Di в м

 

Впуск и выпуск

Рекомендуемые прямые участки

Для достижения наилучшей производительности впуски и выпуски должны быть прямыми. Необходимо соблюдать определенное расстояние между расходомером и изгибами, насосами и вентилями. Кроме этого расходомер должен располагать по центру относительно трубного фланца и уплотнений.

Вентили всегда должны устанавливаться за расходомером. Это не относится только к установке измерительного датчика в вертикальную трубу. В этом случае для установки нулевой точки необходимо предусмотреть вентиль под измерительным датчиком. При этом выбрать такой вентиль, который в полностью открытом состоянии не вызывает изменения потока.

Рекомендуемый впуск/выпуск

 

SONO 3300/3100SONOKIT 2-тракта

SONO 3330/3000 CTSONOCAL 3000 2-тракта

SONOKIT 1-трактSONOCELL 1-тракт

Колено 90°

10 x Di

10 x Di

20 x Di

Полностью открытый вертиль

10 x Di

10 x Di

20 x Di

Частично открытый вентиль

40 x Di

40 x Di

40 x Di

2 x 90° в одной плоскости

15 x Di

10 x Di*)

25 x Di

2 x 90° в двух плоскостях

20 x Di

20 x Di

40 x Di

Выпуск

3 x Di

3 x Di

3 x Di

*) более короткий впуск из-за более высоких требований к допустимой точности в PTB класс C и согласно допускам по OIML R 75 класс 4

При наличии более одного колена просьба проконсультироваться на Siemens.

Монтаж в полностью заполненную трубу

  • монтаж в высшей точке системы трубопроводов
  • монтаж в вертикальных трубах со свободным выпуском

 

Не монтировать в высшей точке трубопроводной системы или в вертикальной трубе со свободным выпуском

Монтаж в отвод в случае частично заполненной трубы

Монтаж электроакустического преобразователя в горизпнтальном положении

Для реализации макс. точности необходима совместная калибровка измерительного датчика и измерительного преобразователя.

SONO 3000 состоит из электронного прибора и отдельной SENSORPROM. Данные калибровки расходомера сохранены в SENSORPROM и во внутренней EPROM. SENSORPROM содержит всю необходимую для быстрого запуска информацию.

Системеная точность относится к следующим системам:

SONO 3300/3000 SONO 3300/3000CT SONO 3100/3000.

Эталонные условия

 

 

Жидкость

Вода

Температура жидкости

22 ± 5 °C

Окружающая температура

22 ± 5 °C

Напряжение питания

AC 115/230 V +10 … -15%

 

DC 24 V +25 … -15%,

 

AC 24 V ±15%

Длина прямого выпуска

20 x Di

Усианавливаемый диапазон измерения

0 … 1 м/сек to 0 … 10 м/сек

Повторяемость

лучше чем 0.25% в диапазоне 0.5 … 10 м/сек

Линейность

 

  • для числа Рейнольдса 1000 < Re < 5000

лучше чем 1% 

  • число Рейнольдса > 5000

лучше чем 0.4%

Дополнительные воздействия при отклонениях от эталонных условий:

  • выход тока: как частотный выход (± 0,1 % от фактического расхода +0,05 % от конечного значения)
  • влияние внешней температуры: частотный/импульсный выход: < 0,005 % SPAN/K
  • выход тока: < ±0,0075 % SPAN/K
  • влияние питания: 0,005 % от измеренного значения при 1 % изменения