0

Разделы

Общее - ULTRAMAT 23

Общее - ULTRAMAT 23

TheULTRAMAT 23 gas analyzer can measure up to 4 gas components at once: A maximum of three infrared sensitive gases such as CO, CO2, NO, SO2, CH4 and in addition O2 with an electrochemical oxygen measuring cell.

ULTRAMAT 23 basic versions for:

  • 1 infrared gas component with/without oxygen measurement
  • 2 infrared gas components with/without oxygen measurement
  • 3 infrared gas components with/without oxygen measurement.

ULTRAMAT 23

Особенности

  • AUTOCAL with ambient air (depends on measured component)
    High efficiency so no calibration gas and accessories required
  • High selectivity by multiple layer detectors, e.g. small cross sensitivity to water vapor
  • Cleanable sample cells,
    cost saving in further use in case of pollution
  • Menu-assisted operation in plain text,
    operation control without manual, high operator safety
  • Service information and log book,
    preventive maintenance; help for service and maintenance personnel, cost reduction
  • Coded operator level against unauthorized access,
    increased safety
  • Open interface architecture (RS 485, RS 232; PROFIBUS, SIPROM GA)
    simplified process integration, remote control.

Область применения

Application areas

  • Optimization of small firing systems
  • Monitoring of exhaust gas concentration from firing systems with all types of fuel (oil, gas and coal) as well as operational measurements with thermal incineration plants
  • Room air monitoring
  • Monitoring of air in fruit stores, greenhouses, fermenting cellars and warehouses
  • Monitoring of process control functions
  • Atmosphere monitoring during heat treatment of steel
  • For use in non-potentially explosive atmospheres.

Further applications

  • Environmental protection
  • Chemical plants
  • Cement industry.

Special applications

  • Separate gas paths
    The ULTRAMAT 23 with 2 IR components without pump is also available with two separate gas paths. This allows the measurement of two measuring points as used e.g. for the NOx measurement before and after the NOx converter. The ULTRAMAT 23 gas analyzer can be used in emission measuring systems and for process and safety monitoring.
  • TÜV version
    TÜV-approved versions of the ULTRAMAT 23 are available for measurement of CO, NO, SO2 and O2 according to 13. BImSchV and TA Luft.
    Smallest TÜV-approved and permitted measuring ranges:
    • 1- and 2-component analyzer
      CO: 0 to 150 mg/m3
      NO: 0 to 100 mg/m3
      SO2: 0 to 400 mgm3
    • 3-component analyzer
      CO: 0 to 250 mg/m3
      NO: 0 to 400 mg/m3
      SO2: 0 to 400 mg/m3

All larger measuring ranges are also approved.

Furthermore, the TÜV-approved versions of the ULTRAMAT 23 comply with the requirements of EN 14956 and of QAL 1 according to EN 14181. Conformity of the analyzers with both standards is TÜV-certified.

Determination of the analyzer drift according to EN 14181 (QAL 3) can be carried out manually or also with a PC using the SIPROM GA maintenance and servicing software. In addition, selected manufacturers of emission evaluation computers offer the possibility for downloading the drift data via the analyzer’s serial interface and to automatically record and process them in the evaluation computer.

  • Version with reduced response time
    The connection between both condensation traps is equipped with a stopper to lead the complete flow through the measuring cell (otherwise only 1/3 of the flow), i.e. the response time is 2/3 faster. The functions of all other components are unchanged.
  • Chopper compartment flushing: consumption100 ml/min.

Дизайн

  • 19“ unit with 4 HU for installation
    • in swing frame
    • in cabinets, with or without slide rails
  • Flowmeter for sample gas on front panel;
    Option: integrated sample gas pump (standard for bench-top version).
  • Gas connections for sample gas input and output as well as zero gas; pipe diameter 6 mm or ¼“
  • Gas and electrical connections at the rear (portable version: sample gas inlet at front).

Display and control panel

  • Operation according to NAMUR recommendation
  • Simple, fast programming and commissioning of analyzer
  • Large, backlit LCD for measured values
  • Menu-based inputs for parametrization, test functions and calibration
  • Washable membrane keypad
  • User help in plain text
  • Operation software in 6 languages.

Inputs and outputs

  • Three binary inputs for sample gas pump On/Off, triggering of AUTOCAL and synchronization of several devices
  • Eight relay outputs can be freely configured for fault, maintenance request, maintenance switch, limits, range identification and external solenoid valves
  • Eight additional binary inputs and relay outputs as an option
  • Electrically isolated analog outputs.

Communication

  • RS 485 present in basic unit (connection from the rear).

Options

  • RS 485/RS 232 converter
  • RS 485/Ethernet converter
  • Incorporation in networks via PROFIBUS DP/PA interface
  • SIPROM GA software as service and maintenance tool.

ULTRAMAT 23, membrane keypad and graphic display

Executions of the wetted parts

Gas path

 

19“ unit

Desktop unit

With hoses

Condensation trap/gas inlet

-

PA (polyamide)

Condensation trap

-

PE (polyethylene)

Gas nipples 6 mm

PA (polyamide)

PA (polyamide)

Gas nipples ¼“

SS, type No. 1.4571

SS, type No. 1.4571

Hose

FPM (Viton)

FPM (Viton)

Pressure switch

FPM (Viton) + PA6-3-T (Trogamide)

FPM (Viton) + PA6-3-T (Trogamide)

Flowmeter

PDM/Duran glass/X10CrNiTi1810

PDM/Duran glass/X10CrNiTi1810

Elbows/T-pieces

PA6

PA6

Internal pump

PVDF/PTFE/EPDM/FPM/Trolene/ SS, type No. 1.4571

PVDF/PTFE/EPDM/FPM/Trolene/ SS, type No. 1.4571

Solenoid valve

FPM70/Ultramide/1.4310/1.4305

FPM70/Ultramide/1.4310/1.4305

Safety reservoir

PA66/NBR/PA6

PA66/NBR/PA6

Sample cell

   
  • Body

Aluminium

Aluminium

  • Cell lining

Aluminium

Aluminium

  • Stub

SS, type No. 1.4571

SS, type No. 1.4571

  • Window

CaF2

CaF2

  • Adhesive

E353

E353

  • O-ring

FPM (Viton)

FPM (Viton)

With pipes

Gas nipples (6 mm / ¼“)

SS, type No. 1.4571

 

Pipes

SS, type No. 1.4571

 

Sample cell

   
  • Body

Aluminium

 
  • Cell lining

Aluminium

 
  • Stub

SS, type No. 1.4571

 
  • Window

CaF2

 
  • Adhesive

E353

 
  • O-ring

FPM (Viton)

 

ULTRAMAT 23, design

Gas path

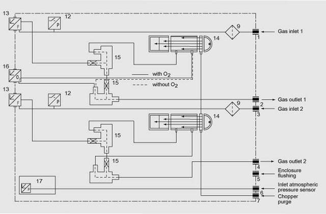
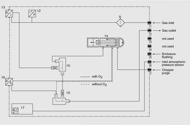
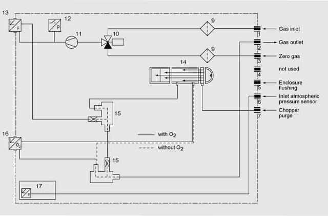
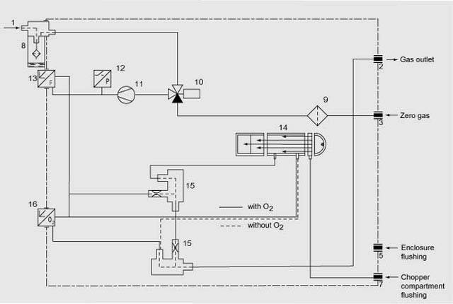
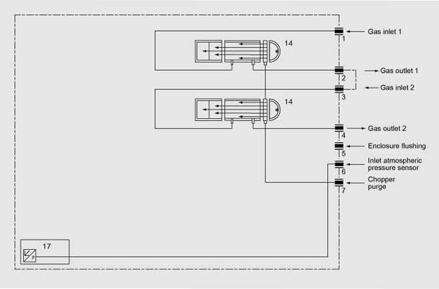
Key to gas path figures

1

Inlet fo sample gas/ calibration gas

9

Safety fine filter

2

Gas outlet

10

Solenoid valve

3

Inlet for AUTOCAL/zero gas or

Inlet for sample gas/ adjusting gas (channel 2)

11

12

Sample gas pump

Pressure switch

4

Gas outlet (channel 2)

13

Flowmeter

5

Enclosure flushing

14

Analyzer section

6

Inlet atmospheric pressure sensor

15

Safety condensate trap

7

Inlet housing/chopper compartment flushing

16

Oxygen measuring cell

8

Condensation trap with filter

17

Atmospheric pressure sensor


ULTRAMAT 23, portable, in sheet-steel housing with internal sample gas pump, condensation trap with safety filter on front panel, optional oxygen measurement

ULTRAMAT 23, 19“ unit with internal sample gas pump, optional oxygen measurement

ULTRAMAT 23, 19“ unit without internal sample gas pump, optional oxygen measurement

ULTRAMAT 23, 19“ unit without internal sample gas pump, with separate gas path for the second component or for the 2nd and 3rd components, optional oxygen measurement

ULTRAMAT 23, 19“ unit, sample gas path version in pipes, optional separate gas path, always without sample gas pump, without safety filter and without safety trap

Функции

Two independent, selective measuring principles are used in the ULTRAMAT 23.

Infrared measurement

An IR source (7) at 600 °C emits an infrared radiation which is modulated with 8 1/3 Hz by a chopper (5). After passing the sample cell (4), the intensity of the radiation is measured by the detector (11, 12).

The represented detector is composed of layers filled with the component to be analyzed. The energy of the middles of the IR bands of the measured gases is mainly absorbed in the first layer. The second layer absorbs the edge energy which is tuned on high selectivity in the third layer via an aperture.

When passing through the layers the radiation absorption results in different pressure increases and so to a flow via the capillary hole. The microflow sensor there generates a signal which is nearly independent of interferences from components at the band edges.

Note

The sample gases have to enter the analyzer dustfree. Avoid condensate in the sample cells. Therefore an appropriated gas preparation is required depending of the applications.

The ambient air of the analyzer should be, in a large extent, free of high concentrations of the component to be measured.

ULTRAMAT 23, mode of operation of infrared channel (example with three-layer detector)

Automatic calibration with air

The ULTRAMAT 23 can be calibrated e.g. with ambient air. During this AUTOCAL (adjustable between 0 and 24 hours), the chamber is purged with air. The detector then generates the largest signal U0 (no pre-absorption in the sample chamber). This signal is used as the reference for the zero calibration and serves simultaneously as the initial value for calculation of the full-scale value in the manner described below.

The absorption in the sample chamber increases along with the concentration of the measured component. As a result of this pre-absorption, the radiation energy measured in the detector decreases, and thus also the signal voltage. The mathematical relationship between the concentration of the measured component and the signal voltage corresponds to a good approximation in the single-beam procedure of the ULTRAMAT 23 to an exponential function of form:

U = U 0 · e -kc

c Concentration

k Device-specific constant

U0 Basic signal with zero gas (sample gas without measured component)

U Detector signal

Changes in the radiated power, contamination of the sample chamber, or ageing of detector components have the same effect on both U0 and U, and result in:

U’ = U’0 · e-kc

Apart from being dependent on the concentration c, the measured voltage therefore changes continuously with increased ageing of the radiator or with persistent contamination.

The mentioned influences of contamination and ageing will have a negligible effect on the measurement as long as U’ remains within a certain tolerance range which is monitored by the analyzer.

The analyzers carry out automatic calibration of the zero point with ambient air every 1, 2, 3 ... 24 hours as desired. Calibration with a calibration gas is unnecessary since the calibration curve is calculated with the new U’0 value.

ULTRAMAT 23, mode of operation of oxygen measuring cell

Oxygen measurement

The oxygen sensor operates according to the principle of a fuel cell. The oxygen is converted at the boundary layer between cathode and electrolyte; the resulting current is proportional to the concentration of oxygen.

This sensor version with an acid based electrolyte is less sensitive to cross interferences, especially CO2, CO, CH4 and H2 than other sensor types.

Essential characteristics

  • Practically maintenance-free as a result of AUTOCAL with ambient air (or with N2, only with units without oxygen sensor); both the zero and the span are calibrated in the process
  • Calibration with calibration gas is only necessary every 12 months, depending on application
  • Two measuring ranges can be set per component within defined limits;
    all measuring ranges linearized;
    autoranging with range identification
  • Automatic correction of variations in atmospheric pressure
  • Gas flow monitoring;
    Low-flow alarm at  1 l/min
    (with viton sample gas path only)
  • Maintenance request alert
  • Two limits can be freely configured for each component, for upward or downward violation.