0

Разделы

Общее - ULTRAMAT/OXYMAT 6

Общее - ULTRAMAT/OXYMAT 6

The ULTRAMAT/OXYMAT 6 gas analyzer is a practical combination of the ULTRAMAT 6 and OXYMAT 6 analyzers in a single enclosure.

The ULTRAMAT 6 channel operates according to the NDIR two-beam alternating light principle and measures one or two gases highly selectively whose absorption bands lie in the infrared wavelength range from 2 to 9 μm, such as CO, CO2, NO, SO2, NH3, H2O as well as CH4 and other hydrocarbons.

The OXYMAT 6 channel is based on the paramagnetic alternating pressure method and is used to measure oxygen in gases.

ULTRAMAT/OXYMAT 6, 19“ unit

Особенности

  • Corrosion-resistant materials in gas path (option)
    • Measurement possible in highly corrosive sample gases
  • Cleanable sample cells
    • Cost saving in further use in case of pollution
  • Open interface architecture (RS 485, RS 232, PROFIBUS)
  • SIPROM GA network for maintenance and servicing information (option).

ULTRAMAT channel

  • High selectivity with double-layer detector and optical coupler
    • Reliable measurements even in complex gas mixtures
  • Low detection limits
    • Measurements with low concentrations.

OXYMAT channel

  • Paramagnetic alternating pressure principle
    • Small measuring ranges (0 - 0.5% or 99.5 - 100% O2)
    • Absolute linearity
  • Detector element has no contact with the samples gas
    • Can be used to measure corrosive gases
    • Long lifetime
  • Physically suppressed zero through suitable selection of reference gas (air or O2), e.g. 98 - 100% O2 for purity monitoring/air separation.

Область применения

Applications

  • Measurements for boiler control in combustion plants
  • Emission measurements in incineration plants
  • Measurements in the automotive industry (test benches)
  • Process gas concentrations in chemical plants
  • Trace measurements in pure gas processes
  • Environment protection
  • MAC-value monitoring at place of work
  • Quality monitoring.

Special versions

  • Special applications
    Besides the standard combinations special applications concerning material of the gas path, material of the sample cells (e.g. titanium, Hastelloy C22) and sample components are also available on request.
  • TÜV version
    TÜV-approved versions are available for measurement of CO, NO, SO2 and O2 according to 13. BImSchV and TA Luft.
    Smallest TÜV-approved and permitted measuring ranges:
    • 1-component analyzer
      CO: 0 to 50 mg/m3
      NO: 0 to 100 mg/m3
      SO2: 0 to 75 mgm3
    • 2-component analyzer (series connection)
      CO: 0 to 75 mg/m3
      NO: 0 to 200 mg/m3

All larger measuring ranges are also permitted.

Furthermore, the TÜV-approved versions of the ULTRAMAT/OXYMAT 6 comply with the requirements of EN 14956 and of QAL 1 according to EN 14181. Conformity of the analyzers with both standards is TÜV-certified.

Determination of the analyzer drift according to EN 14181 (QAL 3) can be carried out manually or also with a PC using the SIPROM GA maintenance and servicing software. In addition, selected manufacturers of emission evaluation computers offer the possibility for downloading the drift data via the analyzer’s serial interface and to automatically record and process them in the evaluation computer.

Дизайн

19“ unit

  • With 4 HU for installation
    • in swing frame
    • in cabinets, with or without slide rails
  • Front panel for service can be hinged down (laptop connection)
  • Internal gas paths: flexible tube made of FKM (Viton) or pipe made of titanium or stainless steel
  • Gas connections for sample gas input and output: pipe diameter 6 mm or 1/4"
  • Flowmeter for sample gas on the front panel (option).
  • Sample cell (OXYMAT channel) – with or without flow-type compensation branch – made of stainless steel (SS, type No. 1.4571) or of tantalum for highly corrosive sample gases (e.g. HCl, Cl2, SO2, SO3, etc.)
  • Monitoring (option) sample and/or reference gas (both channels).

Display and control panel

  • Large LCD panel for simultaneous display of:
    • Measured value (digital and analog displays)
    • Status line
    • Measuring ranges
  • Contrast of LCD panel adjustable using menu
  • Permanent LED backlighting
  • Washable membrane keyboard with five softkeys
  • Menu-based operation for configuration, test functions, calibration
  • User help in plain text
  • Graphic display of concentration trend; programmable time intervals
  • Operation software in two languages:
    German/English, English/Spanish, French/English, Italian/English.

Inputs and outputs (per channel)

  • One analog output for each measured component
  • Two analog inputs freely configurable (e.g. correction of cross interferences or external pressure sensor)
  • Six binary inputs freely configurable (e.g. for range switching, external signal processing from sample preparation)
  • Six relay outputs freely configurable e.g. for failure, maintenance request, limit alarm, external solenoid valves
  • Extension with eight additional binary inputs and eight additional relay outputs e.g. for automatic calibration with up to four calibration gases.

Communication

RS 485 present in the basic unit (connection at the rear and for the 19” unit also behind the front plate).

Options

  • AK interface for the automotive industry with extended functions
  • RS 485/RS 232 converter
  • RS 485/Ethernet converter
  • Linking to networks via PROFIBUS DP/PA interface
  • SIPROM GA software as service and maintenance tool.

ULTRAMAT/OXYMAT 6, membrane keyboard and graphic display

Versions – Wetted parts, standard

Gas path ULTRAMAT channel

19“ unit

With hoses

Bushing

SS, type No. 1.4571

Hose

FKM (e.g. Viton)

Sample cell:

 
  • Body

Aluminum

  • Cell lining

Aluminum

  • Stub

SS, type No. 1.4571,

O-ring: FKM (e.g. Viton) or FFKM (Kalrez)

  • Window

CaF2, adhesive: E353,

O-ring: FKM (e.g. Viton) or FFKM (Kalrez)

With pipes

Bushing

Titanium

Pipe

Titanium,

O-ring: FKM (e.g. Viton) or FFKM (Kalrez)

Sample cell:

 
  • Body

Aluminum

  • Cell lining

Tantalum (only for cell length 20 mm to 180 mm)

  • Window

CaF2, adhesive: E353,

O-ring: FKM (e.g. Viton) or FFKM (Kalrez)

With pipes

Bushing

SS, type No. 1.4571

Pipe

SS, type No. 1.4571,

O-ring: FKM (e.g. Viton) or FFKM (Kalrez)

Sample cell:

 
  • Body

Aluminum

  • Cell lining

Aluminum or tantalum (Ta: only for cell length 20 mm to 180 mm)

  • Window

CaF2, adhesive: E353,

O-ring: FKM (e.g. Viton) or FFKM (Kalrez)

Flowmeter

Metering pipe

Float

Float limit

Elbows

Duran glass

Duran glass

PTFE (Teflon)

FKM (e.g. Viton)

Pressure switch

Membrane

Enclosure

FKM (e.g. Viton)

PA 6.3 T


Options

Gas path, ULTRAMAT channel

19“ unit

Flowmeter

Metering pipe

Float

Float limit

Elbows

Duran glass

Duran glass

PTFE (Teflon)

FKM (e.g. Viton)

Pressure switch

Membrane

Enclosure

FKM (e.g. Viton)

PA 6.3 T


Versions – Wetted parts, special applications (examples)

Gas path

19“ unit

With pipes

Bushing

e.g. Hastelloy C22

Pipe

e.g. Hastelloy C22,

O-ring: FKM (e.g. Viton) or FFKM (Kalrez)

Sample cell:

 
  • Body

e.g. Hastelloy C22

  • Window

CaF2, without adhesive,

O-ring: FKM (e.g. Viton) or FFKM (Kalrez)


Versions – Wetted parts, standard

Gas path, OXYMAT channel

19“ unit

With hoses

Nipple

Hose

Sample cell

Stubs sample cell

Restrictor

O-rings

SS, type No. 1.4571

FKM (e.g. Viton)

SS, type No. 1.4571 or Ta

SS, type No. 1.4571

PTFE (e.g. Teflon)

FKM (e.g. Viton)

With pipes

Nipple

Pipe

Sample cell

Restrictor

O-rings

Titanium

Titanium

SS, type No. 1.4571 or tantalum

Titanium

FKM (Viton) or FFKM (e.g. Kalrez)

With pipes

Nipple

Pipe

Sample cell

Restrictor

O-rings

SS, type No. 1.4571

SS, type No. 1.4571

SS, type No. 1.4571 or tantalium

SS, type No. 1.4571

FKM (Viton) or FFKM (Kalrez)

With pipes

Nipple

Pipe

Sample cell

Restrictor

O-rings

Hastelloy C 22

Hastelloy C 22

SS, type No. 1.4571 or tantalum

Hastelloy C 22

FKM (e.g.Viton) or FFKM (e.g. Kalrez)


Options

Gas path, ULTRAMAT channel and OXYMAT channel

19“ unit

Flowmeter

Metering pipe

Float

Float limit

Elbows

Duran glass

Duran glass

PTFE (Teflon)

FKM (e.g. Viton)

Pressure switch

Membrane

Enclosure

FKM (e.g. Viton)

PA 6.3 T


Gas path

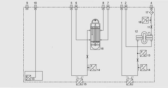
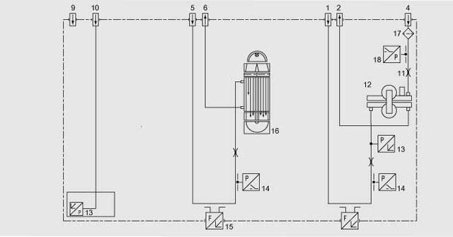
Key to gas path figures

   

1

Sample gas inlet (OXYMAT channel)

9

Purging gas

2

Sample gas outlet (OXYMAT channel)

10

Connection pressure sensor (ULTRAMAT channel)

3

Not used

11

Restrictor (in reference gas inlet)

4

Reference gas inlet

12

O2 bench

5

Sample gas inlet (ULTRAMAT channel)

13

Pressure sensor

6

Sample gas outlet (ULTRAMAT channel)

14

Pressure switch in sample gas path (option)

7

Reference gas outlet (ULTRAMAT channel, option)

15

Flowmeter in sample gas path (option)

8

Reference gas inlet (ULTRAMAT channel, option)

16

IR bench

   

17

Filter


ULTRAMAT/OXYMAT 6, gas path (example) IR channel without flow-type reference side

ULTRAMAT/OXYMAT 6, gas path (example) IR channel with flow-type reference side

Функции

Mode of operation, ULTRAMAT channel

The ULTRAMAT channel operates according to the infrared two-beam alternating light principle with double-layer detector and optical coupler.

The measuring principle is based on the molecule-specific absorption of bands of infrared radiation. The absorbed wavelengths are characteristic to the individual gases, but may partially overlap. This results in cross-sensitivities which are reduced to a minimum in the ULTRAMAT 6 gas analyzers by the following measures:

  • Gas-filled filter cell (beam divider)
  • Double-layer detector with optical coupler
  • Optical filters if necessary.

The figure shows the measuring principle. An IR source (1) which is heated to approx. 700 ºC and which can be shifted to balance the system is divided by the beam divider (3) into two equal beams (sample and reference beams). The beam divider also acts as a filter cell.

The reference beam passes through a reference cell (8) filled with N2 (a non-infrared-active gas) and reaches the right-hand side of the detector (11) practically unattenuated. The sample beam passes through the sample cell (7) through which the sample gas flows and reaches the left-hand side of the detector (10) attenuated to a lesser or greater extent depending on the concentration of the sample gas. The detector is filled with a defined concentration of the gas component to be measured.

The detector is designed as a double-layer detector. The center of the absorption band is preferentially absorbed in the upper detector layer, the edges of the band are absorbed to approximately the same extent in the upper and lower layers. The upper and lower detector layers are connected together via the microflow sensor (12). This coupling means that the spectral sensitivity has a very narrow band.

The optical coupler (13) lengthens the lower receiver cell layer optically. The infrared absorption in the second detector layer is varied by changing the slider position (14). It is thus possible to individually minimize the influence of interfering components.

A chopper (5) rotates between the beam divider and the sample cell and interrupts the two beams alternately and periodically. If absorption takes place in the sample cell, a pulsating flow is generated between the two detector levels which is converted by the microflow sensor (12) into an electric signal.

The microflow sensor consists of two nickel grids heated to approx. 120 °C which, together with two further resistors, form a Wheatstone bridge. The pulsating flow together with the very close arrangement of the Ni grids leads to a change in resistance. This leads to an offset in the bridge which is dependent on the concentration of the sample gas.

Notes

The sample gases have to enter the analyzer dustfree. Avoid condensate in the sample cells. Therefore an appropriate gas preparation is required for most applications.

The ambient air of the analyzer should be, in a large extent, free of high concentration of the component to be measured.

Flow-type reference sides with reduced flow must not be operated with flammable or toxic gases.

Channels with electronically suppressed zero only differ from the standard version in the measuring range parameterizing.

Physically suppressed zeros are carried out as special application.

ULTRAMAT 6, mode of operation

Mode of operation, OXYMAT channel

In contrast to almost all other gases, oxygen is paramagnetic. This property is utilized as the measuring principle by the OXYMAT channel.

Oxygen molecules in an inhomogeneous magnetic field are drawn in the direction of increased field strength due to their paramagnetism. When two gases with different oxygen concentrations meet in a magnetic field, a pressure difference is produced between them.

One gas (1) is a reference gas (N2, O2 or air), the other is the sample gas (5). The reference gas is introduced into the sample cell (6) through two channels (3). One of these reference gas streams meets the sample gas within the area of a magnetic field (7). Because the two channels are connected, the pressure, which is proportional to the oxygen concentration, causes a cross flow. This flow is converted into an electric signal by a microflow sensor (4).

The microflow sensor consists of two nickel grids heated to approx. 120 ºC which form a Wheatstone bridge together with two supplementary resistors. The pulsating flow results in a change in the resistance of the Ni grids. This results in a bridge offset which depends on the oxygen concentration in the sample gas.

Because the microflow sensor is located in the reference gas stream, the measurement is not influenced by the thermal conductivity, the specific heat or the internal friction of the sample gas. This also provides a high degree of corrosion resistance because the flow sensor is not exposed to the direct influence of the sample gas.

By using a magnetic field with alternating strength (8), the effect of the background flow in the microflow sensor is not detected, and the measurement is thus independent of the instrument orientation.

The sample cell is directly in the sample path and has a small volume. The microflow sensor thus responds quickly, resulting in a very short response time.

Vibrations frequently occur at the place of measurement and may falsify the measured signal (noise). A further microflow sensor (10) through which no gas passes acts as a vibration sensor. Its signal is applied to the measured signal as compensation.

If the density of the sample gas deviates by more than 50% from that of the reference gas, the compensation microflow sensor (10) is flushed with reference gas just like the measuring sensor (4).

Note

The sample gas needs to be free of dust. Condensate in the cells must be avoided. That is why the most measuring tasks require an appropriate gas preparation.

OXYMAT 6, mode of operation

Essential characteristics

  • Four freely-parameterizable measuring ranges per component
  • Measuring ranges with physical zero offset possible
  • Measuring range identification
  • Electrically isolated signal output selectable as 0/2/4 to 20 mA per component
  • Autoranging or manual range switching possible; remote switching is also possible
  • Storage of measured values possible during adjustments
  • Time constants selectable within wide limits (static/dynamic noise suppression); i.e. the response time of the analyzer can be matched to the respective application
  • Short response time
  • Low long-term drift
  • Measuring-point selection for up to 6 measuring points (programmable)
  • Measuring point identification
  • Monitoring of sample gas flow (option)
  • Two-stage access code with authorization code to prevent unintentional and unauthorized inputs
  • Automatic range calibration can be parameterized
  • Simple handling using menu-based operation with numerical membrane keyboard
  • Operation based on NAMUR Recommendation
  • Customer-specific analyzer options such as e.g.:
    • Customer acceptance
    • Tag labels
    • Drift recording.

ULTRAMAT channel

  • Differential measuring ranges with flow-type reference cell
  • Internal pressure sensor for correction of variations in atmospheric pressure in the range 600 to 1200 hPa absolute
  • External pressure sensor - only with piping gas path - can be connected for correction of variations in the process gas pressure in the range 600 to 1500 hPa absolute (option)
  • Sample cells for use in presence of highly corrosive sample gases (e.g. tantalum layer or Hastelloy C22).

OXYMAT channel

  • Monitoring of sample gas and/or reference gas (option)
  • Different smallest spans (0.5%, 2.0% or 5.0% O2)
  • Analyzer section with flow-type compensation circuit (option): a flow is passed through the compensation branch to reduce the vibration dependency in the case of highly different densities of the sample and reference gases
  • Internal pressure sensor for correction of pressure variations in sample gas (range 500 to 2000 hPa absolute)
  • External pressure sensor can be connected for correction of variations in sample gas pressure up to 3000 hPa absolute (option), only with piping as the gas path
  • Monitoring of reference gas with reference gas connection 3000 to 4000 hPa (option)
  • Sample cell for use in presence of highly corrosive sample gases..

Reference gases

Measuring range

Recommended reference gas

Reference gas connection pressure

Remarks

0 to . . . % v/v O2

N2

2000 to 4000 hPa above sample gas pressure (max. 5000 hPa absolute)

The reference gas flow is set automatically to 5 to 10 ml/min (up to 20 ml/min when also flowing through compensation branch)

. . . to 100% v/v O2 (suppressed zero with full-scale value 100% v/v O2)

O2

Around 21% v/v O2 (suppressed zero with 21% v/v O2 within the span)

Air

100 hPa with respect to sample gas pressure which may vary by max. 50 hPa around the atmospheric pressure

 

Table 1 Reference gases for OXYMAT 6 channel

Correction of zero error / Cross interferences (OXYMAT channel)

Residual gas

(concentration 100% v/v)

Zero deviation

in % v/v O2absolute

Residual gas

(concentration 100% v/v)

Zero deviation

in % v/v O2 absolute

Organic gases

 

Inert gases

 

Acetic acid CH3COOH

-0.64

Argon Ar

-0.25

Acetylene C2H2

-0.29

Helium He

+0.33

1,2 butadiene C4H6

-0.65

Krypton Kr

-0.55

1,3 butadiene C4H6

-0.49

Neon Ne

+0.17

iso-butane C4H10

-1.30

Xenon Xe

-1.05

n-butane C4H10

-1.26

 

1-butene C4H6

-0.96

Anorganic gases

 

iso-butene C4H8

-1.06

Ammonia NH3

-0.20

Cyclo-hexane C6H12

-1.84

Carbon dioxide CO2

-0.30

Dichlorodifluoromethane (R12) CCl2F2

-1.32

Carbon monoxide CO

+0.07

Ethane C2H6

-0.49

Chlorine Cl2

-0.94

Ethylene C2H4

-0.22

Dinitrogen monoxide N2O

-0.23

n-heptane C7H16

-2.4

Hydrogen H2

+0.26

n-hexane C6H14

-2.02

Hydrogen bromide HBr

-0.76

Methane CH4

-0.18

Hydrogen chloride HCl

-0.35

Methanol CH3OH

-0.31

Hydrogen fluoride HF

-0.10

n-octane C8H18

-2.78

Hydrogen iodide HI

-1.19

n-pentane C5H12

-1.68

Hydrogen sulphide H2S

-0.44

iso-pentane C5H12

-1.49

Oxygen O2

+100

Propane C3H8

-0.87

Nitrogen N2

0.00

Propylene C3H6

-0.64

Nitrogen dioxide NO2

+20.00

Trichlorofluoromethane (R11) CCl3F

-1.63

Nitrogen oxide NO

+42.94

Vinyl chloride C2H3Cl

-0.77

Sulphur dioxide SO2

-0.20

Vinyl fluoride C2H3F

-0.55

Sulphur hexafluoride SF6

-1.05

1,1 vinylidene chloride C2H2Cl2

-1.22

Water H2O

-0.03


Table 2 Zero error due to diamagnetism or paramagnetism of residual gases with nitrogen as the reference gas at 60 °C and 1000 hPa absolute (according to IEC 1207/3)

Conversion to other temperatures:

The zero errors mentionned in Table 2 must be multiplied with a correction factor (k):

  • with diamagnetic gases: k = 333 K / (ϑ [°C] + 273 K)
  • with paramagnetic gases: k = [333 K / (ϑ [°C] + 273 K)]2

(all diamagnetic gases have a negative zero error).