0

Разделы

Общее - OXYMAT 61

Общее - OXYMAT 61

The measuring principle of the OXYMAT 61 gas analyzers is based on the paramagnetic alternating pressure method and is used to measure oxygen in gases in standard applications.

OXYMAT 61

Особенности

  • Integrated pump for reference gas circulation
    (option e.g. ambient air)
  • High linearity
  • Compact design
  • Possibility of physically zero suppression.

Область применения

Application areas

  • Environmental protection
  • Boiler control in firing systems
  • Quality monitoring (e.g. in ultra-pure gas)
  • Process exhaust monitoring
  • Process optimization.

Further applications

  • Chemical plants
  • Gas manufacturers
  • Research and development.

Дизайн

  • 19“ unit with 4 HU for installation
    • in swing frames
    • in cabinets, with or without slide rails
  • Front panel for service can be hinged down
    (laptop connection)
  • Gas connections for sample gas input and output: pipe diameter 6 mm or 1/4"
  • Gas and electrical connections at the rear.

Display and control panel

  • Large LCD panel for simultaneous display of:
    • Measured value
    • Status line
    • Measuring ranges
  • Contrast of LCD panel adjustable via menu
  • Permanent LED backlighting
  • Washable membrane keyboard with five softkeys
  • Menu-based operation for configuration, test functions and calibration
  • User help in plain text
  • Graphic display of concentration trend; programmable time intervals.

Inputs and outputs

  • Six binary inputs freely configurable (e.g. for range switching, processing of external signals from sample preparation)
  • Six relay outputs freely configurable (failure, maintenance request, maintenance switch, limit alarm, external solenoid valves)
  • Two programmable analog inputs (e.g. cross interference correction, external pressure sensor)
  • Extension with eight additional binary inputs and eight additional relay outputs for automatic calibration with up to four calibration gases.

Communication

  • RS 485 included in basic unit
    (connection at the rear).

Options

  • RS 485/RS 232 converter
  • RS 485/Ethernet converter
  • Linking to networks via PROFIBUS DP/PA interface
  • SIPROM GA software as service and maintenance tool.

OXYMAT 61, membrane keyboard and graphic display

Executions of the wetted parts

Executions of wetted parts

 

Gas path

19“ unit

with hoses

Nipple

Hose

Sample cell

Stub sample cell

Restrictor

O-rings

Hose coupling

SS, type No. 1.4571

FKM (Viton)

SS, type No. 1.4571

SS, type No. 1.4571

PTFE (Teflon)

FKM (Viton)

Polyamide 6


Options

Options

   

Flowmeter

Metering pipe

Float

Float limit

Elbows

Duran glass

Duransglass, black

PTFE (Teflon)

FKM (Viton)

Sample gas pressure switch

Membrane

Enclosure

FKM (Viton)

PA 6.3T


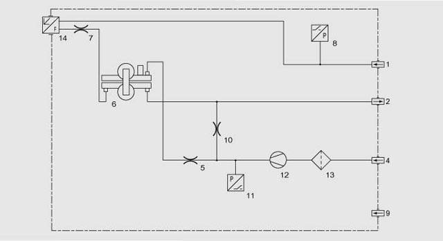
Gas path

Keys to the gas path figures

1

Sample gas inlet

8

Pressure switch in sample gas path (option)

2

Sample gas outlet

9

Purging gas

3

Not used

10

Restrictor im in reference gas path (outlet)

4

Reference gas inlet

11

Pressure switch for reference gas monitoring

5

Restrictor in reference gas path

12

Pump

6

O2 physics

13

Filter

7

Restrictor in sample gas path

14

Flowmeter in sample gas path (option)


Gas path OXYMAT 61 with integrated reference gas pump (connection for 100 hPa)

Gas path OXYMAT 61 with reference gas connection 3000 to 4000 hPa

Функции

In contrast to almost all other gases, oxygen is paramagnetic. This property is utilized as the measuring principle by the OXYMAT 61 gas analyzers.

Oxygen molecules in an inhomogeneous magnetic field are drawn in the direction of increased field strength due to their paramagnetism. When two gases with different oxygen concentrations meet in a magnetic field, a pressure difference is produced between them.

In the case of OXYMAT 61, one gas (1) is a reference gas (N2, O2 or air), the other is the sample gas (5). The reference gas is introduced into the sample chamber (6) through two channels (3). One of these reference gas streams meets the sample gas within the area of a magnetic field (7). Because the two channels are connected, the pressure, which is proportional to the oxygen concentration, causes a cross flow. This flow is converted into an electric signal by a microflow sensor (4).

OXYMAT 61, mode of operation

The microflow sensor consists of two nickel grids heated to approx. 120 ºC which form a Wheatstone bridge together with two supplementary resistors. The pulsating flow results in a change in the resistance of the Ni grids. This results in a bridge offset which depends on the oxygen concentration in the sample gas.

Because the microflow sensor is located in the reference gas stream, the measurement is not influenced by the thermal conductivity, the specific heat or the internal friction of the sample gas. This also provides a high degree of corrosion resistance because the flow sensor is not exposed to the direct influence of the sample gas.

By using a magnetic field with alternating strength (8), the effect of the background flow in the microflow sensor is not detected, and the measurement is thus independent of the instrument orientation.

The sample cell is directly in the sample path and has a small volume. The microflow sensor thus responds quickly, resulting in a very short response time for the OXYMAT 61.

Note

The sample gas needs to be free of dust. Condensate in the cells must be avoided. That is why the most measuring tasks require an appropriate gas preparation.

Special characteristics

  • Four freely-parameterizable measuring ranges, also with zero offset, all measuring ranges linear
  • Electrically isolated signal output selectable as 0/2/4 to 20 mA (also inverted)
  • Autoranging or manual range switching possible; remote switching is also possible
  • Storage of measured values possible during calibration
  • Time constants selectable within wide limits (static/dynamic noise suppression); i.e. the response time of the analyzer can be matched to the respective application
  • Simple handling using menu-based operation
  • Low long-term drift
  • Two operation levels with separate access code to prevent unintentional and unauthorized inputs
  • Automatic range calibration can be parameterized
  • Operation based on NAMUR Recommendation
  • Monitoring of sample gas (option)
  • Customer-specific analyzer options such as e.g.:
    • Customer acceptance
    • TAG labels
    • Drift recording
  • Simple handling using a digital membrane keyboard and menu-based operation
  • Short response time
  • Reference gas supply external (N2, O2 or air, approx. 3000 hPa) or via an integrated reference gas pump (ambient air, approx. 100 hPa)
  • Monitoring of reference gas with reference gas connection 3000 to 4000 hPa
  • Different smallest spans, depending on version 2.0% or 5.0% O2
  • Internal pressure sensor to correct sample gas variations.

Correction of zero error / Cross interferences

Residual gas

(concentration 100 % v/v)

Zero deviation

in % v/v O2 absolute

 

Residual gas

(concentration 100 % v/v)

Zero deviation

in % v/v O2 absolute

Organic gases

   

Inert gases

 

Acetic acid CH3COOH

-0.64

 

Argon Ar

-0.25

Acetylene C2H2

-0.29

 

Helium He

+0.33

1,2 butadiene C4H6

-0.65

 

Krypton Kr

-0.55

1,3 butadiene C4H6

-0.49

 

Neon Ne

+0.17

iso-butane C4H10

-1.30

 

Xenon Xe

-1.05

n-butane C4H10

-1.26

     

1-butene C4H6

-0.96

 

Anorganic gases

 

iso-butene C4H8

-1.06

 

Ammonia NH3

-0.20

Cyclo-hexane C6H12

-1.84

 

Carbon dioxide CO2

-0.30

Dichlorodifluoromethane (R12) CCl2F2

-1.32

 

Carbon monoxide CO

+0.07

Ethane C2H6

-0.49

 

Chlorine Cl2

-0.94

Ethylene C2H4

-0.22

 

Dinitrogen monoxide N2O

-0.23

n-heptane C7H16

-2.4

 

Hydrogen H2

+0.26

n-hexane C6H14

-2.02

 

Hydrogen bromide HBr

-0.76

Methane CH4

-0.18

 

Hydrogen chloride HCl

-0.35

Methanol CH3OH

-0.31

 

Hydrogen fluoride HF

-0.10

n-octane C8H18

-2.78

 

Hydrogen iodide HI

-1.19

n-pentane C5H12

-1.68

 

Hydrogen sulphide H2S

-0.44

iso-pentane C5H12

-1.49

 

Oxygen O2

+100

Propane C3H8

-0.87

 

Nitrogen N2

0.00

Propylene C3H6

-0.64

 

Nitrogen dioxide NO2

+20.00

Trichlorofluoromethane (R11) CCl3F

-1.63

 

Nitrogen oxide NO

+42.94

Vinyl chloride C2H3Cl

-0.77

 

Sulphur dioxide SO2

-0.20

Vinyl fluoride C2H3F

-0.55

 

Sulphur hexafluoride SF6

-1.05

1,1 vinylidene chloride C2H2Cl2

-1.22

 

Water H2O

-0.03


Zero error due to diamagnetism or paramagnetism of residual gases with nitrogen as the reference gas at 60 °C and 1000 hPa absolute (according to IEC 1207/3)

Conversion to other temperatures:

The zero errors mentionned in the table must be multiplied with a correction factor (k):

  • with diamagnetic gases: k = 333 K / (θ [°C] + 273 K)
  • with paramagnetic gases: k = [333 K / (θ [°C] + 273 K)]2

(all diamagnetic gases have a negative zero error).

Reference gases

Measuring range

Recommended reference gas

Reference gas connection pressure

Remarks

0 to . . . % v/v O2

N2

 

The reference gas flow is set automatically to 5 to 10 ml/min

. . . to 100% v/v O2 (suppressed zero with full-scale value 100% v/v O2)

O2

3000 to 4000 hPa absolute, reference gas from gas cylinder

Around 21% v/v O2 (suppressed zero with 21% v/v O2 within the span)

Air

Atmospheric air pressure with internal reference gas pump