0

Разделы

Общее

Газоанализатор ULTRAMAT 23 может измерять до 4 газовых компонентов одновременно: максимум три ИК-чувствительных газа, таких как CO, CО2, NO, SО2, CH4 плюс 02 с помощью электрохимической ячейки измерения кислорода.

Базовая версия ULTRAMAT 23 для:

  • 1 ИК-активный газвоый компонент с/без измерением кислорода
  • 2 ИК-активных газовых компонентов с/без измерением кислорода
  • 3 ИК-активных газовых компонентов с/без измерением кислорода

ULTRAMAT 23

 


Особенности

Общее
  • AUTOCAL (автокалибровка) с окружающим воздухом(зависит от измеряемого компонента)Высокая эффективность, и не требуется калибровочный газ и принадлежности 
  • Высокая избирательность многослойных детекторов; малая перекрестная чувствительность, напр., к водяным парам
  • Простые в чистке ячейки пробы;сниженная стоимость эксплуатации для дальнейшего использования в случае загрязнения
  • Управление через текстовое меню;управление работой без использования документации, высокая безопасность работы
  • Сервисная информация и протокол,профилактическое техническое обслуживание; помощью для персонала обслуживания и сопровождения, снижение затрат
  • Уровень оператора, закодированный от несанкционированного доступа, повышенная безопасность
  • Открытая архитектура в части интерфейсов (RS 485, RS 232; PROFIBUS, SIPROM GA);упрощенная интеграция с процессом, удаленное управление

 


Область применения

Общее
Области применения
  • Оптимизация малых запальных систем
  • Мониторинг концентрации выхлопных газов запальных систем со всеми типами топлива (нефть, газ и уголь), а также  рабочие измерения для установок теплового сжигания отходов
  • Мониторинг воздуха в помещениях
  • Мониторинг воздуха в плодохранилищах, парниках, бродильнях и складах
  • Мониторинг функций управления процессом
  • Мониторинг атмосферы в ходе термической обработки стали
  • Для использования в потенциально невзрывобезопасных атмосферах.
Прочие применения
  • Защита окружающей среды
  • Химические заводы
  • Цементная промышленность.
Особые применения
  • Отдельные газовые путиULTRAMAT 23 с 2 ИК-активными компонентами без насоса также доступен с двумя раздельными газовыми путями. Это позволяет выполнять измерение двух точек измерения, как используется, например, для измерения NOx перед и после преобразователя NOx. Газоанализатор ULTRAMAT 23 может использоваться в системах измерения выбросов и для мониторинга технологии и безопасности.
  • Версия TÜV Для измерения CO, NO, SО2 и О2 имеются одобренные TÜV версии ULTRAMAT 23 согласно 13. BlmSchV и TA Luft.Наименьшие одобренные и допущенные TÜV диапазоны измерения:- 1- и 2-компонентный анализатор CO: 0 до 150 мг/м3NO: 0 до 100 мг/м3 S02: 0 до 400 мг/м 3- 3- компонентный анализаторCO: 0 до 250 мг/м3NO: 0 до 400 мг/м3S02: 0 до 400 мг/м3Также одобрены большие диапазоны измерения.Кроме того, одобренные TÜV версии ULTRAMAT 23 соответствуют требованиям EN 14956 и QAL 1 согласно EN 14181. Соответствие анализаторов обоим стандартам сертифицировано TÜV.Определение дрейфа анализатора согласно EN 14181 (QAL 3) может быть выполнено вручную, а также с помощью ПК при использовании программного обеспечения для обслуживания и сопровождения SIPROM GA. Дополнительно, отобранные производители компьютеров для оценки выбросов предлагают возможность загрузки данных дрейфа через последовательный интерфейс анализатора, и автоматической записи и обработки их в анализирующем компьютере.
  • Версия с уменьшенным временем откликаСоединения между двумя конденсационными горшками оснащены заглушкой, для направления всего потока через измерительную ячейку (в противном случае – только 1/3 потока), т.е. время отклика быстрее на 2/3. Все другие компоненты сохраняют свои функции.
  • Продувка отсека прерывателя: потребление 100 мл/мин.

 

 


Дизайн

Общее
  • 19" модуль с высотой 4HU для установки- в шарнирных рамах- в шкафах, с или без скользящих направляющих
  • Расходомер газа-пробы на лицевой панели;Опция: встроенный насос газа-пробы (стандарт для настольной версии)
  • Газовые соединения для ввода и вывода газа-пробы, а также нулевого газа: диаметр трубки 6 мм или ¼''
  • Газовые и электрические соединения на задней стороне (портативная версия: ввод газа-пробы спереди).
Дисплей и панель управления
  • Управление согласно рекомендациям NAMUR
  • Простое, быстрое программирование и ввод анализатора в эксплуатацию
  • Большой ЖК-дисплей с подсветкой для измеряемых значений
  • Ввод через меню для программирования, функций тестирования и калибровки
  • Моющаяся мембранная клавиатура
  • Текстовая система помощи пользователю
  • Программное обеспечение на 6 языках.
Входы и выходы
  • Три цифровых входа для вкл/выкл насоса газа-пробы, включения AUTOCAL и синхронизации нескольких устройств
  • Восемь релейных выходов могут быть свободно сконфигурированы для сигнализации ошибок, запроса на обслуживание, пределов, идентификации диапазона и внешних электромагнитных клапанов
  • Восемь дополнительных цифровых входов и релейных выходов в качестве опции
  • Электрически изолированные аналоговые выходы.
Коммуникация
  • RS 485 присутствует в базовом модуле (подключение сзади).

Опции

  • Преобразователь RS 485/RS 232
  • Преобразователь RS 485/Ethernet
  • Подключение в сети через интерфейс PROFIBUS DP/PA
  • ПО SIPROM GA в качестве инструмента обслуживания и сопровождения.

ULTRAMAT 23, мембранная клавиатура и графический дисплей

Исполнение деталей, контактирующих с веществом

Газовый путь

 

19" модуль

Настольный модуль

Со шлангами

Конденсационная ловушка/ввод газа

-

PA ( полиамид )

Конденсационная ловушка

-

PE (полиэтилен)

Газовые соединения 6 мм

PA (полиамид)

PA ( полиамид )

Газовые соединения 1/4"

нерж. сталь, номер типа 1.4571

нерж. сталь, номер типа 1.4571

Шланг

FPM (Viton)

FPM (Viton)

Реле давления

FPM (Viton) + PA6-3-T (Trogamide)

FPM (Viton) + PA6-3-T (Trogamide)

Расходомер

PDM/Duran glass/X10CrNiTi1810

PDM/Duran glass/X10CrNiTi1810

Угольники/тройники

PA6

PA6

Внутренний насос

PVDF/PTFE/EPDM/FPM/Trolene/нерж. сталь, номер типа  1.4571

PVDF/PTFE/EPDM/FPM/Trolene/нерж. сталь, номер типа  1.4571

Электромагнитный клапан

FPM70/Ultramide/1.4310/1.4305

FPM70/Ultramide/1.4310/1.4305

Резервуар безопасности

PA66/NBR/PA6

PA66/NBR/PA6

Ячейка пробы

 

 

  • Корпус

Алюминий

Алюминий

  • Покрытие ячейки

Алюминий

Алюминий

  • Патрубок

нерж. сталь, номер типа  1.4571

нерж. сталь, номер типа  1.4571

  • Окно

CaF2

CaF2

  • Связывающее вещество

E353

E353

  • O-кольцо

FPM (Viton)

FPM (Viton)

С трубками

Газовые соединения (6 мм / 1/4")

нерж. сталь, номер типа 1.4571

 

Трубы

нерж. сталь, номер типа  1.4571

 

Ячейка пробы

 

 

  • Корпус

Алюминий

 

  • Покрытие ячейки

Алюминий

 

  • Патрубок

нерж. сталь, номер типа  1.4571

 

  • Окно

CaF2

 

  • Связывающее вещество

E353

 

  • O-кольцо

FPM (Viton)

 

ULTRAMAT 23, конструкция

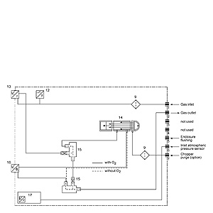
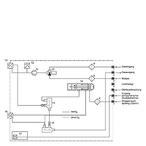
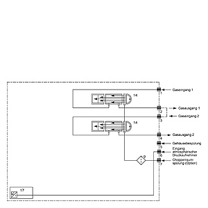
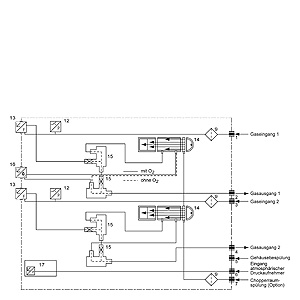
Газовые пути

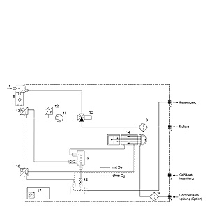
Обозначения в рисунках газовых путей

1

Вход газа-пробы/калибровочного газа

9

Защитный фильтр тонкой очистки

2

Выход газа

10

Электромагнитный клапан

3

Вход для AUTOCAL/нулевого газа или Вход для газа-пробы/регулировочного газа (канал 2)

11

12

Насос газа пробы

Реле давления

4

Выход газа (канал 2)

13

Расходомер

5

Продувка корпуса

14

Секция анализатора

6

Вход датчика атмосферного давления

15

Защитная конденсационная ловушка

7

Вход продувки камеры корпуса/прерывателя

16

Измерительная ячейка для кислорода

8

Конденсационная ловушка с фильтром

17

Датчик атмосферного давления

 

ULTRAMAT 23, портативный, в корпусе из листовой стали с внутренним насосом газа-пробы, конденсационная ловушка с защитным фильтром на лицевой панели, опциональное измерение кислорода

ULTRAMAT 23, 19" модуль, с внутренним насосом газа-пробы, опциональное измерение кислорода

ULTRAMAT 23, 19" модуль, без внутреннего насоса газа-пробы, опциональное измерение кислорода

 

ULTRAMAT 23, 19" модуль, без внутреннего насоса газа-пробы, с отдельным газовым путем для второго компонента или для 2-го и 3-го компонентов, опциональное измерение кислорода

ULTRAMAT 23, 19" модуль, версия пути газа-пробы из трубок, опциональный отдельный путь газа-пробы, всегда без насоса газа-пробы, без защитного фильтра и без защитной ловушки

 


Функции

Общее

Two independent, selective measuring principles are used in the ULTRAMAT 23.

Infrared measurement

An IR source (7) at 600 °C emits an infrared radiation which is modulated with 8 1/3 Hz by a chopper (5). After passing the sample cell (4), the intensity of the radiation is measured by the detector (11, 12).

The represented detector is composed of layers filled with the component to be analyzed. The energy of the middles of the IR bands of the measured gases is mainly absorbed in the first layer. The second layer absorbs the edge energy which is tuned on high selectivity in the third layer via an aperture.

When passing through the layers the radiation absorption results in different pressure increases and so to a flow via the capillary hole. The microflow sensor there generates a signal which is nearly independent of interferences from components at the band edges.

Note

The sample gases have to enter the analyzer dustfree. Avoid condensate in the sample cells. Therefore an appropriated gas preparation is required depending of the applications.

The ambient air of the analyzer should be, in a large extent, free of high concentrations of the component to be measured.

 

ULTRAMAT 23, mode of operation of infrared channel (example with three-layer detector)

Automatic calibration with air

The ULTRAMAT 23 can be calibrated e.g. with ambient air. During this AUTOCAL (adjustable between 0 and 24 hours), the chamber is purged with air. The detector then generates the largest signal U0 (no pre-absorption in the sample chamber). This signal is used as the reference for the zero calibration and serves simultaneously as the initial value for calculation of the full-scale value in the manner described below.

The absorption in the sample chamber increases along with the concentration of the measured component. As a result of this pre-absorption, the radiation energy measured in the detector decreases, and thus also the signal voltage. The mathematical relationship between the concentration of the measured component and the signal voltage corresponds to a good approximation in the single-beam procedure of the ULTRAMAT 23 to an exponential function of form:

U = U 0 · e -kc

c Concentration

k Device-specific constant

U0 Basic signal with zero gas (sample gas without measured component)

U Detector signal

Changes in the radiated power, contamination of the sample chamber, or ageing of detector components have the same effect on both U0 and U, and result in:

U’ = U’0· e-kc

Apart from being dependent on the concentration c, the measured voltage therefore changes continuously with increased ageing of the radiator or with persistent contamination.

The mentioned influences of contamination and ageing will have a negligible effect on the measurement as long as U’ remains within a certain tolerance range which is monitored by the analyzer.

The analyzers carry out automatic calibration of the zero point with ambient air every 1, 2, 3 ... 24 hours as desired. Calibration with a calibration gas is unnecessary since the calibration curve is calculated with the new U’0 value.

ULTRAMAT 23, mode of operation of oxygen measuring cell

Oxygen measurement

The oxygen sensor operates according to the principle of a fuel cell. The oxygen is converted at the boundary layer between cathode and electrolyte; the resulting current is proportional to the concentration of oxygen.

This sensor version with an acid based electrolyte is less sensitive to cross interferences, especially CO2, CO, CH4 and H2 than other sensor types.

Essential characteristics
  • Practically maintenance-free as a result of AUTOCAL with ambient air (or with N2, only with units without oxygen sensor); both the zero and the span are calibrated in the process
  • Calibration with calibration gas is only necessary every 12 months, depending on application
  • Two measuring ranges can be set per component within defined limits;all measuring ranges linearized;autoranging with range identification
  • Automatic correction of variations in atmospheric pressure
  • Gas flow monitoring;Low-flow alarm at  1 l/min (with viton sample gas path only)
  • Maintenance request alert
  • Two limits can be freely configured for each component, for upward or downward violation.