0

Разделы

Скачать Заказные данные 
Овальный фланец

Овальный фланец для измерительного преобразователя абсолютного и дифференциального давления имеет внутреннюю резьбу 1/2-14 NPT и рассчитан на макс. рабочее давление в 400 бар.

 


Дополнительно

Скачать Заказные данные 
Овальный фланец
  • E13: 2 винта M10x40 по DIN EN ISO 4762, 2 шайбы, 1 О-кольцо (FPM 90)
  • E34: 2 винта 7/16-20 UNF x 1 1/2 дюйма по ASME B18.3, 1 О- кольцо (FPM 90)
  • E16: 2 винта M10x40 по DIN EN ISO 4762, 2 шайбы, 1 плоское уплотнительное кольцо
  • E36: 2 винта 7/16-20 UNF x 1 1/2 дюйма по ASME B18.2.1, 1 плоское уплотнительное кольцо

Шайбы Ø 10.5 по DIN 125

Плоские уплотнительные кольца из PTFE, макс. доп. 420 бар, 80 °C

О-кольцо по DIN 3771, 20 x 2,65 – S – FPM90; макс. доп. 420 бар, 120 °C

Указание: винты M10 разрешены только до PN 160!

 


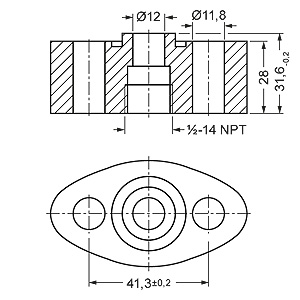
Чертеж

Скачать Заказные данные 
Овальный фланец

Овальный фланец, размеры в мм

 


Заказные данные

Скачать Заказные данные 

Цена на сайте указана розничная в ЕВРО без учета НДС.Для уточнения цены и размера предоставляемой скидки - звоните или присылайте заявки

Заказной номерPGОписание продуктаЦена
7MF9408-2CE807Овальный фланец, вход - внутренняя резьба 1/2-14 NPT, материал сталь 1.0460, макс. давление 420 бар. 31.69
7MF9408-2CL807Овальный фланец, вход - внутренняя резьба 1/2-14 NPT, материал нерж. сталь 1.4404, макс. давление 420 бар. 42.61

 


Аксессуары

Скачать Заказные данные 

Цена на сайте указана розничная в ЕВРО без учета НДС.Для уточнения цены и размера предоставляемой скидки - звоните или присылайте заявки

Заказной номерPGОписание продуктаЦена
7MF9408-5CA807Крепёжный набор: 2 болта 7/16-20 UNF длиной 1 1/2 дюйма, 2 шайбы, 1 упл. кольцо (материал FPM 90) 8.90
7MF9408-5DA807Крепёжный набор: 2 болта 7/16-20 UNF длиной 1 1/2 дюйма, 2 шайбы, 1 упл. кольцо (материал PTFE) 8.90
7MF9408-6AA807Крепёжный набор: 2 болта M10*40, 2 шайбы, 1 упл. кольцо (материал FPM 90) 3.39
7MF9408-6BA807Крепёжный набор: 2 болта M10*40, 2 шайбы, 1 упл. кольцо (материал PTFE) 3.39