0

Разделы

Параллельное включение блоков питания
Параллельное включение для резервирования

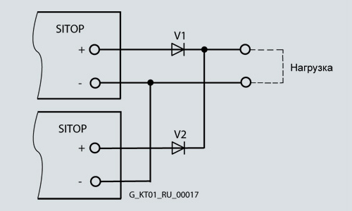
Два источника питания SITOP одного и того же типа могут быть соединены параллельно через диоды (V1, V2 на рисунке) для достижения резервирования. 100% резервирование с двумя источниками питания SITOP существует только когда полный ток нагрузки не превышает тока нагрузки который может обеспечить один источник питания SITOP и источник питания на входной стороне тоже сконфигурирован с избыточностью. То есть, в случае короткого замыкания в первичной сети источника питания не должно быть общих предохранителей отключающих оба источника от системы электропитания.

Параллельное соединение с разделительными диодами для резервирования допускается со всеми источниками SITOP. Диоды V1 и V2 служат для разделения. Они должны иметь обратное напряжение, по крайней мере, не менее 40 В и должны обеспечивать номинальный ток, соответствующий максимальному выходному току установленного источника SITOP power.

 

Руководство

Диоды должны соответствовать максимальному динамическому току. Это может быть динамический ток короткого замыкания при пуске или работе (должна быть принята большая величина).

Для рассеивания значительной мощности теряемой на (current x conducting-state voltage drop) диоды необходимо снабдить теплоотводами соответствующего размера.

Разумно оставить дополнительный резерв безопасности, потому что входной конденсатор в источнике питания SITOP дает дополнительный токовый пик в случае короткого замыкания. Однако, этот дополнительный ток течет в течение нескольких миллисекунд и поэтому в диапазоне времени (< 8.3 мс, допустимый кратковременный ток диодов) в течение которого диоды могут подвергаться многократному превышению номинального тока.

Пример 1

Два однофазных источника питания SITOP с номинальным выходным током - 10 A подключаются параллельно (заказной номер продукта 6ES7307-1KA00-0AA0). Динамический ток во время короткого замыкания пуска примерно 22 A для 150 мс.

Для сохранности, диоды должны иметь номинальный ток 30 A; Теплоотвод должен обеспечивать возможный длительный ток (см. техническую спецификацию): ограничение тока 13 A на диод or или предпочтительно, для безопасности, по крайней мере 15 A на диод.

Пример 2

Два преобразователя DC/DC с номинальным выходным током 20 A (заказной номер 6EP1536-1SL01) подключаются параллельно. Динамический ток для короткого замыкания работы примерно 38 A для 500 ms.

Для сохранности, диоды должны иметь номинальный ток 50 A; Теплоотвод должен обеспечивать возможный длительный ток (см. техническую спецификацию): ограничение тока 23 A на диод или предпочтительно, для безопасности, по крайней мере 30 A на диод.

Тип диодов

Например, подходящий тип для SITOP power 20 ISOTOP модуль BYV 54V-50 (обратное напряжение 50 В).

ИзготовительSGS Thomson

Поставщикнапример, Spoerle

Преимущество:

Каждый модуль содержит два диода изолированных друг от друга и от подложки, с номинальным током DC I F AV - 50 A каждый и I F RMS - 100 A. С током нагрузки 50 A при падении напряжения приблизительно 0.8 В.

Замечание: ISOTOP модули BYV 54V-200 (обратное напряжение 200 В) обычно доступны от дистрибьюторов.