0

Разделы

Переключатель трансформатора тока - Измерительные устройства

Переключатель трансформатора тока - Измерительные устройства

  • Согласно EN 60947-3
  • определенное изолированное напряжение 660 В

Особенности

Область применения

Переключатели выбора фаз для вольтметра и амметра.

Чертеж

Measuring selector switches

7KT9 010, 7KT9 011

Схема подключения [PDF]

Загрузить PDF-файл.

Для просмотра информации в формате PDF необходимо установить Adobe Acrobat Reader.
Adobe Acrobat Reader

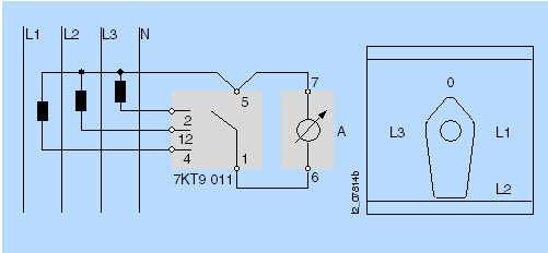
Схема подключения

Схемы электрических соединений

Переключатель для вольтметра

 

Переключатель для амметра

Заказные данные

Заказной №ОписаниеВес (кг)ДоставкаМин. зак. (шт)
7KT9010ПЕРЕКЛЮЧАТЕЛЬ НАПРЯЖЕНИЙ ДЛЯ ВОЛЬТМЕТРА АС 400В0.113 - 5 недель (A)1
7KT9011ПЕРЕКЛЮЧАТЕЛЬ ТОКОВ ДЛЯ АМПЕРМЕТРА АС 6А0.113 - 5 недель (A)1