0

Разделы

Скачать Обзор Скачать Функции 
Переключающий кран низкого давления

Кран переключения пониженного давления для измер. преобразователя дифф. давления

 


Особенности

Скачать Обзор Скачать Функции 
Переключающий кран низкого давления
  • Прочная конструкция
  • Для жидкостей и газов
  • Обслуживание одной рукой

 


Дизайн

Скачать Обзор Скачать Функции 
Переключающий кран низкого давления

Краны переключения для установки во фланец на измерительный преобразователь.

Корпус из латуни CuZn39Pb3, W.-Nr. 2.0401.

Проверочное соединение с зопорными винтами или с замозапорными быстродействующими соединениями.

 

Указание: При установке крана переключения во фланец на измерительный преобразователь дифференциального давления всегда необходим набор принадлежностей!

 

 


Функции

Скачать Обзор Скачать Функции 
Переключающий кран низкого давления
  • Блокировка импульсных линий
  • Проверка нулевой точки измерительного преобразователя давления
  • Проверка характеристики измерительного преобразователя давления

Позиции крана; символы находятся на кране

 


Дополнительно

Скачать Обзор Скачать Функции 
Переключающий кран низкого давления
Набор принадлежностей для крана переключения пониженного давления
  • L11: 4 винта M10x25 по DIN EN 24017, 4 шайбы, 2 плоских уплотнительных кольца
  • L15 (подходит для кислорода): 4 винта M10x25 по DIN EN 24017, 4 шайбы, 2 плоских уплотнительных кольца
  • L31: 4 винта 7/16-20 UNF x 1 дюйм, 2 плоских уплотнительных кольца  

Шайбы Ø 10.5 по DIN 125

Плоские уплотнительные кольца из PTFE, макс. доп. 80 °C

Кран переключения для не содержащих масла и обезжиренных конструкций
  • S11: проверенная BAM смазка, кислородостойкая уплотнительная втулка
Крепежный уголок
  • M13: необходим для монтажа на стену или для крепежа на монтажную опору (шаг растра 72 мм); из стального листа, гальваническая оцинковка

 


Опции

Скачать Обзор Скачать Функции 
Переключающий кран низкого давления

Контрольные соединения

  • 2 резьбовые заглушки G3/8
  • 2 быстродействующих соединения

 


Характеристика

Скачать Обзор Скачать Функции 
Переключающий кран низкого давления

Кран переключения пониженого давления и допустимое избыточное рабочее давление в зависимости от допустимой рабочей температуры

 


Чертеж

Скачать Обзор Скачать Функции 
Переключающий кран низкого давления

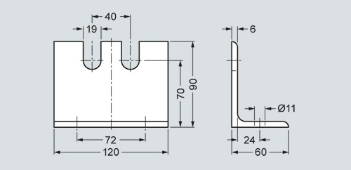
Кран переключения пониженного давления для прямой установки во фланец на измерительный преобразователь дифф. давления, размеры в мм

Крепежный уголок 7MF9004-6AA, размеры в мм

 


Заказные данные

Скачать Обзор Скачать Функции 

Цена на сайте указана розничная в ЕВРО без учета НДС.Для уточнения цены и размера предоставляемой скидки - звоните или присылайте заявки

Заказной номерPGОписание продуктаЦена
7MF9004-4CA807Многоходовой клапан переключения, пониженного давления - макс. давление 25 бар, макс. температура 60 С, контрольные отверстия - 2 болта с резьбой G 3/8. 155.82
7MF9004-4DA807Многоходовой клапан переключения, пониженного давления - макс. давление 25 бар, макс. температура 60 С, контрольные отверстия - быстросъёмные соединения. 198.22

 


Аксессуары

Скачать Обзор Скачать Функции 

Цена на сайте указана розничная в ЕВРО без учета НДС.Для уточнения цены и размера предоставляемой скидки - звоните или присылайте заявки

Заказной номерPGОписание продуктаЦена
7MF9004-5CC807Дополнительный набор: 4 винта длиной 1 1/8 дюйма с резьбой 7/16-20 UNF, 4 шайбы, 2 прокладки. 15.69
7MF9004-6AA807Монтажный набор многоходового клапана, для монтажа на плоскую поверхность, межцентровое расстояние 72 мм, материал угл. сталь 1.0122. 20.78
7MF9004-6AD807Крепёжный набор: 4 болта M10*30, 4 шайбы, 2 прокладки PTFE, стандартная версия. 5.72
7MF9004-6AE807Крепёжный набор: 4 болта M10*30, 4 шайбы, 2 прокладки PTFE, версия для среды кислород. 10.18