
FTL50: Компактное исполнение, идеально подходит для монтажа в трубы и установки в труднодоступных местах
FTL51:
Исполнение с удлиненным зондом до 3 м Доступно исполнение зонда из коррозийно устойчивого сплава Alloy C4 (2.4610) для
применения в агрессивных жидких продуктах.
FTL50H, FTL51H:
С полированной поверхностью зонда, легко очищающимся подключением к процессу и корпусом для применения в пищевой и
фармацевтической промышленности.
FTL51C:
Все смачиваемые части доступны с широким ассортиментом различных покрытий, таких как эмаль, PFA и ECTFE, благодаря чему данный датчик применим в агрессивных средах.
Взрывозащита EEx ia, EEx de и EEx d для применения во взрывоопасных зонах.
Данный прибор может применяться c любыми жидкими продуктами
– для интелектуального определения продукта
– для измерения плотности
– для вычисления концентрации жидких продуктов
– для преобразования измеренных значений различных приборов, такие единицы
измерения как °Brix, °Baum, °API и т.п.
В сочетании с Liquiphant M, вычислитель для плотности FML621 выполняет непрерывное
измерение плотности. Далее данные значения измерения могут быть преобразованы в Baumй, °Brixetc. Дополнительные
программные модули, как например, вычисление приведенной плотности,
определение концентрации и распознавание сред, помогают пользователи при мониторинге технологического процесса.
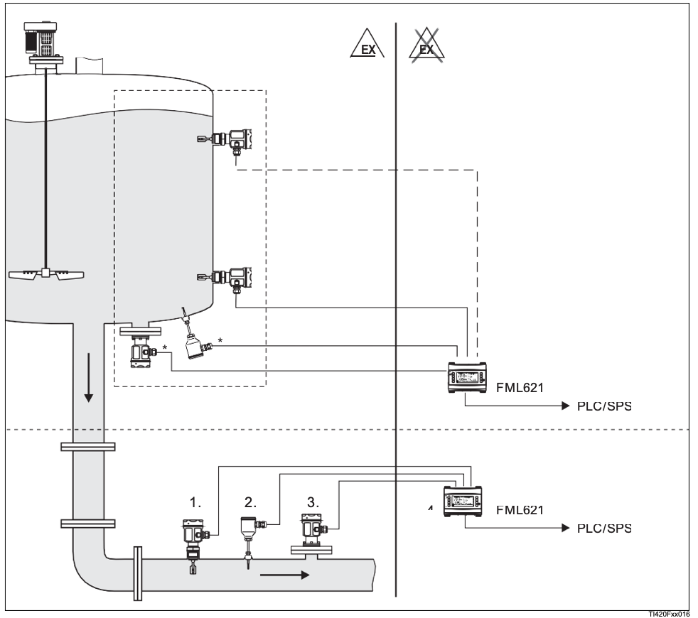
* В зависимости от применения потребуется информация о давлении и температуре процесса.
1. Liquiphant M с электронной вставкой FEL50D (импульсный выходной сигнал);
2. Датчик температуры (напр, 4... 20 мA выходной сигнал);
3. Преобразователь давления (4...20 мА выходной сигнал);
4. Вычислитель Liquiphant FML621 для вычисления плотности и концентрации с дисплеем и панелью управления
Note!
На измерение могут влиять следующие факторы:
• Пузыри воздуха на зонде датчика
• Зонд не полностью покрыт средой
• Образование налипаний на датчике
• Высокая скорость потока в трубе
• Измерения выполняются в резервуаре или трубах без необходимости установки
дополнительных труб
• Широкий ассортимент подключений к процессу: универсальное применение
• Интеграция существующих датчиков температуры для температурной
компенсации
• Отсутствие механически движущихся
деталей: не требуется техобслуживание, не требуется защита, долгий срок службы
• Защита насоса может быть поставлена с таким же подключением к процессу
• Дополнительные рассчеты, как масса продукта, могут быть выполнены с помощью вычислителя плотности и концентрации
• Встроенные регистратор данных помогает пользователю в управлении и сервисных работах
• Гигиенические решения с сертификатами
EHEDG и 3A
Примеры применения Базовое исполнение прибора:
|
Применение |
Код заказа |
Количество входов |
Количество выходов |
Комментарии |
|
1 канал измерения плотности с компенсацией по давлению и температуре |
FML621- xxxAAAxxxx |
4 импульсных входа / 0/4... 20 мA |
1 релейный выход SPST, 2 0/4... 20 мA |
1 Liquiphant M с FEL50D 1 преобразователь температуры 4...20мA 1 преобразователь давления 4...20 мA 1 выход: плотность 4... 20 мA 1 выход: температура 4...20 мA |
|
2 канала измерения плотности с температурной компенсацией |
FML621- xxxAAAxxxx |
4 импульсных входа / 0/4... 20 мA |
1 релейный выход SPST, 2 0/4... 20 мA |
2 Liquiphant M с FEL50D 2 преобразователя температуры 4...20мA 1 выход: плотность 4... 20 мA 1 выход: температура 4...20 мA |
Базовое исполнение прибора + 2 расширительные платы:
|
Применение |
Код заказа |
Количество входов |
Количество выходов |
Комментарии |
|
3 канала измерения плотности 2 канала с температурной компенсацией 1x с компенсацией по далению и температуре |
FML621- xxxBBAxxxx |
8 импульсных входов / 0/4... 20 мA |
5 релейных выходов SPST, 6 выходов 0/4... 20 мА |
3 Liquiphant M с FEL50D 3 преобразователя температуры 4...20мA 1 преобразователь давления 4...20 мA 3 выхода: плотность 4...20 мA 3 выхода: temperature 4...20 мA 1 реле для определения среды |
Определение продукта (напр. с реле):
|
Применение |
Код заказа |
Использование входов |
Information content |
Комментарии |
|
Различие между 2 продуктами |
FML621- xxxAAAxxxx Базовый модуль |
1x FEL50D 1x температура 4...20 мA |
1 выход: плотность 4...20 мA1 выход: температура 4...20 мA1 реле, например, для буферного резервуара |
Определение среды может относиться как к определению концентрации, так определению фазового перехода. |
|
Различие между 3 продуктами |
FML621- xxxBAAxxxx Базовый модуль с дополнительной релейной платой |
1x FEL50D 1x температура 4...20 мA |
1 выход: плотность 4...20 мA1 выход: температура 4...20 мA1 реле: отображение продукта 11 реле: отображение продукта 21 реле: отображение продукта 3 |
Реле могут активировать последующие процессы с помощью управления приводами |
Измерение плотности:
|
Применение |
Код заказа |
Использование входов |
Information content |
Комментарии |
|
Измерение плотности и концентрация + защита насоса |
FML621- xxxAAAxxxx Базовый модуль |
1x FEL50D 1x температура 4...20 мA |
1 выход: плотность 4...20 мA1 выход: концентрация 4...20 мA1 реле для выключения насоса |
Помимо определения плотности и концнтрации, может быть выполена защита насоса посредством верного выбора частоты переключения. |
Измерение плотности в сочетании с другими принципами измерения:
|
Применение |
Код заказа |
Использование входов |
Содержание данны |
Комментарии |
|
Определение массы содержимого резервуара и мониторинг допустимости измерения |
FML621- xxxBAAxxxx Базовый модуль с дополнительной расширительной платой Аналоговый |
1x FEL50D 1x температура 4... 20 мA 1x Micropilot FMR240 |
1 выход: масса 1 выход: плотность 4...20 мA 1 выход: уровень 4...20 мA В зависимости от уровня, 1 реле сигнализирует достоверность данных |
Благодаря встроенной функции математического подсчета, при измерении плотности может быть подсчитана и масса продукта при наличие информации об уровне. |